[go: up one dir, main page]

KR101213837B1 - Organic Electro Luminescence Device And Driving Method Thereof - Google Patents

Organic Electro Luminescence Device And Driving Method Thereof Download PDF

Info

Publication number
KR101213837B1
KR101213837B1 KR1020050084711A KR20050084711A KR101213837B1 KR 101213837 B1 KR101213837 B1 KR 101213837B1 KR 1020050084711 A KR1020050084711 A KR 1020050084711A KR 20050084711 A KR20050084711 A KR 20050084711A KR 101213837 B1 KR101213837 B1 KR 101213837B1
Authority
KR
South Korea
Prior art keywords
node
period
light emitting
switch element
organic light
Prior art date
Legal status (The legal status is an assumption and is not a legal conclusion. Google has not performed a legal analysis and makes no representation as to the accuracy of the status listed.)
Expired - Lifetime
Application number
KR1020050084711A
Other languages
Korean (ko)
Other versions
KR20070029997A (en
Inventor
정상훈
이홍구
Original Assignee
엘지디스플레이 주식회사
Priority date (The priority date is an assumption and is not a legal conclusion. Google has not performed a legal analysis and makes no representation as to the accuracy of the date listed.)
Filing date
Publication date
Application filed by 엘지디스플레이 주식회사 filed Critical 엘지디스플레이 주식회사
Priority to KR1020050084711A priority Critical patent/KR101213837B1/en
Publication of KR20070029997A publication Critical patent/KR20070029997A/en
Application granted granted Critical
Publication of KR101213837B1 publication Critical patent/KR101213837B1/en
Anticipated expiration legal-status Critical
Expired - Lifetime legal-status Critical Current

Links

Images

Classifications

    • GPHYSICS
    • G09EDUCATION; CRYPTOGRAPHY; DISPLAY; ADVERTISING; SEALS
    • G09GARRANGEMENTS OR CIRCUITS FOR CONTROL OF INDICATING DEVICES USING STATIC MEANS TO PRESENT VARIABLE INFORMATION
    • G09G3/00Control arrangements or circuits, of interest only in connection with visual indicators other than cathode-ray tubes
    • G09G3/20Control arrangements or circuits, of interest only in connection with visual indicators other than cathode-ray tubes for presentation of an assembly of a number of characters, e.g. a page, by composing the assembly by combination of individual elements arranged in a matrix no fixed position being assigned to or needed to be assigned to the individual characters or partial characters
    • G09G3/22Control arrangements or circuits, of interest only in connection with visual indicators other than cathode-ray tubes for presentation of an assembly of a number of characters, e.g. a page, by composing the assembly by combination of individual elements arranged in a matrix no fixed position being assigned to or needed to be assigned to the individual characters or partial characters using controlled light sources
    • G09G3/30Control arrangements or circuits, of interest only in connection with visual indicators other than cathode-ray tubes for presentation of an assembly of a number of characters, e.g. a page, by composing the assembly by combination of individual elements arranged in a matrix no fixed position being assigned to or needed to be assigned to the individual characters or partial characters using controlled light sources using electroluminescent panels
    • G09G3/32Control arrangements or circuits, of interest only in connection with visual indicators other than cathode-ray tubes for presentation of an assembly of a number of characters, e.g. a page, by composing the assembly by combination of individual elements arranged in a matrix no fixed position being assigned to or needed to be assigned to the individual characters or partial characters using controlled light sources using electroluminescent panels semiconductive, e.g. using light-emitting diodes [LED]
    • G09G3/3208Control arrangements or circuits, of interest only in connection with visual indicators other than cathode-ray tubes for presentation of an assembly of a number of characters, e.g. a page, by composing the assembly by combination of individual elements arranged in a matrix no fixed position being assigned to or needed to be assigned to the individual characters or partial characters using controlled light sources using electroluminescent panels semiconductive, e.g. using light-emitting diodes [LED] organic, e.g. using organic light-emitting diodes [OLED]
    • G09G3/3275Details of drivers for data electrodes
    • G09G3/3291Details of drivers for data electrodes in which the data driver supplies a variable data voltage for setting the current through, or the voltage across, the light-emitting elements
    • GPHYSICS
    • G09EDUCATION; CRYPTOGRAPHY; DISPLAY; ADVERTISING; SEALS
    • G09GARRANGEMENTS OR CIRCUITS FOR CONTROL OF INDICATING DEVICES USING STATIC MEANS TO PRESENT VARIABLE INFORMATION
    • G09G2300/00Aspects of the constitution of display devices
    • G09G2300/08Active matrix structure, i.e. with use of active elements, inclusive of non-linear two terminal elements, in the pixels together with light emitting or modulating elements
    • G09G2300/0809Several active elements per pixel in active matrix panels
    • G09G2300/0814Several active elements per pixel in active matrix panels used for selection purposes, e.g. logical AND for partial update

Landscapes

  • Engineering & Computer Science (AREA)
  • Physics & Mathematics (AREA)
  • Computer Hardware Design (AREA)
  • General Physics & Mathematics (AREA)
  • Theoretical Computer Science (AREA)
  • Electroluminescent Light Sources (AREA)
  • Control Of El Displays (AREA)
  • Control Of Indicators Other Than Cathode Ray Tubes (AREA)

Abstract

본 발명은 화질저하를 방지하여 표시품질을 향상시킬 수 있는 유기 전계발광 표시장치 및 그 구동방법에 관한 것이다.The present invention relates to an organic electroluminescent display device and a driving method thereof, which can improve display quality by preventing image degradation.

본 발명은 유기전계발광셀을 구동하기 위한 셀 구동회로부가 매트릭스 형태로 배열된 유기전계발광표시장치에 있어서, 상기 셀 구동회로부는 제1 노드 및 제2 노드 사이에 접속되는 제1 커패시터와; 상기 제1 노드 및 상기 제2 노드 중 어느 하나와 저전위 전압원 사이에 접속되는 제2 커패시터와; 제1 내지 제4 기간 동안 제1 스캔라인으로부터 공급되는 제1 신호의 제1 논리값에 응답하여 데이터라인과 상기 제1 노드 사이의 전류패스를 형성하는 제1 스위치소자와; 제2 기간 동안 제2 스캔라인으로부터 공급되는 제2 신호의 제1 논리값에 응답하여 상기 제2 노드와 제3 노드 사이의 전류패스를 형성하는 제2 스위치소자와; 제3 기간 동안 상기 제2 신호의 제2 논리값에 응답하여 상기 유기전계발광셀과 상기 제3 노드 사이의 전류패스를 형성하는 제3 스위치소자와; 제4 기간 동안 상기 제2 노드 상의 전압에 응답하여 상기 제3 노드와 상기 저전위 전압원 사이의 전류패스를 형성하는 제4 스위치소자를 구비하는 것을 특징으로 한다.The present invention provides an organic light emitting display device in which cell driving circuit portions for driving an organic light emitting cell are arranged in a matrix form, the cell driving circuit portion comprising: a first capacitor connected between a first node and a second node; A second capacitor connected between any one of the first node and the second node and a low potential voltage source; A first switch element forming a current path between the data line and the first node in response to a first logic value of the first signal supplied from the first scan line during the first to fourth periods; A second switch element forming a current path between the second node and a third node in response to a first logic value of a second signal supplied from a second scan line during a second period of time; A third switch element forming a current path between the organic light emitting cell and the third node in response to a second logic value of the second signal during a third period of time; And a fourth switch element forming a current path between the third node and the low potential voltage source in response to the voltage on the second node during the fourth period.

Description

유기 전계발광 표시장치 및 그의 구동방법{Organic Electro Luminescence Device And Driving Method Thereof}Organic Electroluminescent Display and Driving Method Thereof {Organic Electro Luminescence Device And Driving Method Thereof}

도 1은 하나의 유기전계발광셀을 개략적으로 도시한 도면. 1 is a view schematically showing one organic light emitting cell.

도 2는 종래의 유기전계발광표시장치를 개략적으로 나타태는 도면. 2 is a view schematically showing a conventional organic light emitting display device.

도 3은 도 2에 도시된 P-타입 구동 스위치 소자를 가지는 화소셀 구동회로를 나타내는 도면. 3 is a view showing a pixel cell driving circuit having the P-type driving switch element shown in FIG.

도 4는 종래 유기 전계발광 표시장치에서의 수직 및 수평 방향으로의 라인 저항을 나타내는 도면. 4 is a diagram illustrating line resistance in vertical and horizontal directions in a conventional organic electroluminescent display.

도 5는 P-타입 구동 스위치 소자를 가지는 유기 전계발광 표시장치에서의 라인 저항에 의한 구동전압의 편차를 나타내는 도면.FIG. 5 is a diagram showing variation of driving voltage due to line resistance in an organic electroluminescent display device having a P-type driving switch element. FIG.

도 6은 n-타입 구동 스위치 소자를 가지는 화소셀 구동회로를 나타내는 도면. 6 is a view showing a pixel cell driving circuit having an n-type driving switch element;

도 7은 n-타입 구동 스위치 소자를 가지는 유기 전계발광 표시장치에서의 라인 저항에 의한 구동전압의 편차를 나타내는 도면. FIG. 7 is a diagram showing variation in driving voltage due to line resistance in an organic electroluminescent display having an n-type driving switch element. FIG.

도 8은 본 발명의 실시예에 따른 유기전계발광표시장치를 개략적으로 나태는 도면. 8 is a diagram schematically illustrating an organic light emitting display device according to an embodiment of the present invention.

도 9는 본 발명의 제1 실시예에 따른 n-타입 구동 스위치 소자를 가지는 화소셀 구동회로를 나타내는 도면. 9 is a diagram showing a pixel cell driving circuit having an n-type driving switch element according to a first embodiment of the present invention;

도 10은 도 9에서의 화소셀 구동회로를 구동하기 위한 파형도. 10 is a waveform diagram for driving a pixel cell driving circuit in FIG. 9; FIG.

도 11은 도 10의 A 기간에서의 구동회로에 형성되는 전류패스를 나타낸 도면이다. FIG. 11 is a diagram illustrating a current path formed in a driving circuit in period A of FIG. 10.

도 12는 도 10의 B 기간에 형성되는 전류패스를 나타낸 도면이다. FIG. 12 is a diagram illustrating a current path formed in period B of FIG. 10.

도 13는 도 10의 D 기간에 형성되는 전류패스를 나타낸 도면이다. FIG. 13 is a diagram illustrating a current path formed in period D of FIG. 10.

도 14 및 15는 본 발명의 제1 실시예에서의 유기발광셀의 구동전류와 문턱전압, 구동전류와 저전위 전압원과의 관계를 나타내는 실험 데이터.14 and 15 are experimental data showing the relationship between the drive current and the threshold voltage, the drive current and the low potential voltage source of the organic light emitting cell in the first embodiment of the present invention.

도 16은 본 발명의 제2 실시예에 따른 n-타입 구동 스위치 소자를 가지는 화소셀 구동회로를 나타내는 도면. Fig. 16 is a view showing a pixel cell driving circuit having an n-type driving switch element according to the second embodiment of the present invention.

도 17은 도 10의 A 기간에서의 구동회로에 형성되는 전류패스를 나타낸 도면이다. FIG. 17 is a view showing a current path formed in a driving circuit in period A of FIG.

도 18는 도 10의 B 기간에 형성되는 전류패스를 나타낸 도면이다. FIG. 18 is a diagram illustrating a current path formed in period B of FIG. 10.

도 19는 도 10의 D 기간에 형성되는 전류패스를 나타낸 도면이다. FIG. 19 is a diagram illustrating a current path formed in period D of FIG. 10.

도 20는 본 발명의 제3 실시예에 따른 p-타입 구동 스위치 소자를 가지는 화소셀 구동회로를 나타내는 도면.20 is a diagram showing a pixel cell driving circuit having a p-type driving switch element according to a third embodiment of the present invention;

도 21은 도 20에서의 화소셀 구동회로를 구동하기 위한 파형도. 21 is a waveform diagram for driving a pixel cell driving circuit in FIG. 20;

도 22는 본 발명의 제4 실시예에 따른 p-타입 구동 스위치 소자를 가지는 화소셀 구동회로를 나타내는 도면. Fig. 22 is a view showing a pixel cell driving circuit having a p-type driving switch element according to a fourth embodiment of the present invention.

<도면의 주요 부분에 대한 부호의 설명><Explanation of symbols for the main parts of the drawings>

2 : 음극 4 : 전자 주입층2: cathode 4: electron injection layer

6 : 전자 수송층 8 : 발광층6: electron transport layer 8: light emitting layer

10 : 정공 수송층 12 : 정공 주입층10 hole transport layer 12 hole injection layer

14 : 양극 128 : 타이밍 콘트롤러14: anode 128: timing controller

118 : 제1 스캔 드라이버 119 : 제2 스캔 드라이버 118: first scan driver 119: second scan driver

20,120 : 데이터 드라이버 16,116 : 표시패널 20,120: Data driver 16,116: Display panel

본 발명은 유기 전계발광 표시장치에 관한 것으로 특히, 화질저하를 방지하여 표시품질을 향상시킬 수 있는 유기 전계발광 표시장치 및 그 구동방법에 관한 것이다.BACKGROUND OF THE INVENTION 1. Field of the Invention The present invention relates to an organic electroluminescent display, and more particularly, to an organic electroluminescent display and a method of driving the same, which can improve display quality by preventing image degradation.

최근, 음극선관(Cathode Ray Tube)의 단점인 무게와 부피를 줄일 수 있는 각종 평판 표시장치들이 개발되고 있다. 이러한 평판 표시장치로는 액정 표시장치(Liquid Crystal Display), 전계방출 표시장치(Field Emission Display), 플라즈마 표시 패널(Plasma Display Panel) 및 일렉트로-루미네센스(Electro-Luminescence : 이하, "EL"이라 함) 표시장치 등이 있다. 2. Description of the Related Art Recently, various flat panel display devices capable of reducing weight and volume, which are disadvantages of cathode ray tubes (CRTs), have been developed. Such flat panel displays include a liquid crystal display, a field emission display, a plasma display panel, and an electro-luminescence (hereinafter, referred to as "EL"). Display).

여기서, EL 표시장치는 전자와 정공의 재결합으로 형광물질을 발광시키는 자발광소자로서, 재료 및 구조에 따라 무기 EL과 유기 EL로 대별된다. 이 EL 표시장치는 액정표시장치와 같이 별도의 광원을 필요로 하는 수동형 발광소자에 비하여 음극선관과 같은 빠른 응답속도를 가지는 장점을 갖고 있다. Here, the EL display device is a self-luminous device that emits a fluorescent material by recombination of electrons and holes, and is roughly divided into inorganic EL and organic EL according to materials and structures. This EL display device has the advantage of having a fast response speed, such as a cathode ray tube, compared to a passive light emitting device that requires a separate light source like a liquid crystal display device.

도 1은 유기 EL 표시장치의 발광원리를 설명하기 위한 하나의 유기발광셀(OLED)를 도시한 단면도이다. 유기발광셀(OLED)는 음극(2)과 양극(14) 사이에 적층된 전자 주입층(4), 전자 수송층(6), 발광층(8), 정공 수송층(10), 정공 주입층(12)을 구비한다.FIG. 1 is a cross-sectional view illustrating an organic light emitting cell OLED for explaining a light emission principle of an organic EL display device. The organic light emitting cell OLED includes an electron injection layer 4, an electron transport layer 6, an emission layer 8, a hole transport layer 10, and a hole injection layer 12 stacked between the cathode 2 and the anode 14. It is provided.

투명전극인 양극(14)과 금속전극인 음극(2) 사이에 전압을 인가하면, 음극(2)으로부터 발생된 전자는 전자 주입층(4) 및 전자 수송층(6)을 통해 발광층(8) 쪽으로 이동한다. 또한, 양극(14)으로부터 발생된 정공은 정공 주입층(12) 및 정공 수송층(10)을 통해 발광층(8) 쪽으로 이동한다. 이에 따라, 발광층(8)에서는 전자 수송층(6)과 정공 수송층(10)으로부터 공급되어진 전자와 정공이 충돌하여 재결합함에 의해 빛이 발생하게 되고, 이 빛은 투명전극인 양극(14)을 통해 외부로 방출되어 화상이 표시되게 한다.When a voltage is applied between the anode 14, which is a transparent electrode, and the cathode 2, which is a metal electrode, electrons generated from the cathode 2 are directed toward the light emitting layer 8 through the electron injection layer 4 and the electron transport layer 6. Move. In addition, holes generated from the anode 14 move toward the light emitting layer 8 through the hole injection layer 12 and the hole transport layer 10. Accordingly, in the light emitting layer 8, light is generated by collision between electrons and holes supplied from the electron transport layer 6 and the hole transport layer 10 and recombination, and the light is externally transmitted through the anode 14 which is a transparent electrode. Is emitted so that the image is displayed.

이러한 유기발광셀(OLED)을 이용하는 종래의 유기 EL 표시장치는 도 2에 도시된 바와 같이 스캔라인들(SL1 내지 SLn)과 데이터라인들(DL1 내지 DLm)의 교차로 정의된 영역마다 배열되어진 화소셀들(PE)을 포함하는 EL 표시패널(16)과, 스캔라인들(SL1 내지 SLn)을 구동하기 위한 스캔 드라이버(18)와, 데이터 라인들(DL1 내지 DLm)을 구동하기 위한 데이터 드라이버(20)와, 데이터 드라이버(20) 및 스캔 드 라이버(18) 각각의 구동 타이밍을 제어하기 위한 타이밍 제어부(28)를 구비한다.In the related art organic EL display device using the organic light emitting cell OLED, pixel cells are arranged in regions defined by intersections of the scan lines SL1 to SLn and the data lines DL1 to DLm, as shown in FIG. 2. EL display panel 16 including the fields PE, a scan driver 18 for driving the scan lines SL1 to SLn, and a data driver 20 for driving the data lines DL1 to DLm. And a timing controller 28 for controlling the drive timing of each of the data driver 20 and the scan driver 18.

도 3은 종래의 P-타입(type) 구동 TFT(DT)를 가지는 화소셀(PE)을 나타내는 도면이다.3 is a diagram illustrating a pixel cell PE having a conventional P-type driving TFT DT.

도 3에 도시된 P-타입 구동 TFT(DT)를 가지는 화소셀(PE)들은 고전위전압원(VDD)과, 공급 전압원(VDD)과 저전위전압원(VSS) 사이에 접속된 유기발광셀(OLED)과, 데이터 라인(DL)과 스캔 라인(SL) 각각으로부터 공급되는 구동신호에 따라 유기발광셀(OLED)을 구동시키기 위한 셀 구동회로(30)를 구비한다.The pixel cells PE having the P-type driving TFT DT shown in FIG. 3 are a high potential voltage source VDD and an organic light emitting cell OLED connected between a supply voltage source VDD and a low potential voltage source VSS. And a cell driving circuit 30 for driving the organic light emitting cell OLED according to a driving signal supplied from each of the data line DL and the scan line SL.

셀 구동회로(30)는 공급 전압원(VDD)과 유기발광셀(OLED) 사이에 접속된 구동 트랜지스터(TFT)(DT)와, 스캔 라인(SL) 데이터 라인(DL) 및 구동 TFT(DT)에 접속된 스위칭 TFT(SW)와, 구동 TFT(DT)와 스위칭 TFT(SW) 사이의 제 1 노드(N1)와 고전위전압원(VDD) 사이에 접속된 스토리지 커패시터(Cst)를 구비한다. The cell driving circuit 30 is connected to the driving transistor TFT DT connected between the supply voltage source VDD and the organic light emitting cell OLED, the scan line SL data line DL, and the driving TFT DT. A connected switching TFT SW and a storage capacitor Cst connected between the first node N1 and the high potential voltage source VDD between the driving TFT DT and the switching TFT SW are provided.

구동 TFT(DT)의 게이트 단자는 스위칭 TFT(SW)의 드레인 단자에 접속되고, 소스 단자는 고전위 전압원(VDD)에 접속됨과 아울러 드레인 단자는 유기발광셀(OLED)에 접속된다. 스위칭 TFT(SW)의 게이트 단자는 스캔 라인(SL)에 접속되고, 소스 단자는 데이터 라인(DL)에 접속되고 드레인 단자는 구동 TFT(DT)의 게이트 단자에 접속된다. The gate terminal of the driving TFT DT is connected to the drain terminal of the switching TFT SW, the source terminal is connected to the high potential voltage source VDD, and the drain terminal is connected to the organic light emitting cell OLED. The gate terminal of the switching TFT SW is connected to the scan line SL, the source terminal is connected to the data line DL, and the drain terminal is connected to the gate terminal of the driving TFT DT.

타이밍 제어부(28)는 외부 시스템(예를 들면, 그래픽 카드)으로부터 공급되는 동기신호들을 이용하여 데이터 드라이버(20)를 제어하기 위한 데이터 제어신호 및 스캔 드라이버(18)를 제어하기 위한 스캔 제어신호를 생성한다. 또한, 타이밍 제어부(28)는 외부 시스템으로부터 공급되는 데이터 신호를 데이터 드라이버(20)에 공급한다. The timing controller 28 supplies a data control signal for controlling the data driver 20 and a scan control signal for controlling the scan driver 18 by using synchronization signals supplied from an external system (for example, a graphics card). Create In addition, the timing controller 28 supplies a data signal supplied from an external system to the data driver 20.

스캔 드라이버(18)는 타이밍 제어부(28)로부터의 스캔 제어신호에 응답하여 스캔 펄스(SP)를 발생하고, 스캔 펄스(SP)를 스캔 라인들(SL1 내지 SLn)에 공급하여 스캔라인들(SL1 내지 SLn)을 순차적으로 구동한다. The scan driver 18 generates a scan pulse SP in response to a scan control signal from the timing controller 28, and supplies the scan pulse SP to the scan lines SL1 to SLn to scan lines SL1. To SLn) are sequentially driven.

데이터 드라이버(20)는 타이밍 제어부(28)로부터의 데이터 제어신호에 따라 수평기간(1H)마다 데이터 전압을 데이터 라인들(DL1 내지 DLm)에 공급한다. 이때, 데이터 드라이버(20)는 데이터 라인들(DL1 내지 DLm)과 1대1 매칭(Matching)되는 DLm개의 출력채널들(21)을 가지게 된다. The data driver 20 supplies the data voltages to the data lines DL1 to DLm every horizontal period 1H in accordance with the data control signal from the timing controller 28. In this case, the data driver 20 has DLm output channels 21 that are matched one-to-one with the data lines DL1 through DLm.

이러한, 일반적인 EL 표시장치의 화소셀들(PE) 각각은 스캔 드라이버(18)로부터 스캔 라인(SL)에 로우(LOW) 상태의 스캔펄스(SP)가 입력되면 스위칭 TFT(SW)가 턴-온된다. 스위칭 TFT(SW)가 턴-온되면 스캔 라인(SL)에 공급되는 스캔펄스(SP)에 동기되도록 데이터 드라이버(20)로부터 데이터 라인(DL)에 공급되는 데이터 전압이 스위칭 TFT(SW)를 경유하여 제 1 노드(N1)에 공급된다. 이 제 1 노드(N1)에 공급되는 데이터 전압은 스토리지 커패시터(Cst)에 저장된다. 이 스토리지 커패시터(Cst)는 스캔 라인(SL)에 공급되는 스캔펄스(SP)의 공급시간 동안 데이터 라인(DL)으로부터의 데이터 전압을 저장한다. 이러한, 스토리지 커패시터(Cst)는 저장된 데이터 전압을 1프레임 동안 홀딩(Holding) 시키게 된다. 즉, 스토리지 커패시터(Cst)는 스캔 라인(SL)에 공급되는 스캔펄스(SP)가 오프되면 저장된 데이터 전압을 구동 TFT(DT)에 공급하여 구동 TFT(DT)를 턴-온시키게 된다. 이에 따라, 유기발광셀(OLED)은 고전위전압원(VDD)과 저전위전압원(VSS)간의 전압차에 의해 턴- 온되어 구동 TFT(DT)를 경유하여 고전위전압원(VDD)으로부터 공급되는 전류량에 비례하여 발광하게 된다. Each of the pixel cells PE of the general EL display device is turned on when the scan pulse SP having a low state is input from the scan driver 18 to the scan line SL. do. When the switching TFT SW is turned on, the data voltage supplied from the data driver 20 to the data line DL is passed through the switching TFT SW so as to be synchronized with the scan pulse SP supplied to the scan line SL. Is supplied to the first node N1. The data voltage supplied to the first node N1 is stored in the storage capacitor Cst. The storage capacitor Cst stores the data voltage from the data line DL during the supply time of the scan pulse SP supplied to the scan line SL. The storage capacitor Cst holds the stored data voltage for one frame. That is, when the scan pulse SP supplied to the scan line SL is turned off, the storage capacitor Cst turns on the driving TFT DT by supplying the stored data voltage to the driving TFT DT. Accordingly, the organic light emitting cell OLED is turned on by the voltage difference between the high potential voltage source VDD and the low potential voltage source VSS, and the amount of current supplied from the high potential voltage source VDD via the driving TFT DT. The light is emitted in proportion to.

이와 같은 구조의 종래의 유기 EL 표시장치는 폴리 실리콘 TFT(Poly Silicon TFT)의 폴리실리콘 결정화 공정과정에서 레이저의 출력 파워 불안정으로 인하여 패널내의 TFT들 간의 문턱전압(Vth)이 불균일하게 되는 등의 소자 특성이 불균일하게 된다. 이러한 소자의 불균일 특성에 의해 동일한 데이터 전압이 공급됨에도 불구하고 구동 TFT(DT)의 출력전류가 변화됨으로써 화질이 불균일해지게 되는 문제가 있다. In the conventional organic EL display device having such a structure, the threshold voltage (Vth) between the TFTs in the panel becomes uneven due to the unstable output power of the laser during the polysilicon crystallization process of the polysilicon TFT. Characteristics become uneven. Although the same data voltage is supplied due to the nonuniformity of the device, there is a problem in that the image quality becomes nonuniform due to the change of the output current of the driving TFT DT.

또한, 종래 유기EL표시장치는 고전위전압원(VDD)으로부터 먼거리에 위치할수록 라인저항이 증가함으로써 각 화소의 위치에 따라 공급되는 공급전압들의 편차가 발생된다. 이를 도 4를 참조하여 좀더 상세히 살펴보면 다음과 같다. In addition, in the conventional organic EL display device, the line resistance increases as the distance from the high potential voltage source VDD increases, thereby causing variations in the supply voltages supplied according to the position of each pixel. This will be described in more detail with reference to FIG. 4 as follows.

일반적으로 구동 TFT(DT)가 제어하는 유기발광셀(OLED)의 발광을 위한 출력전류(또는 유기발광셀(OLED)의 "구동전류(I_OLED)"라 한다)량은 수학식 1을 따른다. In general, the amount of output current (or " drive current I_OLED " of the organic light emitting cell OLED) of the organic light emitting cell OLED controlled by the driving TFT DT is expressed by Equation 1 below.

I_OLED =(1/2) × K(Vgs - Vth)2 I_OLED = (1/2) × K (Vgs-Vth) 2

= (1/2) × K(Vdata - VDD - Vth)2 ------- (P-타입) = (1/2) × K (Vdata-VDD-Vth) 2 ------- (P-type)

= (1/2) × K(Vdata - VSS - Vth)2 ------- (N-타입) = (1/2) × K (Vdata-VSS-Vth) 2 ------- (N-type)

여기서, I_OLED는 구동전류, VDD는 고전위전압원으로부터의 고전위전압, Vth 는 구동 TFT의 문턱전압, Vgs는 구동 TFT의 게이트-소스 간 전압을 지시한다. Where I_OLED is the drive current, VDD is the high potential voltage from the high potential voltage source, Vth is the threshold voltage of the driving TFT, and Vgs is the gate-source voltage of the driving TFT.

그러나, 상기한 수학식 1에서의 고전위전압(VDD)은 고전위전압원에서 멀어질수록 수평 및 수직 라인저항(Rh,Rv)에 의해 그 크기가 줄어들게 된다. 즉, 공급전압원에서 멀어질수록 라인저항(Rh,Rv)에 의해 전류/저항 드롭 현상이 발생하게 된다. 특히, 점차 화면이 대형화되는 경우 라인저항(Rh,Rv)의 크기는 더욱더 커지게 됨으로서 각 화소셀(PE) 간의 공급전압편차는 커지게 된다. 즉, 도 5에 도시된 바와 같이 각 화소셀(PE) 간에 공급되는 고전위전압이 고전위전압원에서 멀어질 수 록 작아지게 된다.(VDD1th > VDD2th > VDD3th > ..... > VDDnth)However, as the high potential voltage VDD in Equation 1 moves away from the high potential voltage source, its magnitude decreases due to the horizontal and vertical line resistances Rh and Rv. That is, the farther away from the supply voltage source, the current / resistance drop phenomenon occurs due to the line resistances Rh and Rv. In particular, when the screen is gradually enlarged, the size of the line resistances Rh and Rv becomes larger, thereby increasing the supply voltage deviation between the pixel cells PE. That is, as shown in FIG. 5, the high potential voltage supplied between each pixel cell PE becomes smaller as it moves away from the high potential voltage source. (VDD 1th > VDD 2th > VDD 3th >.....> VDD nth )

이러한 원인에 의해, n번째 유기발광셀(OLED)에 흐르는 전류는 수학식 2와 같다.For this reason, the current flowing through the nth organic light emitting cell OLED is represented by Equation 2 below.

I_OLEDnth =(1/2) × K(Vgs - Vth)2 I_OLED nth = (1/2) × K (Vgs-Vth) 2

= (1/2) × K[Vdata - {VDD(n-1 th ) - R × (∑(I_OLED - (I_OLED1 + I_OLED2 + I_OLED3 +....... + I_OLED(n-1 th ))} - Vth]2 (여기서, ΣI_OLED 는 한 라인에 흐르는 전류의 총합을 나타낸다) = (1/2) × K (Vdata-(VDD (n-1 th ) -R × (∑ (I_OLED-(I_OLED 1) + I_OLED 2 + I_OLED 3 + ....... + I_OLED (n-1 th ) )} -Vth] 2 (where ΣI_OLED represents the sum of the currents flowing in one line)

이에 따라, 동일한 크기의 데이터 전압을 인가하더라도 고전위전압(VDD)으로부터 멀어질수록 유기발광셀(OLED)의 구동전류(I_OLED)는 작아지게 된다. Accordingly, the driving current I_OLED of the organic light emitting cell OLED becomes smaller as the data voltage of the same magnitude is applied away from the high potential voltage VDD.

이와 같은, 유기발광셀(OLED)의 구동전류(I_OLED)가 작아지는 문제는 n-타입 TFT를 이용한 화소셀에도 동일하게 적용된다. This problem of decreasing the driving current I_OLED of the organic light emitting cell OLED is equally applied to the pixel cell using the n-type TFT.

도 6은 n-타입 구동 TFT를 이용한 화소셀(PE)을 구체적으로 나타내는 회로도이고, 도 7은 도 6의 화소셀(PE)들이 병렬 연결된 상태를 나타내는 회로도이다.6 is a circuit diagram illustrating in detail a pixel cell PE using an n-type driving TFT, and FIG. 7 is a circuit diagram illustrating a state in which the pixel cells PE of FIG. 6 are connected in parallel.

도 6 및 도 7에 도시된 n-타입 구동 TFT(DT)를 이용한 화소셀(PE)은 유기발광셀(OLED)이 공급전압원(VDD)과 구동 TFT(DT) 사이에 접속된다. 여기서, n-타입 화소셀(PE)에서는 공급전압원 (VDD)에 대한 라인저항은 구동 TFT(DT)의 드레인/소스간 전압 (Vds)에 변동을 야기 시키지만, 수학식 2에서와 같이 TFT 의 포화 전류식(saturation 전류식)에는 영향을 주지 않고, 저전위전압원(VSS)에 대한 라인저항(R)은 게이트/소스간 전압 (Vgs)를 변화시켜 saturation 전류에 직접적인 영향을 준다.In the pixel cell PE using the n-type driving TFT DT shown in FIGS. 6 and 7, an organic light emitting cell OLED is connected between the supply voltage source VDD and the driving TFT DT. Here, in the n-type pixel cell PE, the line resistance with respect to the supply voltage source VDD causes a variation in the drain / source voltage Vds of the driving TFT DT, but as shown in Equation 2, the saturation of the TFT is performed. Without affecting the saturation current, the line resistance (R) for the low potential voltage source (VSS) directly affects the saturation current by changing the gate / source voltage (Vgs).

즉, 도 7에서 n-타입 화소셀(PE) 각각에 공급되는 저전위전압원(VSS)의 값이 저전위전압원(VSS)으로부터 멀어질수록 저전위전압이 증가하게 된다. 즉, 각 화소셀(PE) 간에 공급되는 저전위전압이 저전위공급원에서 멀어질 수 록 작아지게 된다.(VSS1th < VSS2th < VSS3th < ..... < VSSnth) 이에 따라, n번째 구동전류(I_OLEDnth)는 수학식 3과 같이 나타낼 수 있게 된다.That is, as the value of the low potential voltage source VSS supplied to each of the n-type pixel cells PE moves away from the low potential voltage source VSS in FIG. 7, the low potential voltage increases. In other words, the low potential voltage supplied between each pixel cell PE becomes smaller as it moves away from the low potential supply source (VSS 1th <VSS 2th). <VSS 3th <..... <VSS nth ) Accordingly, the n th driving current I_OLED nth may be expressed as in Equation 3 below.

I_OLEDnth =(1/2) × K(Vgs - Vth)2 I_OLED nth = (1/2) × K (Vgs-Vth) 2

=(1/2) × K[Vdata - {VSS(n-1 th ) + R × (∑I_OLED - (I_OLED1 + I_OLED2 + I_OLED3 +....... + I_OLED(n-1 th ))} - Vth]2 (여기서, ΣI_OLED 는 한 라인에 흐르는 전류의 총합을 나타낸다) = (1/2) × K [Vdata-(VSS (n-1 th ) + R × (∑I_OLED-(I_OLED 1 + I_OLED 2 + I_OLED 3 + ....... + I_OLED (n-1 th ) )} -Vth] 2 (where ΣI_OLED represents the sum of the currents flowing in one line)

이와 같이, 종래에는 각각의 화소셀(PE)들의 구동TFT(DT)의 문턱전압(Vth) 및 구동전류(I_OLED)의 크기가 불균일하게 됨에 따라, 화질이 불균일해 지게 되어 표시품질이 저하되는 문제가 발생된다. As described above, as the threshold voltage Vth and the driving current I_OLED of the driving TFT DT of each pixel cell PE become non-uniform, the image quality becomes non-uniform, thereby degrading display quality. Is generated.

따라서, 본 발명의 목적은 화질저하를 방지하여 표시품질을 향상시킬 수 있는 유기 전계발광 표시장치 및 그 구동방법을 제공하는데 있다.Accordingly, an object of the present invention is to provide an organic electroluminescent display device and a driving method thereof which can improve display quality by preventing image degradation.

상기 목적을 달성하기 위하여, 본 발명은 유기전계발광셀을 구동하기 위한 셀 구동회로부가 매트릭스 형태로 배열된 유기전계발광표시장치에 있어서, 상기 셀 구동회로부는 제1 노드 및 제2 노드 사이에 접속되는 제1 커패시터와; 상기 제1 노드 및 상기 제2 노드 중 어느 하나와 저전위 전압원 사이에 접속되는 제2 커패시터와; 제1 내지 제4 기간 동안 제1 스캔라인으로부터 공급되는 제1 신호의 제1 논리값에 응답하여 데이터라인과 상기 제1 노드 사이의 전류패스를 형성하는 제1 스 위치소자와; 제2 기간 동안 제2 스캔라인으로부터 공급되는 제2 신호의 제1 논리값에 응답하여 상기 제2 노드와 제3 노드 사이의 전류패스를 형성하는 제2 스위치소자와; 제3 기간 동안 상기 제2 신호의 제2 논리값에 응답하여 상기 유기전계발광셀과 상기 제3 노드 사이의 전류패스를 형성하는 제3 스위치소자와; 제4 기간 동안 상기 제2 노드 상의 전압에 응답하여 상기 제3 노드와 상기 저전위 전압원 사이의 전류패스를 형성하는 제4 스위치소자를 구비하는 것을 특징으로 한다. In order to achieve the above object, the present invention provides an organic light emitting display device in which a cell driving circuit portion for driving an organic light emitting cell is arranged in a matrix form, wherein the cell driving circuit portion is connected between a first node and a second node. A first capacitor; A second capacitor connected between any one of the first node and the second node and a low potential voltage source; A first switch element forming a current path between the data line and the first node in response to a first logic value of the first signal supplied from the first scan line during the first to fourth periods; A second switch element forming a current path between the second node and a third node in response to a first logic value of a second signal supplied from a second scan line during a second period of time; A third switch element forming a current path between the organic light emitting cell and the third node in response to a second logic value of the second signal during a third period of time; And a fourth switch element forming a current path between the third node and the low potential voltage source in response to the voltage on the second node during the fourth period.

상기 제2 신호는 상기 제1 기간 후에 제2 논리값에서 제1 논리값으로 전환되고, 상기 제2 기간 후에 상기 제1 논리값에서 상기 제2 논리값으로 전환되며; 상기 제1 신호는 상기 제1 내지 제4 기간 동안 제1 논리값을 유지하는 것을 특징으로 한다.The second signal is switched from a second logic value to a first logic value after the first period, and from the first logic value to the second logic value after the second period; The first signal is characterized by maintaining a first logic value for the first to fourth periods.

상기 데이터라인은 상기 제1 내지 제3 기간 동안 상기 제1 스위치에 기준전압을 공급하고, 상기 제4 기간 동안 데이터 전압을 공급하는 것을 특징으로 한다.The data line may supply a reference voltage to the first switch during the first to third periods, and supply a data voltage during the fourth period.

상기 유기발광셀에 흐르는 전류는 상기 기준전압 및 데이터 전압에 의해 제어되는 것을 특징으로 한다.The current flowing through the organic light emitting cell is controlled by the reference voltage and the data voltage.

상기 유기전계발광셀에 고전위 전원을 공급하는 고전위 전원부와; 상기 셀 구동회로부에 저전위 전원을 공급하는 저전위 전원부와; 상기 제1 스캔라인에 제1 신호를 공급하는 제1 스캔 구동부와; 상기 제2 스캔라인에 제2 신호을 공급하는 제2 스캔 구동부와; 상기 데이터 라인에 상기 제1 내지 제3 기간 동안 기준전압을 공급 한 후 상기 제4 기간 동안 데이터 전압을 공급하는 데이터 구동부를 구비하는 것을 특징으로 한다.A high potential power supply unit supplying high potential power to the organic light emitting cell; A low potential power supply unit supplying low potential power to the cell driving circuit unit; A first scan driver supplying a first signal to the first scan line; A second scan driver supplying a second signal to the second scan line; And a data driver for supplying a reference voltage to the data line during the first to third periods and then supplying a data voltage during the fourth period.

상기 제1 스위치, 제2 스위치 및 제4 스위치는 n-타입 트랜지스터로 형성되고, 상기 제3 스위치는 p-타입 트랜지스터로 형성되는 것을 특징으로 한다.The first switch, the second switch, and the fourth switch may be formed of an n-type transistor, and the third switch may be formed of a p-type transistor.

본 발명은 유기전계발광셀을 구동하기 위한 셀 구동회로부가 매트릭스 형태로 배열된 유기전계발광표시장치에 있어서, 상기 셀 구동회로부는 제1 노드 및 제2 노드 사이에 접속되는 제1 커패시터와; 상기 제1 노드 및 상기 제2 노드 중 어느 하나와 고전위 전압원 사이에 접속되는 제2 커패시터와; 제1 내지 제4 기간 동안 제1 스캔라인으로부터 공급되는 제1 신호의 제1 논리값에 응답하여 데이터라인과 상기 제1 노드 사이의 전류패스를 형성하는 제1 스위치소자와; 제2 기간 동안 제2 스캔라인으로부터 공급되는 제2 신호의 제1 논리값에 응답하여 상기 제2 노드와 제3 노드 사이의 전류패스를 형성하는 제2 스위치소자와; 제3 기간 동안 상기 제2 신호의 제2 논리값에 응답하여 상기 유기전계발광셀과 상기 제3 노드 사이의 전류패스를 형성하는 제3 스위치소자와; 제4 기간 동안 상기 제2 노드 상의 전압에 응답하여 상기 제3 노드와 상기 고전위 전압원 사이의 전류패스를 형성하는 제4 스위치소자를 구비하는 것을 특징으로 한다.The present invention provides an organic light emitting display device in which cell driving circuit portions for driving an organic light emitting cell are arranged in a matrix form, the cell driving circuit portion comprising: a first capacitor connected between a first node and a second node; A second capacitor connected between any one of the first node and the second node and a high potential voltage source; A first switch element forming a current path between the data line and the first node in response to a first logic value of the first signal supplied from the first scan line during the first to fourth periods; A second switch element forming a current path between the second node and a third node in response to a first logic value of a second signal supplied from a second scan line during a second period of time; A third switch element forming a current path between the organic light emitting cell and the third node in response to a second logic value of the second signal during a third period of time; And a fourth switch element forming a current path between the third node and the high potential voltage source in response to the voltage on the second node during the fourth period.

상기 제2 신호는 상기 제1 기간 후에 제2 논리값에서 제1 논리값으로 전환되고, 상기 제2 기간 후에 상기 제1 논리값에서 상기 제2 논리값으로 전환되며; 상기 제1 신호는 상기 제1 내지 제4 기간 동안 제1 논리값을 유지하는 것을 특징으로 한다.The second signal is switched from a second logic value to a first logic value after the first period, and from the first logic value to the second logic value after the second period; The first signal is characterized by maintaining a first logic value for the first to fourth periods.

상기 제1 스위치, 제2 스위치 및 제4 스위치는 p-타입 트랜지스터로 형성되고, The first switch, the second switch and the fourth switch is formed of a p-type transistor,

상기 제3 스위치는 n-타입 트랜지스터로 형성되는 것을 특징으로 하는 유기전계발광표시장치. And the third switch is formed of an n-type transistor.

본 발명은 유기전계발광셀을 구동하기 위한 셀 구동회로부가 매트릭스 형태로 배열된 유기전계발광표시장치의 구동방법에 있어서, 제1 기간 동안 제1 신호의 제1 논리값에 응답하는 제1 스위치에 의해 데이터라인과 제1 노드 사이에 전류패스를 형성하는 단계와; 제2 기간 동안 제2 신호의 제1 논리값에 응답하는 제2 스위치에 의해 제2 노드와 제3 노드 사이에 전류패스를 형성하는 단계와; 제3 기간 동안 상기 제2 신호의 제2 논리값에 응답하여 유기전계발광셀과 상기 제3 노드 사이에 전류패스를 형성하는 단계와; 제4 기간 동안 상기 제2 노드 상의 전압에 응답하는 제4 스위치에 의해 상기 제3 노드와 저전위 전압원 사이에 전류패스를 형성하는 단계를 포함하는 것을 특징으로 한다.The present invention provides a method of driving an organic light emitting display device, in which a cell driving circuit unit for driving an organic light emitting cell is arranged in a matrix form, the first switch responding to a first logic value of a first signal during a first period. Forming a current path between the data line and the first node; Forming a current path between the second node and the third node by a second switch responsive to a first logic value of the second signal during a second period of time; Forming a current path between the organic light emitting cell and the third node in response to a second logic value of the second signal during a third period of time; And forming a current path between the third node and the low potential voltage source by a fourth switch responsive to a voltage on the second node for a fourth period of time.

상기 제2 기간 및 제3 기간은 상기 제1 스위치에 의해 데이터라인과 제1 노드 사이에 전류패스 형성이 유지되는 것을 특징으로 한다.In the second period and the third period, the current path is maintained between the data line and the first node by the first switch.

상기 제1 내지 제3 기간 동안에 상기 제1 스위치에 기준전압이 공급되는 단계와; 상기 제4 기간 동안 상기 제1 스위치에 데이터 전압이 공급되는 것을 특징으로 한다. Supplying a reference voltage to the first switch during the first to third periods; The data voltage is supplied to the first switch during the fourth period.

상기 유기발광셀에 흐르는 전류는 상기 기준전압 및 데이터 전압에 의해 제어되는 것을 특징으로 한다.The current flowing through the organic light emitting cell is controlled by the reference voltage and the data voltage.

상기 목적 외에 본 발명의 다른 목적 및 특징들은 첨부도면을 참조한 실시예에 대한 설명을 통하여 명백하게 드러나게 될 것이다. Other objects and features of the present invention in addition to the above objects will become apparent from the description of the embodiments with reference to the accompanying drawings.

이하, 도 8 내지 도 22를 참조하여 본 발명의 바람직한 실시 예들에 대하여 설명하기로 한다. Hereinafter, exemplary embodiments of the present invention will be described with reference to FIGS. 8 to 22.

도 8은 본 발명의 제1 실시 예에 따른 유기 EL표시장치를 개략적으로 나타낸 도면이다. 8 is a schematic view of an organic EL display device according to a first embodiment of the present invention.

도 8에 도시된 유기 EL 표시장치는 제1 및 제2 스캔라인들(1SL1 내지 1SLn, 2SL1 내지 2SLn)과 데이터라인들(DL1 내지 DLm)의 교차로 정의된 영역마다 배열되어진 화소셀들(PE)을 포함하는 EL 표시패널(116)과, 제1 스캔라인들(1SL1 내지 1SLn)을 구동하기 위한 제1 스캔 드라이버(118)와, 제2 스캔라인들(2SL1 내지 2SLn)을 구동하기 위한 제2 스캔 드라이버(119)와 데이터 라인들(DL1 내지 DLm)을 구동하기 위한 데이터 드라이버(120)와, 데이터 드라이버(120) 및 스캔 드라이버(118) 각각의 구동 타이밍을 제어하기 위한 타이밍 제어부(128)를 구비한다.In the organic EL display illustrated in FIG. 8, the pixel cells PE are arranged at respective regions defined by the intersections of the first and second scan lines 1SL1 to 1SLn and 2SL1 to 2SLn and the data lines DL1 to DLm. An EL display panel 116 including a light emitting diode, a first scan driver 118 for driving the first scan lines 1SL1 to 1SLn, and a second for driving the second scan lines 2SL1 to 2SLn. The data driver 120 for driving the scan driver 119 and the data lines DL1 to DLm, and the timing controller 128 for controlling the driving timing of each of the data driver 120 and the scan driver 118 are provided. Equipped.

타이밍 제어부(128)는 외부 시스템(예를 들면, 그래픽 카드)으로부터 공급되는 동기신호들을 이용하여 데이터 드라이버(120)를 제어하기 위한 데이터 제어신호와 제1 및 제2 스캔 드라이버(118,119)를 제어하기 위한 스캔 제어신호들을 생성한다. 또한, 타이밍 제어부(128)는 외부 시스템으로부터 공급되는 데이터 신호를 데이터 드라이버(120)에 공급한다. The timing controller 128 controls the data control signal for controlling the data driver 120 and the first and second scan drivers 118 and 119 using the synchronization signals supplied from an external system (eg, a graphics card). Generate scan control signals for the device. In addition, the timing controller 128 supplies a data signal supplied from an external system to the data driver 120.

제1 스캔 드라이버(118)는 타이밍 제어부(128)로부터의 제1 스캔 제어신호에 응답하여 제1 스캔 펄스(1SP)를 발생하고, 제1 스캔 펄스(1SP)를 제1 스캔 라인들(1SL1 내지 1SLn)에 공급하여 제1 스캔라인들(1SL1 내지 1SLn)을 순차적으로 구동한다.The first scan driver 118 generates the first scan pulse 1SP in response to the first scan control signal from the timing controller 128, and generates the first scan pulse 1SP from the first scan lines 1SL1 to 1. 1SLn) to sequentially drive the first scan lines 1SL1 to 1SLn.

제2 스캔 드라이버(119)는 타이밍 제어부(128)로부터의 제2 스캔 제어신호에 응답하여 제2 스캔 펄스(2SP)를 발생하고, 제2 스캔 펄스(2SP)를 제2 스캔 라인들(2SL1 내지 2SLn)에 공급하여 제2 스캔라인들(2SL1 내지 2SLn)을 순차적으로 구동한다. The second scan driver 119 generates a second scan pulse 2SP in response to the second scan control signal from the timing controller 128, and generates the second scan pulse 2SP from the second scan lines 2SL1 to 2SL. 2SLn) to sequentially drive the second scan lines 2SL1 to 2SLn.

데이터 드라이버(120)는 타이밍 제어부(128)로부터의 데이터 제어신호에 따라 수평기간(1H)마다 데이터 전압을 데이터 라인들(DL1 내지 DLm)에 공급한다. 이때, 데이터 드라이버(120)는 데이터 라인들(DL1 내지 DLm)과 1대1 매칭(Matching)되는 DLm개의 출력채널들(121)을 가지게 된다. The data driver 120 supplies the data voltages to the data lines DL1 to DLm every horizontal period 1H according to the data control signal from the timing controller 128. In this case, the data driver 120 has DLm output channels 121 that are matched one-to-one with the data lines DL1 through DLm.

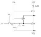
도 9는 도 8의 n-타입(type) 구동 TFT(DT)를 이용한 화소셀(PE)을 구체적으로 나타내는 회로도이다. FIG. 9 is a circuit diagram illustrating in detail a pixel cell PE using the n-type driving TFT DT of FIG. 8.

도 9에 도시된 화소셀들(PE)은 제1 노드(N1) 및 제2 노드(N2) 사이에 접속되는 제1 커패시터(C1), 제1 노드(N1) 및 제2 노드(N2) 중 어느 하나와 저전위 전압원(VSS) 사이에 접속되는 제2 커패시터(C2), 제1 내지 제4 기간 동안 제1 스캔라인(1SL)으로부터 공급되는 제1 신호의 제1 논리값에 응답하여 데이터라인(DL)과 제1 노드(N1) 사이의 전류패스를 형성하는 제1 스위치소자(T1)와, 제2 기간 동안 제2 스캔라인(2SL)으로부터 공급되는 제2 신호의 제1 논리값에 응답하여 제2 노드(N2)와 제3 노드(N3) 사이의 전류패스를 형성하는 제2 스위치소자(T2), 제3 기간 동안 상기 제2 신호의 제2 논리값에 응답하여 상기 유기전계발광셀(OLED)과 제3 노드(N3) 사이의 전류패스를 형성하는 제3 스위치소자(T3), 제4 기간 동안 2 노드(N2) 상의 전압에 응답하여 제3 노드(N3)와 저전위 전압원(VSS) 사이의 전류패스를 형성 하는 구동 스위치소자(DT)를 구비한다.The pixel cells PE illustrated in FIG. 9 are selected from among the first capacitor C1, the first node N1, and the second node N2 connected between the first node N1 and the second node N2. A second capacitor C2 connected between any one of the low potential voltage sources VSS and a data line in response to a first logic value of the first signal supplied from the first scan line 1SL during the first to fourth periods; Responding to the first logic value of the first switch element T1 forming a current path between the DL and the first node N1 and the second signal supplied from the second scan line 2SL for a second period of time. The second switch element T2 forming a current path between the second node N2 and the third node N3, and in response to the second logic value of the second signal during the third period, the organic light emitting cell The third switch element T3 forming a current path between the OLED and the third node N3, and the third node N3 and the low potential voltage source in response to the voltage on the two nodes N2 during the fourth period. VSS) And a driving switch element (DT) for forming a current path.

이러한, 구조를 가지는 본 발명의 제1 실시예에 따른 화소셀들(PE)의 구조 및 구동방법을 이하 상세히 설명한다.The structure and driving method of the pixel cells PE according to the first embodiment of the present invention having the structure will be described in detail below.

화소셀들(PE)은 고전위전압원(VDD)과, 고전위전압원(VDD)과 저전위전압원(VSS) 사이에 접속된 유기발광셀(OLED)과, 유기발광셀(OLED)과 저전위전압원(VSS) 사이에 접속되는 구동 스위치소자(DT)와, 구동 스위치소자(DT)와 유기발광셀(OLED) 사이에 접속되며 제2 스캔신호(scan2)가 공급되는 제2 스위치소자(T2), 제3 스위치소자(T3)의 소스단자 및 구동 스위치소자(DT)의 드레인 단자 사이의 제3 노드(N3)와 구동 스위치소자(DT)의 게이트 단자 사이에 접속되며 제2 스캔신호(scan2)가 공급되는 제2 스위치소자(T2)와, 데이터 라인(DL)과 접속되어 데이터 신호(Vdata)가 공급되는 제1 스위치소자(T1), 구동 스위치소자(DT)의 게이트 단자와 제1 스위치소자(T1)의 드레인 단자 사이에 접속된 제1 캐패시터(C1), 제1 캐패시터(C1)와 제1 스위치소자(T1)의 드레인 단자 사이의 제1 노드(N1)와 저전위전압원(VSS) 사이에 접속된 제2 캐패시터(C2)를 구비한다. The pixel cells PE include a high potential voltage source VDD, an organic light emitting cell OLED connected between a high potential voltage source VDD and a low potential voltage source VSS, and an organic light emitting cell OLED and a low potential voltage source. A driving switch element DT connected between the VSS, a second switch element T2 connected between the driving switch element DT and the organic light emitting cell OLED, and supplied with a second scan signal scan2; A second scan signal scan2 is connected between the third node N3 and the gate terminal of the driving switch element DT between the source terminal of the third switch element T3 and the drain terminal of the driving switch element DT. The first switch element T1 to be supplied, the first switch element T1 connected to the data line DL and supplied with the data signal Vdata, the gate terminal of the driving switch element DT, and the first switch element ( Low potential and first node N1 between the first capacitor C1, the first capacitor C1, and the drain terminal of the first switch element T1 connected between the drain terminals of T1. A second capacitor C2 is connected between the voltage sources VSS.

여기서, 구동 스위치소자는 N-타입(type) 트랜지스터(TFT)가 이용되고, 제1 내지 제3 스위치소자는 P-타입(type) TFT가 이용된다. Here, an N-type transistor (TFT) is used as the driving switch element, and a P-type TFT is used as the first to third switch elements.

이와 같은 구조를 가지는 본 발명의 제1 실시 예에 따른 유기EL표시장치의 화소셀(PE)의 구동에 관하여 도 10에 도시된 구동파형을 참조하여 상세히 살펴보기로 하자.The driving of the pixel cell PE of the organic EL display device according to the first exemplary embodiment having the above structure will be described in detail with reference to the driving waveform shown in FIG. 10.

먼저, A 기간에서는 제1 스위치소자(T1)에 하이 레벨의 제1 스캔신호(scan1) 가 공급되고, 제3 및 제2 스위치소자(T3,T2)에 로우레벨의 제2 스캔신호(scan2)가 공급된다. 이에 따라, 도 11에 도시된 바와 같이 제3 스위치소자(T3) 및 제1 스위치소자(T1)는 턴온되고 제2 스위치소자(T2)는 턴오프됨으로써 데이터 라인(DL)과 제1 노드(N1) 사이에 전류(I) 패스가 형성되고 제1 노드(N1)에 기준전압(Vref)이 공급된다. 이에 따라, 제1 노드(N1)는 충분히 낮은 전압으로 초기화 된다. First, in the period A, the first scan signal scan1 having a high level is supplied to the first switch element T1, and the second scan signal scan2 having a low level is supplied to the third and second switch elements T3 and T2. Is supplied. Accordingly, as shown in FIG. 11, the third switch element T3 and the first switch element T1 are turned on and the second switch element T2 is turned off so that the data line DL and the first node N1 are turned off. A current I path is formed between the first and second nodes, and the reference voltage Vref is supplied to the first node N1. Accordingly, the first node N1 is initialized to a sufficiently low voltage.

B 기간에서는 제3 스위치소자(T3) 및 제2 스위치소자(T2)에 하이레벨의 제2 스캔신호(scan2)가 공급되어 제2 스위치소자(T2)는 턴온되고 제3 스위치소자(T3)는 턴오프되고, 제1 스위치소자(T1)는 턴온을 유지하게 된다. 이에 따라, 도 12에 도시된 바와 같이 제3 노드(N3)에는 저전위전압(VSS)과 구동 스위치소자(DT)의 문턴전압(Vth)이 합(Vss + Vth)이 저장되고, 제1 캐패시터(C1)에 저장된 전압(VC1)은 제3 노드(N3)전압과 기준전압의 차(Vss + Vth - Vref)가 되고, 제2 캐패시터(C2)에 저장된 전압(VC2)은 기준전압(Vref)과 저전위전압(Vss)의 차(Vref - Vss)가 된다. 이를 수학식 4 및 5에서 나타내었다.In the period B, a second scan signal scan2 of high level is supplied to the third switch element T3 and the second switch element T2 so that the second switch element T2 is turned on and the third switch element T3 is turned on. It is turned off and the first switch element T1 is kept turned on. Accordingly, as shown in FIG. 12, the sum of the low potential voltage VSS and the moon turn voltage Vth of the driving switch element DT is stored at the third node N3 (Vss + Vth), and the first capacitor The voltage VC1 stored in the C1 becomes the difference Vss + Vth-Vref between the voltage of the third node N3 and the reference voltage, and the voltage VC2 stored in the second capacitor C2 is the reference voltage Vref. The difference between the low potential voltage Vss (Vref-Vss) becomes. This is shown in equations (4) and (5).

VC1 = (Vss + Vth) - Vref VC1 = (Vss + Vth)-Vref

VC2 = Vref - Vss VC2 = Vref-Vss

C 기간에서는 제3 스위치소자(T3) 및 제2 스위치소자(T2)에 로우레벨의 제2 스캔신호(scan2)가 공급되어 제2 스위치소자(T2)는 턴오프되고 제3 스위치소자(T3)는 턴온되고, 제1 스위치소자(T1)는 턴온을 유지하게 된다. In the C period, the low level second scan signal scan2 is supplied to the third switch element T3 and the second switch element T2 so that the second switch element T2 is turned off and the third switch element T3 is turned off. Is turned on, and the first switch element T1 is turned on.

이후, D 기간에서는 데이터 전압(Vdata)이 공급됨으로써 도 13에 도시된 바와 같이 유기발광셀(OLED), 제3 스위치소자(T3) 및 구동 스위치소자(DT)를 경유하는 구동전류(I_OLED)가 흐르게 된다. (Vref < Vdata)Subsequently, in the D period, the data voltage Vdata is supplied so that the driving current I_OLED passing through the organic light emitting cell OLED, the third switch element T3 and the driving switch element DT as shown in FIG. Will flow. (Vref <Vdata)

여기서, 제2 노드(N2) 전압 즉, 구동 TFT(DT)의 게이트 전압(Vg)은 수학식 1 내지 5 식을 이용함으로써 수학식 6과 같이 타나낼 수 있다.Here, the voltage of the second node N2, that is, the gate voltage Vg of the driving TFT DT may be expressed as in Equation 6 by using Equations 1 to 5 below.

Vg = VC1 + VC2 + Vss Vg = VC1 + VC2 + Vss

= (Vss + Vth) - Vref + (Vdata - Vss) + Vss    = (Vss + Vth)-Vref + (Vdata-Vss) + Vss

= Vss + Vth - Vref + Vdata    = Vss + Vth-Vref + Vdata

따라서, 구동 스위치소자(DT)의 게이트-소스간 전압(Vgs)은 수학식 7과 같이 나타낼 수 있다. Therefore, the gate-source voltage Vgs of the driving switch element DT may be expressed as shown in Equation (7).

Vgs = Vth - Vref + Vdata Vgs = Vth-Vref + Vdata

상기 수학식 7을 수학식 1에 대입하면 구동전류(I_OLED)는 수학식 8을 따른다.Substituting Equation 7 into Equation 1, the driving current I_OLED follows Equation 8.

I_OLED =(1/2) × K(Vdata - Vref)2 I_OLED = (1/2) × K (Vdata-Vref) 2

상기 수학식 8에 의해 유기발광셀(OLED)을 구동하기 위한 구동전류(I_OLED)는 구동 스위치소자(DT)의 문턱전압(Vth) 및 저전위전압(VSS)과 무관함을 알 수 있 다.It can be seen from Equation 8 that the driving current I_OLED for driving the organic light emitting cell OLED is independent of the threshold voltage Vth and the low potential voltage VSS of the driving switch element DT.

즉, 본원발명의 화소셀(PE)의 회로 구성에 의하여 유기발광셀(OLED)에 공급되는 구동전류(I_OLED)는 구동 스위치소자(DT)의 문턱전압(Vth) 및 저전위전압(VSS)에 관계없이 데이터 전압(Vdata)과 기준전압(Vref)의 차에 의해 결정된다. 따라서, 문턱전압(Vth) 및 저전위전압(VSS)의 변화에 관계없이 화질불균일을 극복할 수 있게 된다. 그 결과, 표시품질을 향상시킬 수 있게 된다.That is, the driving current I_OLED supplied to the organic light emitting cell OLED by the circuit configuration of the pixel cell PE of the present invention is applied to the threshold voltage Vth and the low potential voltage VSS of the driving switch element DT. Regardless, it is determined by the difference between the data voltage Vdata and the reference voltage Vref. Therefore, the image quality irregularity can be overcome regardless of the change in the threshold voltage Vth and the low potential voltage VSS. As a result, the display quality can be improved.

이러한, 효과는 도 14 및 15에 도시된 실험 데이터로 확인할 수 있다.This effect can be confirmed by the experimental data shown in FIGS. 14 and 15.

도 14는 적색(Red) 화소의 구동 스위치소자(DT)의 문턱전압(Vth)의 크기를 각각 1.0V, 1.5V, 2.0V로 설정한 상태에서 구동전류(I_OLED)의 크기를 나타낸 실험데이터이다. 도 13에서 알 수 있듯이 문턱전압(Vth) 1.5V 및 구동전류 1.2㎂ 를 기준으로 ±2.2% 정도의 아주 작은 오차를 나타내고 있다. FIG. 14 is experimental data showing the magnitude of the driving current I_OLED with the threshold voltage Vth of the driving switch element DT of the red pixel set to 1.0V, 1.5V, and 2.0V, respectively. . As can be seen from FIG. 13, a very small error of ± 2.2% is shown based on the threshold voltage Vth 1.5V and the driving current 1.2 전류.

도 15는 저전위전압(VSS)의 크기를 각각 0.0V, 0.5V, 1.0V로 설정한 상태에서 구동전류(Vth)의 크기를 나타낸 실험데이터이다. 도 15에서 알 수 있듯이 저전위전압(VSS)0.5V 및 구동전류(I_OLED) 1.2㎂ 를 기준으로 ±0.8% 정도의 아주 작은 오차를 나타내고 있다. FIG. 15 is experimental data showing the magnitude of the drive current Vth with the magnitude of the low potential voltage VSS set to 0.0V, 0.5V, and 1.0V, respectively. As can be seen in FIG. 15, a very small error of ± 0.8% is shown based on the low potential voltage VSS of 0.5V and the driving current I_OLED of 1.2 mA.

이와 같이 본 발명에 따른 유기 전계발광 표시장치 및 그 구동방법은 화소셀의 구동 스위치소자의 문턱전압(Vth), 저전위전압(VSS)의 불균일과 관계없이 발광셀에 일정한 구동전류(I_OLED)를 공급할 수 있게 된다. 그 결과, 화질의 불균일 등의 문제를 개선함으로써 표시품질이 향상된다. As described above, the organic light emitting display device and the driving method thereof according to the present invention provide a constant driving current I_OLED to the light emitting cell regardless of the variation of the threshold voltage Vth and the low potential voltage VSS of the driving switch element of the pixel cell. I can supply it. As a result, display quality is improved by improving problems such as unevenness of image quality.

도 16는 본 발명의 제2 실시예에 따른 유기 전계발광 표시장치의 화소셀(PE) 을 타나내는 회로도이다.16 is a circuit diagram illustrating a pixel cell PE of an organic light emitting display device according to a second embodiment of the present invention.

도 15에 도시된 화소셀(PE)은 도 8 및 9에 도시된 화소셀(PE)과 비교하여 제2 캐패시터(C2)가 제1 캐패시터(C1)와 구동 스위치소자(DT) 사이의 제2 노드(N2)와 저전위전압원(VSS) 사이에 접속되는 것을 제외하고는 동일한 구조를 가지므로 도 8 및 9과 동일한 구성에 대하여 동일 도면부호를 부여하고 상세한 설명은 생략하기로 한다. In the pixel cell PE shown in FIG. 15, the second capacitor C2 is disposed between the first capacitor C1 and the driving switch element DT in comparison with the pixel cells PE shown in FIGS. 8 and 9. Except that connected between the node (N2) and the low potential voltage source (VSS) has the same structure, the same reference numerals are given to the same configuration as in Figs. 8 and 9 and detailed description thereof will be omitted.

이와 같은 구성을 가지는 본 발명의 제2 실시예에서의 화소셀에 공급되는 구동파형은 도 10과 동일한다. The driving waveform supplied to the pixel cell in the second embodiment of the present invention having such a configuration is the same as in FIG.

먼저, A 기간에서는 제1 스위치소자(T1)에 하이 레벨의 제1 스캔신호(scan1)가 공급되고, 제3 및 제2 스위치소자(T3,T2)에 로우레벨의 제2 스캔신호(scan2)가 공급된다. 이에 따라, 제3 스위치소자(T3) 및 제1 스위치소자(T3)는 턴온되고 제2 스위치소자(T2)는 턴오프됨으로써 도 17에 도시된 바와 같이 데이터 라인(DL)과 제1 노드(N1) 사이에 전류패스가 형성되며 제1 노드(N1)에 기준전압(Vref)이 공급된다. 이에 따라, 제1 노드(N1)는 충분히 낮은 전압으로 초기화 된다. First, in the period A, the first scan signal scan1 having a high level is supplied to the first switch element T1, and the second scan signal scan2 having a low level is supplied to the third and second switch elements T3 and T2. Is supplied. Accordingly, the third switch element T3 and the first switch element T3 are turned on and the second switch element T2 is turned off so that the data line DL and the first node N1 are shown in FIG. 17. A current path is formed between the first and second nodes, and the reference voltage Vref is supplied to the first node N1. Accordingly, the first node N1 is initialized to a sufficiently low voltage.

B 기간에서는 제3 스위치소자(T3) 및 제2 스위치소자(T2)에 하이레벨의 제2 스캔신호(scan2)가 공급되어 제2 스위치소자(T2)는 턴온되고 제3 스위치소자(T3)는 턴오프되고, 제1 스위치소자(T1)는 턴온을 유지하게 된다. 이에 따라, 도 18에 도시된 바와 같이 제3 노드(N3)에는 저전위전압(VSS)과 구동 스위치소자(DT)의 문턱전압(Vth)이 합(Vss + Vth)이 저장되고, 제1 캐패시터(C1)에 저장된 전압(VC1)은 제3 노드(N3)전압과 기준전압의 차(Vss + Vth - Vref)가 되고, 제2 캐패시터(C2)에 저장된 전압(VC2)은 문턱전압(Vth)과 동일하게 된다. 이를 수학식 9 및 10에서 나타내었다.In the period B, a second scan signal scan2 of high level is supplied to the third switch element T3 and the second switch element T2 so that the second switch element T2 is turned on and the third switch element T3 is turned on. It is turned off and the first switch element T1 is kept turned on. Accordingly, as shown in FIG. 18, the sum of the low potential voltage VSS and the threshold voltage Vth of the driving switch element DT is stored at the third node N3 (Vss + Vth), and the first capacitor The voltage VC1 stored in C1 becomes the difference Vss + Vth-Vref between the voltage of the third node N3 and the reference voltage, and the voltage VC2 stored in the second capacitor C2 is the threshold voltage Vth. Becomes the same as This is shown in Equations 9 and 10.

VC1 = (Vss + Vth) - Vref VC1 = (Vss + Vth)-Vref

VC2 = VthVC2 = Vth

C 기간에서는 제3 스위치소자(T3) 및 제2 스위치소자(T2)에 로우레벨의 제2 스캔신호(scan2)가 공급되어 제2 스위치소자(T2)는 턴오프되고 제3 스위치소자(T3)는 턴온되고, 제1 스위치소자(T1)는 턴온을 유지하게 된다. In the C period, the low level second scan signal scan2 is supplied to the third switch element T3 and the second switch element T2 so that the second switch element T2 is turned off and the third switch element T3 is turned off. Is turned on, and the first switch element T1 is turned on.

이후, D 기간에서는 데이터 전압(Vdata)이 공급됨으로써 도 19에 도시된 바와 같이 유기발광셀(OLED), 제3 스위치소자(T3) 및 구동 스위치소자(DT)를 경유하는 구동전류(I_OLED)가 흐르게 된다. (Vref < Vdata)Subsequently, in the D period, the data voltage Vdata is supplied so that the driving current I_OLED passing through the organic light emitting cell OLED, the third switch element T3 and the driving switch element DT as shown in FIG. Will flow. (Vref <Vdata)

여기서, 제2 노드(N2) 전압 즉, 구동 스위치소자(DT)의 게이트 전압(Vg)은 수학식 11과 같이 타나낼 수 있다. Here, the voltage of the second node N2, that is, the gate voltage Vg of the driving switch element DT may be expressed as shown in Equation (11).

Vg = {C1/(C1+C2)}×(Vdata - Vref) + (Vss + Vth) Vg = {C1 / (C1 + C2)} × (Vdata-Vref) + (Vss + Vth)

따라서, 구동 스위치소자(DT)의 게이트-소스간 전압(Vgs)은 수학식 12과 같이 나타낼 수 있다. Therefore, the gate-source voltage Vgs of the driving switch element DT may be expressed by Equation 12.

Vgs = {C1/(C1+C2)}×(Vdata - Vref) + (Vss + Vth) - Vss Vgs = {C1 / (C1 + C2)} × (Vdata-Vref) + (Vss + Vth)-Vss

상기 수학식 12을 수학식 1에 대입하면 구동전류(I_OLED)는 수학식 13을 따른다.Substituting Equation 12 into Equation 1, the driving current I_OLED follows Equation 13.

I_OLED =(1/2) × K×{C1/(C1+C2)}×(Vdata - Vref)2 I_OLED = (1/2) × K × {C1 / (C1 + C2)} × (Vdata-Vref) 2

상기 수학식 13에 의해 본 발명의 제2 실시예에서도 유기발광셀(OLED)을 구동하기 위한 구동전류(I_OLED)는 구동 TFT(DT)의 문턱전압(Vth) 및 저전위전압(VSS)과 무관함을 알 수 있다. According to Equation 13, in the second embodiment of the present invention, the driving current I_OLED for driving the organic light emitting cell OLED is independent of the threshold voltage Vth and the low potential voltage VSS of the driving TFT DT. It can be seen that.

따라서, 문턱전압(Vth) 및 저전위전압(VSS)의 변화에 관계없이 화질불균일을 극복할 수 있게 된다. 그 결과, 표시품질을 향상시킬 수 있게 된다.Therefore, the image quality irregularity can be overcome regardless of the change in the threshold voltage Vth and the low potential voltage VSS. As a result, the display quality can be improved.

도 20는 P-타입(type) 구동 스위치소자(DT)를 이용한 화소셀(PE)을 구체적으로 나타내는 회로도이다. 20 is a circuit diagram illustrating in detail a pixel cell PE using a P-type driving switch element DT.

도 20는 본 발명의 제1 실시예에서의 화소셀(PE)의 구조와 대칭적인 회로구성을 가지고 있다. 즉, 구동 스위치소자(DT), 제2 스위치소자(T2), 제1 스위치소자(T3)는 P-타입(type)으로 형성되고, 제3 스위치소자(T3)는 n-타입(type)으로 형성된다. 따라서, 제3 실시예에의 화소셀(PE)에 공급되는 구동파형 또한 도 21에 도시된 바와 같이 도 10에서의 파형과 대칭되는 파형이 공급된다. 20 has a circuit configuration symmetrical with the structure of the pixel cell PE in the first embodiment of the present invention. That is, the driving switch element DT, the second switch element T2, and the first switch element T3 are formed of a P-type, and the third switch element T3 is of an n-type. Is formed. Therefore, the driving waveform supplied to the pixel cell PE in the third embodiment is also supplied with a waveform symmetrical with the waveform in FIG. 10 as shown in FIG.

화소셀(PE)은 본 발명의 제1 실시예에서 설명한 방식과 동일한 방식에 의해 구동됨으로 상세한 설명은 생략하기로 한다. Since the pixel cell PE is driven in the same manner as described in the first embodiment of the present invention, a detailed description thereof will be omitted.

이러한, 본 발명의 제3 실시예에서의 유기발광셀(OLED)을 구동하기 위한 구 동전류(I_OLED)는 본 발명의 제1 실시예에서의 수학식 8의 결과와 동일한 결론이 도출된다. The same conclusion as that of the old coin I_OLED for driving the organic light emitting cell OLED in the third embodiment of the present invention is the same as the result of Equation 8 in the first embodiment of the present invention.

즉, 본원발명의 화소셀(PE)의 회로 구성에 의하여 유기발광셀(OLED)에 공급되는 구동전류(I_OLED)는 구동 스위치소자(DT)의 문턱전압(Vth) 및 저전위전압(VSS)에 관계없이 데이터 전압(Vdata)과 기준전압(Vref)의 차에 의해 결정된다. 따라서, 문턱전압(Vth) 및 저전위전압(VSS)의 변화에 관계없이 화질불균일을 극복할 수 있게 된다. 그 결과, 표시품질을 향상시킬 수 있게 된다.That is, the driving current I_OLED supplied to the organic light emitting cell OLED by the circuit configuration of the pixel cell PE of the present invention is applied to the threshold voltage Vth and the low potential voltage VSS of the driving switch element DT. Regardless, it is determined by the difference between the data voltage Vdata and the reference voltage Vref. Therefore, the image quality irregularity can be overcome regardless of the change in the threshold voltage Vth and the low potential voltage VSS. As a result, the display quality can be improved.

도 22는 P-타입(type) 구동 스위치소자(DT)를 이용한 본 발명의 제4 실시예에 따른 화소셀로서 본 발명의 제2 실시예에서의 화소셀의 구조와 대칭적인 회로구성을 가지고 있다. 즉, 구동 스위치소자(DT), 제2 스위치소자(T2), 제1 스위치소자(T1)은 P-타입(type)으로 형성되고, 제3 스위치소자(T3)는 n-타입(type)으로 형성된다. 이러한, 구성을 가지는 화소셀의 유기발광셀(OLED)을 구동하기 위한 구동전류(I_OLED)는 본 발명의 제2 실시예에서의 수학식 13을 따르게 된다. FIG. 22 is a pixel cell according to the fourth embodiment of the present invention using a P-type driving switch element DT, and has a circuit configuration symmetrical with the structure of the pixel cell in the second embodiment of the present invention. . That is, the driving switch element DT, the second switch element T2, and the first switch element T1 are formed of a P-type, and the third switch element T3 is of an n-type. Is formed. The driving current I_OLED for driving the organic light emitting cell OLED of the pixel cell having the configuration follows Equation 13 in the second embodiment of the present invention.

이러한, P-타입(type) 구동 스위치소자(DT)를 이용한 본 발명의 제3 및 제4 실시예에 따른 유기 전계발광 표시장치는 문턱전압(Vth) 및 고전위전압(VDD)의 변화에 관계없이 화질불균일을 극복할 수 있게 된다. 그 결과, 표시품질을 향상시킬 수 있게 된다.The organic light emitting display device according to the third and fourth embodiments of the present invention using the P-type driving switch element DT is related to the change of the threshold voltage Vth and the high potential voltage VDD. It can overcome the image quality unevenness without. As a result, the display quality can be improved.

상술한 바와 같이, 본 발명의 실시 예에 따른 이와 같이 본 발명에 따른 유 기 전계발광 표시장치 및 그 구동방법은 화소셀의 구동 트랜지스터의 문턱전압, 공급 전압 및 저전위전압의 불균일과 관계없이 유기발광셀에 일정한 구동전류를 공급할 수 있게 된다. 그 결과, 화질의 불균일 등의 문제를 개선함으로써 표시품질이 향상된다.As described above, the organic electroluminescent display and its driving method according to the present invention according to the embodiment of the present invention is organic regardless of the variation of the threshold voltage, supply voltage and low potential voltage of the driving transistor of the pixel cell. It is possible to supply a constant driving current to the light emitting cell. As a result, display quality is improved by improving problems such as unevenness of image quality.

이상 설명한 내용을 통해 당업자라면 본 발명의 기술사상을 일탈하지 아니하는 범위에서 다양한 변경 및 수정이 가능함을 알 수 있을 것이다. 따라서, 본 발명의 기술적 범위는 명세서의 상세한 설명에 기재된 내용으로 한정되는 것이 아니라 특허 청구의 범위에 의해 정하여져야만 할 것이다.It will be apparent to those skilled in the art that various modifications and variations can be made in the present invention without departing from the spirit or scope of the invention. Therefore, the technical scope of the present invention should not be limited to the contents described in the detailed description of the specification, but should be defined by the claims.

Claims (16)

유기전계발광셀을 구동하기 위한 셀 구동회로부가 매트릭스 형태로 배열된 유기전계발광표시장치에 있어서, In an organic light emitting display device in which cell driving circuit portions for driving an organic light emitting cell are arranged in a matrix form, 상기 셀 구동회로부는 The cell driving circuit unit 제1 노드 및 제2 노드 사이에 접속되는 제1 커패시터와; A first capacitor connected between the first node and the second node; 상기 제1 노드 및 상기 제2 노드 중 어느 하나와 저전위 전압원 사이에 접속되는 제2 커패시터와; A second capacitor connected between any one of the first node and the second node and a low potential voltage source; 제1 내지 제4 기간 동안 제1 스캔라인으로부터 공급되는 제1 신호의 제1 논리값에 응답하여 데이터라인과 상기 제1 노드 사이의 전류패스를 형성하는 제1 스위치소자와; A first switch element forming a current path between the data line and the first node in response to a first logic value of the first signal supplied from the first scan line during the first to fourth periods; 제2 기간 동안 제2 스캔라인으로부터 공급되는 제2 신호의 제1 논리값에 응답하여 상기 제2 노드와 제3 노드 사이의 전류패스를 형성하는 제2 스위치소자와; A second switch element forming a current path between the second node and a third node in response to a first logic value of a second signal supplied from a second scan line during a second period of time; 제3 기간 동안 상기 제2 신호의 제2 논리값에 응답하여 상기 유기전계발광셀과 상기 제3 노드 사이의 전류패스를 형성하는 제3 스위치소자와; A third switch element forming a current path between the organic light emitting cell and the third node in response to a second logic value of the second signal during a third period of time; 제4 기간 동안 상기 제2 노드 상의 전압에 응답하여 상기 제3 노드와 상기 저전위 전압원 사이의 전류패스를 형성하는 제4 스위치소자를 구비하는 것을 특징으로 하는 유기전계발광표시장치. And a fourth switch element forming a current path between the third node and the low potential voltage source in response to a voltage on the second node during a fourth period. 제 1 항에 있어서, The method of claim 1, 상기 제2 신호는 The second signal is 상기 제1 기간 후에 제2 논리값에서 제1 논리값으로 전환되고, 상기 제2 기간 후에 상기 제1 논리값에서 상기 제2 논리값으로 전환되며; Switching from a second logic value to a first logic value after the first period, and switching from the first logic value to the second logic value after the second period; 상기 제1 신호는 The first signal is 상기 제1 내지 제4 기간 동안 제1 논리값을 유지하는 것을 특징으로 하는 유기전계발광표시장치. And a first logic value for the first to fourth periods. 제 2 항에 있어서, The method of claim 2, 상기 데이터라인은 The data line is 상기 제1 내지 제3 기간 동안 상기 제1 스위치에 기준전압을 공급하고,Supply a reference voltage to the first switch during the first to third periods, 상기 제4 기간 동안 데이터 전압을 공급하는 것을 특징으로 하는 유기전계발광표시장치. And a data voltage for the fourth period. 제 3 항에 있어서, The method of claim 3, wherein 상기 유기전계발광셀에 흐르는 전류는 The current flowing through the organic light emitting cell is 상기 기준전압 및 데이터 전압에 의해 제어되는 것을 특징으로 하는 유기전계발광표시장치. And an organic light emitting display device controlled by the reference voltage and the data voltage. 제 1 항에 있어서,The method of claim 1, 상기 유기전계발광셀에 고전위 전원을 공급하는 고전위 전원부와; A high potential power supply unit supplying high potential power to the organic light emitting cell; 상기 셀 구동회로부에 저전위 전원을 공급하는 저전위 전원부와; A low potential power supply unit supplying low potential power to the cell driving circuit unit; 상기 제1 스캔라인에 제1 신호를 공급하는 제1 스캔 구동부와; A first scan driver supplying a first signal to the first scan line; 상기 제2 스캔라인에 제2 신호을 공급하는 제2 스캔 구동부와; A second scan driver supplying a second signal to the second scan line; 상기 데이터 라인에 상기 제1 내지 제3 기간 동안 기준전압을 공급 한 후 상기 제4 기간 동안 데이터 전압을 공급하는 데이터 구동부를 구비하는 것을 특징으로 하는 유기전계발광표시장치. And a data driver for supplying a reference voltage to the data line for the first to third periods and then for supplying a data voltage for the fourth period. 제 1 항에 있어서,The method of claim 1, 상기 제1 스위치, 제2 스위치 및 제4 스위치는 n-타입 트랜지스터로 형성되고, The first switch, the second switch and the fourth switch is formed of an n-type transistor, 상기 제3 스위치는 p-타입 트랜지스터로 형성되는 것을 특징으로 하는 유기전계발광표시장치. And the third switch is a p-type transistor. 유기전계발광셀을 구동하기 위한 셀 구동회로부가 매트릭스 형태로 배열된 유기전계발광표시장치에 있어서, In an organic light emitting display device in which cell driving circuit portions for driving an organic light emitting cell are arranged in a matrix form, 상기 셀 구동회로부는 The cell driving circuit unit 제1 노드 및 제2 노드 사이에 접속되는 제1 커패시터와; A first capacitor connected between the first node and the second node; 상기 제1 노드 및 상기 제2 노드 중 어느 하나와 고전위 전압원 사이에 접속되는 제2 커패시터와; A second capacitor connected between any one of the first node and the second node and a high potential voltage source; 제1 내지 제4 기간 동안 제1 스캔라인으로부터 공급되는 제1 신호의 제1 논 리값에 응답하여 데이터라인과 상기 제1 노드 사이의 전류패스를 형성하는 제1 스위치소자와; A first switch element forming a current path between the data line and the first node in response to a first logical value of the first signal supplied from the first scan line during the first to fourth periods; 제2 기간 동안 제2 스캔라인으로부터 공급되는 제2 신호의 제1 논리값에 응답하여 상기 제2 노드와 제3 노드 사이의 전류패스를 형성하는 제2 스위치소자와; A second switch element forming a current path between the second node and a third node in response to a first logic value of a second signal supplied from a second scan line during a second period of time; 제3 기간 동안 상기 제2 신호의 제2 논리값에 응답하여 상기 유기전계발광셀과 상기 제3 노드 사이의 전류패스를 형성하는 제3 스위치소자와; A third switch element forming a current path between the organic light emitting cell and the third node in response to a second logic value of the second signal during a third period of time; 제4 기간 동안 상기 제2 노드 상의 전압에 응답하여 상기 제3 노드와 상기 고전위 전압원 사이의 전류패스를 형성하는 제4 스위치소자를 구비하는 것을 특징으로 하는 유기전계발광표시장치. And a fourth switch element for forming a current path between the third node and the high potential voltage source in response to a voltage on the second node during a fourth period of time. 제 7 항에 있어서, The method of claim 7, wherein 상기 제2 신호는 The second signal is 상기 제1 기간 후에 제2 논리값에서 제1 논리값으로 전환되고, 상기 제2 기간 후에 상기 제1 논리값에서 상기 제2 논리값으로 전환되며; Switching from a second logic value to a first logic value after the first period, and switching from the first logic value to the second logic value after the second period; 상기 제1 신호는 The first signal is 상기 제1 내지 제4 기간 동안 제1 논리값을 유지하는 것을 특징으로 하는 유기전계발광표시장치. And a first logic value for the first to fourth periods. 제 8 항에 있어서, 9. The method of claim 8, 상기 데이터라인은 The data line is 상기 제1 내지 제3 기간 동안 상기 제1 스위치에 기준전압을 공급하고,Supply a reference voltage to the first switch during the first to third periods, 상기 제4 기간 동안 데이터 전압을 공급하는 것을 특징으로 하는 유기전계발광표시장치. And a data voltage for the fourth period. 제 9 항에 있어서, The method of claim 9, 상기 유기전계발광셀에 흐르는 전류는 The current flowing through the organic light emitting cell is 상기 기준전압 및 데이터 전압에 의해 제어되는 것을 특징으로 하는 유기전계발광표시장치. And an organic light emitting display device controlled by the reference voltage and the data voltage. 제 7 항에 있어서,The method of claim 7, wherein 상기 유기전계발광셀에 저전위 전원을 공급하는 저전위 전원부와; A low potential power supply unit for supplying low potential power to the organic light emitting cell; 상기 셀 구동회로부에 고전위 전원을 공급하는 고전위 전원부와; A high potential power supply unit supplying a high potential power to the cell driving circuit unit; 상기 제1 스캔라인에 제1 신호를 공급하는 제1 스캔 구동부와; A first scan driver supplying a first signal to the first scan line; 상기 제2 스캔라인에 제2 신호을 공급하는 제2 스캔 구동부와; A second scan driver supplying a second signal to the second scan line; 상기 데이터 라인에 상기 제1 내지 제3 기간 동안 기준전압을 공급 한 후 상기 제4 기간 동안 데이터 전압을 공급하는 데이터 구동부를 구비하는 것을 특징으로 하는 유기전계발광표시장치.And a data driver for supplying a reference voltage to the data line for the first to third periods and then for supplying a data voltage for the fourth period. 제 7 항에 있어서, The method of claim 7, wherein 상기 제1 스위치, 제2 스위치 및 제4 스위치는 p-타입 트랜지스터로 형성되 고, The first switch, the second switch and the fourth switch is formed of a p-type transistor, 상기 제3 스위치는 n-타입 트랜지스터로 형성되는 것을 특징으로 하는 유기전계발광표시장치. And the third switch is formed of an n-type transistor. 유기전계발광셀을 구동하기 위해 제1 및 제2 노드 사이에 접속된 제1 캐패시터와, 상기 제1 및 제2 노드 중 어느 하나와 고전위 또는 저전위 전압원 중 어느 하나 사이에 접속된 제2 캐패시터와, 제1 기간 동안 제1 스캔라인으로부터 공급되는 제1 신호의 제1 논리값에 응답하여 데이터라인과 상기 제1 노드 사이의 전류패스를 형성하는 제1 스위치소자와, 제2 기간 동안 제2 스캔라인으로부터 공급되는 제2 신호의 제1 논리값에 응답하여 상기 제2 노드와 제3 노드 사이의 전류패스를 형성하는 제2 스위치소자와, 제3 기간 동안 상기 제2 신호의 제2 논리값에 응답하여 상기 유기전계발광셀과 상기 제3 노드 사이의 전류패스를 형성하는 제3 스위치소자와, 제4 기간 동안 상기 제2 노드 상의 전압에 응답하여 상기 제3 노드와 저전위 전압원 사이의 전류패스를 형성하는 제4 스위치소자를 구비한 셀 구동회로부가 매트릭스 형태로 배열된 유기전계발광표시장치의 구동방법에 있어서, A first capacitor connected between the first and second nodes to drive the organic light emitting cell, and a second capacitor connected between any one of the first and second nodes and either a high potential or low potential voltage source A first switch element forming a current path between the data line and the first node in response to a first logic value of the first signal supplied from the first scan line during the first period, and a second during the second period; A second switch element forming a current path between the second node and the third node in response to a first logic value of the second signal supplied from the scan line, and a second logic value of the second signal for a third period of time; A third switch element forming a current path between the organic light emitting cell and the third node in response to the current; and a current between the third node and the low potential voltage source in response to a voltage on the second node during a fourth period of time. Forming a pass Is a method for driving a cell driving circuit is the organic light emitting display devices arranged in a matrix having a fourth switching element, 상기 제1 기간 동안 상기 제1 신호의 제1 논리값에 응답하는 상기 제1 스위치소자에 의해 데이터라인과 상기 제1 노드 사이에 전류패스를 형성하는 단계와; Forming a current path between a data line and the first node by the first switch element responsive to a first logic value of the first signal during the first period; 상기 제2 기간 동안 상기 제2 신호의 제1 논리값에 응답하는 상기 제2 스위치소자에 의해 상기 제2 노드와 제3 노드 사이에 전류패스를 형성하는 단계와;Forming a current path between the second node and a third node by the second switch element responsive to a first logic value of the second signal during the second period of time; 상기 제3 기간 동안 상기 제2 신호의 제2 논리값에 응답하여 상기 유기전계발광셀과 상기 제3 노드 사이에 전류패스를 형성하는 단계와; Forming a current path between the organic light emitting cell and the third node in response to a second logic value of the second signal during the third period of time; 상기 제4 기간 동안 상기 제2 노드 상의 전압에 응답하는 상기 제4 스위치소자에 의해 상기 제3 노드와 저전위 전압원 사이에 전류패스를 형성하는 단계를 포함하는 것을 특징으로 하는 유기전계발광표시장치의 구동방법. Forming a current path between the third node and a low potential voltage source by the fourth switch element responsive to a voltage on the second node during the fourth period. Driving method. 제 13 항에 있어서, The method of claim 13, 상기 제2 기간 및 제3 기간은 The second period and the third period 상기 제1 스위치에 의해 데이터라인과 제1 노드 사이에 전류패스 형성이 유지되는 것을 특징으로 하는 유기전계발광표시장치의 구동방법. And a current path is formed between the data line and the first node by the first switch. 제 14 항에 있어서, 15. The method of claim 14, 상기 제1 내지 제3 기간 동안에 상기 제1 스위치에 기준전압이 공급되는 단계와;Supplying a reference voltage to the first switch during the first to third periods; 상기 제4 기간 동안 상기 제1 스위치에 데이터 전압이 공급되는 것을 특징으로 하는 유기전계발광표시장치의 구동방법. And a data voltage is supplied to the first switch during the fourth period. 제 15 항에 있어서, 16. The method of claim 15, 상기 유기전계발광셀에 흐르는 전류는 The current flowing through the organic light emitting cell is 상기 기준전압 및 데이터 전압에 의해 제어되는 것을 특징으로 하는 유기전계발광표시장치의 구동방법. And a method of controlling the organic light emitting display device, characterized in that controlled by the reference voltage and the data voltage.
KR1020050084711A 2005-09-12 2005-09-12 Organic Electro Luminescence Device And Driving Method Thereof Expired - Lifetime KR101213837B1 (en)

Priority Applications (1)

Application Number Priority Date Filing Date Title
KR1020050084711A KR101213837B1 (en) 2005-09-12 2005-09-12 Organic Electro Luminescence Device And Driving Method Thereof

Applications Claiming Priority (1)

Application Number Priority Date Filing Date Title
KR1020050084711A KR101213837B1 (en) 2005-09-12 2005-09-12 Organic Electro Luminescence Device And Driving Method Thereof

Publications (2)

Publication Number Publication Date
KR20070029997A KR20070029997A (en) 2007-03-15
KR101213837B1 true KR101213837B1 (en) 2012-12-18

Family

ID=38101914

Family Applications (1)

Application Number Title Priority Date Filing Date
KR1020050084711A Expired - Lifetime KR101213837B1 (en) 2005-09-12 2005-09-12 Organic Electro Luminescence Device And Driving Method Thereof

Country Status (1)

Country Link
KR (1) KR101213837B1 (en)

Cited By (1)

* Cited by examiner, † Cited by third party
Publication number Priority date Publication date Assignee Title
WO2015167227A1 (en) * 2014-04-30 2015-11-05 네오뷰코오롱 주식회사 Apparatus and method for compensating brightness deviation of organic light emitting display device

Families Citing this family (8)

* Cited by examiner, † Cited by third party
Publication number Priority date Publication date Assignee Title
CN102460548B (en) * 2009-06-18 2016-08-24 应用材料公司 Current driven pixel circuit and related method
KR20110013693A (en) 2009-08-03 2011-02-10 삼성모바일디스플레이주식회사 Organic electroluminescent display and driving method thereof
KR101056281B1 (en) 2009-08-03 2011-08-11 삼성모바일디스플레이주식회사 Organic electroluminescent display and driving method thereof
KR101671514B1 (en) * 2009-12-17 2016-11-01 엘지디스플레이 주식회사 Organic Light Emitting Display Device
KR101645404B1 (en) 2010-07-06 2016-08-04 삼성디스플레이 주식회사 Organic Light Emitting Display
KR101122894B1 (en) * 2011-12-12 2012-03-21 삼성모바일디스플레이주식회사 Organic Light Emitting Display and Driving Method Thereof
KR101975489B1 (en) * 2012-09-10 2019-05-08 삼성디스플레이 주식회사 Display device and driving method thereof
CN109584786B (en) * 2019-01-21 2020-12-04 惠科股份有限公司 Driving circuit and driving method of display panel and display device

Cited By (1)

* Cited by examiner, † Cited by third party
Publication number Priority date Publication date Assignee Title
WO2015167227A1 (en) * 2014-04-30 2015-11-05 네오뷰코오롱 주식회사 Apparatus and method for compensating brightness deviation of organic light emitting display device

Also Published As

Publication number Publication date
KR20070029997A (en) 2007-03-15

Similar Documents

Publication Publication Date Title
KR100606416B1 (en) Driving device and driving method of organic light emitting diode
KR100939211B1 (en) Organic light emitting diode display and its driving method
EP3242287B1 (en) Pixel circuit and drive method therefor, and active matrix organic light-emitting display
US10366655B1 (en) Pixel driver circuit and driving method thereof
US20150379932A1 (en) Method and system for programming and driving active matrix light emitting device pixel having a controllable supply voltage
JP2007004114A (en) Organic light emitting diode driving circuit, organic light emitting diode display device, and driving method of organic light emitting diode display device
JP2005196116A (en) Electroluminescence display device and driving method thereof
CN104751777A (en) Pixel circuit, pixel and AMOLED display device comprising pixels as well as driving method of AMOLED display device
KR102836199B1 (en) Electroluminescence display device
KR20100069427A (en) Organic light emitting diode display
KR101285537B1 (en) Organic light emitting diode display and driving method thereof
JP2005196114A (en) Electroluminescence display device and driving method thereof
KR101213837B1 (en) Organic Electro Luminescence Device And Driving Method Thereof
KR20050050242A (en) Electro-luminescence display apparatus and driving method thereof
KR100707624B1 (en) Pixel, light emitting display device and driving method thereof
KR20090123495A (en) Light emitting display
JP4209361B2 (en) EL display panel driving device and driving method, and EL display device manufacturing method
KR100606415B1 (en) Organic Light-Emitting Diode Display Device And Driving Method thereof
KR100592645B1 (en) Pixel, light emitting display device and driving method thereof
KR100602070B1 (en) Organic light emitting display device and driving method
KR102730993B1 (en) Electroluminescence display device
KR100511787B1 (en) Apparatus and method for driving electro-luminescence display panel
KR100923353B1 (en) Electro-luminescence display and its driving method
KR100607514B1 (en) Electro-luminescence display and its driving method
KR100741979B1 (en) Pixel Circuit of Organic Electroluminescent Display

Legal Events

Date Code Title Description
PA0109 Patent application

Patent event code: PA01091R01D

Comment text: Patent Application

Patent event date: 20050912

PG1501 Laying open of application
A201 Request for examination
PA0201 Request for examination

Patent event code: PA02012R01D

Patent event date: 20100903

Comment text: Request for Examination of Application

Patent event code: PA02011R01I

Patent event date: 20050912

Comment text: Patent Application

E902 Notification of reason for refusal
PE0902 Notice of grounds for rejection

Comment text: Notification of reason for refusal

Patent event date: 20120117

Patent event code: PE09021S01D

E90F Notification of reason for final refusal
PE0902 Notice of grounds for rejection

Comment text: Final Notice of Reason for Refusal

Patent event date: 20120827

Patent event code: PE09021S02D

E701 Decision to grant or registration of patent right
PE0701 Decision of registration

Patent event code: PE07011S01D

Comment text: Decision to Grant Registration

Patent event date: 20121031

GRNT Written decision to grant
PR0701 Registration of establishment

Comment text: Registration of Establishment

Patent event date: 20121212

Patent event code: PR07011E01D

PR1002 Payment of registration fee

Payment date: 20121212

End annual number: 3

Start annual number: 1

PG1601 Publication of registration
FPAY Annual fee payment

Payment date: 20161118

Year of fee payment: 5

PR1001 Payment of annual fee

Payment date: 20161118

Start annual number: 5

End annual number: 5

FPAY Annual fee payment

Payment date: 20171116

Year of fee payment: 6

PR1001 Payment of annual fee

Payment date: 20171116

Start annual number: 6

End annual number: 6

FPAY Annual fee payment

Payment date: 20181114

Year of fee payment: 7

PR1001 Payment of annual fee

Payment date: 20181114

Start annual number: 7

End annual number: 7

FPAY Annual fee payment

Payment date: 20191113

Year of fee payment: 8

PR1001 Payment of annual fee

Payment date: 20191113

Start annual number: 8

End annual number: 8

PR1001 Payment of annual fee

Payment date: 20211116

Start annual number: 10

End annual number: 10

PR1001 Payment of annual fee

Payment date: 20221115

Start annual number: 11

End annual number: 11

PR1001 Payment of annual fee

Payment date: 20231115

Start annual number: 12

End annual number: 12

PR1001 Payment of annual fee

Payment date: 20241118

Start annual number: 13

End annual number: 13