[go: up one dir, main page]

JP6294686B2 - インプリント装置、インプリント方法及び物品の製造方法 - Google Patents

インプリント装置、インプリント方法及び物品の製造方法 Download PDF

Info

Publication number
JP6294686B2
JP6294686B2 JP2014019767A JP2014019767A JP6294686B2 JP 6294686 B2 JP6294686 B2 JP 6294686B2 JP 2014019767 A JP2014019767 A JP 2014019767A JP 2014019767 A JP2014019767 A JP 2014019767A JP 6294686 B2 JP6294686 B2 JP 6294686B2
Authority
JP
Japan
Prior art keywords
mold
substrate
imprint
imprint material
relative movement
Prior art date
Legal status (The legal status is an assumption and is not a legal conclusion. Google has not performed a legal analysis and makes no representation as to the accuracy of the status listed.)
Expired - Fee Related
Application number
JP2014019767A
Other languages
English (en)
Other versions
JP2015149315A5 (ja
JP2015149315A (ja
Inventor
浅野 俊哉
俊哉 浅野
敬恭 長谷川
敬恭 長谷川
村上 洋介
洋介 村上
Current Assignee (The listed assignees may be inaccurate. Google has not performed a legal analysis and makes no representation or warranty as to the accuracy of the list.)
Canon Inc
Original Assignee
Canon Inc
Priority date (The priority date is an assumption and is not a legal conclusion. Google has not performed a legal analysis and makes no representation as to the accuracy of the date listed.)
Filing date
Publication date
Application filed by Canon Inc filed Critical Canon Inc
Priority to JP2014019767A priority Critical patent/JP6294686B2/ja
Priority to US15/106,900 priority patent/US20160320697A1/en
Priority to KR1020167023508A priority patent/KR101855606B1/ko
Priority to PCT/JP2015/051947 priority patent/WO2015118972A1/en
Publication of JP2015149315A publication Critical patent/JP2015149315A/ja
Publication of JP2015149315A5 publication Critical patent/JP2015149315A5/ja
Application granted granted Critical
Publication of JP6294686B2 publication Critical patent/JP6294686B2/ja
Expired - Fee Related legal-status Critical Current
Anticipated expiration legal-status Critical

Links

Images

Classifications

    • GPHYSICS
    • G03PHOTOGRAPHY; CINEMATOGRAPHY; ANALOGOUS TECHNIQUES USING WAVES OTHER THAN OPTICAL WAVES; ELECTROGRAPHY; HOLOGRAPHY
    • G03FPHOTOMECHANICAL PRODUCTION OF TEXTURED OR PATTERNED SURFACES, e.g. FOR PRINTING, FOR PROCESSING OF SEMICONDUCTOR DEVICES; MATERIALS THEREFOR; ORIGINALS THEREFOR; APPARATUS SPECIALLY ADAPTED THEREFOR
    • G03F7/00Photomechanical, e.g. photolithographic, production of textured or patterned surfaces, e.g. printing surfaces; Materials therefor, e.g. comprising photoresists; Apparatus specially adapted therefor
    • G03F7/0002Lithographic processes using patterning methods other than those involving the exposure to radiation, e.g. by stamping
    • BPERFORMING OPERATIONS; TRANSPORTING
    • B29WORKING OF PLASTICS; WORKING OF SUBSTANCES IN A PLASTIC STATE IN GENERAL
    • B29CSHAPING OR JOINING OF PLASTICS; SHAPING OF MATERIAL IN A PLASTIC STATE, NOT OTHERWISE PROVIDED FOR; AFTER-TREATMENT OF THE SHAPED PRODUCTS, e.g. REPAIRING
    • B29C59/00Surface shaping of articles, e.g. embossing; Apparatus therefor
    • B29C59/002Component parts, details or accessories; Auxiliary operations
    • BPERFORMING OPERATIONS; TRANSPORTING
    • B29WORKING OF PLASTICS; WORKING OF SUBSTANCES IN A PLASTIC STATE IN GENERAL
    • B29CSHAPING OR JOINING OF PLASTICS; SHAPING OF MATERIAL IN A PLASTIC STATE, NOT OTHERWISE PROVIDED FOR; AFTER-TREATMENT OF THE SHAPED PRODUCTS, e.g. REPAIRING
    • B29C59/00Surface shaping of articles, e.g. embossing; Apparatus therefor
    • B29C59/02Surface shaping of articles, e.g. embossing; Apparatus therefor by mechanical means, e.g. pressing
    • GPHYSICS
    • G03PHOTOGRAPHY; CINEMATOGRAPHY; ANALOGOUS TECHNIQUES USING WAVES OTHER THAN OPTICAL WAVES; ELECTROGRAPHY; HOLOGRAPHY
    • G03FPHOTOMECHANICAL PRODUCTION OF TEXTURED OR PATTERNED SURFACES, e.g. FOR PRINTING, FOR PROCESSING OF SEMICONDUCTOR DEVICES; MATERIALS THEREFOR; ORIGINALS THEREFOR; APPARATUS SPECIALLY ADAPTED THEREFOR
    • G03F7/00Photomechanical, e.g. photolithographic, production of textured or patterned surfaces, e.g. printing surfaces; Materials therefor, e.g. comprising photoresists; Apparatus specially adapted therefor
    • G03F7/16Coating processes; Apparatus therefor
    • G03F7/161Coating processes; Apparatus therefor using a previously coated surface, e.g. by stamping or by transfer lamination
    • GPHYSICS
    • G03PHOTOGRAPHY; CINEMATOGRAPHY; ANALOGOUS TECHNIQUES USING WAVES OTHER THAN OPTICAL WAVES; ELECTROGRAPHY; HOLOGRAPHY
    • G03FPHOTOMECHANICAL PRODUCTION OF TEXTURED OR PATTERNED SURFACES, e.g. FOR PRINTING, FOR PROCESSING OF SEMICONDUCTOR DEVICES; MATERIALS THEREFOR; ORIGINALS THEREFOR; APPARATUS SPECIALLY ADAPTED THEREFOR
    • G03F7/00Photomechanical, e.g. photolithographic, production of textured or patterned surfaces, e.g. printing surfaces; Materials therefor, e.g. comprising photoresists; Apparatus specially adapted therefor
    • G03F7/26Processing photosensitive materials; Apparatus therefor
    • G03F7/30Imagewise removal using liquid means
    • G03F7/3042Imagewise removal using liquid means from printing plates transported horizontally through the processing stations
    • G03F7/3071Process control means, e.g. for replenishing
    • GPHYSICS
    • G03PHOTOGRAPHY; CINEMATOGRAPHY; ANALOGOUS TECHNIQUES USING WAVES OTHER THAN OPTICAL WAVES; ELECTROGRAPHY; HOLOGRAPHY
    • G03FPHOTOMECHANICAL PRODUCTION OF TEXTURED OR PATTERNED SURFACES, e.g. FOR PRINTING, FOR PROCESSING OF SEMICONDUCTOR DEVICES; MATERIALS THEREFOR; ORIGINALS THEREFOR; APPARATUS SPECIALLY ADAPTED THEREFOR
    • G03F7/00Photomechanical, e.g. photolithographic, production of textured or patterned surfaces, e.g. printing surfaces; Materials therefor, e.g. comprising photoresists; Apparatus specially adapted therefor
    • G03F7/70Microphotolithographic exposure; Apparatus therefor
    • G03F7/70691Handling of masks or workpieces
    • G03F7/70716Stages
    • GPHYSICS
    • G03PHOTOGRAPHY; CINEMATOGRAPHY; ANALOGOUS TECHNIQUES USING WAVES OTHER THAN OPTICAL WAVES; ELECTROGRAPHY; HOLOGRAPHY
    • G03FPHOTOMECHANICAL PRODUCTION OF TEXTURED OR PATTERNED SURFACES, e.g. FOR PRINTING, FOR PROCESSING OF SEMICONDUCTOR DEVICES; MATERIALS THEREFOR; ORIGINALS THEREFOR; APPARATUS SPECIALLY ADAPTED THEREFOR
    • G03F7/00Photomechanical, e.g. photolithographic, production of textured or patterned surfaces, e.g. printing surfaces; Materials therefor, e.g. comprising photoresists; Apparatus specially adapted therefor
    • G03F7/70Microphotolithographic exposure; Apparatus therefor
    • G03F7/70691Handling of masks or workpieces
    • G03F7/70775Position control, e.g. interferometers or encoders for determining the stage position
    • GPHYSICS
    • G03PHOTOGRAPHY; CINEMATOGRAPHY; ANALOGOUS TECHNIQUES USING WAVES OTHER THAN OPTICAL WAVES; ELECTROGRAPHY; HOLOGRAPHY
    • G03FPHOTOMECHANICAL PRODUCTION OF TEXTURED OR PATTERNED SURFACES, e.g. FOR PRINTING, FOR PROCESSING OF SEMICONDUCTOR DEVICES; MATERIALS THEREFOR; ORIGINALS THEREFOR; APPARATUS SPECIALLY ADAPTED THEREFOR
    • G03F7/00Photomechanical, e.g. photolithographic, production of textured or patterned surfaces, e.g. printing surfaces; Materials therefor, e.g. comprising photoresists; Apparatus specially adapted therefor
    • G03F7/70Microphotolithographic exposure; Apparatus therefor
    • G03F7/708Construction of apparatus, e.g. environment aspects, hygiene aspects or materials
    • G03F7/70858Environment aspects, e.g. pressure of beam-path gas, temperature
    • G03F7/709Vibration, e.g. vibration detection, compensation, suppression or isolation
    • GPHYSICS
    • G03PHOTOGRAPHY; CINEMATOGRAPHY; ANALOGOUS TECHNIQUES USING WAVES OTHER THAN OPTICAL WAVES; ELECTROGRAPHY; HOLOGRAPHY
    • G03FPHOTOMECHANICAL PRODUCTION OF TEXTURED OR PATTERNED SURFACES, e.g. FOR PRINTING, FOR PROCESSING OF SEMICONDUCTOR DEVICES; MATERIALS THEREFOR; ORIGINALS THEREFOR; APPARATUS SPECIALLY ADAPTED THEREFOR
    • G03F9/00Registration or positioning of originals, masks, frames, photographic sheets or textured or patterned surfaces, e.g. automatically
    • G03F9/70Registration or positioning of originals, masks, frames, photographic sheets or textured or patterned surfaces, e.g. automatically for microlithography
    • G03F9/7088Alignment mark detection, e.g. TTR, TTL, off-axis detection, array detector, video detection

Landscapes

  • General Physics & Mathematics (AREA)
  • Physics & Mathematics (AREA)
  • Engineering & Computer Science (AREA)
  • Health & Medical Sciences (AREA)
  • Epidemiology (AREA)
  • Life Sciences & Earth Sciences (AREA)
  • Atmospheric Sciences (AREA)
  • Toxicology (AREA)
  • Environmental & Geological Engineering (AREA)
  • Public Health (AREA)
  • Automation & Control Theory (AREA)
  • Mechanical Engineering (AREA)
  • Multimedia (AREA)
  • Shaping Of Tube Ends By Bending Or Straightening (AREA)
  • Exposure Of Semiconductors, Excluding Electron Or Ion Beam Exposure (AREA)

Description

本発明は、インプリント装置、インプリント方法及び物品の製造方法に関する。
インプリント技術は、微細なパターンが形成されたモールドを用いて基板(ウエハ)の上に微細なパターンを形成する技術である。例えば、インプリント技術の1つとして、光硬化法がある。この光硬化法を用いたインプリント技術は、まず、基板の上のインプリント領域であるショット領域にインプリント材としての流動状の樹脂が供給される。樹脂にモールドのパターンが押し付けられた状態(押印)で光を照射することによって樹脂が硬化される。硬化された樹脂からモールドを引き離す(離型)ことにより、樹脂のパターンが基板の上に転写される。
半導体チップを製作する場合、基板上の樹脂にモールドを押印するときに、基板とモールドとの正確な位置合わせを必要とする。インプリント装置における基板とモールドとの位置合わせには、モールドに形成されたマークとショット領域毎に基板に形成されたマークとを検出することによって位置合わせを行う、いわゆるダイバイダイ方式が知られている。
特許文献1には、位置合わせマークの検出によりモールドと基板間の相対位置ずれを算出して、ステージ(モールド、基板ステージ)を相対的に動かすインプリント装置が記載されている。
特表2008−522412号公報
微細なパターンのインプリントでは押印時のモールドと基板との隙間は1μm以下であり、この隙間に充填された樹脂は粘性と弾性の両方の特性を持つ粘弾性を持つ。押印時にモールドと基板との位置合わせのために両者を相対的に動かすと、樹脂の粘弾性によりモールドと基板との間に力が働く。この力はモールドのパターンに対しても作用するので、微細なパターンが変形する恐れがある。位置合わせ時のモールドと基板の相対移動量はショット領域毎に異なる。したがって、モールドと基板との間に働く力とモールドのパターンの変形もショット領域毎にばらつきを生じ、例えば半導体チップのインプリントでは不良チップが発生して歩留まりが低下するという問題がある。
本発明は、モールドのパターンの変形が低減されたインプリント装置を提供することを目的とする。
本発明の1つの側面は、基板の上に供給されたインプリント材と型とを接触させることで、前記基板の上にパターンを形成するインプリント処理を行うインプリント装置であって、前記基板を保持する基板ステージと、前記型を保持する型保持部と、前記基板の前記型に対する相対位置を検出する検出器と、前記インプリント材に振動を与える加振器と、前記インプリント処理を制御する制御部と、を備え、前記検出器は、検出光を所定の蓄積時間だけ蓄積して電気信号に変換する光学センサを含み、前記制御部は、前記インプリント材と前記型とを接触させて前記加振器により前記所定の蓄積時間より短い周期で前記インプリント材を振動させた状態で、前記検出器の検出結果に基づいて前記基板と前記型とを位置合わせする、ことを特徴とする。
本発明によれば、モールドのパターンの変形が低減されたインプリント装置を提供することができる。
第1実施形態のインプリント装置の概念図である。 インプリント装置の制御系を示す図である。 従来技術のインプリント装置のモールドと樹脂との間に働く力の特性を説明したものである。 第2実施形態のインプリント装置のモールドと樹脂との間に働く力の特性を説明したものである。 第3実施形態のインプリント装置のモールド近傍の側面図である。 第3実施形態のインプリント装置のモールドを下から見た図である。
[第1実施形態]
以下、本発明の第1実施形態について説明する。図1は第1実施形態のインプリント装置の概要を示したものである。インプリント装置の本体1は、空気ばね等を用いた三脚または四脚の除振機構2を介して、床の上に設置される。基板(ウエハ)3は、不図示のウエハチャックにより基板ステージ(ウエハステージ)4に保持されている。ウエハステージ4は、ウエハ3の全面にインプリント処理を行い、かつウエハ3を不図示のウエハ交換ハンドにて載せ降ろしを行う交換位置まで移動できるのに十分なX方向およびY方向のストロークを持っている。
図1ではウエハステージ4は簡易的に一つの箱と車輪で示されているが、実際は次の構造を持つ。ウエハステージ4は、X方向およびY方向に長ストロークを持つ粗動ステージ上に、短ストロークで位置決め精度の高い微動ステージを搭載したものが使われている。ウエハステージ4の構成はこれに限らず、一般的に半導体露光装置用のウエハステージに用いられている高精度の位置決めのステージを用いることができる。
ウエハステージ4のX方向の位置は本体1に設けたレーザ干渉計5とウエハステージ4に設けたレーザ光を反射する不図示の反射鏡により計測される。同様にY方向を計測するレーザ干渉計も設けられている。ウエハステージ4の位置計測は、本体1に設けたスケール基板とウエハステージ4に設けた光学機器からなるエンコーダシステムを用いても良い。
ウエハステージ4には高周波の振動を発生して樹脂に振動を与える加振器6が設置されている。インプリント処理時に用いる光硬化型の樹脂(インプリント材)は、本体1に設けられたディスペンサ7によりウエハ3上に供給される。微細なパターンが形成されたモールド(型、テンプレートともいう)8は、本体1に設置されたモールドステージ(インプリントヘッド機構)9により保持されている。モールドステージ9は、モールド8を保持しながらモールド8をZ方向に動かすことができる。ここでは、図1に示すようにモールドステージ9に保持されたモールド8を樹脂が供給されたウエハ3に対して押し付ける方向をZ方向とする。モールド8をウエハ3に対して押し付ける方向に直交し、ウエハ3の表面に平行な方向をX方向およびY方向とする。
ウエハ3のモールド8に対するウエハ3の表面に平行な方向(X方向およびY方向)の相対的な位置は、本体1に設けられた検出器10により検出される。ウエハ3には前の処理工程により各ショット領域の位置にアライメント用のマークが転写されている。モールド8にもこれに応じたアライメント用のマークが設けられている。検出器10は、アライメント光をモールド8とウエハ3に照射して、両者のアライメント用のマークをアライメントスコープにより検出する。制御部Cは、アライメントスコープの検出結果を画像処理することにより、モールド8とウエハ3との相対的な位置ずれを算出する。樹脂を硬化させる紫外線を照射する照射系11、は本体1に搭載されている。
図2は、インプリント装置の制御系を示したものである。ウエハステージ4の位置制御はウエハステージ制御部12で行われる。ウエハステージ制御部12は、主制御部14から送られるステージ位置指令からレーザ干渉計5で計測されたステージ位置を引いた偏差をフィードバックするフィードバック制御系を用いている。検出器10から出力されたモールド8とウエハ3の位置ずれはステージ位置補正算出器13に入力され、ステージ位置補正信号としてウエハステージ制御部12に送られる。ウエハステージ制御部12では、前述のステージ位置指令にステージ位置補正信号を加えたものをウエハステージ4の目標位置として制御演算が行われる。制御演算の結果の制御指令はウエハステージ4を駆動するアクチュエータに送られて駆動力となり、ウエハステージ4を位置決め制御する。これらの制御系は複雑な演算が行われるので、デジタル計算機にて構成されている。
次に、インプリント処理時の各動作を説明する。ウエハステージ4はウエハ3の交換位置に移動して不図示のウエハ交換ハンドによりウエハ3が不図示のウエハチャックに搭載される。制御部Cは、ウエハ3上のインプリント処理を行うショット領域がディスペンサ7の下になるようにウエハステージ4を移動し、ディスペンサ7によりウエハ3に樹脂を供給する。制御部Cは、ショット領域がモールド8の下になるようにウエハステージ4を移動した後、モールドステージ9によりモールド8を降下して押印を行う。この押印とは、モールドステージ9をZ方向に駆動してモールド8をウエハ面の樹脂に接触させることにより、モールド8とウエハ3の隙間を1μm以下として、この隙間に樹脂を充填することである。押印の初期はモールド8とウエハ3との水平方向(X方向、Y方向)における相対位置に位置ずれが生じている。この位置ずれは前述のように検出器10により検出され、ステージ位置補正算出器13により生成されたステージ補正信号がウエハステージ制御部12に送られる。
押印時にウエハステージ4を動かすと、モールド8とウエハ3との間に充填された樹脂の粘弾性に起因して、モールド8とウエハ3との間に力が働く。これは、ウエハステージ4を動かすことで、ウエハ3と樹脂との間に力が生じ、樹脂への反力がモールドに伝わるため、モールドと樹脂の間にも力が作用する。この粘弾性は樹脂に高周波振動を与えることで小さくなることがわかった。主制御部14からの指令により、加振器6で高周波振動を発生させることで樹脂を高周波で加振して、樹脂の粘弾性を小さくする。高周波振動の周波数および大きさは、使用する樹脂の種類とモールド8の表面とウエハ3の表面と間の間隔によって決定される。よって、事前に周波数と大きさを変えてモールド8と樹脂との間に働く力をウエハステージ制御部12の駆動力により測定し、実際に用いる値を決めるのが良い。また、周波数は1kHz以下ではウエハステージ制御部12のフィードバック系に影響を与える可能性があるので、1kHz以上であることが望ましい。
検出器10のアライメントスコープでは不図示の光学センサを用いている。光学センサでは検出光を所定の時間だけ蓄積して電気信号に変換されるので、結果として蓄積時間内の平均値が出力される。よって、1kHz以上の高周波であれば、この平均効果により検出器10での検出結果には高周波振動の影響はない。高周波で加振している間にウエハステージ4を移動することで、モールド8とウエハ3間の位置合わせを完了する。樹脂の粘弾性が非常に小さい状態でモールド8とウエハ3を相対移動させるので、位置合わせ時にモールド8と樹脂との間に力が生じるのを抑制できる。位置合わせ完了後、高周波振動は停止する。照射系11にて紫外線を樹脂に当てて硬化させた後、モールドステージ9を上昇させて離型し、1ショット領域分のインプリント処理を完了する。以降は各ショット領域において、樹脂供給、押印、加振中の位置合わせ、硬化、離型、のシーケンスを繰り返して行う。各ショット領域は加振中に位置合わせを行うので、位置合わせ完了時にモールド8と樹脂との間に働く力が小さくなり、その結果、力のばらつきも小さくなる。ウエハ全面のインプリント処理を終えるとウエハステージ4はウエハ交換位置に移動し、ウエハ交換ハンドでインプリント済みのウエハ3を回収する。次のウエハ3をウエハチャックに搭載し、再びウエハ全面のインプリントシーケンスを実行する。
加振器6はウエハステージ4に設けたが、樹脂に高周波振動が伝わればよいのでモールドステージ9に設けても良い。ここではモールド8とウエハ3の位置合わせの際にウエハステージ4を動かす構成としたが、モールドステージ9にXY方向の移動機構を設けてモールド8を動かすようにしても良い。この場合は、モールドステージ9のXY方向の位置制御系があり、ステージ位置補正算出器13によるステージ位置補正信号は、モールドステージ9にも送られる。モールド8とウエハ3と位置合わせするには、ウエハステージ4とモールドステージ9との少なくとも一方を動かせばよい。また、加振器6を別途設けず、ウエハステージ4を直接に高周波で加振しても良い。この場合は、ウエハステージ制御部12からの制御指令には位置決め用の信号に加振用の信号が重ねられる。
[第2実施形態]
第2実施形態のインプリント装置は、図1に示した装置から加振器6を削除したものであるので、図示は省略する。図3A、3Bはモールド8と樹脂との間の力の特性を示したものである。押印開始時はウエハステージ4を静止させた状態でモールドステージ9をZ方向のみに動かすので、XY方向のモールド8とウエハ3の相対的な動きは無いので、モールド8と樹脂との間の力は零である。この状態を図3Aの点Aで示してある。検出器10により測定されたモールド8とウエハ3との位置ずれがd1であったとする。ステージ位置補正算出器13によるウエハステージ位置補正信号とウエハステージ制御部12によりウエハステージ4が移動する。この結果、モールド8とウエハ3との相対移動量がd1となったところでモールド8とウエハ3との位置ずれが解消される。
この状態を図3Aの点Bで示してある。この際のウエハステージ4の移動は非常に低速であるので、樹脂の粘弾性の粘性抵抗力はほとんど生じずほぼ弾性の特性が現れる。本実施形態も、ウエハステージ4を動かすことで、ウエハ3と樹脂との間に力が生じ、樹脂への反力がモールド8に伝わるため、モールド8と樹脂の間にも力が生じている。よって、点Aから点Bまでの領域(第1領域)では、モールド8と樹脂と間の力とモールド8とウエハ3の相対移動距離との関係は、線形性を示す。点Bの状態で位置合わせが完了した直後に照射系11により照射が行われるので、モールド8には力f1が作用した状態で樹脂が硬化することになる。押印開始時のモールド8とウエハ3の位置ずれはショット領域毎に異なるので、位置合わせ終了時に作用するモールド8への力も異なることになる。この現象により、モールド8に設けたパターンのウエハ3への転写精度がショット領域毎にばらつき、不良チップの発生となり歩留まりが低下する。
図3Bは、本発明を用いた場合を示している。ステージ位置補正算出器13では、押印開始時のモールド8とウエハ3の位置ずれd1に対して、d1である第1位置を超えたd2の第2位置まで一旦移動してから、d1の第1位置に復帰させるステージ位置補正信号を生成する。ここで、相対移動量d1は第1領域内の相対移動量であり、相対移動量d2は第2領域内の相対移動量である。モールド8とウエハ3の相対移動量が大きくなると樹脂の粘弾性が変化し、相対移動量に対してモールド8とウエハ3の間の力の増加は小さくなる。モールド8とウエハ3との相対移動距離がd2のあたりは、モールド8と樹脂との間に働く力が相対移動距離に対して線形性を示さない第2領域に属している。モールド8とウエハ3の相対移動量がd2となった点Cの第2位置から、相対移動の方向を反転してd1に向かうと、再び樹脂の粘弾性が変化する。このとき、モールド8とウエハ3の相対移動量に対して力の変動が大きくなる。すなわち、図3の線の傾きは粘弾性のばね性を示しており、傾きが大きいほどばね性が大きいことになる。点Aから点Bに向かうときのばね性と、点Cから点Dに向かうときのばね性は、ほぼ同じ値であるので平行な直線となっている。モールド8とウエハ3の位置ずれが解消される点Dにおけるモールド8と樹脂との間の力はf2となり、本発明を用いずに点Aから点Bまで移動したときの力f1に比べて非常に小さくなる。
図3Bに示したモールド8とウエハ3の相対移動量とモールド8と樹脂との間の力の特性は、使用する樹脂の種類やモールド8とウエハ3の間隔、モールド8とウエハ3の相対移動速度などによって変わる。よって、予め特性を実験により求めて数値化してデジタル計算機の不揮発メモリに入れておき、これを基にステージ位置補正算出器13においてd1に対してd2の値を決めている。ショット毎に異なる押印初期時のモールド8とウエハ3の位置ずれに応じて、位置合わせ終了時のモールド8と樹脂と間の力f2が小さくなるようにd2をショット領域毎に設定する。この結果、樹脂の硬化時にモールド8に作用する力が小さくなり、かつ、力のばらつきが小さくなり、モールド8に設けたパターンのウエハ3への転写精度の低下を防ぐことができる。
ここではモールド8とウエハ3の位置合わせの際にウエハステージ4を動かす構成としたが、第1実施形態と同様にモールドステージ9にXY方向の移動機構を設けてモールド8を動かすようにしても良い。また、上記何れの実施形態もモールド8とウエハ3上の樹脂とを接触させる(押印)際に、モールドステージ9をZ方向に動かす構成としたが、ウエハステージ4にZ方向の移動機構を設けてウエハ3を動かすようにしても良い。さらに、ウエハステージ4とモールドステージ9を順次または、同時に動かしてモールド8とウエハ3上の樹脂とを接触させても良い。
[第3実施形態]
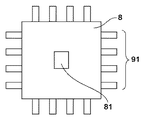
第3実施形態のインプリント装置は、図1に示したインプリント装置のモールドステージ9に形状補正機構91を備えたものである。図4A、4Bはモールドステージ9に保持されたモールド8とモールド8の外周部側面を取り囲むように、設けられた形状補正機構91を示したものである。形状補正機構91は、モールド8に形成されたパターン部81の形状を補正する装置であり、アクチュエータ及びリンク機構により構成されている。この駆動機構を用いて、モールド8をX方向とY方向に動かすようにしても良い。
パターンの高精度な形状補正が要求される場合には、モールド8と樹脂が接触した状態で、モールド8のパターン部81の形状と基板上のショット領域の形状を合わせるために、パターン部81の形状を補正する。パターン部81の形状と基板上のショット領域の形状のずれは、検出器10によりショット内の複数のアライメント用のマークを検出することで、求めることができる。検出器10が検出したアライメント用のマークのずれを求めることで、パターン部81の補正距離(形状補正機構91の駆動量)を決めることができる。得られたパターン部81の変形量(補正値)に応じて形状補正機構91の駆動量(駆動距離)を求めることができる。形状補正機構91によりパターン部81の形状を補正すると、樹脂の粘弾性によりモールドと樹脂との間に力が働くため、モールドのパターンに対しても力が作用するので、微細なパターンが変形する恐れがある。また、形状補正機構91によるパターン部81の形状を補正する場合も、形状補正機構91の駆動量はショット領域毎に異なる。そのため、形状補正終了時にモールド8のパターンと樹脂との間に作用する力も異なる。
そこで、図3Bと同様の特性として、形状補正機構91の駆動量(駆動距離)と、モールドと樹脂間の力の関係を予め求めておく。その関係に基づいて、一旦、目標駆動量(目標駆動位置)を超える所定の駆動量を駆動させた後に、目標駆動量に戻すことで、形状補正終了時に作用するモールド8への力が小さくなり、かつ、力のばらつきを小さくできる。結果として、モールド8に設けたパターンのウエハ3への転写精度の低下を抑えることができる。
また、第1実施形態で説明したようにウエハステージ4を高周波で加振している間に、形状補正機構91を駆動させモールド8のパターン部81の形状を補正しても良い。ウエハステージ4による位置合わせをパターン部81の形状の補正と並行して行っても良いし、ウエハステージ4による位置合わせを行った後に、形状補正による位置合わせを行っても良い。
また、第2実施形態のようにウエハステージ4を、一旦、目標駆動位置を超える所定の駆動距離を駆動させて、目標位置に戻すことによる位置合わせを行った後に、形状補正機構91によるパターン部81の形状を補正しても良い。ウエハステージ4による位置合わせをパターン部81の形状の補正と並行して行っても良い。
また、上記の何れの実施形態も、図3Bに示したモールド8とウエハ3の相対移動量とモールド8と樹脂との間の力の特性は、モールド8とウエハ3の間隔などによって変わる。ウエハチャックに保持したウエハ3に対し、モールド8を押印する時、モールド8とウエハ3の間に充填された樹脂の表面張力により、モールド8とウエハ3の間隔は所定の間隔に設定することができる。しかし、実際には、ウエハ平坦度により、モールド8とウエハ3の間隔がショット毎に変化することがある。そのため、不図示の高さセンサにより、ウエハ3の高さを計測し、その計測結果をもとにモールド8に対するウエハ3の間隔の分布を計測する。ウエハ3の高さを計測はウエハ全面に対して行っても良いし、部分的に計測し、その間を補間しても良い。その分布情報をもとに、モールド8とウエハ3の相対移動量とモールド8と樹脂との間の力の特性を求める。また、同様に、形状補正機構91の駆動量(駆動距離)と、モールドとウエハ間の力の特性を、求めておく。これらの特性を、前述の不揮発メモリに入れて位置合わせ時に参照して用いても良い。こうすることで、モールド8に設けたパターンのウエハ3への転写精度の低下を更に抑えることができる。
[物品の製造方法]
物品としてのデバイス(半導体集積回路デバイス、液晶表示デバイス、MEMS等)の製造方法は、前述したインプリント装置を用いて基板(ウエハ、ガラスプレート、フィルム状基板等)にパターンを転写(形成)するステップを含む。さらに、該製造方法は、パターンを転写された前記基板をエッチングするステップを含みうる。なお、パターンドメディア(記録媒体)や光学素子などの他の物品を製造する場合には、該製造方法は、エッチングステップの代わりに、パターンを転写された前記基板を加工する他の加工ステップを含みうる。

Claims (15)

  1. 基板の上に供給されたインプリント材と型とを接触させることで、前記基板の上にパターンを形成するインプリント処理を行うインプリント装置であって、
    前記基板を保持する基板ステージと
    記型を保持する型保持部と
    記基板の前記型に対する相対位置を検出する検出器と
    記インプリント材に振動を与える加振器と
    記インプリント処理を制御する制御部と、を備え、
    前記検出器は、検出光を所定の蓄積時間だけ蓄積して電気信号に変換する光学センサを含み、
    前記制御部は、前記インプリント材と前記型とを接触させて前記加振器により前記所定の蓄積時間より短い周期で前記インプリント材を振動させた状態で、前記検出器の検出結果に基づいて前記基板と前記型とを位置合わせする、ことを特徴とするインプリント装置。
  2. 前記加振器は、前記基板ステージに設置されている、ことを特徴とする請求項1に記載のインプリント装置。
  3. 前記加振器は、前記型保持部に設置されている、ことを特徴とする請求項1に記載のインプリント装置。
  4. 前記制御部は、前記基板ステージおよび前記型保持部の少なくとも一方を相対移動させて前記基板と前記型とを位置合わせすることを特徴とする請求項1乃至3のいずれか1項に記載のインプリント装置。
  5. 前記制御部は、前記インプリント材と接触している状態の前記型の表面と前記基板の表面との間の間隔及び使用するインプリント材の種類の少なくともいずれかに基づいて前記振動の周波数及び大きさを決定する、ことを特徴とする請求項1乃至4のいずれか1項に記載のインプリント装置。
  6. 前記加振器は、前記インプリント材に1kHz以上の振動を与えることを特徴とする請求項1乃至5のいずれか1項に記載のインプリント装置。
  7. 前記型の形状を補正する形状補正機構を備え、
    前記形状補正機構が前記型の形状を所定の形状に変形させることで、前記基板と前記型とを位置合わせすることを特徴とする請求項1乃至6のいずれか1項に記載のインプリント装置。
  8. 基板の上に供給されたインプリント材と型とを接触させることで、前記基板の上にパターンを形成するインプリント処理を行うインプリント装置であって、
    前記基板を保持する基板ステージと
    記型を保持する型保持部と
    記基板の前記型に対する相対位置を検出する検出器と
    記インプリント処理を制御する制御部と、を備え、
    前記インプリント材と前記型とが接触しかつ前記インプリント材が硬化されていない状態で前記基板ステージを前記型保持部に対して相対移動させたとき、前記型と前記基板との間で発生する力と前記基板ステージの相対移動距離との関係は、前記相対移動距離が第1領域で線形性を示し、前記相対移動距離が前記第1領域より大きな第2領域で線形性を示さず、
    前記制御部は、前記インプリント材と前記型とを接触させた状態で前記検出器の検出結果に基づいて前記基板ステージを前記型保持部に対して第1位置まで相対移動させて前記基板と前記型とを位置決めするときに、前記基板ステージの相対移動距離が前記第1位置までの相対移動距離より長い前記第2領域内の第2位置まで前記基板ステージを相対移動させ、次いで前記基板ステージを前記第2位置から前記第1位置まで相対移動させて前記第1位置に位置決めすることを特徴とするインプリント装置。
  9. 前記制御部は、使用するインプリント材の種類、前記インプリント材と接触している状態の前記型の表面と前記基板の表面との間の間隔、前記基板ステージの相対移動速度、及び、前記第1位置までの相対移動距離の少なくともいずれかに基づいて前記第2位置を決定する、ことを特徴とする請求項8に記載のインプリント装置。
  10. 前記制御部は、前記基板ステージを、前記型を前記基板に対して押し付ける方向に直交する方向に移動させて前記基板と前記型とを位置合わせする、ことを特徴とする請求項1乃至9のいずれか1項に記載のインプリント装置。
  11. 前記制御部は、前記型保持部を、前記型を前記基板に対して押し付ける方向に直交する方向に移動させて前記基板と前記型とを位置合わせする、ことを特徴とする請求項1乃至9のいずれか1項に記載のインプリント装置。
  12. 基板の上に供給されたインプリント材と型とを接触させることで、前記基板の上にパターンを形成するインプリント処理を行うインプリント装置であって、
    前記基板の前記型に対する相対位置を検出する検出器と
    記型の形状を補正する形状補正機構と
    記インプリント処理を制御する制御部と、を備え、
    前記インプリント材と前記型とが接触しかつ前記インプリント材が硬化されていない状態で前記形状補正機構を用いて前記型の形状を補正したときに、前記型と前記基板との間で発生する力と前記形状補正機構の補正距離との関係は、前記補正距離が第1領域で線形性を示し、前記補正距離が前記第1領域より大きな第2領域で線形性を示さず、
    前記制御部は、前記インプリント材と前記型とを接触させた状態で前記検出器の検出結果に基づいて前記形状補正機構を用いて前記型の形状を補正する際の補正距離を前記第1領域内の第1補正距離とするときに、補正距離が前記第2領域内の第2補正距離となるまで前記形状補正機構を駆動させ、次いで補正距離が前記第2補正距離から前記第1補正距離となるまで前記形状補正機構を駆動させて前記型の形状を補正することを特徴とするインプリント装置。
  13. 請求項1乃至12のいずれか1項に記載のインプリント装置を用いて基板にパターンを形成する工程と、
    前記工程でパターンが形成された基板を加工する工程と、
    を含み、前記加工された基板から物品を製造することを特徴とする物品の製造方法。
  14. 基板の上に供給されたインプリント材と型とを接触させた状態で検出光を所定の蓄積時間だけ蓄積して電気信号に変換する光学センサを含む検出器を用いて前記基板に形成されたマークと前記型に形成されたマークとを検出して前記基板の前記型に対する相対位置を検出することにより前記基板と前記型との位置合わせを行い、該位置合わせの後に前記インプリント材を硬化させるインプリント処理を行うインプリント方法であって、
    前記基板の上に供給されたインプリント材を前記型と接触させる工程と、
    前記型と接触している前記インプリント材に前記所定の蓄積時間より短い周期で振動を与えながら、前記基板と前記型とを位置合わせする工程と、
    前記位置合わせされた前記基板の上の前記インプリント材を硬化する工程と、
    を含む、ことを特徴とするインプリント方法。
  15. 基板の上に供給されたインプリント材と型とを接触させることで、前記基板の上にパターンを形成するインプリント処理を行うインプリント方法であって、
    前記インプリント材と前記型とが接触しかつ前記インプリント材が硬化されていない状態で前記基板を前記型に対して相対移動させたときに、前記型と前記基板との間で発生する力と前記基板の相対移動距離との関係は、前記相対移動距離が第1領域で線形性を示し、前記相対移動距離が前記第1領域より大きな第2領域で線形性を示さず、
    前記インプリント方法は、
    前記基板の上に供給されたインプリント材を前記型と接触させる工程と、
    前記インプリント材と前記型とが接触している状態で、前記基板を前記型に対して前記第1領域内の相対移動距離だけ離れた第1位置を超えて前記相対移動距離が前記第2領域内の相対移動距離だけ離れた第2位置まで相対移動させ、次いで前記基板を前記第2位置から前記第1位置まで相対移動させて前記第1位置に位置決めする工程と、
    前記位置決めされた前記基板の上の前記インプリント材を硬化する工程と、
    を含む、ことを特徴とするインプリント方法。
JP2014019767A 2014-02-04 2014-02-04 インプリント装置、インプリント方法及び物品の製造方法 Expired - Fee Related JP6294686B2 (ja)

Priority Applications (4)

Application Number Priority Date Filing Date Title
JP2014019767A JP6294686B2 (ja) 2014-02-04 2014-02-04 インプリント装置、インプリント方法及び物品の製造方法
US15/106,900 US20160320697A1 (en) 2014-02-04 2015-01-20 Imprint apparatus, imprint method, and article manufacturing method
KR1020167023508A KR101855606B1 (ko) 2014-02-04 2015-01-20 임프린트 장치, 임프린트 방법 및 물품의 제조 방법
PCT/JP2015/051947 WO2015118972A1 (en) 2014-02-04 2015-01-20 Imprint apparatus, imprint method, and article manufacturing method

Applications Claiming Priority (1)

Application Number Priority Date Filing Date Title
JP2014019767A JP6294686B2 (ja) 2014-02-04 2014-02-04 インプリント装置、インプリント方法及び物品の製造方法

Publications (3)

Publication Number Publication Date
JP2015149315A JP2015149315A (ja) 2015-08-20
JP2015149315A5 JP2015149315A5 (ja) 2017-03-09
JP6294686B2 true JP6294686B2 (ja) 2018-03-14

Family

ID=53777779

Family Applications (1)

Application Number Title Priority Date Filing Date
JP2014019767A Expired - Fee Related JP6294686B2 (ja) 2014-02-04 2014-02-04 インプリント装置、インプリント方法及び物品の製造方法

Country Status (4)

Country Link
US (1) US20160320697A1 (ja)
JP (1) JP6294686B2 (ja)
KR (1) KR101855606B1 (ja)
WO (1) WO2015118972A1 (ja)

Families Citing this family (7)

* Cited by examiner, † Cited by third party
Publication number Priority date Publication date Assignee Title
SG11201406979VA (en) * 2013-12-06 2015-07-30 Ev Group E Thallner Gmbh Device and method for aligning substrates
JP6955344B2 (ja) * 2017-02-20 2021-10-27 キヤノン株式会社 インプリント装置、および物品製造方法
US20180253000A1 (en) * 2017-03-06 2018-09-06 Canon Kabushiki Kaisha Pattern forming method, imprint apparatus, manufacturing method and mixing method
JP6882103B2 (ja) * 2017-07-04 2021-06-02 キヤノン株式会社 インプリント装置、および物品の製造方法
JP7060961B2 (ja) * 2018-01-05 2022-04-27 キヤノン株式会社 インプリント装置、インプリント方法および物品製造方法
JP7134717B2 (ja) * 2018-05-31 2022-09-12 キヤノン株式会社 インプリント装置、インプリント方法および物品製造方法
CN109164676A (zh) * 2018-10-31 2019-01-08 京东方科技集团股份有限公司 压印模板和压印方法

Family Cites Families (11)

* Cited by examiner, † Cited by third party
Publication number Priority date Publication date Assignee Title
JP4090374B2 (ja) * 2003-03-20 2008-05-28 株式会社日立製作所 ナノプリント装置、及び微細構造転写方法
US20050270516A1 (en) * 2004-06-03 2005-12-08 Molecular Imprints, Inc. System for magnification and distortion correction during nano-scale manufacturing
US7630067B2 (en) * 2004-11-30 2009-12-08 Molecular Imprints, Inc. Interferometric analysis method for the manufacture of nano-scale devices
JP4732801B2 (ja) * 2005-05-25 2011-07-27 東芝機械株式会社 ジンバル機構を備えた転写装置及び同装置を用いた転写方法
US7648354B2 (en) * 2005-04-28 2010-01-19 Toshiba Kikai Kabushiki Kaisha Transfer apparatus having gimbal mechanism and transfer method using the transfer apparatus
JP2007081070A (ja) 2005-09-14 2007-03-29 Canon Inc 加工装置及び方法
JP5072247B2 (ja) 2006-03-27 2012-11-14 キヤノン株式会社 リソグラフィ装置及び方法、並びに、デバイス製造方法
JPWO2007116469A1 (ja) * 2006-03-31 2009-08-20 富士通株式会社 パターン転写方法およびパターン転写装置
JP4810319B2 (ja) * 2006-06-09 2011-11-09 キヤノン株式会社 加工装置及びデバイス製造方法
JP5371349B2 (ja) * 2008-09-19 2013-12-18 キヤノン株式会社 インプリント装置、および物品の製造方法
JP5268524B2 (ja) * 2008-09-26 2013-08-21 キヤノン株式会社 加工装置

Also Published As

Publication number Publication date
KR101855606B1 (ko) 2018-05-04
WO2015118972A1 (en) 2015-08-13
US20160320697A1 (en) 2016-11-03
KR20160113689A (ko) 2016-09-30
JP2015149315A (ja) 2015-08-20

Similar Documents

Publication Publication Date Title
JP6294686B2 (ja) インプリント装置、インプリント方法及び物品の製造方法
JP6420606B2 (ja) インプリント装置、インプリント方法及び物品製造方法
KR101367399B1 (ko) 임프린트 장치 및 물품 제조방법
TWI414419B (zh) 壓印設備和用於生產物品的方法
US9254608B2 (en) Imprint apparatus, imprint method, and method of manufacturing article
US10828808B2 (en) Imprint apparatus, imprint method, and method of manufacturing article
JP6180131B2 (ja) インプリント装置、それを用いた物品の製造方法
US9958773B2 (en) Imprint apparatus and method of manufacturing article
JP2016058735A (ja) インプリント装置、インプリント方法および物品の製造方法
US10018909B2 (en) Imprint apparatus and method of manufacturing article
JP6562795B2 (ja) インプリント装置、および物品の製造方法
KR102885530B1 (ko) 임프린트 리소그래피에서의 임프린트력 인가의 정확도를 개선하기 위한 장치 및 방법
JP6552185B2 (ja) インプリント装置、補正機構の校正方法、および物品の製造方法
JP2017022245A (ja) インプリント装置、インプリント方法および物品の製造方法
KR102867593B1 (ko) 평탄화 장치, 평탄화 공정 및 물품 제조 방법
KR20210052261A (ko) 임프린트 장치, 임프린트 방법 및 물품 제조 방법
KR20200136827A (ko) 리소그래피 장치 및 물품의 제조 방법
US8834769B2 (en) Imprint apparatus for forming a pattern of a resin on a substrate using a mold
JP2017037926A (ja) インプリント装置及び方法、並びに物品の製造方法
JP6955344B2 (ja) インプリント装置、および物品製造方法
JP2024150284A (ja) インプリント装置、インプリント方法、及び物品の製造方法
JP2016021442A (ja) インプリント装置及び物品の製造方法

Legal Events

Date Code Title Description
A521 Request for written amendment filed

Free format text: JAPANESE INTERMEDIATE CODE: A523

Effective date: 20170203

A621 Written request for application examination

Free format text: JAPANESE INTERMEDIATE CODE: A621

Effective date: 20170203

A131 Notification of reasons for refusal

Free format text: JAPANESE INTERMEDIATE CODE: A131

Effective date: 20171102

A521 Request for written amendment filed

Free format text: JAPANESE INTERMEDIATE CODE: A523

Effective date: 20171227

TRDD Decision of grant or rejection written
A01 Written decision to grant a patent or to grant a registration (utility model)

Free format text: JAPANESE INTERMEDIATE CODE: A01

Effective date: 20180119

A61 First payment of annual fees (during grant procedure)

Free format text: JAPANESE INTERMEDIATE CODE: A61

Effective date: 20180216

R151 Written notification of patent or utility model registration

Ref document number: 6294686

Country of ref document: JP

Free format text: JAPANESE INTERMEDIATE CODE: R151

LAPS Cancellation because of no payment of annual fees