CN107933954B - Oil tank oil transportation and consumption simulation system - Google Patents
Oil tank oil transportation and consumption simulation system Download PDFInfo
- Publication number
- CN107933954B CN107933954B CN201711239227.1A CN201711239227A CN107933954B CN 107933954 B CN107933954 B CN 107933954B CN 201711239227 A CN201711239227 A CN 201711239227A CN 107933954 B CN107933954 B CN 107933954B
- Authority
- CN
- China
- Prior art keywords
- oil
- measuring
- calculating unit
- pipeline
- fuel
- Prior art date
- Legal status (The legal status is an assumption and is not a legal conclusion. Google has not performed a legal analysis and makes no representation as to the accuracy of the status listed.)
- Active
Links
- 238000004088 simulation Methods 0.000 title claims abstract description 21
- 238000005259 measurement Methods 0.000 claims abstract description 28
- 238000012360 testing method Methods 0.000 claims abstract description 13
- 238000001514 detection method Methods 0.000 claims abstract description 7
- 238000000034 method Methods 0.000 claims abstract description 7
- 238000005192 partition Methods 0.000 claims abstract description 5
- 239000000446 fuel Substances 0.000 claims description 46
- 230000001105 regulatory effect Effects 0.000 claims description 29
- 239000002828 fuel tank Substances 0.000 claims description 17
- 230000001276 controlling effect Effects 0.000 claims description 11
- 239000011248 coating agent Substances 0.000 claims description 3
- 238000000576 coating method Methods 0.000 claims description 3
- 238000005260 corrosion Methods 0.000 claims description 3
- 238000011156 evaluation Methods 0.000 claims description 3
- 230000008569 process Effects 0.000 abstract description 6
- 230000036544 posture Effects 0.000 abstract description 2
- 239000003921 oil Substances 0.000 description 147
- 239000000295 fuel oil Substances 0.000 description 21
- 238000012546 transfer Methods 0.000 description 3
- 238000011144 upstream manufacturing Methods 0.000 description 3
- 238000004364 calculation method Methods 0.000 description 2
- 238000004891 communication Methods 0.000 description 2
- 238000005516 engineering process Methods 0.000 description 2
- 230000007246 mechanism Effects 0.000 description 2
- 230000004075 alteration Effects 0.000 description 1
- 230000009286 beneficial effect Effects 0.000 description 1
- 238000013461 design Methods 0.000 description 1
- 238000011161 development Methods 0.000 description 1
- 238000010586 diagram Methods 0.000 description 1
- 239000000945 filler Substances 0.000 description 1
- 238000001914 filtration Methods 0.000 description 1
- 239000012535 impurity Substances 0.000 description 1
- 238000012986 modification Methods 0.000 description 1
- 230000004048 modification Effects 0.000 description 1
- 238000011897 real-time detection Methods 0.000 description 1
- 230000004044 response Effects 0.000 description 1
- 238000006467 substitution reaction Methods 0.000 description 1
- 238000012795 verification Methods 0.000 description 1
Images
Classifications
-
- B—PERFORMING OPERATIONS; TRANSPORTING
- B64—AIRCRAFT; AVIATION; COSMONAUTICS
- B64F—GROUND OR AIRCRAFT-CARRIER-DECK INSTALLATIONS SPECIALLY ADAPTED FOR USE IN CONNECTION WITH AIRCRAFT; DESIGNING, MANUFACTURING, ASSEMBLING, CLEANING, MAINTAINING OR REPAIRING AIRCRAFT, NOT OTHERWISE PROVIDED FOR; HANDLING, TRANSPORTING, TESTING OR INSPECTING AIRCRAFT COMPONENTS, NOT OTHERWISE PROVIDED FOR
- B64F5/00—Designing, manufacturing, assembling, cleaning, maintaining or repairing aircraft, not otherwise provided for; Handling, transporting, testing or inspecting aircraft components, not otherwise provided for
- B64F5/60—Testing or inspecting aircraft components or systems
Landscapes
- Engineering & Computer Science (AREA)
- Manufacturing & Machinery (AREA)
- Transportation (AREA)
- Aviation & Aerospace Engineering (AREA)
- Measuring Volume Flow (AREA)
- Pipeline Systems (AREA)
Abstract
The invention discloses an oil tank oil transportation and consumption simulation system, which comprises an oil tank and a measurement and control system for detection, wherein oil in the oil tank is sent into an oil depot for simulation test; the oil tank is internally divided into three independent chambers, namely a first measuring and calculating unit, a second measuring and calculating unit and a third measuring and calculating unit, through a partition plate arranged in the oil tank; the third measuring and calculating unit is communicated with the second measuring and calculating unit through a second oil conveying pipeline; the second measuring and calculating unit is communicated with the first measuring and calculating unit through a first oil pipeline; the first measuring and calculating unit is communicated with the oil depot through an oil consumption pipeline. The invention has simple structure and convenient operation; the oil transportation and consumption processes of each measuring and calculating unit of the airplane oil tank and the oil transportation and consumption conditions of each oil tank in different postures of the airplane can be accurately simulated through a plurality of instruments, the reliability of products and the accuracy of principle tests are improved, and test data are more persuasive.
Description
Technical Field
The invention relates to the field of oil tank detection equipment, in particular to an oil tank oil transportation and consumption simulation system.
Background
The fuel oil measurement subsystem is one of important and critical subsystems in a fuel oil system, and for the fuel oil measurement subsystem, on one hand, the fuel oil measurement subsystem is required to have the self weight as low as possible on the basis of meeting the fuel oil measurement precision; on the other hand, the fuel oil measurement subsystem is required to be capable of stably, accurately and reliably measuring the fuel oil quantity in the airplane and providing a reliable basis for takeoff, ejection and landing arrest of the airplane. Therefore, the reliability and integrity of fuel measurement resolving software, hardware, communication, switching and the like are verified through the principle test of the fuel measurement subsystem, and the architecture scheme, the electromagnetic protection scheme and the calibration-free scheme of the fuel measurement system are determined, so that the fuel measurement system meets the requirements of high precision, high stability and high reliability, and the development risk of the fuel measurement system is reduced. The prior art does not have a device specially used for detecting the fuel oil measurement subsystem of the airplane, and the existing detection method is too complex, so that the detection time is long, and the cost is high.
Disclosure of Invention
Aiming at the problem that no device specially used for detecting an aviation fuel oil measuring system exists in the prior art, the invention provides the fuel tank fuel oil transportation and consumption simulation system which can simulate the real-time detection function of fuel oil transportation and consumption of an airplane and carry out principle verification tests on the fuel oil measuring system.
The invention is realized by the following technical scheme: a fuel tank oil transportation and consumption simulation system comprises a fuel tank and a measurement and control system for detection, wherein oil in the fuel tank is sent to a fuel depot for simulation test; the oil tank is internally divided into three independent chambers, namely a first measuring and calculating unit, a second measuring and calculating unit and a third measuring and calculating unit, through a partition plate arranged in the oil tank; the third measuring and calculating unit is communicated with the second measuring and calculating unit through a second oil conveying pipeline; the second measuring and calculating unit is communicated with the first measuring and calculating unit through a first oil pipeline; the first measuring and calculating unit is communicated with the oil depot through an oil consumption pipeline.
In order to better realize the invention, furthermore, one end of the second oil pipeline is communicated with a third oil suction port arranged on the third measuring and calculating unit, the other end of the second oil pipeline is communicated with a second oil inlet arranged on the second measuring and calculating unit, and a third filter, a third fuel pump, a third flow meter, a third pressure meter and a third regulating valve which are all connected with the measuring and controlling system are sequentially arranged on the second oil pipeline from the third oil suction port to the second oil inlet.
Furthermore, one end of the oil consumption pipeline is connected with a first oil suction port arranged on the first measuring and calculating unit, the other end of the oil consumption pipeline is connected with the oil depot, and a first filter, a first oil fuel pump, a first flow meter, a first pressure meter and a first regulating valve which are all connected with the measuring and controlling system are sequentially arranged on the oil consumption pipeline from the first oil suction port to the oil depot.
Furthermore, one end of the first oil delivery pipeline is communicated with a second oil suction port arranged on the second measuring and calculating unit, the other end of the first oil delivery pipeline is communicated with a first oil inlet arranged on the first measuring and calculating unit, and a second filter, a second fuel pump, a second flowmeter, a second pressure gauge and a second regulating valve which are all connected with the measuring and controlling system are sequentially arranged on the first oil delivery pipeline from the second oil suction port to the first oil inlet.
Furthermore, the second oil pipeline is also provided with a three-way valve at the outlet end of the third regulating valve, one end of the three-way valve is communicated with the second oil inlet, and the other end of the three-way valve is communicated with the first oil inlet.
Furthermore, a three-way pipe is arranged at the outlet end of the third regulating valve of the second oil pipeline, a first electromagnetic valve is arranged at one end of the three-way pipe, and the outlet end of the first electromagnetic valve is communicated with the first oil inlet; the other end of the three-way pipe is provided with a second electromagnetic valve, and the outlet end of the second electromagnetic valve is communicated with a second oil inlet.
Furthermore, the third measuring and calculating unit is also provided with an oil filling port, a vent pipe and an oil quantity measuring sensor.
Furthermore, a temperature sensor is arranged on the oil tank.
Further, the outer surface of the oil tank is provided with an anti-corrosion coating.
According to the invention, the fuel oil of the first measuring and calculating unit is conveyed to the oil depot according to a preset flow rate to be used as an oil consumption simulation system. The upstream of the first oil pipeline is connected with an oil suction port of a third measuring and calculating unit, the downstream of the first oil pipeline is connected with a second measuring and calculating unit and the first measuring and calculating unit, the oil pipeline is sequentially connected with a fuel pump, a flowmeter, a pressure gauge, a regulating valve and electromagnetic valves along the flowing direction of fuel oil, and the fuel oil is controlled to be transmitted from the third measuring and calculating unit to the second measuring and calculating unit or the first measuring and calculating unit by controlling the on-off of the two electromagnetic valves; the upstream of the oil pipeline is connected with an oil suction port of the second measuring and calculating unit, the downstream of the oil pipeline is connected with the first measuring and calculating unit, and the oil pipeline is sequentially connected with a fuel pump, a flowmeter, a pressure gauge and a regulating valve along the flowing direction of fuel oil; the upstream of the oil consumption pipeline is connected with an oil suction port of the first measuring and calculating unit, the downstream of the oil consumption pipeline is connected with an oil filling port of the oil depot, the oil consumption pipeline is sequentially connected with an oil fuel pump, a flowmeter, a pressure gauge and an adjusting valve along the flowing direction of the oil fuel, then test parameters are set as required, and total control and information check are carried out through a measuring and controlling system. The system comprises a PID control module, a flow regulation module and a flow measurement module, wherein the three modules jointly form a closed loop circuit to automatically control the flow in real time. PID control technology has been in the past for over 50 years and is still the most widely used industrial control system. The flow regulation module adopts the most advanced electric execution controller at present, and comprises an intelligent controller and an electric execution mechanism, the intelligent controller uses a special servo circuit, and adopts a high-speed DSP microprocessor control process technology, so that the flow regulation module has the characteristics of small volume, high reliability, high response speed and the like; the controller is controlled by 4-20mA current signals, the intelligent controller compares the received 4-20mA current signals with current position feedback signals of the electric actuating mechanism, and controls the motor to rotate according to the deviation of the two signals, so that the position signals and the control signals of the actuator are balanced, and accurate control is realized. The flow measurement module adopts a turbine flowmeter, the error is less than 0.1%, and the turbine flowmeter is used for measuring real-time flow. That is, the fuel pump, the flow meter, the pressure gauge, the regulating valve and the electromagnetic valve adopted in the invention are all common devices used by technicians in the field, are directly assembled and adapted from mature products purchased in the market, do not adopt special structures and designs, are conventional technical means, and are not detailed herein; and the main measurement and control system is mainly a PID control module.
Compared with the prior art, the invention has the following advantages and beneficial effects:
the oil testing tank, the fuel pump, the flowmeter, the regulating valve, the pressure gauge, the electromagnetic valve and the filter are connected by the measuring and controlling system through the oil conveying pipeline and the oil consumption pipeline, so that the structure is simple and the operation is convenient; the oil transportation and consumption processes of each measuring and calculating unit of the airplane oil tank and the oil transportation and consumption conditions of each oil tank in different postures of the airplane can be accurately simulated through a plurality of instruments, the reliability of products and the accuracy of principle tests are improved, and test data are more persuasive.
Drawings
Other features, objects and advantages of the invention will become more apparent upon reading of the detailed description of non-limiting embodiments with reference to the following drawings:
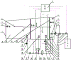
FIG. 1 is a schematic structural diagram of the present invention.
Wherein: 1-a fuel tank, 2-a fuel filler, 3-a vent pipe, 4-a fuel quantity measuring sensor, 5-a measurement and control system, 6-a temperature sensor, 7-a first oil suction port, 8-a first fuel pump, 9-a first flowmeter, 10-a first filter, 11-a first pressure gauge, 12-a first regulating valve, 13-an oil consumption line, 14-an oil depot, 15-a first oil inlet, 16-a second oil suction port, 17-a second filter, 18-a second fuel pump, 19-a second flowmeter, 20-a second pressure gauge, 21-a first oil delivery line, 22-a second regulating valve, 23-a second solenoid valve, 24-a first solenoid valve, 25-a third regulating valve, 26-a third pressure gauge, 27-a third flowmeter, 28-a second oil delivery line, 29-a second oil inlet, 30-a third fuel pump, 31-a third filter, 32-a third oil suction port, 33-a partition 34-a first measuring and calculating unit, 35-second measuring and calculating unit, 36-third measuring and calculating unit.
Detailed Description
Reference will now be made in detail to embodiments of the present invention, examples of which are illustrated in the accompanying drawings, wherein like or similar reference numerals refer to the same or similar elements or elements having the same or similar function throughout. The embodiments described below with reference to the accompanying drawings are illustrative only for the purpose of explaining the present invention, and are not to be construed as limiting the present invention.
In the description of the present invention, it should be noted that, unless otherwise explicitly specified or limited, the terms "mounted," "connected," and "connected" are to be construed broadly, e.g., as meaning either a fixed connection, a removable connection, or an integral connection; can be mechanically or electrically connected; they may be connected directly or indirectly through intervening media, or they may be interconnected between two elements. The specific meanings of the above terms in the present invention can be understood in specific cases to those skilled in the art.
Example 1:
the oil tank oil transportation and consumption simulation system of the embodiment, as shown in fig. 1, comprises an oil tank 1 and a measurement and control system 5 for detection, and performs simulation test by sending oil in the oil tank 1 into an oil depot 14; the oil tank 1 is internally divided into three independent chambers, namely a first measuring and calculating unit 34, a second measuring and calculating unit 35 and a third measuring and calculating unit 36 through a partition plate 33 arranged in the oil tank; wherein the third gauging unit 36 is in communication with the second gauging unit 35 via the second oil conveying pipeline 28; the second measuring and calculating unit 35 is communicated with the first measuring and calculating unit 34 through the first oil conveying pipeline 21; the first evaluation unit 34 communicates with the oil depot 14 via the oil drain line 13.
Example 2:
in this embodiment, it is further defined that one end of the second oil delivery pipeline 28 is communicated with a third oil suction port 32 provided on a third meter unit 36, the other end of the second oil delivery pipeline 28 is communicated with a second oil inlet 29 provided on a second meter unit 35, a third filter 31, a third fuel pump 30, a third flow meter 27, a third pressure gauge 26 and a third regulating valve 25 which are all connected with the measurement and control system 5 are sequentially arranged on the second oil delivery pipeline 28 from the third oil suction port 32 to the second oil inlet 29, one end of the oil consumption pipeline 13 is connected with a first oil suction port 7 provided on the first meter unit 36, the other end of the oil consumption pipeline is connected with the oil depot 14, and a first filter 10, a first fuel pump 8, a first flow meter 9 which are all connected with the measurement and control system 5 are sequentially arranged on the oil consumption pipeline 13 from the first oil suction port 7 to the oil depot 14, A first pressure gauge 11 and a first regulating valve 12; one end of the first oil delivery pipeline 21 is communicated with a second oil suction port 16 arranged on the second measuring and calculating unit 35, the other end of the first oil delivery pipeline 21 is communicated with a first oil inlet 15 arranged on the first measuring and calculating unit 34, and a second filter 17, a second fuel pump 18, a second flowmeter 19, a second pressure gauge 20 and a second regulating valve 22 which are all connected with the measuring and controlling system 5 are sequentially arranged on the first oil delivery pipeline 21 from the second oil suction port 16 to the first oil inlet 15.
Moreover, the second oil pipeline 28 is provided with a three-way pipe at the outlet end of the third regulating valve 25, one end of the three-way pipe is provided with a first electromagnetic valve 23, and the outlet end of the first electromagnetic valve 23 is communicated with the first oil inlet 15; the other end of the three-way pipe is provided with a second electromagnetic valve 24, and the outlet end of the second electromagnetic valve 24 is communicated with a second oil inlet 29.
The principle of the embodiment: the first oil delivery pipeline 21 is connected in series with the second filter 17, the second fuel pump 18, the second flow meter 19, the second pressure gauge 20 and the second regulating valve 22 in sequence from the second oil suction port 29 to the first oil inlet 15 through pipelines, and the fuel is controlled by the measurement and control system 5 to be delivered to the first measurement and calculation unit 34 from the second measurement and calculation unit 35 according to a preset flow rate, so that the oil delivery process of the oil tank is simulated.
The second oil delivery pipeline 28 is formed by sequentially connecting a third filter 31, a third fuel pump 30, a third flow meter 27, a third pressure gauge 26 and a third regulating valve 25 in series from a third oil suction port 32, then connecting a first electromagnetic valve 24 in parallel to the second oil suction port 29 through a pipeline, connecting a second electromagnetic valve 23 to the first oil suction port 15 through a pipeline, and controlling the on-off of the electromagnetic valve by the measurement and control system 5 to control the fuel to be delivered from a third measuring and calculating unit 36 to a No. 2 measuring and calculating unit 35 or a first measuring and calculating unit 34 according to a preset flow. When the first electromagnetic valve 24 is opened and the second electromagnetic valve 23 is closed, the fuel oil is transmitted to the second measuring and calculating unit 35 from the third measuring and calculating unit 36; when the second solenoid valve 23 is opened and the first solenoid valve 24 is closed, the fuel is transferred from the 3# measuring and calculating unit 36 to the first measuring and calculating unit 34, so that the fuel tank delivery process is simulated.
The oil consumption pipeline 13 is connected in series with a first filter 10, a first fuel pump 8, a first flow meter 9, a first pressure gauge 11 and a first regulating valve 12 from a first oil suction port 7 in sequence, is connected to the oil depot 14 through pipelines, and is controlled by the measurement and control system 5 to enable fuel to be transferred from the first measuring and calculating unit 34 to the oil depot 1 according to a preset flow rate, so that the oil consumption process of the oil tank is simulated.
In the test, the oil transportation from the third measuring and calculating unit 36 to the second measuring and calculating unit 35 can be performed according to the following steps:
a) presetting a required analog flow value in the measurement and control system 5;
b) opening the first solenoid valve 24 leading to the second measuring and calculating unit 35 and closing the second solenoid valve 23 leading to the first measuring and calculating unit (otherwise, the first oil delivery pipe and the oil consumption pipe omit this step);
c) opening a third fuel pump 30, a third flow meter 27, a third regulating valve 25 and a third pressure meter 26, sucking the fuel oil of a third measuring and calculating unit 36 into an oil conveying pipeline and conveying the fuel oil to a second measuring and calculating unit 35, and filtering impurities in the fuel oil by a filter outside an oil suction port through the fuel oil;
d) in the measurement and control system 5, the third regulating valve 25 is regulated according to the flow data fed back by the third flow meter 27, so that the fuel flow in the pipeline reaches a preset flow value and is transmitted to the second measuring and calculating unit 35.
e) And after the oil transportation is finished, the third fuel pump 30, the third flow meter 27, the third regulating valve 25, the third pressure gauge 26 and the first electromagnetic valve 24 are closed.
The same principle is that the third measuring and calculating unit 36 transfers oil to the first measuring and calculating unit 34, the second measuring and calculating unit 35 transfers oil to the first measuring and calculating unit 34, and the first measuring and calculating unit 34 transfers oil to the oil depot 14.
Example 3:
in this embodiment, based on the above embodiment, it is further defined that the second oil pipeline 28 is further provided with a three-way valve at the outlet end of the third regulating valve 25, one end of the three-way valve is communicated with the second oil inlet 29, and the other end of the three-way valve is communicated with the first oil inlet 15. The third measuring and calculating unit 36 is also provided with an oil filling port 2, a vent pipe 3 and an oil quantity measuring sensor 4; a temperature sensor 6 is arranged on the oil tank 1; and an anti-corrosion coating is arranged on the outer surface of the oil tank 1. Other parts of this embodiment are the same as those of the above embodiment, and are not described again.
While embodiments of the invention have been shown and described, it will be understood by those of ordinary skill in the art that: various changes, modifications, substitutions and alterations can be made to these embodiments without departing from the principles and spirit of the invention, the scope of which is defined by the claims and their equivalents.
Claims (9)
1. A fuel tank fuel delivery and consumption simulation system comprises a fuel tank (1) and a measurement and control system (5) for detection, wherein oil in the fuel tank (1) is delivered into a fuel depot (14) for simulation test; the method is characterized in that: the oil tank (1) is internally divided into three independent chambers, namely a first measuring and calculating unit (34), a second measuring and calculating unit (35) and a third measuring and calculating unit (36) through a partition plate (33) arranged inside; wherein the third evaluation unit (36) is connected to the second evaluation unit (35) via a second oil line (28); the second measuring and calculating unit (35) is communicated with the first measuring and calculating unit (34) through the first oil conveying pipeline (21); the first measuring and calculating unit (34) is communicated with the oil depot (14) through an oil consumption pipeline (13).
2. The fuel tank fuel delivery and consumption simulation system according to claim 1, wherein: one end of the second oil pipeline (28) is communicated with a third oil suction port (32) arranged on the third measuring and calculating unit (36), the other end of the second oil pipeline (28) is communicated with a second oil inlet (29) arranged on the second measuring and calculating unit (35), and a third filter (31), a third fuel pump (30), a third flow meter (27), a third pressure meter (26) and a third regulating valve (25) which are all connected with the measuring and controlling system (5) are sequentially arranged on the second oil pipeline (28) from the third oil suction port (32) to the second oil inlet (29).
3. A fuel tank fuel delivery and consumption simulation system according to claim 1 or 2, wherein: one end of the oil consumption pipeline (13) is connected with a first oil suction port (7) arranged on the first measuring and calculating unit (34), the other end of the oil consumption pipeline is connected with the oil depot (14), and a first filter (10), a first oil fuel pump (8), a first flowmeter (9), a first pressure gauge (11) and a first regulating valve (12) which are connected with the measuring and controlling system (5) are sequentially arranged on the oil consumption pipeline (13) from the first oil suction port (7) to the oil depot (14).
4. A fuel tank fuel delivery and consumption simulation system according to claim 1 or 2, wherein: one end of the first oil delivery pipeline (21) is communicated with a second oil suction port (16) arranged on the second measuring and calculating unit (35), the other end of the first oil delivery pipeline (21) is communicated with a first oil inlet (15) arranged on the first measuring and calculating unit (34), and a second filter (17), a second fuel pump (18), a second flowmeter (19), a second pressure gauge (20) and a second regulating valve (22) which are all connected with the measuring and controlling system (5) are sequentially arranged on the first oil delivery pipeline (21) from the second oil suction port (16) to the first oil inlet (15).
5. The fuel tank fuel delivery and consumption simulation system according to claim 2, wherein: and the second oil pipeline (28) is also provided with a three-way valve at the outlet end of the third regulating valve (25), one end of the three-way valve is communicated with the second oil inlet (29), and the other end of the three-way valve is communicated with the first oil inlet (15).
6. The fuel tank fuel delivery and consumption simulation system according to claim 2, wherein: a three-way pipe is arranged at the outlet end of the third regulating valve (25) of the second oil pipeline (28), a first electromagnetic valve (23) is arranged at one end of the three-way pipe, and the outlet end of the first electromagnetic valve (23) is communicated with the first oil inlet (15); the other end of the three-way pipe is provided with a second electromagnetic valve (24), and the outlet end of the second electromagnetic valve (24) is communicated with a second oil inlet (29).
7. A fuel tank fuel delivery and consumption simulation system according to claim 1 or 2, wherein: the third measuring and calculating unit (36) is also provided with an oil filling port (2), a vent pipe (3) and an oil quantity measuring sensor (4).
8. A fuel tank fuel delivery and consumption simulation system according to claim 1 or 2, wherein: and a temperature sensor (6) is arranged on the oil tank (1).
9. A fuel tank fuel delivery and consumption simulation system according to claim 1 or 2, wherein: and an anti-corrosion coating is arranged on the outer surface of the oil tank (1).
Priority Applications (1)
| Application Number | Priority Date | Filing Date | Title |
|---|---|---|---|
| CN201711239227.1A CN107933954B (en) | 2017-11-30 | 2017-11-30 | Oil tank oil transportation and consumption simulation system |
Applications Claiming Priority (1)
| Application Number | Priority Date | Filing Date | Title |
|---|---|---|---|
| CN201711239227.1A CN107933954B (en) | 2017-11-30 | 2017-11-30 | Oil tank oil transportation and consumption simulation system |
Publications (2)
| Publication Number | Publication Date |
|---|---|
| CN107933954A CN107933954A (en) | 2018-04-20 |
| CN107933954B true CN107933954B (en) | 2021-09-10 |
Family
ID=61947063
Family Applications (1)
| Application Number | Title | Priority Date | Filing Date |
|---|---|---|---|
| CN201711239227.1A Active CN107933954B (en) | 2017-11-30 | 2017-11-30 | Oil tank oil transportation and consumption simulation system |
Country Status (1)
| Country | Link |
|---|---|
| CN (1) | CN107933954B (en) |
Families Citing this family (2)
| Publication number | Priority date | Publication date | Assignee | Title |
|---|---|---|---|---|
| CN113063597B (en) * | 2021-03-15 | 2022-12-16 | 中国航发沈阳发动机研究所 | System and method for testing attitude characteristic of lubricating oil tank |
| CN117341985A (en) * | 2023-11-13 | 2024-01-05 | 中航贵州飞机有限责任公司 | An auxiliary fuel tank test simulation device for aircraft engine ground testing |
Citations (1)
| Publication number | Priority date | Publication date | Assignee | Title |
|---|---|---|---|---|
| CN204197309U (en) * | 2014-07-06 | 2015-03-11 | 四川泛华航空仪表电器有限公司 | Automation adds detecting device of draining the oil |
Family Cites Families (4)
| Publication number | Priority date | Publication date | Assignee | Title |
|---|---|---|---|---|
| US8671998B2 (en) * | 2007-11-29 | 2014-03-18 | Airbus Operations Gmbh | Apparatus and method for testing an aircraft tank system |
| CN104931266B (en) * | 2015-06-02 | 2018-07-24 | 中航飞机股份有限公司西安飞机分公司 | A kind of airplane engine fuel oil analog control system and adjusting method |
| CN106446325B (en) * | 2016-07-27 | 2020-11-03 | 中国航空工业集团公司西安飞机设计研究所 | A design method of aircraft fuel system |
| CN206590134U (en) * | 2017-03-13 | 2017-10-27 | 中国航空工业集团公司西安飞机设计研究所 | A kind of fuel tanker fuel-flow control system |
-
2017
- 2017-11-30 CN CN201711239227.1A patent/CN107933954B/en active Active
Patent Citations (1)
| Publication number | Priority date | Publication date | Assignee | Title |
|---|---|---|---|---|
| CN204197309U (en) * | 2014-07-06 | 2015-03-11 | 四川泛华航空仪表电器有限公司 | Automation adds detecting device of draining the oil |
Also Published As
| Publication number | Publication date |
|---|---|
| CN107933954A (en) | 2018-04-20 |
Similar Documents
| Publication | Publication Date | Title |
|---|---|---|
| CN208858547U (en) | An air compressor performance test system | |
| CN109708896B (en) | Quantitative filling device and method for attitude control power system | |
| CN107933954B (en) | Oil tank oil transportation and consumption simulation system | |
| CN105510037A (en) | High altitude test system and method for aircraft engine oil system | |
| CN107421728A (en) | A kind of safety valve and quick action emergency valve comprehensive calibration device and its method of calibration | |
| CN103954431A (en) | Flow resistance measurement test system | |
| CN113358334B (en) | A pump performance testing system and a pump performance testing method | |
| CN103542258B (en) | High-precision liquid Propellant Loading System combined basis weight device | |
| CN104931266B (en) | A kind of airplane engine fuel oil analog control system and adjusting method | |
| CN206479237U (en) | A kind of water meter self-checking device | |
| CN110736526B (en) | High-temperature gas flowmeter calibration device and method for liquid oxygen kerosene engine | |
| CN118439186A (en) | Full-size ground test device for fuel system of aircraft with flying wing layout | |
| CN107091142A (en) | For the adaptive circuit for the input pressure value for controlling after-treatment system | |
| CN117929249A (en) | Test system and test method suitable for internal corrosion test | |
| CN105547670B (en) | A kind of balanced valve incoming test device | |
| CN102926876B (en) | Three-channel combustion gas turbine liquid fuel metering method and device thereof | |
| CN109261079B (en) | Dosing system and dosing method | |
| CN207709016U (en) | One kind being used for biological agent reaction kettle high-precision automatic flow control device | |
| CN205317310U (en) | Full -automatic unmanned on duty serial -type water gauge calibration equipment | |
| CN205740325U (en) | A kind of portable quantitatively barrelling equipment | |
| CN113049253B (en) | Nozzle simulation device and fuel system experiment platform | |
| CN109827718B (en) | Verification device and verification method for pressure-holding leak detection scheme of spacecraft docking channel | |
| CN220366967U (en) | Fuel cell air tightness test system | |
| CN216924027U (en) | Valve and water pump performance test contrast device | |
| CN106090395B (en) | A kind of test fuel charger pressure flow control device |
Legal Events
| Date | Code | Title | Description |
|---|---|---|---|
| PB01 | Publication | ||
| PB01 | Publication | ||
| SE01 | Entry into force of request for substantive examination | ||
| SE01 | Entry into force of request for substantive examination | ||
| GR01 | Patent grant | ||
| GR01 | Patent grant |