WO2014144591A2 - Systems, tools and methods for high power laser surface decommissioning and downhole welding - Google Patents
Systems, tools and methods for high power laser surface decommissioning and downhole welding Download PDFInfo
- Publication number
- WO2014144591A2 WO2014144591A2 PCT/US2014/029067 US2014029067W WO2014144591A2 WO 2014144591 A2 WO2014144591 A2 WO 2014144591A2 US 2014029067 W US2014029067 W US 2014029067W WO 2014144591 A2 WO2014144591 A2 WO 2014144591A2
- Authority
- WO
- WIPO (PCT)
- Prior art keywords
- tool
- laser
- assembly
- laser beam
- spar
- Prior art date
- Legal status (The legal status is an assumption and is not a legal conclusion. Google has not performed a legal analysis and makes no representation as to the accuracy of the status listed.)
- Ceased
Links
Classifications
-
- B—PERFORMING OPERATIONS; TRANSPORTING
- B23—MACHINE TOOLS; METAL-WORKING NOT OTHERWISE PROVIDED FOR
- B23K—SOLDERING OR UNSOLDERING; WELDING; CLADDING OR PLATING BY SOLDERING OR WELDING; CUTTING BY APPLYING HEAT LOCALLY, e.g. FLAME CUTTING; WORKING BY LASER BEAM
- B23K26/00—Working by laser beam, e.g. welding, cutting or boring
- B23K26/20—Bonding
- B23K26/21—Bonding by welding
- B23K26/24—Seam welding
-
- B—PERFORMING OPERATIONS; TRANSPORTING
- B23—MACHINE TOOLS; METAL-WORKING NOT OTHERWISE PROVIDED FOR
- B23K—SOLDERING OR UNSOLDERING; WELDING; CLADDING OR PLATING BY SOLDERING OR WELDING; CUTTING BY APPLYING HEAT LOCALLY, e.g. FLAME CUTTING; WORKING BY LASER BEAM
- B23K26/00—Working by laser beam, e.g. welding, cutting or boring
- B23K26/08—Devices involving relative movement between laser beam and workpiece
- B23K26/10—Devices involving relative movement between laser beam and workpiece using a fixed support, i.e. involving moving the laser beam
- B23K26/103—Devices involving relative movement between laser beam and workpiece using a fixed support, i.e. involving moving the laser beam the laser beam rotating around the fixed workpiece
- B23K26/106—Devices involving relative movement between laser beam and workpiece using a fixed support, i.e. involving moving the laser beam the laser beam rotating around the fixed workpiece inside the workpiece
Definitions
- the present inventions relate to methods, apparatus and systems for the delivery of high power laser beams to cut and remove structures in the earth, and in particular, for surface decommissioning activities for hydrocarbon wells, among other things.
- the present inventions also relate to the laser welding of surfaces and materials, and in particular such surfaces and materials that are located in remote, hazardous, optically occluded and difficult to access locations, such as: oil wells, boreholes in the earth, pipelines, underground mines, natural gas wells, geothermal wells, subsea structures, or nuclear reactors.
- the present methods, systems and apparatus further provide for the utilization of high power laser beams at the delivered location for activities, such as, monitoring, welding, cladding, annealing, heating, cleaning and cutting.
- high power laser energy means a laser beam having at least about 1 kW (kilowatt) of power.
- greater distances means at least about 500 m (meter).
- substantially loss of power means a loss of power of more than about 3.0 dB/km (decibel/kilometer) for a selected wavelength.
- substantially power transmission means at least about 50% transmittance.
- optical connector As used herein, unless specified otherwise, "optical connector”, “fiber optics connector”, “connector” and similar terms should be given their broadest possible meaning and include any component from which a laser beam is or can be propagated, any component into which a laser beam can be propagated, and any component that propagates, receives or both a laser beam in relation to, e.g., free space, (which would include a vacuum, a gas, a liquid, a foam and other non-optical component materials), an optical component, a wave guide, a fiber, and combinations of the forgoing.
- free space which would include a vacuum, a gas, a liquid, a foam and other non-optical component materials
- Pipeline should be given its broadest possible meaning, and includes any structure that contains a channel having a length that is many orders of magnitude greater than its cross-sectional area and which is for, or capable of, transporting a material along at least a portion of the length of the channel.
- Pipelines may be many miles long and may be many hundreds of miles long.
- Pipelines may be located below the earth, above the earth, under water, within a structure, or combinations of these and other locations.
- Pipelines may be made from metal, steel, plastics, ceramics, composite materials, or other materials and compositions known to the pipeline arts and may have external and internal coatings, known to the pipeline arts.
- pipelines may have internal diameters that range from about 2 to about 60 inches although larger and smaller diameters may be utilized.
- natural gas pipelines may have internal diameters ranging from about 2 to 60 inches and oil pipelines have internal diameters ranging from about 4 to 48 inches.
- Pipelines may be used to transmit numerous types of materials, in the form of a liquid, gas, fluidized solid, slurry or combinations thereof.
- pipelines may carry hydrocarbons; chemicals; oil; petroleum products; gasoline; ethanol; biofuels; water; drinking water; irrigation water; cooling water; water for hydroelectric power generation; water, or other fluids for geothermal power generation; natural gas; paints; slurries, such as mineral slurries, coal slurries, pulp slurries; and ore slurries; gases, such as nitrogen and hydrogen; cosmetics; pharmaceuticals; and food products, such as beer.
- slurries such as mineral slurries, coal slurries, pulp slurries; and ore slurries
- gases such as nitrogen and hydrogen
- cosmetics such as pharmaceuticals
- food products such as beer.
- earth should be given its broadest possible meaning, and includes, the ground, all natural materials, such as rocks, and artificial materials, such as concrete, that are or may be found in the ground, including without limitation rock layer formations, such as, granite, basalt, sandstone, dolomite, sand, salt, limestone, rhyolite, quartzite and shale rock.
- rock layer formations such as, granite, basalt, sandstone, dolomite, sand, salt, limestone, rhyolite, quartzite and shale rock.
- borehole should be given it broadest possible meaning and includes any opening that is created in a material, a work piece, a surface, the earth, a structure (e.g., building, protected military installation, nuclear plant, offshore platform, or ship), or in a structure in the ground, (e.g., foundation, roadway, airstrip, cave or subterranean structure) that is substantially longer than it is wide, such as a well, a well bore, a well hole, a micro hole, slimhole and other terms commonly used or known in the arts to define these types of narrow long passages.
- Wells would further include exploratory, production, abandoned, reentered, reworked, and injection wells.
- boreholes are generally oriented substantially vertically, they may also be oriented on an angle from vertical, to and including horizontal.
- a borehole can have orientations ranging from 0° i.e., vertical, to 90°, i.e., horizontal and greater than 90° e.g., such as a heel and toe, and combinations of these such as for example "U" and "Y" shapes.
- Boreholes may further have segments or sections that have different orientations, they may have straight sections and arcuate sections and combinations thereof; and for example may be of the shapes commonly found when directional drilling is employed.
- the bottom of a borehole refers to the end of the borehole, i.e., that portion of the borehole furthest along the path of the borehole from the borehole's opening, the surface of the earth, or the borehole's beginning.
- the terms “side” and “wall” of a borehole should to be given their broadest possible meaning and include the longitudinal surfaces of the borehole, whether or not casing or a liner is present, as such, these terms would include the sides of an open borehole or the sides of the casing that has been positioned within a borehole.
- Boreholes may be made up of a single passage, multiple passages, connected passages and
- Boreholes may be formed in the sea floor, under bodies of water, on land, in ice formations, or in other locations and settings.
- the term "advancing" a borehole should be given its broadest possible meaning and includes increasing the length of the borehole. Thus, by advancing a borehole, provided the orientation is less than 90° the depth of the borehole may also increased.
- the true vertical depth (“TVD”) of a borehole is the distance from the top or surface of the borehole to the depth at which the bottom of the borehole is located, measured along a straight vertical line.
- the measured depth (“MD”) of a borehole is the distance as measured along the actual path of the borehole from the top or surface to the bottom.
- the term depth of a borehole will refer to MD.
- a point of reference may be used for the top of the borehole, such as the rotary table, drill floor, well head or initial opening or surface of the structure in which the borehole is placed.
- ream As used herein the terms “ream”, “reaming”, a borehole, or similar such terms, should be given their broadest possible meaning and includes any activity performed on the sides of a borehole, such as, e.g., smoothing, increasing the diameter of the borehole, removing materials from the sides of the borehole, such as e.g., waxes or filter cakes, and under-reaming.
- bits used in the oil, gas and geothermal arts, such as fixed cutter and roller cone bits, as well as, other types of bits, such as, rotary shoe, drag-type, fishtail, adamantine, single and multi-toothed, cone, reaming cone, reaming, self- cleaning, disc, three cone, rolling cutter, crossroller, jet, core, impreg and hammer bits, and combinations and variations of the these.
- the term “drill pipe” is to be given its broadest possible meaning and includes all forms of pipe used for drilling activities; and refers to a single section or piece of pipe.
- the terms “stand of drill pipe,” “drill pipe stand,” “stand of pipe,” “stand” and similar type terms should be given their broadest possible meaning and include two, three or four sections of drill pipe that have been connected, e.g., joined together, typically by joints having threaded connections.
- the terms “drill string,” “string,” “string of drill pipe,” string of pipe” and similar type terms should be given their broadest definition and would include a stand or stands joined together for the purpose of being employed in a borehole. Thus, a drill string could include many stands and many hundreds of sections of drill pipe.
- tubular is to be given its broadest possible meaning and includes drill pipe, casing, riser, coiled tube, composite tube, vacuum insulated tubing ("VIT), production tubing and any similar structures having at least one channel therein that are, or could be used, in the drilling industry.
- joint is to be given its broadest possible meaning and includes all types of devices, systems, methods, structures and components used to connect tubulars together, such as for example, threaded pipe joints and bolted flanges.
- the joint section typically has a thicker wall than the rest of the drill pipe.
- the thickness of the wall of tubular is the thickness of the material between the internal diameter of the tubular and the external diameter of the tubular.
- BOP blowout preventer
- BOP stack should be given their broadest possible meaning, and include: (i) devices positioned at or near the borehole surface, e.g., the surface of the earth including dry land or the seafloor, which are used to contain or manage pressures or flows associated with a borehole; (ii) devices for containing or managing pressures or flows in a borehole that are associated with a subsea riser or a connector; (iii) devices having any number and combination of gates, valves or elastomeric packers for controlling or managing borehole pressures or flows; (iv) a subsea BOP stack, which stack could contain, for example, ram shears, pipe rams, blind rams and annular preventers; and, (v) other such similar combinations and assemblies of flow and pressure
- management devices to control borehole pressures, flows or both and, in particular, to control or manage emergency flow or pressure situations.
- offshore and “offshore drilling activities” and similar such terms are used in their broadest sense and would include drilling activities on, or in, any body of water, whether fresh or salt water, whether manmade or naturally occurring, such as for example rivers, lakes, canals, inland seas, oceans, seas, bays and gulfs, such as the Gulf of Mexico.
- offshore drilling rig is to be given its broadest possible meaning and would include fixed towers, tenders, platforms, barges, jack-ups, floating platforms, drill ships, dynamically positioned drill ships, semi-submersibles and dynamically positioned semi- submersibles.
- the term "seafloor” is to be given its broadest possible meaning and would include any surface of the earth that lies under, or is at the bottom of, any body of water, whether fresh or salt water, whether manmade or naturally occurring.
- the terms “decommissioning,” “plugging” and “abandoning” and similar such terms should be given their broadest possible meanings and would include activities relating to the cutting and removal of casing and other tubulars from a well (above the surface of the earth, below the surface of the earth and both), modification or removal of structures, apparatus, and equipment from a site to return the site to a prescribed condition, the modification or removal of structures, apparatus, and equipment that would render such items in a prescribe inoperable condition, the modification or removal of structures, apparatus, and equipment to meet environmental, regulatory, or safety considerations present at the end of such items useful, economical or intended life cycle.
- Such activities would include for example the removal of onshore, e.g., land based, structures above the earth, below the earth and combinations of these, such as e.g., the removal of tubulars from within a well in preparation for plugging.
- the land based tubulars would include for example, conductors and casing.
- workover and completion and similar such terms should be given their broadest possible meanings and would include activities that place at or near the completion of drilling a well, activities that take place at or the near the commencement of production from the well, activities that take place on the well when the well is producing or operating well, activities that take place to reopen or reenter an abandoned or plugged well or branch of a well, and would also include for example, perforating, cementing, acidizing, fracturing, pressure testing, the removal of well debris, removal of plugs, insertion or replacement of production tubing, forming windows in casing to drill or complete lateral or branch wellbores, cutting and milling operations in general, insertion of screens, stimulating, cleaning, testing, analyzing and other such activities.
- These terms would further include applying heat, directed energy, preferably in the form of a high power laser beam to heat, melt, soften, activate, vaporize, disengage, desiccate and combinations and variations of these, materials in a well, or other structure, to remove, assist in their removal, cleanout, condition and
- methodologies may general be categorized as: complex saws, such as diamond saws; reciprocating saws; large mechanical cutters or shears; oxygen-arc or torch cutters; abrasive water jets; and explosives.
- complex saws such as diamond saws; reciprocating saws; large mechanical cutters or shears; oxygen-arc or torch cutters; abrasive water jets; and explosives.
- all of these methodologies require the excavation of a large hole around the structure to be removed so that personnel and equipment can be lowered to the depth where the cut is to be made in the structure, so that the portion of the structure above the cut can then be removed.
- these prior methodologies typically require that the tubular be filled with cement before it is cut.
- a high power laser tool having: a first assembly, and a second assembly; a spar having a length, the spar
- the second assembly having a housing, the housing having an optics assembly and a laser beam exit port; the optics assembly having a lens and a beam path angle changing optical member, whereby the optics assembly provides for a laser beam path through the lens, making about a right angle bend at the beam path angle changing optical member, and exiting the housing through the laser beam exit port; and, a laser beam isolation means, wherein the tool as deployed has equal to or lower than a Class I accessible emission limit.
- the tools, systems and methods may include one or more of the following features: wherein the accessible emission limit is equal to or less than about 2.0 x 10 "3 k 1 k 2 Wcm "2 sr "1 radiance; wherein the laser beam isolation means has a conical shield optically sealing the first assembly against the tubular when deployed; wherein the laser beam isolation means has a conical shield optically sealing the first assembly against the tubular when deployed; wherein the laser beam isolation means has a hood; wherein the laser beam isolation means has a hood; wherein the laser beam isolation means has a hood and a laser energy suppression device; wherein the laser beam isolation means has a hood and a laser energy suppression device; wherein the laser beam isolation means has a hood and a laser monitor; wherein the tool as deployed during normal operation has an accessible emission limit of 2.0 x 10 "3 k 1 k 2 Wcm "2 sr "1 radiance or less and wherein the engagement device has a wedge;
- the tools, systems and methods may include one or more of the following features: wherein the means for rotating the spar has a device selected from the group consisting of an electric motor, a DC electric motor, a pneumatic motor, a step motor, a gear box, a torsional device and a transmission; wherein the means for rotating the spar has a device selected from the group consisting of an electric motor, a hand crank, a gearbox, a transmission and a belt drive, and wherein the engagement device has a centering device; wherein the means for rotating the spar has a device selected from the group consisting of an electric motor, a hand crank, a gearbox, a transmission and a belt drive, and wherein the first assembly has an optical slip ring and wherein the high power optical fiber is in optical
- the means for rotating the spar has a device selected from the group consisting of an electric motor, a DC electric motor, a pneumatic motor, a step motor, a gear box, a torsional device and a transmission, and wherein the spar is at least about 5 feet long.
- a high power laser tool for deployment in a tubular to be cut, the tool having: a first assembly, and a second assembly; a spar having a length and mechanically and rotationally associating the second assembly and the first assembly, thereby defining a distance between the second assembly and the first assembly; and, whereby the second assembly is rotatable with respect to the first assembly; the second assembly having a housing, the housing having an optics assembly in optical communication with a high power optical fiber and a laser beam exit port, wherein the optics assembly defines a laser beam path exiting the housing through the laser beam exit port; and, the first assembly having a means for rotating the spar and an engagement device, wherein upon deployment of the tool the first assembly is capable engaging the tubular and rotating the spar and the second assembly to cut the tubular with a laser beam at a predetermined depth.
- the tools, systems and methods may include one or more of the following features: wherein the engagement device has a wedge; wherein the engagement device has a centering device; wherein the first assembly has an optical slip ring; wherein the high power optical fiber extends through the first assembly and is located within the spar; wherein the first assembly has an optical slip ring and wherein the high power optical fiber is in optical communication with the optical slip ring; wherein the first assembly has an optical slip ring and wherein the high power optical fiber is in optical communication with the optical slip ring and wherein the high power optical fiber is located within the spar; wherein the spar is at least about 5 feet long; wherein the spar is at least about 15 feet long; wherein the spar is at least about 20 feet long; where in the spar is at least about 40 feet long; wherein the spar is at least about 50 feet long; wherein the engagement device has a centering device and wherein the spar is at least about 10 feet long; wherein the first assembly has an optical slip ring and wherein the spar is
- a high power laser tool having: a first assembly, and a second assembly; a spar having a length, the spar mechanically and rotationally associating the second assembly and the first assembly; the second assembly having a housing, the housing having an optics assembly and a laser beam exit port; the optics assembly having a lens and a beam path angle changing optical member, whereby the optics assembly provides for a laser beam path through the lens, making a bend at the beam path angle changing optical member, and exiting the housing through the laser beam exit port; and, the high power optical fiber located within the spar.
- the tools, systems and methods may include one or more of the following features: having a laser beam isolation means, wherein the tool has equal to or lower than a Class I accessible emission limit; wherein the accessible emission limit is equal to or less than about 2.0 x 10 "3 k 1 k 2 Wcm "2 sr "1 radiance; wherein the tool as deployed has equal to or lower than a Class I accessible emission limit; and wherein the first assembly has an optical slip ring; wherein the accessible emission limit is equal to or less than about 2.0 x 10 "3 k 1 k 2 Wcm "2 sr "1 radiance; and having a means for rotating the spar attached to the first assembly and a laser beam isolation means, wherein the tool as deployed has equal to or lower than a
- Class I accessible emission limit and wherein the first assembly has an optical slip ring;
- a high power laser tool having: a first assembly, and a second assembly; a spar having a length, the spar mechanically and rotationally associating the second assembly and the first assembly; the second assembly having a housing, the housing having an optics assembly and a laser beam exit port; the optics assembly having a lens and a beam path angle changing optical member, whereby the optics assembly provides for a laser beam path through the lens, making a bend at the beam path angle changing optical member, and exiting the housing through the laser beam exit port; and, a laser beam isolation means, wherein the tool has equal to or lower than a Class I accessible emission limit.
- the tools, systems and methods may include one or more of the following features: wherein the accessible emission limit is equal to or less than about 2.0 x 10 "3 k 1 k 2 Wcm "2 sr "1 radiance; wherein the laser beam isolation means has a conical shield optically sealing the first assembly against the tubular when deployed; wherein the laser beam isolation means has a hood; wherein the laser beam isolation means has a hood and a laser energy suppression device; wherein the laser beam isolation means has a hood and a laser monitor; wherein the laser beam isolation means has a hood and a sensor; wherein the laser beam isolation means has a hood and an interlock.
- a high power laser system having a high power laser tool for deployment in a structure to be cut, the system having: a high power laser field unit having a high power laser and a laser umbilical, the laser umbilical having a high power laser optical fiber, the high power laser optical fiber having a distal end, a proximal end, and defining a length there between, the proximal end of the optical fiber in optical
- the distal end of the optical fiber in optical communication with a high power laser tool;
- the high power laser tool having: an upper section, and a lower section; a spar having a length, the spar mechanically and rotationally associating the upper section and the lower section, whereby the lower section is rotatable with respect to the upper section;
- the lower section in optical association with the optical fiber, the lower section having a housing, the housing having a laser beam exit port and a laser beam path, wherein the laser beam path exits the housing through the laser beam exit port; and, a means to provide optical shielding, wherein the tool has equal to or lower than a Class I accessible emission limit.
- a Class I high power laser tool for surface and near surface deployment in a tubular to be cut, the tool having: a first assembly, and a second assembly; a spar having a length, the spar mechanically associating the second assembly and the first assembly, whereby the second assembly is located about the length of the spar from the first assembly; the second assembly having a housing, the housing having an optics assembly in optical communication with a high power optical fiber and a laser beam exit port, wherein the optics assembly defines a laser beam path exiting the housing through the laser beam exit port; and, the first assembly having a means for shielding the laser beam path, whereby the tool has equal to or lower than a Class I accessible emission limit.
- decommissioning tool for performing a laser decommissioning operation on a structure, the tool having: an upper section, having a base plate; a middle section, having a spar having a length of at least about 5 feet; and a lower section, having a laser cutter; whereby the middle section connects the upper and lower sections; a rotational assembly, having a motor and a transfer assembly; the rotational assembly mounted on the base plate and rotationally associated with the spar, whereby the rotational assembly is capable of rotating the spar; and, an engagement and locking device, whereby when the tool is deployed the the tool is held in place during laser operations.
- the tools, systems and methods may include one or more of the following features: wherein the engagement and locking device has a wedge; wherein the engagement and locking device has a plurality of wedges; wherein the engagement and locking device is attached to the base plate; wherein the beam path angle changing optical member, has a mirror; and wherein the beam path angle changing optical member, has a TIR prism; wherein the beam of the beam path is about 90 degrees;.
- a method of removing a structure located in the earth including: positioning a laser decommission systems in the area of a structure to removed from the ground, the laser decommissioning system having a high power laser and a laser decommissioning tool; the structure at least partially located in the earth, having an exterior surface, and extending down under a surface of the earth for at least 50 feet; the structure having an opening at or near the surface of the earth; placing the laser decommissioning tool in optical association with the structure, whereby a laser beam path from the laser beam tool is located at a depth below the surface of the earth; delivering the laser beam along the laser beam path to the structure in a laser beam pattern, wherein the accessible emission limit is equal to or lower than a Class I, and whereby the structure is cut; and, removing the structure above the cut from the earth.
- the tools, systems and methods may include one or more of the following features: wherein the laser beam is at least about 5 kW; wherein the laser beam is at least about 1 5 kW; wherein the structure is a tubular and the area is a hydrocarbon well site to be decommissioned; wherein the structure is a conductor and the area is a hydrocarbon well site to be decommissioned; wherein the structure is a multistring conductor and the area is a hydrocarbon well site to be decommissioned; wherein the decommissioning tool is at least partially within the structure and the laser cut is an inside to outside cut; wherein the earth remains adjacent to the outer surface of the structure while the structure is in the earth; wherein the earth is removed from the exterior of the structure to at or below the depth, thereby creating a space, defining a distance, between the earth and the exterior of the structure; wherein the distance is less than about 10 feet; wherein the distance is less than about 5 feet; and wherein the distance is less than about 1 foot.
- a method of performing down hole high power laser welding operations on a target structure within a borehole in the earth including: optically associating a high power laser tool with a source of a high power laser beam, whereby the laser tool can deliver a high power laser beam along a beam path; operationally associating the laser tool with a target structure in a borehole in the earth; whereby the laser beam path is through a free space partially defined by a distance between the laser beam tool to the target structure; providing a controlled and predetermined
- the tools, systems and methods may include one or more of the following features: wherein the target structure is a patch covering a damaged section of a tubular; wherein the target structure is a casing junction in a multi-junction well configuration; and wherein the laser welding operation is selected from the group consisting autogenous welding, laser-hybrid welding, keyhole welding, lap welding, filet welding, butt welding and non-autogenous welding.
- FIG. 1 is a perspective view of an embodiment of a laser unit, in accordance with the present inventions.
- FIG. 2A is a perspective view of an embodiment of a tubular near the surface of the earth in accordance with the present inventions.
- FIG. 2B is a perspective view of the embodiment of FIG. 2A after the tubular has been removed in accordance with the present inventions.
- FIG. 2C is a perspective view of the embodiment of FIG. 2B after the tubular has had a cover plate added in accordance with the present inventions.
- FIG. 3 is a perspective view of an embodiment of a laser unit in accordance with the present inventions.
- FIG. 4A is a cross sectional view of a damaged down hole section of a well.
- FIG. 4B is a cross sectional view of the damaged section of
- FIG. 4A showing an embodiment of a laser weld and repair in accordance with the present inventions.
- FIG. 5 is a cross sectional view of an embodiment of a laser reinforced multilateral junction borehole configuration in accordance with the present inventions.
- FIG. 6 is a cross sectional view of an embodiment of a well site in accordance with the present inventions.
- FIG. 6A is cross sectional view of an embodiment of a laser decommissioning tool in accordance with the present inventions.
- FIG. 6B is a cross sectional view of an embodiment of a laser decommissioning tool in accordance with the present inventions.
- FIGS. 7A to 7E are views of embodiments of laser cuts in accordance with the present inventions.
- FIG. 8A is a perspective view of an embodiment of a laser tool in accordance with the present inventions.
- FIG. 8 is a cross sectional perspective view of the lower portion of the embodiment of FIG. 8.
- FIG. 9 is a perspective view of an embodiment of a laser tool in accordance with the present inventions.
- FIG. 9A is a perspective and cross sectional view of an embodiment of a laser tool in accordance with the present inventions.
- FIG. 9B is a cross section view of the tool of FIG. 9A as deployed in accordance with the present inventions.
- FIG. 10 is a perspective view of an embodiment of a laser tool in accordance with the present inventions.
- the present inventions relate to systems, methods and tools for applying laser beams and laser energy for the cutting and removal of surface structures, and structures located in the earth but nearer to the surface, and for the welding and repairing materials, structures and objects.
- the present inventions thus relate to many aspects of systems, methods and tools for the delivery and use of high power laser energy in surface, near surface and within a tubular, for cutting, removing, annealing, welding, patching and repairing operations.
- Embodiments of the present inventions include methods, systems and tools for performing surface, near surface and shallow
- an embodiment of such a system has a high power laser that may include related field support and control equipment, such as disclosed and taught in US Patent Application Publication No. 2012/0068086, the entire disclosure of which is incorporated herein by reference.
- the system has a laser delivery tool assembly that has an optics assembly for shaping and directing the laser beam and a rotation means or assembly for rotating or revolving some or all of the optics assembly so that a complete cut of the target structure can be made.
- the tool should have appropriate laser shielding, and preferably sufficient shielding so that laser protective glasses are not required.
- the system also has an umbilical that includes a high power optical fiber for transmitting the laser beam from the laser to the tool.
- the fiber may extend to the tool, or extend into the tool to the optics assembly, or may use connectors, couplers, etc.
- the laser beam travels along a laser beam path that typically, and in general, extends from the high power laser into the optical fiber to the optics assembly, where the laser beam is launched through free space to the intended target, e.g., the structure to be removed from at or near the surface of the earth.
- the system also may typically have a laser support fluid, which can be used to provide a jet stream into which the laser beam is launched into free space, to cool the optical assembly, or other components along the laser beam path, and combinations and variations of these and other operations.
- the laser tool can be lowered into the tubular, a housing can be placed over the top of the tubular exposed to the surface (or, if there is only an open borehole, at the surface of that opening) to protect from having any laser energy escape from the borehole during cutting, to monitor for the presence of any explosive gases, and also more preferably to protect from, and in general control any waste material that exits the borehole during cutting, as well as, to protect against any accidental explosion from for example natural gas being present.
- the laser cuts may be inside out, outside in and
- the laser cuts can be circular and transverse to the longitudinal axis of the tubular, in which manner they will section the tubular.
- the cuts are complete cuts, and more preferably can be complete in a single pass of the laser.
- multiple passes are contemplated and in some instances may be preferable.
- a stitched type of cut, with uncut and cut areas, although not presently preferable, may in some instance be benefited.
- FIG. 1 there is provided a perspective view of a laser decommissioning unit 100.
- the unit is a truck 1 1 0 based and has an outer covering, housing or box 1 1 1 , (which in the drawing is show as transparent) that contains the laser system 102, which can include among other things the high power laser, a chiller, a generator, a control room or panel.
- the umbilical 1 13 may be a high power optical fiber, a high power optical fiber conveyance structure, a combination of a high power optical fiber and conveyance lines or channels for fluids, data and control information.
- a high power optical fiber 1 14 connects the spool 1 12 with the high power laser.
- a lifting and positioning arm assembly 101 has the capability to raise, position and deploy the laser tool (not shown) into a well head 103 and down to a depth that is at least about 5 feet below the surface of the earth, at least about 10 feet below the surface of the earth, at least about 20 feet below the surface of the earth, and at least about 50 feet below the surface of the earth, or deeper.
- the system also has a pulling device 125 that is attached to the top of the well head 1 03. In this manner upon completion of the laser cut of the tubular below the well head, the entire cut assembly can be pulled from the ground with the arm assembly 1 01 .
- the laser tool being protected within the tubular as it is removed from the ground. In this manner the deployment, cutting and removal of the tubular can be done in essentially one continuous operations.
- the term "about” would include ranges of plus or minus 10%.
- the pulling device 125 may be separate from or integral with the laser tool. It may also have shielding to protect against the release of laser energy, waste or other materials from the borehole.
- FIG. 2A there is shown a tubular 207, e.g., a conductor, for an abandoned oil well at well site 200.
- the tubular 207 has a face or upper end 208, an outer surface 206 and an inner surface 209.
- a hole 203 has been excavated below the surface 202 of the earth and into the earth 201 .
- the lateral or radial distance from the outer surface 206 of the tubular 207 to the inner surface or wall 213 of the hole 203, is shown by double arrow 205.
- the diameter of the hole 203 at the surface 202 is shown by double arrow 204.
- the diameter 204 and the radial distance 205 can be significantly smaller than what is required with a conventional, e.g., mechanical cutting decommissioning operation. These distances need only be large enough for the laser tool to be lower down around the the tubular to the intended location, e.g., depth where the laser cut is to be made and the tubular severed and pulled.
- the diameter of the hole may be less than about 10 feet, less than about 5 feet and less than about 2 feet.
- the radial distance may be less than about 5 feet, less than about 2 1 ⁇ 2 feet and less than about 1 foot.
- the diameter 204 and the radial distance 205 can be significantly smaller than what is required with a conventional decommissioning operation, and preferably can both be zero.
- earth does not have to be removed around the tubular to make room for lowering the laser tool, as the laser tool is lowered inside of the tubular.
- a small hole e.g., only a inch or so, larger than the outer diameter of the tubular may be needed, to reduce the amount of force required to pull the severed tubular from the earth.
- the obstruction can be removed by directing the laser beam on that obstruction or by mechanical removal means, and combinations and variations of these.
- FIG. 2B the tubular 207 has been cut with a circular laser beam delivery pattern, in area 210, the severed section of the tubular has been pulled from the hole 203 and removed from the well site 200.
- the portion of the tubular remaining below the cut area 210 has a laser cut end or upper face 208a.
- a cover 21 1 is attached to the tubular 206.
- the cover 21 1 has a weld 212 fixing the cover the to tubular.
- the weld 212 may consist of one, two, three, four or more tack welds. This may be all that is required, for example if the cover's primary purpose is the
- the weld 212 may be a complete weld around the entirety of the tubular. Other methods of affixing the cover may be utilized, or may be required by rules or regulations. In other situations, a cover may not be need or otherwise utilized.
- FIG. 3 there is shown an embodiment of an outside to inside cutting tool 306, attached to a laser field decommissioning unit 300.
- the unit 300 has a laser umbilical 301 that extends in association with the unit to the laser tool 306.
- the unit 300 has a lifting arm 302 that has an articulated and extendable section 307, which can be used for pulling the severed tubular, or other purposes.
- the unit 302 has a lifting assembly 302, a first rotation or articulation joint 303, and extendable arm 304, and a second rotation or articulation joint 305. In this manner the laser tool can be extend to and positioned at any location and angle with respect to the tubular to be cut.
- the laser cutting tool 306 has a first housing 306a and a second housing 306b. These housing contain the laser cutting heads. In operation the housings 306a, 306b are closed around the tubular to be cut. Preferably the housings 306a, 306b form a barrier to the laser energy, when closed, and may also capture any debris from the laser cutting operation. Once positioned against the outside surface of the tubular the laser cutting heads (not shown in the figure) are operated, directing the laser beams (preferably each housing contains a laser cutting head) around the tubular, severing it. During the cutting operation the arm assembly 302-307 may be holding the tubular so that once severed it does not move, slip and potentially damage the laser cutters or housings. It is understood, although not shown in FIG. 3, that high power laser fibers extend into the housings 306a, 306b and provide optical connections, associations from the high power lasers to the laser cutting tools.
- a laser beam support fluid or laser fluid.
- These fluids can be, for example, liquids or gases, for example D 2 O, water, saline, kerosene, nitrogen, air, oxygen, or argon. They can be used to fill the area where the laser operation is being performed or they may be part of a single or compound laser jet, or may be part of a separate jet.
- the choice, or selection of the laser fluid and its delivery parameters depends upon several factors including the laser wavelength and absorptivity of the fluid at that wavelength, the stand-off distance (e.g., the distance from the last laser optics (e.g., a pressure window)) to the target, the free space environment (e.g., turbidity, fluid flow, pressure, etc.), regulations regarding the cutting operation, safety issues, efficiency consideration, and combinations and variations of these and other factors.
- the laser fluid can be provided to the laser cutting tool or laser cutting area by way of a separate line or conduit, or by way of a line or conduit integrated into or associated with the laser umbilical.
- the laser fluid can also be supplied separately to the laser operations area.
- the laser fluid may also assist in removing debris or waste materials from the cutting area, and the cut it self.
- FIG. 6 there is shown a cross sectional view of a well site 600, having a tubular 601 that extends above and below the surface 603 of the earth 602.
- the tubular 601 is within a borehole 604.
- Cement 604 fills the area between the borehole 605 and the outer surface of the tubular 601 .
- the tubular may be open as shown in the embodiment of FIG. 6 or it may have a well head, Christmas tree or other flow control related device on it. As long as this device provides sufficient access for lowering the laser tool, it typically will not need to be removed.
- FIG. 6A there is shown an embodiment of a laser decommissioning tool 650 positioned in the tubular 601 .
- the laser
- decommissioning tool 650 has an upper section 651 and a lower section 652.
- the upper section 651 is configured to be located above the surface 603, outside of and, preferably on, the tubular 601 .
- the lower section 652 is configured to extend down into the borehole 605 and tubular 601 to the intended depth at which the laser cut is to be made to sever the tubular 601 for subsequent pulling from the earth 602.
- the lower section and the upper section are connected by laser spar or spar 651 .
- the upper section 651 has a rotation assembly 654, which includes a motor 655, a gear box 656, and a drive mechanism 657 engages the spar 653 and rotates it.
- the upper section has a base 658 that supports and may partially house, the rotation assembly 654. Bearings and seals, e.g., 659 provide for the rotation of the spar 653 with respect to the upper section 651 .
- the upper section 651 has a hood assembly 660. The hood assembly 660 is supported by and attached to the base 658.
- the source for rotation may be any type of motor, or other types of mechanisms, e.g., a torsional "clock" spring, or a hand crank; and that the gear box and drive mechanism can be any type of rotational driving configurations such as, e.g., a transmission, a gear box, gears, a chain drive, a belt drive, a direct drive, etc.
- the hood assembly 660 has an outer body or sleeve 661 .
- the sleeve 661 contains passage 662, which in this embodiment is an annular passage, for the release or discharge of the laser fluid and any gases or debris generated by the laser cutting operation.
- the passage 662 directs the flow downward in the general direction of the surface 603.
- the passage may be a single channel, or multiple channels, it may contain or have its flow associated with filters, holding containers, monitoring systems, exhaust lines, and noise suppression devices.
- the passage 662 has laser energy suppression devices 663.
- the laser energy suppression devices 663 may be baffles, a tortuous path, a beam dump material, a material to block back reflections, or other devices or systems to prevent any laser energy from leaving the borehole or tubular.
- Monitors or sensors 665, 666 which can detect the presence of laser energy, e.g., the laser beam, reflections or back reflections from the laser beam, are located within the hood assembly 660.
- Sensor 665 is preferably located nearer to the spar 653 and above the opening of the tubular 601 , which will provide information about a possible break of the laser fiber in the spar, as well as, provide information about the laser beam coming back up out of the tubular.
- Sensor 666 is preferably located at or near to the opening of the passage 662 to the environment, and thus will detect the presence of any laser energy that could escape, e.g., be propagated outside of, the hood assembly 660.
- the optical fiber has a break detection system associated with it.
- the fiber break detection system, and the laser monitors 665, 666 are then part of a laser control system, which can shut the laser and system down if need be. Examples of break detection and control systems are found in US Patent Publication Nos. 2012/0248078 and
- Embodiments of the decommissioning tools and systems may have an assembly to control the bending for the fiber from the laser field unit to the borehole, thus in some embodiments the fiber may have to transition and thus bend from essentially horizontal to essentially vertical.
- this transition is in a manner that adequately supports the optical fiber while minimizing bending loses in the fiber, and more preferably this transition is accomplished by using an optical block, e.g., wheel assembly or goose neck assembly, of the type disclosed and taught in US Patent Application Publication No. 2012/0068086 and Serial No. 14/105,949 the entire disclosures of each of which are incorporated by reference.
- Laser field units of the type disclosed and taught in in US Patent Application Publication No. 201 2/0068086 and Serial No. 14/105,949, the entire disclosures of each of which are incorporated by reference may preferably be used with the laser decommissioning tools and systems.
- the upper section 651 preferably has a latching mechanism 670 (shown as dashed lines, to indicate that it is partially in the passage 662, for this embodiment, but does not block the flow).
- the latching mechanism 670 attaches and holds the laser tool 650 in place on the tubular during laser operations.
- the latching mechanism 670 may also have centering and positioning devices, and in this manner serve as a landing and centering mechanism for the placement of the tool 650 in and on the tubular 601 .
- the laser tool may have a centering device, a positioning device, a latching devices and combinations and variations of these.
- the base 658, rotation assembly 654 and hood assembly 660 can be integral, or affixed in any manner that is suitable for the conditions of use, such as welding, bolts, nuts, treaded components, pressure fits, and screws. Further, components of the rotation assembly may also make up some or all of the base, and components of the hood assembly may also make up some or all of the base, and similarly, components of the rotation assembly may also make up some or all of the hood, and vice versa.
- spar 651 is made from a strong material such as metal, steel, structural plastic, or composite, such as a carbon fiber composite.
- the spar 653 preferably has a cavity 667 that contains the high power optical fiber 668 and the conveyance line 669 for the laser fluid (the cavity 667 may also serve, in whole or in part as the laser fluid conveyance line).
- the spar may also preferably contain data, information, and control lines, e.g., wires and data transmission optical fibers. In some situations and for some data and information there may also be wireless communication links.
- the spar and the tool may also contain other sensor or monitoring devices, such as temperature, pressure, optical video, IR video, laser radar, cut verification means, and other types of sensor and monitoring apparatus and devices.
- the lower section 652 of tool 650 preferably contains the laser optics assembly or package 651 , which has beam shaping and directing optics which can include a direction changing member 672 such as a TIR (total internal reflection) prism, or a mirror.
- the laser optics assembly 651 has or is associated with a laser nozzle 673 through which the laser beam 674 and fluid jet are launched along a laser beam path 675 to the target 676, which in this situation is the tubular 601 . Examples of laser optics assemblies, nozzles and packages are found in US Patent Publication Nos. 201 2/0275159,
- the motor may be placed at or near the lower section or in between the lower and the upper sections of the tool.
- a stand-off member 677 to protect the nozzle 673, and a guide 679, which may be a low friction plate, a roller, or a mechanism that extends out and engages the inner wall of the tubular.
- the lower section 652 has an explosive gas detector, e.g., a methane detector, so that a build up of gas can be observed and appropriate mitigation steps taken.
- This detector can be integrated into the control system.
- the laser tool 650b is similar to the laser tool 650 of the embodiment of FIG. 6.
- the laser tool 650 does not have a guide 679.
- the laser tool 650b has an optical rotational transition device 690, e.g., an optical slip ring (OSR) attached to it.
- the OSR 690 provides for the transition of the laser beam and laser beam path, as well as the laser fluid across a rotating/non-rotating junction. Examples of optical rotational transition devices are provided in US Patent Publication Nos. 2010/0044106,
- the fiber will be twisted, and thus, the rotation of the spar should be limited to a few rotations in a first direction, e.g., clock wise, and then then a few rotation in the opposite direction e.g., counter clock wise to prevent undo bending and tension from being placed on the high power laser fiber, which could adversely affect the fibers performance.
- the spar is rotated slightly more than 360 degrees in the first direction and than back slightly more than 360 degrees in the other direction to assure a complete cut of the tubular.
- the spar can be rotated any number of times in any direction.
- the cut may be at any angle, shape, or orientation with respect to the vertical axis of the tubular.
- the cut could be at about 15°, at about 30°, at about 45°, and at about 60°. Additionally, the cut does not have be planar. It could provide a peeked or trough laser cut surface. Additionally, the cut may be tapered inwardly or tapered outwardly.
- FIG. 7A there is shown a cross sectional view of an embodiment of a tubular 700 having a longitudinal axis 701 that has a planar laser cut at about 45° (as shown by angle 702, to the axis 701 ).
- FIG. 7B there is shown a plan view of an embodiment of a tubular 71 1 have a trough shaped 705 laser cut; and in FIG. 7C there shown a plan view of an
- tubular 710 having a peeked shaped 706 laser end cut.
- FIG. 7D there is shown a cross sectional view of an embodiment of a tubular 720 having an inwardly tapering 721 laser cut.
- FIG. 7E there is shown an embodiment of a tubular 730 having an outwardly tapering end cut 731 .
- FIG. 8 there is show a perspective view of an embodiment of a spar 853 and lower section of a laser tool 852.
- the spar 853 has a drive gear 820 attached to its upper or proximal end 853a.
- proximal and distal are relative terms, with proximal indicating a location closer to the laser along the laser beam path, and distal indicating a location further away from the laser a long the laser beam path.
- the lower section 852 has a nozzle assembly 873 and a stand off bar 877.
- a guide (e.g., FIG. 6, guide 679) is not needed, because the strength, e.g., structural integrity, of the spar with respect to its length, e.g., about 15 feet, is such that the spar will not unduly bend or wobble during the laser cutting operation. If the spar is longer, or if is is made more flexible, perhaps to get around a bend or down a branch in the borehole, then one or more guides may be necessary. Further, depending upon these and other factors, a down hole rotation assembly may be needed or beneficial to rotate the nozzle, either in conjunction with the up hole motor, or as the sole source of rotation.
- FIG. 8A there is shown an enlarged cross sectional perspective view of the laser tool lower section 852 of the embodiment of FIG. 8.
- the high power optical fiber 826 enters the laser tool section 852 at the proximal end of that section.
- the optical fiber is attached to an optical connector 821 (for example, a connector of the type taught and disclosed in US Patent Publication No. 2013/001 1 102, the entire disclosure of which is incorporated herein by reference.
- the lower section 852 has a cavity 823 for holding the optics (not shown) that is sealed with a window 824.
- the laser beam path 825 is shown traveling through the fiber 825, into and through the connector 821 , into and through the optics (not shown) in cavity 823, into and through window 824, through free space 840 into the nozzle assembly 873, where prism 827 redirects the beam path 825 by about 90 degrees to travel through the opening 873a and exit the nozzle assembly 873.
- the spare may also be located within, or engaged to the drive assembly in a manner in which the length of the spar below the drive assembly can be adjusted and then locked in place. In this manner the exact location of the cut, below the top of the tubular, conductor, casing, etc., can be
- the length of the spar between the lower section and the upper section is fixedly adjustable. Any type of manual or automatic adjustment and locking devices may be used, including clamps, wedges, keys, bolts, pins, slips, etc.
- FIG. 9 there is shown a perceptive view of an embodiment of a laser decommissioning tool 900.
- the tool 900 has an upper section 901 , a spar 902 (which in this embodiment makes up the middle section of the tool 900) and a lower section 903.
- the tool 900 has a rotational assembly 904.
- the tool 900 has a motor 905, a transfer assembly (e.g., transmission, gear box, gears, chain drive, etc.) 906 and a drive gear 907, which is attached to the spar 902.
- the motor 905 through the transfer assembly 906 and drive gear 907 can rotate the spar 902 and through the spar 902 rotate the lower section 903.
- a base plate 915 supports the transfer assembly 906.
- a placement and locking device 910 is attached around the spar 902.
- This device has four wedge like members, 91 1 a, 91 1 b, 9121 c (the four not being seen in this view of the embodiment).
- the wedge like members, wedge e.g., drive, exert force
- the tool 901 has a high power laser fiber 912 and laser fluid, e.g., nitrogen supply line 913.
- the locking device can me any type of mechanical engagement device that attached to the tubular or other structure to be cut and holds the tool in place during operation.
- this device has the ability to, or is otherwise associated with a device that enables the tool to be positioned in the tubular, e.g., coaxially with the tubular axis, i.e., centered, off axis, adjacent a side wall.
- engagement devices can include, for example: holes being place in the wedges of the embodiment of FIG. 9 and bolts, pins or other mechanical fixing devices inserted into the holes and engaging the tubular; band type device that are tightened around the tubular; clamps; bolts: inflatable devices along the lines of a packer; expanding or contracting mechanical fingers or members that engage the tubular; a tack weld, and other types of engagement and fixing devices.
- the engagement device grabs or holds the tubular to be cut with sufficient force that the tool will not become dislodged, and more preferably not move at all, (until the engagement device is disengaged), if there was for example a sudden increase in pressure within the pipe, e.g., a natural gas pocket explosion, or if the tubular shifts position.
- FIG. 9A there is shown an enlarged cross sectional view of the upper section 901 of tool 900.
- a hood or cap 916 (shown in cross sectional view) has been attached to the tool, and in this embodiment is fixed against the base plate 91 5.
- FIG. 9B there is shown a cross sectional view of the tool 900 positioned in and on a multistring tubular configuration 920 for cutting.
- the multistring configuration 920 has an outer tubular 921 , an annular space 922 between the outer tubular 921 , and a middle tubular 923.
- An annular space 924 is formed between middle tubular 923 and inner most tubular 925.
- Annular spaces 922 and 924 preferably are filled with cement, however, this may not necessarily be the case.
- the wedges e.g., 91 1 b, 91 1 c, are forced against the inner wall 925a (of the inner most tubular 925) and against the outer surface 902a of the spar 902. In this manner the wedges center and hold the spar in position within the multistring
- eccentricities and irregularities may be present in decommissioning wells, especially in older and very old wells.
- the laser tool can cut through the entirety of these multistring configurations, but care should be taken as cutting rates may vary depending upon the configuration.
- Cut verification technology may also be utilized with the laser decommissioning tool. While not as important in the single string configuration, when dealing with multi string and damaged wells cut verification can be a useful tool to save time and avoiding difficulty in pulling the strings from the ground. Examples of cut verification systems are taught and disclosed in US Patent Publication Nos. 201 3/0319984 and 201 2/000741 10, the entire disclosures of each of which are incorporated herein by reference.
- FIG. 1 0 there is shown a perspective view of a laser tool 1000.
- the tool 1000 has a wedge assembly 1007 for centering and fixing the tool 1000 in a tubular.
- the tool has a first motor 1005 and drive assembly 1006 for rotating the spar 1002 as shown by arrow 1082.
- the tool 1000 has a second motor assembly 1071 and drive assembly 1070 for raising and lowering the spar 1002 in the axial direction as shown by arrow 1 080.
- a base plate 1015 supports both motor assembles and the wedge assembly, while permitting the spar to move. In this manner the spar can be moved axially, e.g., raised and lowered, within the tubular to make an axial, or longitudinal cut, in the tubular.
- the wedge assembly may also have the ability to be adjusted vertically. In this manner the vertical position of the tool, and the depth at which the laser cut will be made can be adjusted.
- the vertical adjustment can be made by, for example: threaded members moving the position of the wedge relative to upper section of the tool; hydraulic systems that move the position of the wedges relative to the upper section of the tool; cleats that engage and hold the wedges at different positions; can be made by changing the size or slope of the wedge faces which will determine how deep into a tubular the wedges can go; and other devices and assemblies to adjust the location and position of a wedge, engaging or locking member with respect to the tool, and in particular the upper section of the tool.
- Laser welding techniques may be useful in many varied situations, and in particular where welding is needed in hazardous and difficult to reach locations, such as in a ships hull, a nuclear reactor, in a borehole, or in a pipe line. Laser welding operations may be used in conjunction with decommissioning, exploration or production activities, to name a few.
- laser welding may also include laser hybrid welding where electrical current is used in conjunction with a laser beam to provide more rapid feed of filler material on welding deep materials such as ship hulls and caissons.
- Laser welding can be autogenous which means only the base material is used and is common in keyhole welding, lap welding, filet welding and butt welding.
- Laser welding can be non-autogenous where a filler material is added to the melt puddle to "fill" the gap or to create a raised bead for strength in the weld.
- Laser Hybrid welding is by definition non-autogenous.
- Laser welding of thick cross sections typically can be done by keyhole welding techniques if the part fit up is good, or it can be "V" cut and then filled with filler material using either a laser process or a hybrid
- active weld monitors can be used to check the quality of the weld on the fly.
- seam trackers are beneficial, and at times often needed, when performing lap or butt welds. Keyhole welds that are also butt welds typically require a seam tracker, however Keyhole welds that penetrate both parts in a lap geometry generally do not need to track a seam.
- Laser cladding is a process where a material is injected into a laser beam by either a coaxial gas/powder jet, a lateral gas/powder jet, a strip feeder, a wire feeder or preplaced powder. The laser preheats the surface while simultaneously melting the feed material, the material is then melted into the surface by the laser beam during the process.
- laser cladding processes provide superior processes for minimizing dilution of the base material while producing a strong metallurgical bond between the clad material and the substrate.
- laser welding uses a very low flow of gas to keep the optics clean, an air knife to keep the optics clean or an inert environment to keep the optics clean. Laser welding can be performed in air or an inert environment.
- down hole and field welds and repairs can preferably take place under controlled environments, e.g., under argon. Further temperature of the welding location may also be desirable to be controlled. Nitrogen and other gasses may also be used but in general are not preferred. A packer or other type of isolation device in the tubular or area where the welding is to take place may be utilized.
- the laser beam path from the front of the tool to the surface of target material should be isolated. This may be accomplished by the use of a barrier, housing hood, and the borehole walls, to prevent the laser light from escaping or from reaching the location where personnel may be present.
- the laser beam path may be isolated by using a light weight metal tube, having an internal diameter that is large enough to not interfere with the laser beam, that is optically sealed to the laser tool, i.e., no laser light can escape, and that extends from the laser tool to the work surface, where it is optically sealed to the work surface.
- a temporary, semi-permanent or permanent shielding structure e.g., stands holding welding blankets or other light blocking materials, a scaffold supporting light blocking materials, a telescoping or extendable housing that is placed over the beam path or more preferably the tool and the beam path. It may also be isolated by constructing a temporary, semi-permanent or permanent barrier to optically isolate the beam path, and more preferably to isolate the tool, the work surface and the target material from personnel, e.g., a temporary barrier in or over the borehole, or optically sealing against the tubular walls.
- Laser curtains such as those available from BEAMSTOP'R ® , may be used to isolate the laser beam and laser beam path.
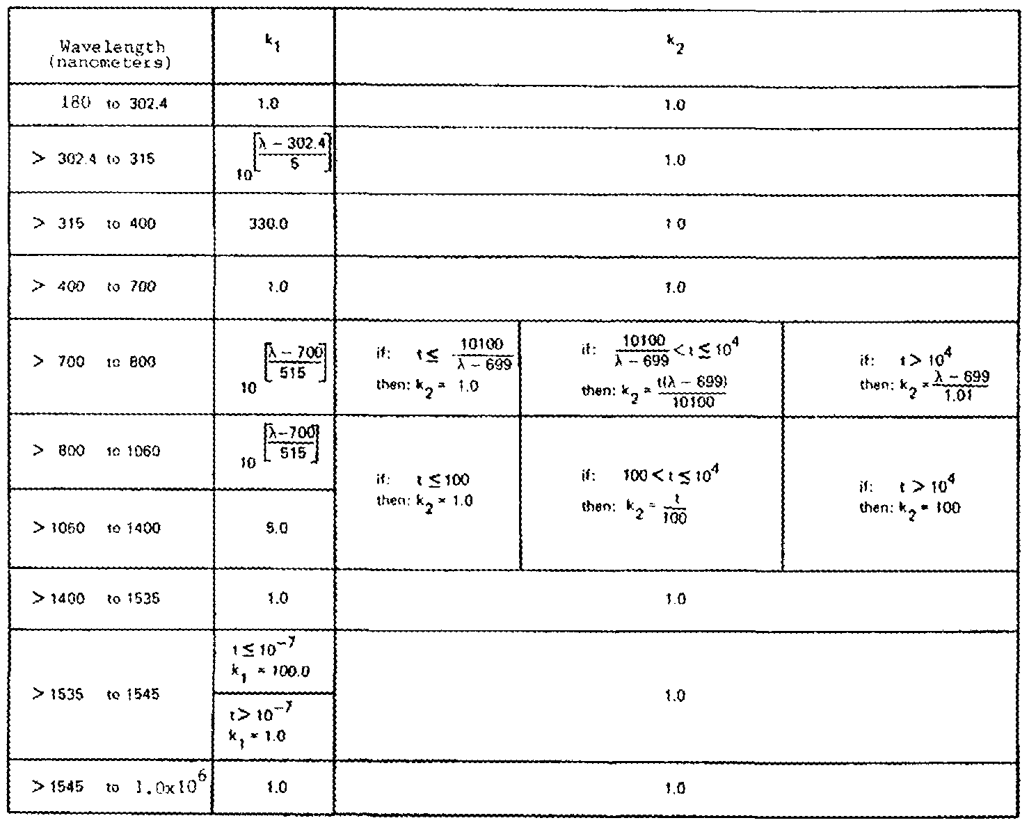
- the laser tools, systems and equipment will meet the requirements of 21 C.F.R. ⁇ 1040.10 (Revised as of April 1 , 2012), the entire disclosure of which is incorporated herein by reference, to be considered Class I II, more preferably Class I I, and still more preferably Class I.
- a "Class I product” is equipment that will not permit access during the operation of the laser to levels of laser energy in excess of the emission limits set forth in Table I. Thus, preferably personnel operating, and in the area of operation, of the equipment will receive no more than, and preferably less than, the following exposures in Table I during operation of the laser equipment.
- a "Class I la product” is equipment that will not permit access during the operation of the laser to levels of visible laser energy in excess of the emission limits set forth in Table ll-A; but permit levels in excess of those provided in Table I.
- a "Class II product” is equipment that will not permit access during the operation of the laser to levels of laser energy in excess of the emission limits set forth in Table II; but permit levels in excess of those provided in Table ll-A.
- a "Class Il ia product" is equipment that will not permit access during the operation of the laser to levels of laser energy in excess of the emission limits set forth in Table ll l-A; but permit levels in excess of those provided in Table II.
- a "Class 1Mb product" is equipment that will not permit access during the operation of the laser to levels of laser energy in excess of the emission limits set forth in Table lll-B; but permit levels in excess of those provided in Table lll-A.
- Table lll-B is equipment that will not permit access during the operation of the laser to levels of laser energy in excess of the emission limits set forth in Table lll-B; but permit levels in excess of those provided in Table lll-A.
- Laser or collateral radiation having two or more wavelengths within any one of the wavelength ranges specified in tables I, ll-A, II, lll-A, and ll l-B exceeds the accessible emission limits of a class if the sum of the ratios of the accessible emission level to the corresponding accessible emission limit at each such wavelength is greater than unity for that combination of emission duration and wavelength distribution which results in the maximum sum.
- Tests for certification shall account for all errors and statistical uncertainties in the measurement process. Because compliance with the standard is required for the useful life of a product such tests shall also account for increases in emission and degradation in radiation safety with age.
- a 50 millimeter diameter aperture stop with the same collimating optics and acceptance angle stated above shall be used for all other laser products, (ii) The irradiance (W/cm 2 ) or radiant exposure (J/cm 2 equivalent to the radiant power (W) or radiant energy (J) detectable through a circular aperture stop having a diameter of 7 millimeters and, for irradiance, within a circular solid angle of acceptance of 10 ⁇ 3 steradian with collimating optics of 5 diopters or less, divided by the area of the aperture stop (cm 2 ), (iii) The radiance (W/cm 2 steradian) or integrated radiance (J/cm 2 steradian) equivalent to the radiant power (W) or radiant energy (J) detectable through a circular aperture stop having a diameter of 7 millimeters and within a circular solid angle of acceptance of 10 ⁇ 5 steradian with collimating optics of 5 diopters or less, divided by that solid angle (sr) and by
- embodiments of surface and near surface laser decommissioning tools and systems they may have, and it is preferable that embodiments include, for example, protective housings or shields, safety interlocks, remote interlock connectors, key controls, emission indicators, beam attenuators, remote controls, remote camera and display systems for viewing the laser and laser-mechanical operations and work zones, scanning safeguards, warning signs, stickers and designations and combinations and variations of these. Examples of some embodiments of control and monitoring systems for high power laser systems and operations are disclosed and taught in Published U.S. Patent Application Publication Numbers: 201 2/0248078 and 201 2/0273269, the entire disclosures of each of which are incorporated by reference herein.
- the protective housing or shielding may be of an expandable or deployable nature, or it may be fixed. If deployable, it may be expanded or positioned, against the earth, tubular walls, or well structure or other structure such that it substantially optically seals the area of laser operation. In this manner the shield prevents excess laser light form escaping the shield, and optically contained area, where the laser operation is being performed.
- These shields may be made out of composite materials, metal and carbon fiber bases materials to name a few.
- the materials that are used have a high absorption for the wavelength(s) of laser energy that are being used, have sufficient durability and heat resistance that they are not quickly (instantly) destroyed if the laser beam should strike them, and they should be durable enough and conformable enough to form optical seals against the surrounding material.
- the expandable type of shield for example, they could be made from an expandable skirt, such as the skirts that are used in hovercraft. They may also be made from material and technology used in oil field packers, and packer systems; if they are inflated with a fluid, expanded, or if internal void spaces are present, they may be preferably be filled with fluid, or other material that is absorbent, and more preferably highly absorbent to the laser wavelengths being used. They may be made out of steel, metal, carbon-based material and may be multi-layer and multi-material based. Examples
- FIGS. 4A and 4B shows a graphic representation of this process.
- a borehole 400 has a casing 401 and a production tubing 402.
- the casing 401 has a damaged area 403.
- the laser tool is positioned in the space between the production tubing 402 and the casing 403 and removes the damaged area, providing clean and predetermined laser cut surfaces.
- a patch or plate 410 is positioned over the open area of the casing and laser welded in place 406, 404. If need be or desirable, the formation in the damaged area can be removed.
- Two tubulars are positioned end-to-end, about 5,000 feet in a borehole and welded using a key hole laser weld.
- Two conductor pipes are positioned in a butt-to-butt overlaying arrangement and laser welded. Preferably using a key hole welding technique.
- FOSP risers are laser welded in the field with a laser welding system.
- Hangers for casing may be supplemented or eliminated by down hole laser welding of the inner and outer strings. Further, cement sealing between inner and outer strings of tubulars may be supplemented by welding forming a complete weld between and along their respective inner and outer diameters.
- FIG. 5 there is provided an embodiment of a multi- junction well configuration.
- the primary borehole 500 has a branch 501 .
- laser welds 505, 506 are utilized. These laser welds can replace in whole or in part the hangers, and other down hole connectors that are presently needed to insure structural and pressure integrity of the casing. These laser welds are less obstructive to the borehole, leave greater area for tools, and production tubing, to name a few things.
- the laser tool of the embodiment of FIGS. 9 and 9A is optically associated with a 20 kW laser, through the laser umbilical.
- the tool is used to perform a decommission activity in accordance with the following embodiment of a decommissioning operational plan.
- the pull may require a larger than well weight strain to pull out of ground. If unsuccessful in pulling due to excessive cement to soil friction, project would resort to small excavator for breaking the well bore loose of the soil.
- Steps 4- 20 If additional wells are within reach of tool and umbilical lengths not restraining, repeat Steps 4- 20.
- decommissioning, and repairing including: a laser housing; a handling
- a high power laser capable of generating at least a 10 kW laser
- a conveyance structure including a high power optical fiber, a passage, a line and a support structure, wherein the high power optical fiber having a core diameter of at least about 100 ⁇ and a minimum
- optical block radius of curvature is greater than, equal to, or within 5% less
- a mobile high power laser system for welding [00150] A mobile high power laser system for welding
- decommissioning, and repairing including: a base; the base having a laser
- a conveyance structure including a high
- the high power optical fiber has a minimum bend radius; and, an optical block having a radius of curvature, wherein the optical block radius of curvature is greater than or substantially equal to the radius of curvature of the high power optical fiber.
- a mobile high power laser system for decommissioning, welding and repairing having a conveyance structure that is at least 5,000 feet long, which has an optical fiber who's core has a diameter of at least about 100 ⁇ .
- the system also having a means for suppressing a non-linear effects.
- a Class I mobile high power laser decommissioning system including at least 500 feet of conveyance structure and where the core diameter may be at least about 450 ⁇ , a high power laser is capable of generating a laser beam of at least 10 kW, and a laser tool, shielding and control system to direct the laser beam in a predetermined manner and contain the laser beam.
- a Class I mobile high power laser decommissioning system including at least 500 feet of conveyance structure and where the core diameter may be at least about 100 ⁇ , a high power laser is capable of generating a laser beam of at least 10 kW, and a laser tool, shielding and control system to direct the laser beam in a predetermined manner and contain the laser beam
- a Class I mobile high power laser decommissioning system including at least 500 feet of conveyance structure and where the core diameter may be at least about 550 ⁇ , a high power laser is capable of generating a laser beam of at least 10 kW, and a laser tool, shielding and control system to direct the laser beam in a predetermined manner and contain the laser beam.
- a Class II mobile high power laser decommissioning system including at least 500 feet of conveyance structure and where the core diameter may be at least about 450 ⁇ , a high power laser is capable of generating a laser beam of at least 10 kW, and a laser tool, shielding and control system to direct the laser beam in a predetermined manner and contain the laser beam.
- decommissioning, welding and repairing having a conveyance structure that is at least 1 ,000 feet long, which has an optical fiber who's core has a diameter of at least about 300 ⁇ .
- the system also having a means for suppressing a nonlinear effects.
- FIG. 1 The embodiment of FIG. 1 being a Class I system.
- FIG. 3 The embodiment of FIG. 3 being a Class I system.
- FIG. 6A The embodiment of FIG. 6A being a Class I system.
- FIG. 6B The embodiment of FIG. 6B being a Class I system.
- FIG. 19A The embodiment of FIG. 19A being a Class I system
- An embodiment of a laser decommissioning tool is deployed internal to the wellbore and the laser beam is propagated a long a laser beam path downwardly, generally along the axis of the wellbore, to remove any cement, debris, or obstructions that are internal of the innermost string.
- the entire spar or just the lower optics housing may be rotated.
- the types of laser beams and sources for providing a high power laser beam may, by way of example, be the devices, systems, and beam shaping and delivery optics that are disclosed and taught in the following US Patent Applications and US Patent Application Publications: Publication No. 201 0/00441 06; Publication No. 2010/0044105; Publication No. 2010/0044103; Publication No. 201 0/0044102; Publication No. 2010/0215326; Publication No. 201 2/0020631 ; Publication No. 2012/0068086; Publication No. 2012/0261 188; Publication No. 201 2/0275159; Publication No. 2013/001 1 102; Publication No.
- umbilicals, high powered optical cables, and deployment and retrieval systems for umbilical and cables such as spools, optical slip rings, creels, and reels, as well as, related systems for deployment, use and retrieval, are disclosed and taught in the following US Patent
- Publication No. 2010/0044104 Publication No. 201 0/00441 06; Publication No. 2010/0044103; Publication No. 2012/0068086; Publication No. 201 2/0273470; Publication No. 2010/0215326; Publication No. 201 2/0020631 ; Publication No. 2012/00741 10; Publication No. 2013/0228372; Publication No. 201 2/0248078; and, Publication No.
- the laser umbilical may be: a single high power optical fiber; it may be a single high power optical fiber that has shielding; it may be a single high power optical fiber that has multiple layers of shielding; it may have two, three or more high power optical fibers that are surrounded by a single protective layer, and each fiber may additionally have its own protective layer; it may contain other conduits such as a conduit to carry materials to assist a laser cutter, for example oxygen; it may have conduits for the return of cut or waste materials; it may have other optical or metal fiber for the transmission of data and control information and signals; it may be any of the combinations set forth in the forgoing patents and combinations thereof.
- break detection and back reflection monitory devices and systems may be utilized with, or integrated
- the laser systems of the present invention may utilize a single high power laser, or they may have two or three high power lasers, or more.
- the lasers may be continuous or pulsed (including, e.g., when the lasing occurs in short pulses, and a laser capable of continuous lasing fired in short pulses).
- High power solid-state lasers, specifically semiconductor lasers and fiber lasers are preferred, because of their short start up time and essentially instant-on capabilities.
- the high power lasers for example may be fiber lasers or semiconductor lasers having 1 kW, 5 kW, 10 kW, 20 kW, 50 kW or more power and, which emit laser beams with wavelengths in the range from about 405 nm (nanometers) to about 2100 nm, preferably in the range about 800 nm to about 1600 nm, about 1 060 nm to 1080 nm, 1530 nm to 1600 nm, 1800 nm to 2100 nm, and more preferably about 1064 nm, about 1070-1083 nm, about 1360 nm, about 1455 nm, 1490 nm, or about 1550 nm, or about 1900 nm (wavelengths in the range of 1900 nm may be provided by Thulium lasers).
- the present tools, systems and procedures may be utilized in a system that is contemplated to use four, five, or six, 20 kW lasers to provide a laser beam in a laser tool assembly having a power greater than about 60 kW, greater than about 70 kW, greater than about 80 kW, greater than about 90 kW and greater than about 100 kW.
- One laser may also be envisioned to provide these higher laser powers. Examples of preferred lasers, and in particular solid-state lasers, such as fibers lasers, are disclosed and taught in the following US Patent Applications and US Patent Application Publications: Publication No.
- 2010/0044106 Publication No. 201 0/0044105, Publication No. 2010/0044103, Publication No. 201 3/001 1 1 02, Publication No. 2010/0044102, Publication No. 2010/021 5326, Publication No. 201 2/0020631 , Publication No. 2012/0068086; Serial No. 14/099,948, Serial No. 61 /734,809, and Serial No. 61 /786,763, the entire disclosures of each of which are incorporated herein by reference.
- Embodiments of the devices, systems, tools, activities and operations set forth in this specification may find applications in activities such as: off-shore activities; subsea activities; perforating; decommissioning structures such as, oil rigs, wells, well sites, oil platforms, offshore platforms, factories, nuclear facilities, nuclear reactors, pipelines, bridges, etc.; cutting and removal of structures in refineries; civil engineering projects and construction and demolitions; concrete repair and removal; mining; surface mining; deep mining; rock and earth removal; surface mining; tunneling; making small diameter bores; oil field perforating; oil field tracking; well completion; window cutting; well decommissioning; well workover; precise and from a distance in- place milling and machining; heat treating; drilling and advancing boreholes; workover and completion; flow assurance; and, combinations and variations of these and other activities and operations.
- activities such as: off-shore activities; subsea activities; perforating; decommissioning structures such as, oil rigs, wells, well sites, oil platforms, offshore platforms, factories
- the various embodiments of devices, systems, tools, activities and operations set forth in this specification may be used with various high power laser systems and conveyance structures and systems, in addition to those embodiments of the Figures and in this specification.
- the various embodiments of devices systems, tools, activities and operations set forth in this specification may be used with: other high power laser systems that may be developed in the future: with existing non-high power laser systems, which may be modified, in-part, based on the teachings of this specification, to create a high power laser system; and with high power directed energy systems.
Landscapes
- Physics & Mathematics (AREA)
- Optics & Photonics (AREA)
- Engineering & Computer Science (AREA)
- Plasma & Fusion (AREA)
- Mechanical Engineering (AREA)
- Laser Beam Processing (AREA)
- Earth Drilling (AREA)
Abstract
Description
Claims
Priority Applications (2)
| Application Number | Priority Date | Filing Date | Title |
|---|---|---|---|
| CA2906738A CA2906738A1 (en) | 2013-03-15 | 2014-03-14 | Systems, tools and methods for high power laser surface decommissioning and downhole welding |
| AU2014228980A AU2014228980B2 (en) | 2013-03-15 | 2014-03-14 | Systems, tools and methods for high power laser surface decommissioning and downhole welding |
Applications Claiming Priority (2)
| Application Number | Priority Date | Filing Date | Title |
|---|---|---|---|
| US201361798875P | 2013-03-15 | 2013-03-15 | |
| US61/798,875 | 2013-03-15 |
Publications (2)
| Publication Number | Publication Date |
|---|---|
| WO2014144591A2 true WO2014144591A2 (en) | 2014-09-18 |
| WO2014144591A3 WO2014144591A3 (en) | 2014-12-11 |
Family
ID=51538345
Family Applications (1)
| Application Number | Title | Priority Date | Filing Date |
|---|---|---|---|
| PCT/US2014/029067 Ceased WO2014144591A2 (en) | 2013-03-15 | 2014-03-14 | Systems, tools and methods for high power laser surface decommissioning and downhole welding |
Country Status (3)
| Country | Link |
|---|---|
| AU (1) | AU2014228980B2 (en) |
| CA (1) | CA2906738A1 (en) |
| WO (1) | WO2014144591A2 (en) |
Cited By (1)
| Publication number | Priority date | Publication date | Assignee | Title |
|---|---|---|---|---|
| CN114000846A (en) * | 2021-11-01 | 2022-02-01 | 四川宏华石油设备有限公司 | Wellhead cutting device and cutting method thereof |
Family Cites Families (4)
| Publication number | Priority date | Publication date | Assignee | Title |
|---|---|---|---|---|
| US3461964A (en) * | 1966-09-09 | 1969-08-19 | Dresser Ind | Well perforating apparatus and method |
| US6439313B1 (en) * | 2000-09-20 | 2002-08-27 | Schlumberger Technology Corporation | Downhole machining of well completion equipment |
| US20120074110A1 (en) * | 2008-08-20 | 2012-03-29 | Zediker Mark S | Fluid laser jets, cutting heads, tools and methods of use |
| US8857514B2 (en) * | 2011-03-16 | 2014-10-14 | Baker Hughes Incorporated | Method and systems to sever wellbore devices and elements |
-
2014
- 2014-03-14 AU AU2014228980A patent/AU2014228980B2/en active Active
- 2014-03-14 WO PCT/US2014/029067 patent/WO2014144591A2/en not_active Ceased
- 2014-03-14 CA CA2906738A patent/CA2906738A1/en not_active Abandoned
Cited By (2)
| Publication number | Priority date | Publication date | Assignee | Title |
|---|---|---|---|---|
| CN114000846A (en) * | 2021-11-01 | 2022-02-01 | 四川宏华石油设备有限公司 | Wellhead cutting device and cutting method thereof |
| CN114000846B (en) * | 2021-11-01 | 2023-08-18 | 四川宏华石油设备有限公司 | Wellhead cutting device and cutting method thereof |
Also Published As
| Publication number | Publication date |
|---|---|
| AU2014228980A1 (en) | 2015-10-08 |
| WO2014144591A3 (en) | 2014-12-11 |
| AU2014228980B2 (en) | 2018-02-22 |
| CA2906738A1 (en) | 2014-09-18 |
Similar Documents
| Publication | Publication Date | Title |
|---|---|---|
| US9399269B2 (en) | Systems, tools and methods for high power laser surface decommissioning and downhole welding | |
| US20240167355A1 (en) | Systems, tools and methods for well decommissioning | |
| US10711580B2 (en) | High power laser decommissioning of multistring and damaged wells | |
| US9669492B2 (en) | High power laser offshore decommissioning tool, system and methods of use | |
| US9492885B2 (en) | Laser systems and apparatus for the removal of structures | |
| US20120273470A1 (en) | Method of protecting high power laser drilling, workover and completion systems from carbon gettering deposits | |
| US9784037B2 (en) | Electric motor for laser-mechanical drilling | |
| EP3080384B1 (en) | High power laser decommissioning of multistring and damaged wells | |
| US10953491B2 (en) | High power laser offshore decommissioning tool, system and methods of use | |
| US8783361B2 (en) | Laser assisted blowout preventer and methods of use | |
| WO2012116189A2 (en) | Tools and methods for use with a high power laser transmission system | |
| EP2739429B1 (en) | Laser systems and methods for the removal of structures | |
| US20140069896A1 (en) | Light weight high power laser presure control systems and methods of use | |
| BR112013021521A2 (en) | shear laser module and retrofit and use method | |
| US20210162545A1 (en) | Laser jets and nozzles, and operations and systems, for decommissioning | |
| US12134140B2 (en) | High power laser offshore decommissioning tool, system and methods of use | |
| US9957766B2 (en) | High power laser iris cutters | |
| AU2014228980B2 (en) | Systems, tools and methods for high power laser surface decommissioning and downhole welding |
Legal Events
| Date | Code | Title | Description |
|---|---|---|---|
| 121 | Ep: the epo has been informed by wipo that ep was designated in this application |
Ref document number: 14764013 Country of ref document: EP Kind code of ref document: A2 |
|
| ENP | Entry into the national phase in: |
Ref document number: 2906738 Country of ref document: CA |
|
| ENP | Entry into the national phase in: |
Ref document number: 2014228980 Country of ref document: AU Date of ref document: 20140314 Kind code of ref document: A |
|
| 122 | Ep: pct application non-entry in european phase |
Ref document number: 14764013 Country of ref document: EP Kind code of ref document: A2 |






