RU72806U1 - UNIFIED NETWORK ADAPTER FOR REMOTE CONTROL OF UNINTERRUPTIBLE POWER UNITS BY COMMUNICATION LINES - Google Patents
UNIFIED NETWORK ADAPTER FOR REMOTE CONTROL OF UNINTERRUPTIBLE POWER UNITS BY COMMUNICATION LINES Download PDFInfo
- Publication number
- RU72806U1 RU72806U1 RU2007148401/22U RU2007148401U RU72806U1 RU 72806 U1 RU72806 U1 RU 72806U1 RU 2007148401/22 U RU2007148401/22 U RU 2007148401/22U RU 2007148401 U RU2007148401 U RU 2007148401U RU 72806 U1 RU72806 U1 RU 72806U1
- Authority
- RU
- Russia
- Prior art keywords
- input
- voltage
- network adapter
- power supply
- connector
- Prior art date
Links
- 238000004891 communication Methods 0.000 title claims abstract description 30
- 238000012545 processing Methods 0.000 claims abstract description 25
- 230000001681 protective effect Effects 0.000 claims abstract description 24
- 239000003381 stabilizer Substances 0.000 claims abstract description 19
- 238000012544 monitoring process Methods 0.000 claims description 14
- 238000000034 method Methods 0.000 description 4
- 230000005540 biological transmission Effects 0.000 description 2
- 238000010586 diagram Methods 0.000 description 2
- 238000004870 electrical engineering Methods 0.000 description 1
- 238000009434 installation Methods 0.000 description 1
- 238000012546 transfer Methods 0.000 description 1
Landscapes
- Stand-By Power Supply Arrangements (AREA)
Abstract
Сетевой адаптер предназначен для удаленного управления агрегатами бесперебойного питания по линиям связи через линии связи бесперебойным питанием систем, содержащих объекты с различающимися номинальными напряжениями батарейного питания. Он содержит разъемы для подключения агрегата бесперебойного питания, линий связи, и компьютера для настроек, корректировок параметров и регулировок. По линиям связи абоненты сети могут управлять изменениями состояний объектов или их параметрами. Сетевой адаптер содержит средство обработки сигналов с программируемым устройством обработки данных, встроенный web-сервер, средства согласования уровней, встроенный стабилизатор входного напряжения. Имеется несколько входов на разные напряжения, для подключения к одному из входов источника питания с таким номинальным напряжением, для какого предназначен этот вход. Введены средства снижения входного напряжения питания до величины, допустимой на входе встроенного стабилизатора. Имеются защитные и The network adapter is designed for remote control of uninterruptible power supply units over communication lines through communication lines with uninterrupted power supply for systems containing objects with different nominal battery voltage. It contains connectors for connecting an uninterruptible power supply unit, communication lines, and a computer for settings, parameter adjustments, and adjustments. Through communication lines, network subscribers can control changes in the state of objects or their parameters. The network adapter contains signal processing means with a programmable data processing device, a built-in web server, level matching tools, and an integrated input voltage stabilizer. There are several inputs for different voltages, for connecting to one of the inputs of a power source with such a rated voltage, for which this input is intended. Means have been introduced to reduce the input voltage to a value acceptable at the input of the built-in stabilizer. There are protective and
предохранительные средства от недопустимых напряжении на входах питания. Благодаря расширенному диапазону допустимых номинальных напряжений питания стало возможным применение единой конструкции для разнотипных объектов, имеющих разные напряжения питания.safety devices against unacceptable voltage at the power inputs. Due to the expanded range of permissible rated supply voltages, it became possible to use a single design for heterogeneous objects with different supply voltages.
Description
Патентуемый унифицированный сетевой адаптер для удаленного управления агрегатами бесперебойного питания по линиям связи относится к области электротехники, в частности к средствам дистанционного управления системами и агрегатами бесперебойного питания через линии связи, передачи и приема информации.Patented unified network adapter for remote control of uninterruptible power supply units over communication lines relates to the field of electrical engineering, in particular, to remote control systems and uninterruptible power supply units through communication lines, transmission and reception of information.
Известна система с устройством удаленного контроля и управления - сетевым адаптером, выход которого подключен к телефонной линии связи, для дистанционного управления стационарными объектами по телефонным сетям, при котором стационарные объекты обмениваются информацией с объектами по телефонным сетям [1]. Эта система дистанционного управления стационарными объектами содержит совокупность стационарных объектов управления, соединенных телефонными линиями связи с пунктами управления, при этом стационарные объекты управления A known system with a remote monitoring and control device - a network adapter, the output of which is connected to a telephone line for remote control of stationary objects via telephone networks, in which stationary objects exchange information with objects via telephone networks [1]. This remote control system for stationary objects contains a set of stationary control objects connected by telephone lines to control points, while stationary control objects
оснащены декодерами и исполнительными устройствами, и выводами для подключения линий передачи и приема информации.equipped with decoders and actuators, and outputs for connecting transmission lines and receiving information.
Недостаток такой системы заключается в ограниченной области применения - только для объектов связи по телефонным линиям связи.The disadvantage of this system is its limited scope - only for objects of communication via telephone lines.
Известна также система с устройством удаленного контроля и управления - сетевым адаптером, для обмена сигналами между телекоммуникационной сетью общего пользования и устройством связи посредством системы связи, содержащей блок сетевого адаптера [2].Also known is a system with a remote monitoring and control device, a network adapter, for exchanging signals between a public telecommunication network and a communication device by means of a communication system containing a network adapter unit [2].
Недостаток - в ограниченной области применения, т.к. эта система предназначена для обмена информацией только с объектами связи по телефонным линиям связи.The disadvantage is in the limited scope, because This system is intended for the exchange of information only with communication objects via telephone communication lines.
Известно средство для текущего контроля и управления выходным напряжением устройства бесперебойного питания [3]. Это средство включает в себя программируемые устройства обработки данных. Система питания также включает в себя платы для связи с внешними устройствами через коммуникационные разъемы.A known means for monitoring and controlling the output voltage of an uninterruptible power supply device [3]. This tool includes programmable data processing devices. The power system also includes boards for communicating with external devices through communication connectors.
Недостатком является то, что не предусмотрен удаленный контроль и управление содержащимися в этой системе средствами.The disadvantage is that remote monitoring and control of the means contained in this system is not provided.
Наиболее близким аналогом является модуль удаленного контроля и управления агрегатом бесперебойного питания через линии связи локальной или глобальной вычислительной сети [4]. Он обеспечивает удаленный контроль и управление параметрами агрегата бесперебойного питания по этой сети.The closest analogue is a module for remote monitoring and control of an uninterruptible power supply unit via communication lines of a local or global computer network [4]. It provides remote monitoring and control of uninterruptible power supply unit parameters over this network.
Недостатком является то, что он имеет ограниченную область применения - только в составе систем с жестко заданным номинальным напряжением питания, единым для всей системы, например, 48 В; для системы с иным номинальным напряжением питания, например, 24 В или 60 В, требуется другой специализированный вариант исполнения модуля удаленного контроля и управления агрегатом бесперебойного питания.The disadvantage is that it has a limited scope - only as part of systems with a rigidly set nominal supply voltage, common for the entire system, for example, 48 V; for a system with a different rated supply voltage, for example, 24 V or 60 V, another specialized version of the remote control and uninterruptible power supply module is required.
Задача заключается в устранении указанного недостатка и повышении уровня унификации по питанию устройства, обеспечивающего удаленный контроль параметров агрегатов бесперебойного питания и управление этими параметрами по линиям The task is to eliminate this drawback and increase the level of unification in the power supply of the device, providing remote control of the parameters of uninterruptible power supply units and control of these parameters along the lines
связи, используя локальные или глобальные вычислительные сети, при выполнении настроек и корректировок параметров с помощью компьютера, подключаемого непосредственно к такому устройству.communication, using local or global computer networks, when making settings and adjusting parameters using a computer connected directly to such a device.
Для решения этой задачи предложен унифицированный сетевой адаптер для удаленного управления агрегатами бесперебойного питания по линиям связи, выполненный следующим образом.To solve this problem, a unified network adapter is proposed for remote control of uninterruptible power supply units over communication lines, made as follows.
Унифицированный сетевой адаптер для удаленного управления агрегатами бесперебойного питания по линиям связи содержит следующие известные решения.The unified network adapter for remote control of uninterruptible power supply units over communication lines contains the following well-known solutions.
Выводы питания для подключения внешнего источника питания постоянного тока для питания электронных схем сетевого адаптера.Power pins for connecting an external DC power supply to power the electronic circuits of the network adapter.
Первый разъем для соединения сетевого адаптера с предназначенным для обмена данными разъемом агрегата бесперебойного питания.The first connector is for connecting the AC adapter to the uninterruptible power supply connector intended for data exchange.
Второй разъем для подсоединения сетевого адаптера к локальной или глобальной вычислительной сети, используемой для обмена данными с абонентами этой сети.The second connector for connecting a network adapter to a local or global computer network used to exchange data with subscribers of this network.
Средство обработки сигналов с программируемым устройством обработки данных, подсоединенное непосредственно к второму разъему.A signal processing means with a programmable data processing device connected directly to the second connector.
Подсоединенные к первому и второму разъемам соответственно первое и второе средства для согласования уровней сигналов на первом и втором разъемах с уровнем сигналов упомянутого средства обработки сигналов с программируемым устройством обработки данных.Connected to the first and second connectors, respectively, the first and second means for matching signal levels at the first and second connectors with the signal level of said signal processing means with a programmable data processing device.
Третий разъем для подключения к нему компьютера с целью осуществления компьютерного контроля, настройки и корректировки параметров сетевого адаптера и параметров соединенного с первым разъемом агрегатом бесперебойного питания.The third connector for connecting a computer to it for the purpose of computer monitoring, tuning and adjusting the parameters of the network adapter and the parameters of the uninterruptible power supply unit connected to the first connector.
От известных технических решений настоящий унифицированный сетевой адаптер для удаленного управления агрегатами бесперебойного питания по линиям связи отличается следующими признаками.From the well-known technical solutions, this unified network adapter for remote control of uninterruptible power supply units over communication lines is distinguished by the following features.
Средство обработки сигналов с программируемым устройством обработки данных содержит встроенный web-сервер.The signal processing means with a programmable data processing device contains an embedded web server.
Введен стабилизатор напряжения, поступающего через выводы для подключения внешнего источника питания постоянного тока.A voltage stabilizer is introduced through the terminals to connect an external DC power source.
Выходные цепи упомянутого стабилизатора подсоединены к цепям питания электронных схем сетевого адаптера.The output circuits of said stabilizer are connected to power circuits of the electronic circuits of the network adapter.
И введено нескольких входов для различных номинальных значений напряжения подключаемого внешнего источника питания; каждый вход имеет раздельные выводы питания, предназначенные для подключения к одному из этих входов внешнего источника питания с таким номинальным напряжением, для какого предназначен этот вход.And introduced several inputs for various nominal voltage values of the connected external power source; each input has separate power leads designed to connect one of these inputs to an external power source with the same voltage rating for which this input is intended.
Введены защитные и предохранительные средства, подсоединенные к выводам каждого входа питания.Protective and safety equipment has been introduced, connected to the terminals of each power input.
Выводы первого входа питания предназначены для подключения внешнего источника питания постоянного тока с наименьшим допустимым номинальным напряжением и через первое защитное и предохранительное средство соединены с входом упомянутого стабилизатора напряжения.The terminals of the first power input are designed to connect an external DC power source with the lowest permissible rated voltage and are connected to the input of the voltage regulator through the first protective and protective means.
Дополнительно введены средства снижения входного напряжения питания до величины, допустимой на входе упомянутого стабилизатора; их выходы подсоединены к входу упомянутого стабилизатора напряжения, а их входы подсоединены к защитным и предохранительным средствам тех входных выводов питания, которые Additionally introduced means of reducing the input voltage to a value acceptable at the input of the said stabilizer; their outputs are connected to the input of the aforementioned voltage stabilizer, and their inputs are connected to the protective and protective means of those input power pins that
предназначены для номинальных напряжении, превышающих номинальное напряжение первого входа.designed for rated voltage exceeding the rated voltage of the first input.
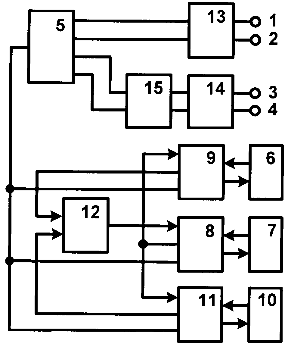
На фиг.1 показана схема патентуемого унифицированного сетевого адаптера для удаленного управления агрегатами бесперебойного питания по линиям связи, где приняты следующие обозначения.Figure 1 shows a diagram of a patented unified network adapter for remote control of uninterruptible power supply units over communication lines, where the following notation is accepted.
1, 2 - выводы первого входа питания для подключения источника питания с наименьшим номинальным напряжением.1, 2 - the conclusions of the first power input for connecting the power source with the lowest rated voltage.
3, 4 - выводы второго входа стабилизатора для подключения источника питания с номинальным напряжением большим, чем напряжение, предусмотренное для выводов 1, 2.3, 4 - terminals of the second input of the stabilizer for connecting a power source with a nominal voltage greater than the voltage provided for conclusions 1, 2.
5 - стабилизатор напряжения, поступающего от внешнего источника постоянного тока, подключаемого к выводам 1, 2 или выводам 3, 4.5 - voltage stabilizer coming from an external DC source connected to pins 1, 2 or pins 3, 4.
6 - Первый разъем для подключения унифицированного сетевого адаптера к разъему агрегата бесперебойного питания.6 - The first connector for connecting a unified network adapter to the connector of the uninterruptible power supply unit.
7 - второй разъем для подключения унифицированного сетевого адаптера к локальной или глобальной вычислительной сети.7 - the second connector for connecting a unified network adapter to a local or global computer network.
8 - средство обработки сигналов с программируемым устройством обработки данных со встроенным web-сервером.8 is a signal processing means with a programmable data processing device with an integrated web server.
9 - первое средство согласования уровней.9 - the first means of matching levels.
10 - третий разъем, для подключения компьютера.10 - the third connector for connecting a computer.
11 - второе средство согласования уровней сигналов11 - second means of matching signal levels
12 - схема логического ИЛИ, являющаяся связующим звеном между средствами 9, 11 согласования уровней и средством 8 обработки сигналов.12 is a logical OR diagram, which is the link between the means 9, 11 matching levels and means 8 of the signal processing.
13 - защитное и предохранительное средство для первого входа питания.13 - protective and protective means for the first power input.
14 - защитное и предохранительное средство для второго входа питания.14 - protective and safety means for the second power input.
15 - средство снижения входного напряжения питания, поступающего на выводы 3, 4 второго входа питания.15 is a means of reducing the input voltage supplied to the terminals 3, 4 of the second power input.
Устройство унифицированного сетевого адаптера для удаленного управления агрегатами бесперебойного питания по линиям связи.A unified network adapter device for remote control of uninterruptible power supply units over communication lines.
Предложенный унифицированный сетевой адаптер для удаленного управления агрегатами питания по линиям связи содержит следующие элементы, соединенные между собой согласно фиг.1.The proposed unified network adapter for remote control of power supply units over communication lines contains the following elements interconnected according to FIG.
Выводы 1, 2 - выводы первого входа питания, служащие для подключения источника питания постоянного тока с наименьшим номинальным напряжением. Выводы 1, 2 могут быть выполнены в виде разъемов или клемм.Conclusions 1, 2 - the conclusions of the first power input, used to connect a DC power source with the lowest rated voltage. Conclusions 1, 2 can be made in the form of connectors or terminals.
Выводы 3, 4 - выводы второго входа питания, служащие для подключения внешнего источника питания постоянного тока с номинальным напряжением, превышающим номинальное напряжение, заданное для выводов 1, 2 первого входа питания. Выводы 3, 4 могут быть выполнены в виде разъемов или клемм.Conclusions 3, 4 - the conclusions of the second power input, which are used to connect an external DC power source with a rated voltage exceeding the rated voltage specified for pins 1, 2 of the first power input. Conclusions 3, 4 can be made in the form of connectors or terminals.
Стабилизатор 5 напряжения, поступающего от внешнего источника постоянного тока, подключаемого к выводам 1, 2 или к выводам 3, 4 из данной совокупности входных выводов для подключения внешнего источника питания постоянного тока, создает на выходе стабильное напряжение, которое затем преобразуется в напряжения, необходимые для питания электронных схем сетевого адаптера.The voltage stabilizer 5 supplied from an external DC source connected to pins 1, 2 or to pins 3, 4 of this set of input pins for connecting an external DC power source creates a stable voltage at the output, which is then converted to the voltage necessary power electronic circuits of the network adapter.
Первый разъем 6, предназначенный для соединения сетевого адаптера с тем разъемом агрегата бесперебойного питания, который служит для обмена данными между агрегатом бесперебойного питания и сетевым адаптером.The first connector 6 is for connecting the network adapter to that connector of the uninterruptible power supply unit, which serves to exchange data between the uninterruptible power supply unit and the network adapter.
Второй разъем 7, предназначенный для подсоединения сетевого адаптера к локальной или глобальной вычислительной сети с целью обмена данными с абонентами этой сети, которые благодаря этому имеют возможность удаленного контроля и управления параметрами контролируемого агрегата бесперебойного питания и сетевого адаптера. Такими параметрами могут быть напряжения электрической сети, аккумуляторов, отказы и аварийные ситуации и т.д.The second connector 7 is designed to connect a network adapter to a local or global computer network for the purpose of exchanging data with subscribers of this network, which, due to this, have the ability to remotely monitor and control the parameters of the monitored uninterruptible power supply unit and network adapter. Such parameters may be the voltage of the mains, batteries, failures and emergency situations, etc.
Средство 8 обработки сигналов с программируемым устройством обработки данных со встроенным web-сервером, являющееся основным средством обработки данных в сетевом адаптере, которое подсоединено непосредственно ко второму разъему 7.The signal processing means 8 with a programmable data processing device with an integrated web server, which is the main data processing means in the network adapter, which is connected directly to the second connector 7.
Первое средство 9 согласования уровней сигналов, которое подсоединено к первому разъему 6, и через этот разъем с сетевым оборудованием.The first means 9 matching signal levels, which is connected to the first connector 6, and through this connector with network equipment.
Третий разъем 10 - для подключения к этому разъему компьютера, с целью осуществления компьютерного контроля, настройки и корректировки параметров как самого сетевого адаптера, так и агрегата бесперебойного питания, соединенного с первым разъемом 6.The third connector 10 is for connecting a computer to this connector, for the purpose of computer monitoring, tuning and adjusting the parameters of both the network adapter itself and the uninterruptible power supply unit connected to the first connector 6.
Второе средство 11 согласования уровней сигналов, которое подсоединено к третьему разъему 10.The second means 11 matching signal levels, which is connected to the third connector 10.
Схема логического ИЛИ 12 является связующим звеном между средствами 9, 11 согласования уровней и средством 8 обработки сигналов. Первое средство 9 согласования уровней и второе средство 11 согласования уровней, которые предназначены для согласования уровней логических сигналов средства 8 обработки сигналов с уровнями логических сигналов внешнего оборудования, подключаемого к разъемам 6, 7, 10 сетевого адаптера, через схему логического ИЛИ 12 соединены со средством 8 обработки сигналов. В процессе работы упомянутое средство 8 обработки сигналов воспринимает сигналы, которые поступают через схему логического The logical OR circuit 12 is the link between the means 9, 11 matching levels and means 8 of the signal processing. The first level matching means 9 and the second level matching means 11, which are designed to match the logical signal levels of the signal processing means 8 with the logical signal levels of external equipment connected to the connectors 6, 7, 10 of the network adapter, are connected to the means 8 through a logical OR circuit 12 signal processing. In operation, said signal processing means 8 senses signals that arrive through a logic circuit
ИЛИ 12 от любого из средств согласования уровней: или 9, или 11, и обрабатывает поступающую информацию.OR 12 from any of the means of level matching: either 9, or 11, and processes the incoming information.
Защитные и предохранительные средства 13 - для первого входа питания, и 14 - для второго входа питания, соответственно подсоединенные к выводам 1, 2 первого входа питания и выводам 3, 4 второго входа питания, служат для предотвращения выхода из строя сетевого адаптера и системы питания в случаях чрезмерного повышения входных токов.Protective and protective means 13 - for the first power input, and 14 - for the second power input, respectively connected to the terminals 1, 2 of the first power input and the terminals 3, 4 of the second power input, serve to prevent the failure of the network adapter and the power system in cases of excessive increase in input currents.
Стабилизатор 5 напряжения через защитное и предохранительное средство 13 подсоединен к выводам 1, 2 первого входа питания.The voltage stabilizer 5 through a protective and protective means 13 is connected to the terminals 1, 2 of the first power input.
Дополнительно введено средство 15 снижения входного напряжения питания, поступающего на выводы 3, 4 второго входа питания, предназначенного для питания от источника, имеющего большее номинальное напряжение, чем допустимое для выводов 1, 2 первого входа питания. При работе часть напряжения питания падает на средстве 15 снижения входного напряжения питания. Благодаря In addition, means 15 for reducing the input power voltage supplied to the terminals 3, 4 of the second power input, designed to be powered by a source having a higher rated voltage than permissible for the terminals 1, 2 of the first power input, have been introduced. During operation, part of the supply voltage drops on the means 15 to reduce the input voltage. Thanks
этому улучшаются условия работы стабилизатора, и повышается надежность.This improves the operating conditions of the stabilizer, and increases reliability.
Работа унифицированного сетевого адаптера для удаленного управления агрегатами бесперебойного питания по линиям связи.The work of a unified network adapter for remote control of uninterruptible power supply units over communication lines.
Унифицированный сетевой адаптер для удаленного управления агрегатами питания по линиям связи работает в составе системы, включающей в себя соединенное с ним через разъемы оборудование.The unified network adapter for remote control of power supply units via communication lines works as part of a system that includes equipment connected to it through connectors.
Предложенный унифицированный сетевой адаптер для удаленного управления агрегатами бесперебойного питания по линиям связи предназначен преимущественно для подключения агрегата бесперебойного питания, входящего в состав какого-либо оборудования, к локальной или глобальной вычислительной сети с возможностью удаленного управления этим агрегатом бесперебойного питания по вычислительной сети.The proposed unified network adapter for remote control of uninterruptible power supply units over communication lines is designed primarily to connect an uninterruptible power supply unit, which is part of any equipment, to a local or global computer network with the ability to remotely control this uninterruptible power supply unit over a computer network.
При этом унифицированный сетевой адаптер может входить в состав оборудования любой системы производственно-технического или иного назначения, реализованной с возможностью удаленного контроля и управления агрегатом бесперебойного питания по проводным линиям связи. Унифицированный сетевой адаптер также At the same time, a unified network adapter can be part of the equipment of any industrial, technical or other system implemented with the possibility of remote monitoring and control of an uninterruptible power supply unit via wired communication lines. Unified network adapter also
может применяться в объектах связи и различных других системах, в том числе на необслуживаемых объектах. При его применении выполняется следующее.can be used in communication facilities and various other systems, including maintenance-free facilities. When applied, the following is true.
К выводам 1, 2 или 3, 4 подключается внешний источник питания постоянного тока, например, аккумуляторная батарея. Выводы 1, 2 являются первым входом питания для наименьшего номинального напряжения, например, 24 В. Выводы 3, 4 являются вторым входом питания для второго номинального напряжения, большего, чем для выводов 1, 2, например,48 В.To conclusions 1, 2 or 3, 4, an external DC power source, for example, a rechargeable battery, is connected. Pins 1, 2 are the first power input for the lowest rated voltage, for example, 24 V. Pins 3, 4 are the second power input for the second rated voltage, greater than for pins 1, 2, for example, 48 V.
Если для работы системы используется аккумуляторная батарея с номинальным напряжением 24 В, то она подключается к выводам 1, 2. Если для работы системы используется аккумуляторная батарея с номинальным напряжением 48 В, то она подключается к выводам 3,4.If a rechargeable battery with a nominal voltage of 24 V is used to operate the system, then it is connected to terminals 1, 2. If a rechargeable battery with a nominal voltage of 48 V is used to operate the system, it is connected to terminals 3.4.
Через защитные и предохранительные средства 12, или защитные и предохранительные средства 13 и средство 15 снижения входного напряжения питания, на вход стабилизатора 5 подается питание.Through protective and protective means 12, or protective and protective means 13 and means 15 for reducing the input supply voltage, power is supplied to the input of the stabilizer 5.
В случае поступления на какой-либо вход недопустимого напряжения срабатывают защитные и предохранительные средства 13 или 14, предотвращая аварийные ситуации. Средство 15 снижения входного напряжения питания понижает напряжение до уровня, допустимого на входе стабилизатора 5.In the event that an unacceptable voltage is supplied to any input, protective and safety means 13 or 14 are activated, preventing emergency situations. Means 15 reduce the input power voltage lowers the voltage to a level acceptable at the input of the stabilizer 5.
В процессе работы стабилизатор 5 напряжения, поступающего от внешнего источника постоянного тока, подключенного к выводам 1, 2 или выводам 3, 4, создает на выходе стабильное напряжение, необходимое для работы схем, которое поступает далее на электронные схемы 8, 9, 11, включая встроенный в 8 web-сервер, и другие электрические цепи сетевого адаптера.During operation, the voltage stabilizer 5 supplied from an external DC source connected to pins 1, 2 or pins 3, 4 creates a stable voltage output necessary for the operation of the circuits, which then goes to electronic circuits 8, 9, 11, including built-in 8 web server, and other electrical circuits of the network adapter.
Через первый разъем 6 интерфейсным кабелем унифицированный сетевой адаптер соединяется с разъемом контролируемого агрегата бесперебойного питания.Through the first connector 6 with an interface cable, the unified network adapter is connected to the connector of the controlled uninterruptible power supply unit.
Через третий разъем 10 унифицированный сетевой адаптер соединяется с разъемом последовательного порта компьютера.Through the third connector 10, the unified network adapter is connected to the serial port connector of the computer.
Далее ко второму разъему 7 сетевого адаптера и соответствующему разъему сетевого оборудования подключается соединяющий их сетевой кабель.Next, a network cable connecting them is connected to the second connector 7 of the network adapter and the corresponding connector of the network equipment.
С помощью компьютера, подключенного к третьему разъему 10, осуществляется первоначальная настройка сетевого адаптера.Using a computer connected to the third connector 10, the initial configuration of the network adapter.
На компьютере запускается программа эмуляции терминала. Устанавливается скорость соединения, количество бит данных, четность, количество стоповых битов, управление потоком.A terminal emulation program is running on the computer. The connection speed, the number of data bits, the parity, the number of stop bits, and flow control are set.
Перезапускается унифицированный сетевой адаптер, выполняется вход в меню.The unified network adapter restarts, and the menu is entered.
Затем поочередно выполняется вход в меню настройки общих параметров, в меню настройки сетевых параметров, и вводятся необходимые параметры.Then, in turn, you enter the menu for setting general parameters, in the menu for configuring network parameters, and enter the necessary parameters.
Вводится пароль доступа к страницам изменения параметров контролируемого агрегата бесперебойного питания через web-интерфейс, пароль доступа по сети. В подменю установки активных сервисов адаптера указываются разрешенные сервисы, устанавливая необходимые значения в соответствующих пунктах.The password for access to the pages for changing the parameters of the controlled uninterruptible power supply unit via the web interface is entered, the password for access over the network. In the submenu of the installation of active adapter services, the allowed services are indicated by setting the necessary values in the corresponding paragraphs.
В подменю настройки разрешенных IP адресов для доступа по протоколу SNMP и с помощью соответствующих пунктов устанавливаются разрешенные IP адреса. В меню настройки параметров событий указываются минимальные уровни важности событий для добавления в журнал, отправки сообщения почты и SNMP-ловушки; и указываются другие необходимые параметры.In the submenu for configuring allowed IP addresses for access via SNMP and using the appropriate items, the allowed IP addresses are set. The event settings settings menu indicates the minimum levels of importance of events for adding to the log, sending mail messages and SNMP traps; and other necessary parameters are indicated.
Затем от третьего разъема 10 отсоединяется интерфейсный кабель, разрывая этим соединение с компьютером сетевого адаптера.Then, the interface cable is disconnected from the third connector 10, thereby breaking the connection with the computer of the network adapter.
После этого унифицированный сетевой адаптер доступен к обмену данными по сети и готов к работе.After that, the unified network adapter is available for data exchange over the network and is ready to work.
Работа встроенного web-сервера.The work of the embedded web server.
Для просмотра web-страниц сетевого адаптера необходимо запустить web-браузер, и в строке для ввода адреса ввести IP-адрес адаптера. После ввода адреса адаптера автоматически отображается страница состояния контролируемого агрегата бесперебойного питания.To view the web pages of the network adapter, you must launch a web browser, and in the line for entering the address, enter the IP address of the adapter. After entering the adapter address, the status page of the monitored uninterruptible power supply unit is automatically displayed.
Навигационное меню служит для открытия соответствующих страниц адаптера:The navigation menu serves to open the corresponding adapter pages:
для отображения страницы состояния контролируемого агрегата бесперебойного питания;to display the status page of the monitored uninterruptible power supply unit;
для входа на страницу настройки параметров контролируемого агрегата бесперебойного питания (может быть защищено паролем) и т.д.to enter the settings page of the controlled uninterruptible power supply unit (can be password protected), etc.
Для контроля общего состояния агрегата бесперебойного питания служит панель оперативного статуса. Информация в панели оперативного статуса автоматически обновляется через установленные промежутки времени.To monitor the general condition of the uninterruptible power supply unit, an operational status panel is used. The information in the online status panel is automatically updated at set intervals.
Также отображается текущий статус соединения сетевого адаптера и контролируемого агрегата бесперебойного питания по каналу RS-232, и другая информация.It also displays the current connection status of the network adapter and the monitored uninterruptible power supply unit via RS-232 channel, and other information.
Абоненты сети получают доступ к контролю, настройкам параметров и управлению состоянием контролируемого агрегата бесперебойного питания.Network subscribers get access to control, parameter settings and state control of the uninterruptible power supply unit under control.
При контроле отображается следующее. Текущий статус соединения сетевого адаптера и контролируемого агрегата бесперебойного питания - «Подключен», «Не подключен». Отображается текущий режим работы контролируемого агрегата бесперебойного питания - «Дежурный», When monitoring, the following is displayed. The current status of the connection of the network adapter and the controlled uninterruptible power supply unit is “Connected”, “Not Connected”. The current operating mode of the monitored uninterruptible power supply unit is displayed - “Standby”,
«Автономный», «Выключен». При отсутствии соединения с агрегатом бесперебойного питания выдается сообщение «Не подключен»."Standalone", "Off". If there is no connection with the uninterruptible power supply unit, the message “Not connected” is displayed.
Также отображается следующая информация: о нормальной работе, или, при аварийной ситуации, - аварийные сигналы.The following information is also displayed: normal operation, or, in an emergency, alarms.
Напряжение или частота сети переменного тока не в норме, агрегат бесперебойного питания находится в автономном режиме.The voltage or frequency of the AC mains is not normal; the uninterruptible power supply unit is offline.
Напряжение и частота сети переменного тока в норме, агрегат бесперебойного питания находится в дежурном режиме.The voltage and frequency of the AC network is normal, the uninterruptible power supply is in standby mode.
Выходной ток агрегата бесперебойного питания превышает номинальное значение.The output current of the uninterruptible power supply unit exceeds the nominal value.
Выходной ток агрегата бесперебойного питания не превышает номинального значения.The output current of the uninterruptible power supply unit does not exceed the rated value.
Напряжение аккумуляторной батареи агрегата бесперебойного питания ниже порога индикации разряда (аккумуляторная батарея разряжена).The battery voltage of the uninterruptible power supply unit is below the discharge indication threshold (battery is low).
Напряжение аккумуляторной батареи агрегата бесперебойного питания в норме.The battery voltage of the uninterruptible power supply unit is normal.
Отображается текущее значение входного переменного напряжения.The current value of the input AC voltage is displayed.
Допустимый диапазон входного напряжения, при котором контролируемый агрегат бесперебойного питания работает в The permissible input voltage range at which the uninterruptible power supply unit is operating in
дежурном режиме, задается настройкой параметров агрегата бесперебойного питания.standby mode, set by setting the parameters of the uninterruptible power supply unit.
Выходной ток - отображается текущее эффективное значение тока нагрузки, подключенной к выходу контролируемого агрегата бесперебойного питания.Output current - displays the current effective value of the load current connected to the output of the monitored uninterruptible power supply unit.
Отображается текущее значение входного напряжения источника постоянного тока (внешней аккумуляторной батареи). При отклонении постоянного напряжения за пределы допустимого диапазона происходит автоматическое отключение выхода контролируемого агрегата бесперебойного питания в автономном режиме работы. Границы этого диапазона можно изменить на странице «Настройка».The current value of the input voltage of the DC source (external battery) is displayed. When the DC voltage deviates outside the permissible range, the output of the monitored uninterruptible power supply unit automatically shuts off. The boundaries of this range can be changed on the Settings page.
И, кроме того, могут контролироваться различные другие заданные параметры.And, besides, various other given parameters can be controlled.
В случае необходимости абоненты сети управляют изменениями состояний контролируемых объектов или их параметрами по линиям связи.If necessary, network subscribers control the state changes of controlled objects or their parameters via communication lines.
Количество входных выводов питания может быть увеличено, с целью обеспечения возможности выбора питания с более широким набором определенных номинальных напряжений источников питания. При этом соответственно увеличивается количество защитных и предохранительных средств на входах стабилизатора и число средств The number of input power pins can be increased in order to provide the possibility of choosing a power supply with a wider range of specific rated voltage power supplies. At the same time, the number of protective and protective means at the stabilizer inputs and the number of means increase accordingly
снижения входного напряжения питания, поступающего на выводы дополнительных входов питания, предназначенных для питания от источника, имеющего большее номинальное напряжение, чем допустимое для выводов 1, 2 первого входа питания.reducing the input voltage supplied to the terminals of the additional power inputs intended for power supply from a source having a higher rated voltage than permissible for the terminals 1, 2 of the first power input.
Применение данных сетевых адаптеров для удаленного контроля и управления бесперебойным питанием упрощает создание систем централизованного управления и контроля агрегатами бесперебойного питания на узлах связи и различных других объектах. При различных номинальных напряжениях питания разных объектов вместо различных узкоспециализированных сетевых адаптеров возможно применение данного унифицированного по питанию сетевого адаптера, что упрощает ремонт или переход с одной системы на другую.The use of these network adapters for remote monitoring and control of uninterruptible power supply simplifies the creation of centralized control and monitoring systems for uninterruptible power supply at communication centers and various other facilities. At different nominal supply voltages of different objects, instead of various highly specialized network adapters, it is possible to use this unified power adapter for a network, which simplifies repair or transfer from one system to another.
Источники информации.Information sources.
[1] Заявка РФ №2000132896, Способ и система дистанционного управления стационарными объектами по телефонным сетям.[1] Application of the Russian Federation No.2000132896, Method and system for remote control of stationary objects via telephone networks.
[2] Заявка РФ №98109789, Способ и система для обмена сигналами в сети связи.[2] RF Application No. 98109789, Method and system for the exchange of signals in a communication network.
[3] Патент США №5982652, Method and apparatus for providing uninterruptible power using a power controller and a redundant power controller.[3] US Patent No. 5982652, Method and apparatus for providing uninterruptible power using a power controller and a redundant power controller.
[4] Патент РФ №60825, Модуль удаленного контроля и управления агрегатом бесперебойного питания.[4] RF patent No. 60825, a module for remote monitoring and control of an uninterruptible power supply unit.
Claims (1)
Priority Applications (1)
| Application Number | Priority Date | Filing Date | Title |
|---|---|---|---|
| RU2007148401/22U RU72806U1 (en) | 2007-12-24 | 2007-12-24 | UNIFIED NETWORK ADAPTER FOR REMOTE CONTROL OF UNINTERRUPTIBLE POWER UNITS BY COMMUNICATION LINES |
Applications Claiming Priority (1)
| Application Number | Priority Date | Filing Date | Title |
|---|---|---|---|
| RU2007148401/22U RU72806U1 (en) | 2007-12-24 | 2007-12-24 | UNIFIED NETWORK ADAPTER FOR REMOTE CONTROL OF UNINTERRUPTIBLE POWER UNITS BY COMMUNICATION LINES |
Publications (1)
| Publication Number | Publication Date |
|---|---|
| RU72806U1 true RU72806U1 (en) | 2008-04-27 |
Family
ID=39453428
Family Applications (1)
| Application Number | Title | Priority Date | Filing Date |
|---|---|---|---|
| RU2007148401/22U RU72806U1 (en) | 2007-12-24 | 2007-12-24 | UNIFIED NETWORK ADAPTER FOR REMOTE CONTROL OF UNINTERRUPTIBLE POWER UNITS BY COMMUNICATION LINES |
Country Status (1)
| Country | Link |
|---|---|
| RU (1) | RU72806U1 (en) |
Cited By (1)
| Publication number | Priority date | Publication date | Assignee | Title |
|---|---|---|---|---|
| RU215337U1 (en) * | 2022-11-02 | 2022-12-08 | Общество с ограниченной ответственностью "БЕР" | Server power supply |
-
2007
- 2007-12-24 RU RU2007148401/22U patent/RU72806U1/en not_active IP Right Cessation
Cited By (1)
| Publication number | Priority date | Publication date | Assignee | Title |
|---|---|---|---|---|
| RU215337U1 (en) * | 2022-11-02 | 2022-12-08 | Общество с ограниченной ответственностью "БЕР" | Server power supply |
Similar Documents
| Publication | Publication Date | Title |
|---|---|---|
| EP0663634B1 (en) | Smart switch | |
| US7081827B2 (en) | Power over Ethernet-prioritized active splitter | |
| US7709975B2 (en) | Redundant power supply system | |
| US10013012B2 (en) | Control method and apparatus | |
| US6489748B1 (en) | Split backplane power system | |
| CN102301293B (en) | Electrical circuit with redundant trunk | |
| US20160064938A1 (en) | Dynamically Configurable Power-Over-Ethernet Apparatus and Method | |
| US9223394B2 (en) | Rack and power control method thereof | |
| EP2202914A1 (en) | Power over ethernet in a redundant ring data network | |
| JPH04342352A (en) | communication terminal equipment | |
| US7045914B2 (en) | System and method for automatically providing continuous power supply via standby uninterrupted power supplies | |
| EP1833033B1 (en) | Monitored voltage inverter for security system | |
| US10516260B2 (en) | Multi-node system fault management | |
| CN109391024A (en) | Emergency electric supply unit and emergency electric system | |
| US20040073817A1 (en) | Method for automatically saving in-process programs before shutdown | |
| RU72806U1 (en) | UNIFIED NETWORK ADAPTER FOR REMOTE CONTROL OF UNINTERRUPTIBLE POWER UNITS BY COMMUNICATION LINES | |
| RU73576U1 (en) | SWITCHED NETWORK ADAPTER FOR REMOTE CONTROL OF UNINTERRUPTIBLE POWER UNITS ON COMMUNICATION LINES | |
| RU64840U1 (en) | NETWORK ADAPTER FOR REMOTE CONTROL OF UNINTERRUPTED POWER SUPPLY OF CORPORATE COMMUNICATION SYSTEMS | |
| JP7279906B1 (en) | Power control device, control system including power control device | |
| RU63155U1 (en) | NETWORK ADAPTER FOR REMOTE CONTROL AND CONTROL OF THE UNINTERRUPTIBLE POWER SUPPLY UNIT | |
| RU62759U1 (en) | NETWORK ADAPTER FOR REMOTE CONTROL AND UNINTERRUPTIBLE POWER SUPPLY | |
| RU60825U1 (en) | REMOTE CONTROL AND CONTROL UNIT OF UNINTERRUPTIBLE POWER SUPPLY MODULE | |
| CN204465583U (en) | A PoE switch that visualizes and heals itself | |
| US7547991B2 (en) | Redundancy power for communication devices | |
| KR100900712B1 (en) | Intelligent power control unit |
Legal Events
| Date | Code | Title | Description |
|---|---|---|---|
| MM1K | Utility model has become invalid (non-payment of fees) |
Effective date: 20121225 |
