RU43707U1 - RADIOTELEPHONE - Google Patents
RADIOTELEPHONE Download PDFInfo
- Publication number
- RU43707U1 RU43707U1 RU2004123114/22U RU2004123114U RU43707U1 RU 43707 U1 RU43707 U1 RU 43707U1 RU 2004123114/22 U RU2004123114/22 U RU 2004123114/22U RU 2004123114 U RU2004123114 U RU 2004123114U RU 43707 U1 RU43707 U1 RU 43707U1
- Authority
- RU
- Russia
- Prior art keywords
- information card
- subscriber
- radiotelephone
- information
- card
- Prior art date
Links
- 230000000007 visual effect Effects 0.000 claims abstract description 7
- 230000011664 signaling Effects 0.000 abstract description 2
- 238000005352 clarification Methods 0.000 description 1
- 238000010586 diagram Methods 0.000 description 1
- 230000000694 effects Effects 0.000 description 1
Landscapes
- Mobile Radio Communication Systems (AREA)
Abstract
Полезная модель относится к радиосвязи, в частности к радиотелефонным аппаратам мобильной связи, обладающими дополнительными функциональными возможностями. Радиотелефон включает персональную информационную карту с кодом абонента, электронный блок считывания информации с информационной карты и конструкционный отсек для приема и фиксации информационной карты. Он дополнительно содержит видеодатчик, связанный с электронным блоком считывания информации, а информационная карта содержит предварительно закодированную пунктом электронных услуг видеокарту с планом расположения, фотоснимками и нумерацией объектов делового, социального и торгового характера города. Информационная карта также содержит предоставленный абонентом предполагаемый деловой и маршрутный распорядок дня абонента с речевыми и визуальными подсказками характерных точек перемещения абонента по времени и месте нахождения посредством виодеодатчика, звуковой и визуальной сигнализации радиотелефона. Информационная карта может быть выполнена в виде микрочипа.The invention relates to radio communications, in particular to mobile radio telephony devices with additional functionality. The radiotelephone includes a personal information card with a subscriber code, an electronic unit for reading information from the information card, and a structural compartment for receiving and fixing the information card. It additionally contains a video sensor associated with an electronic information reading unit, and the information card contains a video card pre-encoded by an electronic services point with a location plan, photographs and numbering of objects of a business, social and commercial nature of the city. The information card also contains the proposed business and route schedule of the subscriber’s day provided by the subscriber with voice and visual cues of the characteristic points of the subscriber’s movement in time and location by means of a video sensor, sound and visual signaling of the radiotelephone. The information card can be made in the form of a microchip.
Description
Полезная модель относится к радиосвязи, в частности к радиотелефонным аппаратам мобильной связи, обладающими дополнительными функциональными возможностями.The invention relates to radio communications, in particular to mobile radio telephony devices with additional functionality.
Известен мобильный радиотелефон, содержащий приемопередающий блок, соединенный с антенной, блок звуковой информации вызова, блок памяти, микрофон, телефон, дисплей, клавиатуру, блок выбора режимов работы и источник питания, который подключен к контроллеру (см. патент РФ №2204887, кл. Н 04 М 1/02, 1/21, 2003 г. - аналог).Known mobile radiotelephone containing a transceiver unit connected to the antenna, a block of sound information call, a memory unit, a microphone, a telephone, a display, a keyboard, a unit for selecting operating modes and a power source that is connected to the controller (see RF patent No. 2204887, cl. H 04 M 1/02, 1/21, 2003 - analogue).
Недостатком известного радиотелефона являются его ограниченные эксплуатационные возможности, в частности по оказанию услуг в качестве гида-путеводителя.A disadvantage of the known radiotelephone is its limited operational capabilities, in particular for the provision of services as a guide.
Известно устройство для считывания информации с карточки и радиотелефон, содержащий персональную информационную карту с кодом абонента, электронный блок считывания информации с информационной карты и конструкционный отсек для приема и фиксации информационной карты (см. патент РФ №2163055, кл. Н 04 М 1/64, 2001 г. - прототип).A device for reading information from a card and a radiotelephone containing a personal information card with a subscriber code, an electronic unit for reading information from an information card and a structural compartment for receiving and fixing an information card (see RF patent No. 2163055, class N 04 M 1/64 , 2001 - prototype).
Недостатком известного радиотелефона являются его ограниченные эксплуатационные возможности, поскольку такой радиотелефон используется в основном в банковском деле или в сфере услуг по выбору того или иного объекта время провождения.A disadvantage of the known radiotelephone is its limited operational capabilities, since such a radiotelephone is used mainly in banking or in the service sector for choosing an object while.
Целью полезной модели является расширение функциональных и эксплуатационных возможностей радиотелефона по оказанию абонентских услуг в качестве гида-путеводителя и контролера выбранного абонентом распорядка дня.The purpose of the utility model is to expand the functional and operational capabilities of the radiotelephone to provide subscription services as a guide-guide and controller of the daily schedule chosen by the subscriber.
Указанная цель достигается тем, что радиотелефон, включающий персональную информационную карту с кодом абонента, электронный блок считывания информации с информационной карты и конструкционный отсек для приема и фиксации информационной карты, он дополнительно содержит видеодатчик, связанный с электронным блоком считывания информации, а информационная карта содержит предварительно закодированную пунктом электронных услуг видеокарту с планом расположения, фотоснимками и нумерацией объектов делового, социального и торгового характера города, а также предоставленный абонентом предполагаемый деловой и маршрутный распорядок дня абонента с речевыми и визуальными подсказками характерных точек перемещения абонента по времени и месте нахождения посредством виодеодатчика, звуковой и визуальной сигнализации радиотелефона; информационная карта выполнена в виде микрочипа.This goal is achieved in that the radiotelephone, including a personal information card with a subscriber’s code, an electronic unit for reading information from an information card and a structural compartment for receiving and fixing an information card, additionally contains a video sensor associated with an electronic unit for reading information, and the information card contains a video card encoded by an electronic services point with a location plan, photographs and numbering of objects of a business, social and commercial nature city district, as well as the proposed business and route schedule of the subscriber’s day provided by the subscriber with speech and visual cues of the characteristic points of the subscriber’s movement in time and location by means of a video sensor, sound and visual signaling of the radiotelephone; The information card is made in the form of a microchip.
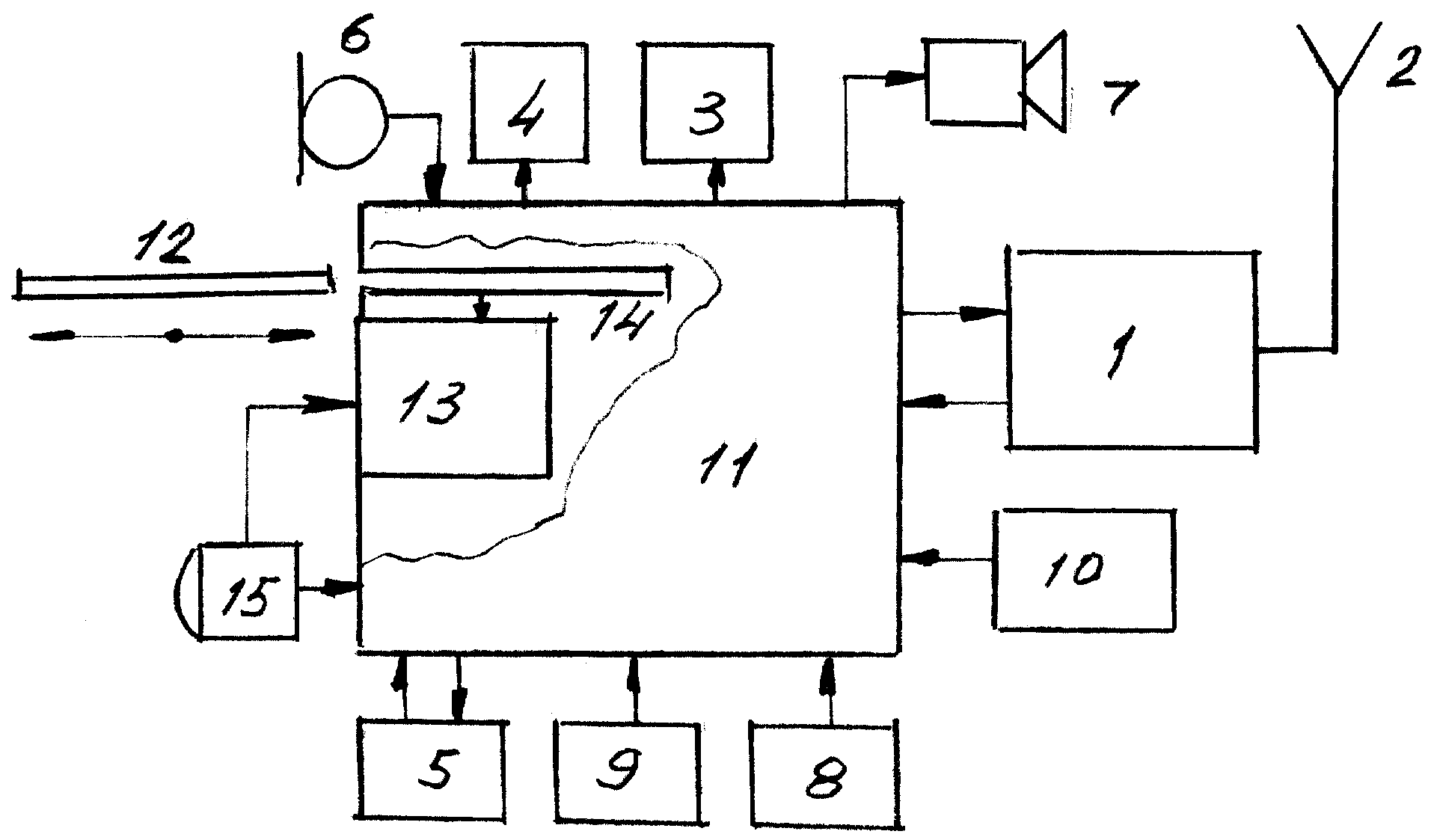
На фиг.1 представлена структурная электрическая схема радиотелефона, например, мобильного.Figure 1 presents the structural electrical diagram of a radiotelephone, for example, a mobile.
Радиотелефон содержит приемнопередающий блок 1, антенну 2, дисплей 3, блок 4 звуковой индикации вызова, блок 5 памяти, микрофон 6, телефон 7, клавиатуру 8, блок 9 выбора режимов работы, источник питания 10, контроллер 11, персональную карту 12 (ПК) с кодом абонента, электронный блок 13 считывания информации с электронной карты 12, конструкционный отсек 14 для приема и фиксации ПК 12 и видеодатчик 15, связанный электрически с электронным блоком 13 считывания информации. Вместо ПК 12 может быть использован микрочип.The radiotelephone contains a transceiver unit 1, an antenna 2, a display 3, an audio call indication unit 4, a memory unit 5, a microphone 6, a telephone 7, a keyboard 8, an operating mode selection unit 9, a power source 10, a controller 11, a personal card 12 (PC) with the subscriber’s code, an electronic unit 13 for reading information from an electronic card 12, a structural compartment 14 for receiving and fixing a PC 12 and a video sensor 15, which is connected electrically with an electronic unit 13 for reading information. Instead of PC 12, a microchip can be used.
Радиотелефон работает следующим образом.Radiotelephone works as follows.
В режиме радиотелефонной связи радиотелефон функционирует известным образом. В режиме гида-путеводителя и контролера выбранного абонентом распорядка дня предварительно в пункте электронных услуг или специализированной фирме, куда обращается абонент за указанной выше услугой, производится кодирование его ПК 12 согласно информации (видеокарты) с планом расположения, характерными фотоснимками и нумерацией объектов делового, социального и торгового характера города, в котором проживает абонент или любого другого города, в который он прибыл. Одновременно на ПК 12 заносится также кодированный распорядок дня абонента, предварительно составленный абонентом с учетом его необходимых деловых встреч и маршрутных перемещений. С помощью видеодатчика 15, встроенного в корпус радиотелефона, абонент получает видеоинформацию о любых объектах делового, социального и торгового характера, находящихся в черте города пребывания абонента. С помощью блока 13 считывания информации с ПК 12 данные виодеодатчика 15 сравниваются с видеокартой города, ранее занесенной на его ПК 12. При этом с помощью блока 5 памяти и характерной нумерации объектов города абоненту производится необходимая подсказка речевого (посредством блока 4) и визуального (посредством блока 3) характера о его истинном местонахождении, времени местонахождения и оптимальном маршруте необходимого перемещения до цели.In the radiotelephone communication mode, the radiotelephone operates in a known manner. In the guide-guide and controller mode, the daily schedule selected by the subscriber is preliminarily encoded in the electronic services point or specialized company where the subscriber calls for the above service, encoding his PC 12 according to the information (video card) with the location plan, characteristic photographs and numbering of business, social and the commercial nature of the city in which the subscriber lives or any other city in which he arrived. At the same time, coded daily routine of the subscriber, previously compiled by the subscriber taking into account his necessary business meetings and route movements, is also entered on PC 12. Using the video sensor 15, which is built into the body of the radiotelephone, the subscriber receives video information about any business, social and commercial objects located within the city of the subscriber's stay. Using the unit 13 for reading information from PC 12, the data of the video sensor 15 are compared with the video card of the city previously stored on its PC 12. At the same time, using the block 5 of the memory and the characteristic numbering of the city’s objects, the subscriber is given the necessary speech (via block 4) and visual (through unit 3) of the nature of its true location, time of location and the optimal route of the necessary movement to the target.
Для необходимых уточнений абонент может, используя персональный код ПК 12, связаться с пунктом электронных услуг в режиме радиотелефонной связи.For the necessary clarifications, the subscriber can, using the personal code of PC 12, contact the point of electronic services in the radiotelephone communication mode.
ПК 12 абонента находится в конструкционном отсеке 14 радиотелефона в зафиксированном положении.The subscriber’s PC 12 is in a fixed position in the structural compartment 14 of the radiotelephone.
Таким образом, полезная модель позволяет значительно расширить фронт услуг, которые абонент может получить с помощью предложенного радиотелефона, сэкономить время и материальные ресурсы в сфере его производственной деятельности.Thus, the utility model can significantly expand the range of services that the subscriber can receive using the proposed radiotelephone, save time and material resources in the field of its production activities.
Claims (2)
Priority Applications (1)
| Application Number | Priority Date | Filing Date | Title |
|---|---|---|---|
| RU2004123114/22U RU43707U1 (en) | 2004-07-29 | 2004-07-29 | RADIOTELEPHONE |
Applications Claiming Priority (1)
| Application Number | Priority Date | Filing Date | Title |
|---|---|---|---|
| RU2004123114/22U RU43707U1 (en) | 2004-07-29 | 2004-07-29 | RADIOTELEPHONE |
Publications (1)
| Publication Number | Publication Date |
|---|---|
| RU43707U1 true RU43707U1 (en) | 2005-01-27 |
Family
ID=35139907
Family Applications (1)
| Application Number | Title | Priority Date | Filing Date |
|---|---|---|---|
| RU2004123114/22U RU43707U1 (en) | 2004-07-29 | 2004-07-29 | RADIOTELEPHONE |
Country Status (1)
| Country | Link |
|---|---|
| RU (1) | RU43707U1 (en) |
Cited By (3)
| Publication number | Priority date | Publication date | Assignee | Title |
|---|---|---|---|---|
| RU2432710C2 (en) * | 2006-09-19 | 2011-10-27 | Телекоммьюникейшн Системз, Инк. | Event initiating device excited based on location |
| RU2432702C2 (en) * | 2007-02-01 | 2011-10-27 | Сони Эрикссон Мобайл Коммьюникейшнз Аб | Method and device for snoozing condition-based reminder |
| RU2460042C2 (en) * | 2007-03-05 | 2012-08-27 | Сони Эрикссон Мобайл Коммьюникейшнз Аб | Mobile terminals having location control systems and location control methods for mobile terminals |
-
2004
- 2004-07-29 RU RU2004123114/22U patent/RU43707U1/en not_active IP Right Cessation
Cited By (3)
| Publication number | Priority date | Publication date | Assignee | Title |
|---|---|---|---|---|
| RU2432710C2 (en) * | 2006-09-19 | 2011-10-27 | Телекоммьюникейшн Системз, Инк. | Event initiating device excited based on location |
| RU2432702C2 (en) * | 2007-02-01 | 2011-10-27 | Сони Эрикссон Мобайл Коммьюникейшнз Аб | Method and device for snoozing condition-based reminder |
| RU2460042C2 (en) * | 2007-03-05 | 2012-08-27 | Сони Эрикссон Мобайл Коммьюникейшнз Аб | Mobile terminals having location control systems and location control methods for mobile terminals |
Similar Documents
| Publication | Publication Date | Title |
|---|---|---|
| US8755846B2 (en) | Wireless telecommunication device and uses thereof | |
| EP0874529A2 (en) | Mobile information device with user information service in a local area | |
| CN101647300A (en) | Tracking a group of mobile terminals | |
| WO2006020241A3 (en) | A hands-free circuit and method | |
| JP2002171332A (en) | Communication terminal device | |
| RU43707U1 (en) | RADIOTELEPHONE | |
| US20130303132A1 (en) | Methods and systems for creating customized ringtones based on caller information | |
| JP2009188903A (en) | Mobile communication terminal and its control program | |
| KR100594444B1 (en) | Mobile communication terminal with schedule management function and its control method | |
| ATE295668T1 (en) | MOBILE PHONE ADAPTER FOR HOUSING AND SWITCHING BETWEEN TWO OR MORE SIM CARDS | |
| CN101719946B (en) | Method for acquiring calling user information on GPS mobilephone | |
| CN202979285U (en) | Personal location service terminal | |
| CN101252752A (en) | Data monitoring and positioning navigational route type double-card double-network terminal | |
| ATE341150T1 (en) | SIM CARD AND A CELL PHONE FOR IT | |
| KR100639367B1 (en) | Mobile communication terminal with unique number recognition function and control method | |
| KR100585762B1 (en) | How to display the caller's location on your mobile device | |
| JP2002101443A (en) | Mobile phone self-location notification system and self-location notification method | |
| KR100452345B1 (en) | Mobile phone and method for displaying voice activity quantity | |
| US8761837B2 (en) | Communication device, communication history display method, and computer-readable recording medium recorded with communication history display program | |
| WO2005062727A2 (en) | Apparatus for canceling the vibration/silence notification mode of mobile phone and canceling method thereof | |
| JPH07162955A (en) | Mobile phone with remaining call time display function | |
| KR200423212Y1 (en) | Virtual Receive Functions | |
| JP4222742B2 (en) | Mobile radio terminal | |
| CN2511074Y (en) | Mobile communication telephone with paging function | |
| KR100639384B1 (en) | Mobile communication terminal with ruler function and its control method |
Legal Events
| Date | Code | Title | Description |
|---|---|---|---|
| MM1K | Utility model has become invalid (non-payment of fees) |
Effective date: 20070730 |
