KR102150267B1 - Fail safe apparatus of led for vehicle - Google Patents
Fail safe apparatus of led for vehicle Download PDFInfo
- Publication number
- KR102150267B1 KR102150267B1 KR1020140115995A KR20140115995A KR102150267B1 KR 102150267 B1 KR102150267 B1 KR 102150267B1 KR 1020140115995 A KR1020140115995 A KR 1020140115995A KR 20140115995 A KR20140115995 A KR 20140115995A KR 102150267 B1 KR102150267 B1 KR 102150267B1
- Authority
- KR
- South Korea
- Prior art keywords
- voltage
- resistor
- led
- input unit
- temperature compensation
- Prior art date
- Legal status (The legal status is an assumption and is not a legal conclusion. Google has not performed a legal analysis and makes no representation as to the accuracy of the status listed.)
- Active
Links
- 238000000034 method Methods 0.000 claims description 17
- 230000007423 decrease Effects 0.000 claims description 5
- 238000004519 manufacturing process Methods 0.000 description 11
- 230000006866 deterioration Effects 0.000 description 3
- 238000007689 inspection Methods 0.000 description 3
- 230000032683 aging Effects 0.000 description 2
- 238000010586 diagram Methods 0.000 description 2
- 230000017525 heat dissipation Effects 0.000 description 2
- 239000003086 colorant Substances 0.000 description 1
- 239000004020 conductor Substances 0.000 description 1
- 230000003247 decreasing effect Effects 0.000 description 1
- 238000005516 engineering process Methods 0.000 description 1
- 229910052736 halogen Inorganic materials 0.000 description 1
- 150000002367 halogens Chemical class 0.000 description 1
- 239000000463 material Substances 0.000 description 1
- 238000012986 modification Methods 0.000 description 1
- 230000004048 modification Effects 0.000 description 1
Images
Classifications
-
- B—PERFORMING OPERATIONS; TRANSPORTING
- B60—VEHICLES IN GENERAL
- B60Q—ARRANGEMENT OF SIGNALLING OR LIGHTING DEVICES, THE MOUNTING OR SUPPORTING THEREOF OR CIRCUITS THEREFOR, FOR VEHICLES IN GENERAL
- B60Q11/00—Arrangement of monitoring devices for devices provided for in groups B60Q1/00 - B60Q9/00
- B60Q11/005—Arrangement of monitoring devices for devices provided for in groups B60Q1/00 - B60Q9/00 for lighting devices, e.g. indicating if lamps are burning or not
-
- B—PERFORMING OPERATIONS; TRANSPORTING
- B60—VEHICLES IN GENERAL
- B60R—VEHICLES, VEHICLE FITTINGS, OR VEHICLE PARTS, NOT OTHERWISE PROVIDED FOR
- B60R16/00—Electric or fluid circuits specially adapted for vehicles and not otherwise provided for; Arrangement of elements of electric or fluid circuits specially adapted for vehicles and not otherwise provided for
- B60R16/02—Electric or fluid circuits specially adapted for vehicles and not otherwise provided for; Arrangement of elements of electric or fluid circuits specially adapted for vehicles and not otherwise provided for electric constitutive elements
- B60R16/03—Electric or fluid circuits specially adapted for vehicles and not otherwise provided for; Arrangement of elements of electric or fluid circuits specially adapted for vehicles and not otherwise provided for electric constitutive elements for supply of electrical power to vehicle subsystems or for
-
- F—MECHANICAL ENGINEERING; LIGHTING; HEATING; WEAPONS; BLASTING
- F21—LIGHTING
- F21S—NON-PORTABLE LIGHTING DEVICES; SYSTEMS THEREOF; VEHICLE LIGHTING DEVICES SPECIALLY ADAPTED FOR VEHICLE EXTERIORS
- F21S45/00—Arrangements within vehicle lighting devices specially adapted for vehicle exteriors, for purposes other than emission or distribution of light
- F21S45/10—Protection of lighting devices
-
- F—MECHANICAL ENGINEERING; LIGHTING; HEATING; WEAPONS; BLASTING
- F21—LIGHTING
- F21W—INDEXING SCHEME ASSOCIATED WITH SUBCLASSES F21K, F21L, F21S and F21V, RELATING TO USES OR APPLICATIONS OF LIGHTING DEVICES OR SYSTEMS
- F21W2107/00—Use or application of lighting devices on or in particular types of vehicles
- F21W2107/10—Use or application of lighting devices on or in particular types of vehicles for land vehicles
-
- Y—GENERAL TAGGING OF NEW TECHNOLOGICAL DEVELOPMENTS; GENERAL TAGGING OF CROSS-SECTIONAL TECHNOLOGIES SPANNING OVER SEVERAL SECTIONS OF THE IPC; TECHNICAL SUBJECTS COVERED BY FORMER USPC CROSS-REFERENCE ART COLLECTIONS [XRACs] AND DIGESTS
- Y10—TECHNICAL SUBJECTS COVERED BY FORMER USPC
- Y10S—TECHNICAL SUBJECTS COVERED BY FORMER USPC CROSS-REFERENCE ART COLLECTIONS [XRACs] AND DIGESTS
- Y10S362/00—Illumination
- Y10S362/80—Light emitting diode
Landscapes
- Engineering & Computer Science (AREA)
- Mechanical Engineering (AREA)
- General Engineering & Computer Science (AREA)
- Circuit Arrangement For Electric Light Sources In General (AREA)
- Lighting Device Outwards From Vehicle And Optical Signal (AREA)
Abstract
본 발명은 LED(Light Emitting Module) 모듈의 온도에 따른 온도보상전압을 입력하는 온도보상전압 입력부, LED 모듈의 전류 기울기를 결정하기 위한 기울기조정전압을 입력하는 기울기조정전압 입력부, 온도보상전압과 기울기조정전압의 차 성분을 증폭하여 제1 출력전압을 출력하는 제1 차분기, LED 모듈의 휘도에 대응되는 기준전류를 설정하기 위한 휘도결정전압을 입력하는 휘도결정전압 입력부, 제1 출력전압과 상기 휘도결정전압의 차 성분을 증폭하여 제2 출력전압을 출력하는 제2 차분기 및 LED 모듈의 전류 최소값을 설정하기 위해 제2 출력전압을 제한하여 최종 출력전압을 LED 제어모듈로 인가하는 전압 제한부를 포함하는 것을 특징으로 한다.The present invention is a temperature compensation voltage input unit for inputting a temperature compensation voltage according to the temperature of the LED (Light Emitting Module) module, a slope adjustment voltage input unit for inputting a slope adjustment voltage for determining the current slope of the LED module, and temperature compensation voltage and slope A first differential branch that amplifies the difference component of the adjustment voltage to output a first output voltage, a luminance determination voltage input unit that inputs a luminance determination voltage for setting a reference current corresponding to the luminance of the LED module, the first output voltage and the A voltage limiter that amplifies the difference component of the luminance determining voltage and applies the final output voltage to the LED control module by limiting the second output voltage to set the minimum current value of the LED module and the second branch that outputs the second output voltage. It characterized in that it includes.
Description
본 발명은 차량용 LED 고장 보호 장치에 관한 것으로서, 보다 상세하게는 2채널 차분기를 이용하여 차량용 외장 램프의 LED 고장 보호 기능을 구현한 차량용 LED 고장 보호 장치에 관한 것이다.
The present invention relates to a vehicle LED failure protection device, and more particularly, to a vehicle LED failure protection device implementing the LED failure protection function of a vehicle exterior lamp using a two-channel differential.
자동차용 외장램프에서 기존 할로겐 전구를 대신하여 LED(Light Emitting Diode)가 일반화되고 있다. LED의 양단에 인가되는 Forward(Vf)와 색도, 휘도 등은 대표적인 편차를 가지는 인자로서, 그 특성 범위에 따라 그룹핑해 놓은 것을 BIN이라 한다. 특히, 휘도 BIN은 광량을 결정짓는 매우 중요한 특성이다. In automotive exterior lamps, LED (Light Emitting Diode) is becoming more common in place of the existing halogen bulb. Forward(Vf) applied to both ends of LED, chromaticity, luminance, etc. are factors that have typical deviations, and grouped according to their characteristic range is called BIN. In particular, the luminance BIN is a very important characteristic that determines the amount of light.
휘도 BIN은 총 6가지 중에서 수율과 단가를 고려하여 통상 2~3개가 선택될 수 있다. 예를 들어 2개의 휘도 BIN이 선택되면, 각 휘도 BIN별로 LDM(LED Drive Module)에서 다른 전류를 LED에 공급해야 동일한 광량을 낼 수 있다. 즉, LAM(LED Assembly Module)도 2가지로 제작되지만, LDM도 2가지로 제작된다. 그 결과, LDM과 LAM을 조립하는 공정 중에, 작업자의 실수 등으로 이들이 서로 매칭되게 조립되지 않으면 출력 광량이 다르게 될 수 있기 있으므로, 이를 방지하기 위한 여러 가지 아이디어가 도출되고 있다. 종래에는 커넥터 색깔을 다르게 하거나 커넥터 핀수를 다르게 하여 이들이 조립되지 않도록 하는 방법이 사용된다. Two to three luminance BINs can be selected from a total of six in consideration of yield and unit cost. For example, if two luminance BINs are selected, the same amount of light can be emitted by supplying different currents to the LEDs from the LED Drive Module (LDM) for each luminance BIN. That is, LAM (LED Assembly Module) is also manufactured in two types, but LDM is also manufactured in two types. As a result, during the process of assembling the LDM and LAM, if they are not assembled to match each other due to an operator's error, etc., the amount of output light may be different, and various ideas for preventing this have been derived. Conventionally, different connector colors or different connector pin counts are used to prevent them from being assembled.
또한 고광량/고전력의 LED 적용이 늘어남에 따라 방열과 고온 조건의 LED 전류제어 보호 기능이 필요로 하게 되었다. 대부분 LED의 junction 온도 한계는 125℃~160℃ 수준으로, 방열구조의 고장이나 열전도 재질의 노화에 따라 LED의 온도는 급격히 증가하게 되며, 이 경우 LED는 내구성능을 만족하지 못하고 열화 및 소손되는 경우가 발생하게 된다. 그러므로, LED에는 LED가 정상범위 이상의 고온영역에 진입했을 때 소손한계까지 방치되지 않도록 전류를 감소시켜 내구성능을 만족시키는 고장 보호(fail safety) 기능이 구현되어야 한다. In addition, as the application of high-intensity/high-power LEDs increases, it is necessary to provide protection for heat dissipation and LED current control under high temperature conditions. The junction temperature limit of most LEDs is 125℃~160℃, and the temperature of the LED increases rapidly due to the failure of the heat dissipation structure or the aging of the heat-conducting material. In this case, the LED does not meet the durability performance and deteriorates and burns Occurs. Therefore, the LED should be implemented with a fail safety function that satisfies durability by reducing the current so as not to be left to the burnout limit when the LED enters the high temperature region above the normal range.
이를 위해 종래에는 MCU(Micro Controller Unit)가 상기한 고장 보호 기능을 구현하고 있다. 그러나, 종래의 MCU는 상대적으로 매우 고가의 소자로서 차량용 외장램프의 생산비를 크게 증가시키고, 생산 공정을 복잡하게 하는 한 원인이 되었다. For this, conventionally, a microcontroller unit (MCU) implements the above-described failure protection function. However, the conventional MCU is a relatively very expensive device, which greatly increases the production cost of an external lamp for a vehicle and complicates the production process.
본 발명의 배경기술은 대한민국 공개특허공보 제10-2011-0037674호(2011.04.13)에 개시되어 있다.
Background art of the present invention is disclosed in Korean Patent Application Publication No. 10-2011-0037674 (2011.04.13).
본 발명은 전술한 문제점을 해결하기 위해 창안된 것으로서, 본 발명의 목적은 2채널 차분기를 이용하여 차량용 외장 램프의 LED 고장 보호 기능을 구현한 차량용 LED 고장 보호 장치를 제공하는 것이다. The present invention was invented to solve the above-described problems, and an object of the present invention is to provide a vehicle LED failure protection device implementing a function of protecting an LED failure of an exterior lamp for a vehicle using a two-channel differential.
본 발명의 다른 목적은 차량용 외장 램프의 LED에 대한 내구성능을 만족하고 고온으로 인한 열화 및 소손을 방지하는 차량용 LED 고장 보호 장치를 제공하는 것이다. Another object of the present invention is to provide an LED failure protection device for a vehicle that satisfies the durability for LED of an exterior lamp for a vehicle and prevents deterioration and burnout due to high temperature.
본 발명의 또 다른 목적은 고가의 고장 보호용 MCU를 대체할 수 있어 차량용 LED의 생산비를 크게 절감할 수 있도록 한 차량용 LED 고장 보호 장치를 제공하는 것이다.Another object of the present invention is to provide a vehicle LED failure protection device capable of significantly reducing the production cost of vehicle LEDs by replacing expensive MCUs for failure protection.
본 발명의 또 다른 목적은 고장 보호용 MCU를 대체하여 생산시 소프트웨어 설계 공정, 라이팅 공정 및 검수 공정을 제외하여 생산 공정을 단순화시킬 수 있도록 한 차량용 LED 고장 보호 장치를 제공하는 것이다.
Another object of the present invention is to provide a vehicle LED failure protection device capable of simplifying the production process by excluding the software design process, the writing process and the inspection process during production by replacing the fault protection MCU.
본 발명의 일 측면에 따른 차량용 LED 고장 보호 장치는 LED(Light Emitting Module) 모듈의 온도에 따른 온도보상전압을 입력하는 온도보상전압 입력부; 상기 LED 모듈의 전류 기울기를 결정하기 위한 기울기조정전압을 입력하는 기울기조정전압 입력부; 상기 온도보상전압과 상기 기울기조정전압의 차 성분을 증폭하여 제1 출력전압을 출력하는 제1 차분기; 상기 LED 모듈의 휘도에 대응되는 기준전류를 설정하기 위한 휘도결정전압을 입력하는 휘도결정전압 입력부; 상기 제1 출력전압과 상기 휘도결정전압의 차 성분을 증폭하여 제2 출력전압을 출력하는 제2 차분기; 및 상기 LED 모듈의 전류 최소값을 설정하기 위해 상기 제2 출력전압을 제한하여 최종 출력전압을 LED 제어모듈로 인가하는 전압 제한부를 포함하는 것을 특징으로 한다.A vehicle LED failure protection device according to an aspect of the present invention includes a temperature compensation voltage input unit for inputting a temperature compensation voltage according to the temperature of the LED (Light Emitting Module) module; A slope adjustment voltage input unit for inputting a slope adjustment voltage for determining a current slope of the LED module; A first difference branch configured to amplify a difference component between the temperature compensation voltage and the slope adjustment voltage to output a first output voltage; A luminance determination voltage input unit for inputting a luminance determination voltage for setting a reference current corresponding to the luminance of the LED module; A second difference branch configured to amplify a difference component between the first output voltage and the luminance determining voltage to output a second output voltage; And a voltage limiter configured to limit the second output voltage and apply a final output voltage to the LED control module in order to set the minimum current value of the LED module.
본 발명에서, 상기 온도보상전압 입력부는 전원 전압을 분배하여 상기 온도보상전압을 형성하고 상기 온도보상전압을 상기 제1 차분기의 반전 단자로 입력하는 것을 특징으로 한다.In the present invention, the temperature compensation voltage input unit is characterized in that the power supply voltage is distributed to form the temperature compensation voltage, and the temperature compensation voltage is input to an inversion terminal of the first differential branch.
본 발명에서, 상기 온도보상전압 입력부는 직렬로 연결되는 제1 저항 및 NTC(Negative temperature coefficient) 저항을 포함하되, 상기 제1 저항은 일측이 전원과 연결되고 타측이 상기 NTC 저항에 연결되며, 상기 NTC 저항 일측이 상기 제1 저항과 연결되고 타측이 접지와 연결되어 상기 LED 모듈의 온도에 따라 증감되는 것을 특징으로 한다.In the present invention, the temperature compensation voltage input unit includes a first resistor and a negative temperature coefficient (NTC) resistor connected in series, wherein one side of the first resistor is connected to a power source and the other side is connected to the NTC resistor, and the One side of the NTC resistor is connected to the first resistor and the other side is connected to the ground to increase or decrease according to the temperature of the LED module.
본 발명에서, 상기 기울기조정전압 입력부는 전원 전압을 분배하여 상기 기울기조정전압을 형성하고 상기 기울기조정전압을 상기 제1 차분기의 비반전 단자로 입력하는 것을 특징으로 한다.In the present invention, the slope adjustment voltage input unit distributes a power supply voltage to form the slope adjustment voltage and inputs the slope adjustment voltage to a non-inverting terminal of the first differential branch.
본 발명에서, 상기 기울기조정전압 입력부는 직렬로 연결되는 제2 저항 및 R_커브 저항을 포함하되, 상기 제2 저항은 일측이 전원과 연결되고 타측이 상기 R_커브 저항에 연결되며, 상기 R_커브 저항은 일측이 상기 제2 저항과 연결되고 타측이 접지와 연결되어 상기 LED 모듈에 설정된 온도 변곡점에 따라 기 설정되는 것을 특징으로 한다.In the present invention, the slope adjustment voltage input unit includes a second resistor and an R_ curve resistor connected in series, wherein one side of the second resistor is connected to a power source and the other side is connected to the R_ curve resistor, and the R The _curve resistance is characterized in that one side is connected to the second resistor and the other side is connected to ground, and is preset according to a temperature inflection point set in the LED module.
본 발명에서, 상기 휘도결정전압 입력부는 전원 전압을 분배하여 상기 휘도결정전압을 형성하고 상기 휘도결정전압을 상기 제2 차분기의 비반전 단자로 입력하는 것을 특징으로 한다.In the present invention, the luminance determining voltage input unit distributes a power supply voltage to form the luminance determining voltage and inputs the luminance determining voltage to a non-inverting terminal of the second secondary branch.
본 발명에서, 상기 휘도결정전압 입력부는 직렬로 연결되는 제3 저항 및 BIN 저항을 포함하되, 상기 제3 저항은 일측이 전원과 연결되고 타측이 상기 BIN 저항에 연결되며, 상기 BIN 저항은 일측이 상기 제3 저항과 연결되고 타측이 접지와 연결되어 상기 LED 모듈의 휘도 설정을 위해 기 설정되는 것을 특징으로 한다.In the present invention, the luminance determining voltage input unit includes a third resistor and a BIN resistor connected in series, wherein one side of the third resistor is connected to a power source and the other side is connected to the BIN resistor, and the BIN resistance is one side It is characterized in that it is connected to the third resistor and the other side is connected to the ground to be preset to set the brightness of the LED module.
본 발명에서, 상기 전압제한부는 상기 제2 차분기의 출력단과 상기 LED 제어모듈 사이에 직렬로 연결되는 제3 저항을 포함하는 것을 특징으로 한다.
In the present invention, the voltage limiting unit is characterized in that it includes a third resistor connected in series between the output terminal of the second branch and the LED control module.
본 발명은 2채널 차분기를 이용하여 차량용 외장 램프의 LED 고장 보호 기능을 구현함으로서, 차량용 외장 램프의 LED에 대한 내구성능을 만족하고 고온으로 인한 열화 및 소손을 방지할 수 있다. In the present invention, by implementing the LED failure protection function of the exterior lamp for a vehicle by using a two-channel differential, it is possible to satisfy the durability of the LED of the exterior lamp for a vehicle and prevent deterioration and burnout due to high temperature.
본 발명은 고가의 고장 보호용 MCU를 대체하여 차량용 외장램프의 생산비를 크게 절감할 수 있고, 생산시 소프트웨어 설계 공정, 라이팅 공정 및 검수 공정 등을 제외하여 생산 공정을 단순화시킬 수 있도록 한다.
The present invention can significantly reduce the production cost of an external lamp for a vehicle by replacing an expensive fault protection MCU, and simplify the production process by excluding the software design process, the writing process, and the inspection process during production.
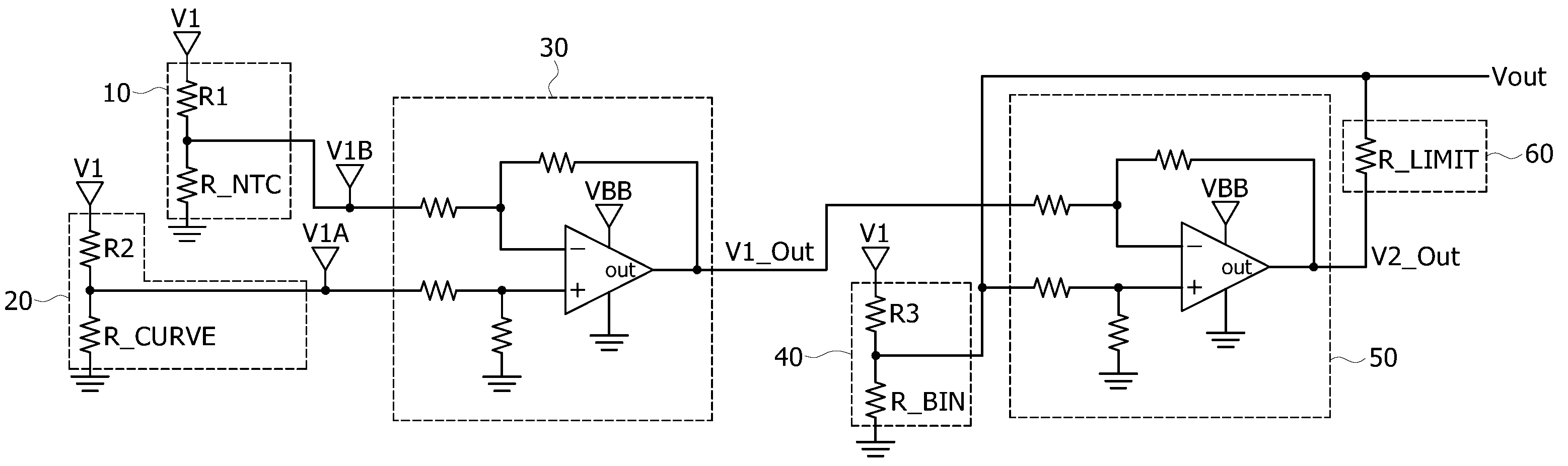
도 1 은 본 발명의 일 실시예에 따른 차량용 외장 램프의 LED 고장 보호 장치의 회로도이다.
도 2 는 본 발명의 일 실시예에 따른 차량용 외장 램프의 LED 고장 보호 장치의 온도에 따른 LED 전류 변화를 나타낸 그래프이다. 1 is a circuit diagram of an LED failure protection device for an exterior lamp for a vehicle according to an embodiment of the present invention.
2 is a graph showing a change in LED current according to the temperature of an LED failure protection device of an exterior lamp for a vehicle according to an embodiment of the present invention.
이하에서는 본 발명의 일 실시예에 따른 차량용 외장 램프의 LED 고장 보호 장치를 첨부된 도면들을 참조하여 상세하게 설명한다. 이러한 과정에서 도면에 도시된 선들의 두께나 구성요소의 크기 등은 설명의 명료성과 편의상 과장되게 도시되어 있을 수 있다. 또한 후술되는 용어들은 본 발명에서의 기능을 고려하여 정의된 용어들로서, 이는 이용자, 운용자의 의도 또는 관례에 따라 달라질 수 있다. 그러므로 이러한 용어들에 대한 정의는 본 명세서 전반에 걸친 내용을 토대로 내려져야할 것이다. Hereinafter, a device for protecting an LED failure of an external lamp for a vehicle according to an embodiment of the present invention will be described in detail with reference to the accompanying drawings. In this process, thicknesses of lines or sizes of components shown in the drawings may be exaggerated for clarity and convenience of description. In addition, terms to be described later are terms defined in consideration of functions in the present invention, which may vary according to the intention or custom of users or operators. Therefore, definitions of these terms should be made based on the contents throughout the present specification.
도 1 은 본 발명의 일 실시예에 따른 차량용 외장 램프의 LED 고장 보호 장치의 회로도이고, 도 2 는 본 발명의 일 실시예에 따른 차량용 외장 램프의 LED 고장 보호 장치의 온도에 따른 LED 전류 변화를 나타낸 그래프이다. 1 is a circuit diagram of an LED failure protection device for an external lamp for a vehicle according to an embodiment of the present invention, and FIG. 2 is a change in LED current according to the temperature of the LED failure protection device for an external lamp for a vehicle according to an embodiment of the present invention. This is the graph shown.
도 1 을 참조하면, 본 발명의 일 실시예에 따른 차량용 외장 램프의 LED 고장 보호 장치는 온도보상전압 입력부(10), 기울기조정전압 입력부(20), 제1 차분기(30), 휘도결정전압 입력부(40), 제2 차분기(50) 및 전압 제한부(60)를 포함한다. Referring to FIG. 1, the LED failure protection device of an external lamp for a vehicle according to an embodiment of the present invention includes a temperature compensation
먼저 온도보상전압 입력부(10)는 LED(Light Emitting Module) 모듈(미도시)의 온도에 따른 온도보상전압(V1B)을 입력하는 것으로서, 전원 전압(V1)으로부터 공급되는 전압을 분배하여 온도보상전압(V1B)을 형성하고, 이 온도보상전압을 제1 차분기(30)의 반전 단자로 입력한다. First, the temperature compensation
이를 위해 온도보상전압 입력부(10)는 직렬로 연결되는 제1 저항(R1) 및 NTC 저항(R_NTC)을 포함하고, 제1 저항(R1)은 일측이 전원 전압(V1)과 연결되고 타측이 NTC 저항(R_NTC)에 연결되며, NTC(Negative temperature coefficient) 저항(R_NTC)은 일측이 제1 저항(R1)과 연결되고 타측이 접지와 연결된다. To this end, the temperature compensation
특히, NTC 저항(R_NTC)은 상기한 바와 같이 제1 저항(R1)과 직렬 연결되어 그 분배 전압으로서의 온도보상전압(V1B)을 출력하는데, LED 모듈에 설치되어 LED 모듈의 온도에 따라 그 저항값이 증감하게 된다. 이 경우 NTC 저항(R_NTC)의 저항값은 LED 모듈의 온도와 반비례하여 LED 모듈의 온도가 증가하면 감소하고 LED 모듈의 온도가 감소하면 증가하게 된다. 그 결과, 온도보상전압(V1B)은 LED 모듈의 온도에 따른 NTC 저항(R_NTC)의 저항값에 의해 증감하게 된다. 따라서, 상기한 NTC 저항(R_NTC)의 B-Constant값(상수값)은 LED 모듈에 인가되는 전류의 전류 변곡점을 조절할 수 있도록 설계자에 의해 사전에 설정된다. In particular, the NTC resistor (R_NTC) is connected in series with the first resistor (R1) as described above to output a temperature compensation voltage (V1B) as its divided voltage, which is installed in the LED module and its resistance value according to the temperature of the LED module. This will increase or decrease. In this case, the resistance value of the NTC resistance (R_NTC) is inversely proportional to the temperature of the LED module, and decreases when the temperature of the LED module increases, and increases when the temperature of the LED module decreases. As a result, the temperature compensation voltage V1B is increased or decreased by the resistance value of the NTC resistance R_NTC according to the temperature of the LED module. Therefore, the B-Constant value (constant value) of the NTC resistor R_NTC is previously set by the designer so that the current inflection point of the current applied to the LED module can be adjusted.
여기서, 통상적으로 LED 모듈의 온도에 따른 NTC 저항(R_NTC)의 저항값은 R0×EXP[B×{(1/T)-(1-T0)}]으로 계산되어지고, T는 현재온도를 나타내며 T0는 상온(25℃)을 나타낸다. 또한, R0 및 B 는 상수값으로서 NTC 저항(R_NTC) 제작시 사전에 설정된다. Here, in general, the resistance value of the NTC resistance (R_NTC) according to the temperature of the LED module is calculated as R 0 ×EXP[B×{(1/T)-(1-T 0 )}], where T is the current temperature. And T 0 represents room temperature (25°C). In addition, R 0 and B are constant values and are set in advance when the NTC resistor (R_NTC) is manufactured.
기울기조정전압 입력부(20)는 LED 모듈의 기울기를 결정하기 위한 기울기조정전압(V1A)을 입력하는 것으로서, 전원의 전원 전압(V1)을 분배하여 기울기조정전압(V1A)을 형성하고 형성된 기울기조정전압(V1A)을 제1 차분기(30)의 비반전 단자로 입력한다. The slope adjustment
이러한 기울기조정전압 입력부(20)는 직렬로 연결되는 제2 저항(R2) 및 R_커브 저항(R_CURVE)을 포함하되, 제2 저항(R2)은 일측이 전원 전압(V1)과 연결되고 타측이 R_커브 저항(R_CURVE)에 연결되며, R_커브 저항(R_CURVE)은 일측이 제2 저항(R2)과 연결되고 타측이 접지와 연결된다. The slope adjustment
특히, R_커브 저항(R_CURVE)은 상기한 바와 같이 제2 저항(R2)과 직렬 연결되어 그 분배 전압으로서의 기울기조정전압(V1A)을 출력하는데, R_커브 저항(R_CURVE)의 저항값은 LED 모듈의 전류 변곡점을 결정하기 위해 사전에 설정된다. 여기서, R_커브 저항(R_CURVE)이 사전에 설정되는 바, 기울기조정전압(V1A)은 항상 일정하다. In particular, the R_curve resistance (R_CURVE) is connected in series with the second resistor (R2) as described above to output the slope adjustment voltage (V1A) as the divided voltage, and the resistance value of the R_curve resistance (R_CURVE) is LED It is preset to determine the current inflection point of the module. Here, since the R_curve resistance R_CURVE is set in advance, the slope adjustment voltage V1A is always constant.
제1 차분기(30)는 반전 단자가 온도보상전압 입력부(10)와 연결되고 비반전 단자가 기울기조정전압 입력부(20)와 연결되며, 출력단이 제2 차분기(50)의 반전 단자와 연결된다. The
이에, 제1 차분기(30)는 온도보상전압 입력부(10)의 온도보상전압(V1B)과 기울기조정전압 입력부(20)의 기울기조정전압(V1A)을 반전 단자 및 비반전 단자로 각각 입력받아 온도보상전압(V1B)과 기울기조정전압(V1A)의 차 성분을 증폭하여 제1 출력전압(V1_Out)을 출력하고, 이 제1 출력전압(V1_Out)을 제2 차분기(50)의 반전 단자로 입력한다. Accordingly, the
여기서, 제1 차분기(30)의 제1 출력전압(V1_Out)은 상기한 온도보상전압(V1B)과 기울기조정전압(V1A)의 크기에 따라 결정된다. 제1 차분기(30)의 입출력 관계는 다음과 같다.Here, the first output voltage V1_Out of the
V1_Out= V1A-V1B (if V1A > V1B) V1_Out= V1A-V1B (if V1A> V1B)
V1_Out= 0 (if V1A = V1B)V1_Out= 0 (if V1A = V1B)
즉, 기울기조정전압(V1A)이 온도보상전압(V1B) 보다 크면 제1 출력전압(V1_Out)은 V1A-V1B[V]이고, 기울기조정전압(V1A)이 온도보상전압(V1B)과 같으면 제1 출력전압(V1_Out)은 0[V]이다.That is, if the slope adjustment voltage (V1A) is greater than the temperature compensation voltage (V1B), the first output voltage (V1_Out) is V1A-V1B[V], and when the slope adjustment voltage (V1A) is the same as the temperature compensation voltage (V1B), the first The output voltage (V1_Out) is 0[V].
휘도결정전압 입력부(40)는 LED 모듈의 기준전류를 설정하기 위한 휘도 BIN 구분용 휘도결정전압을 입력하는 것으로서, 전원 전압(V1)으로부터 공급되는 전압을 분배하여 휘도결정전압을 형성하고 이 휘도결정전압을 제2 차분기(50)의 비반전 단자로 입력한다. The luminance determination
이러한 휘도결정전압 입력부(40)는 직렬로 연결되는 제3 저항(R3) 및 BIN 저항(R_BIN)을 포함하되, 제3 저항(R3)은 일측이 전원 전압(V1)과 연결되고 타측이 BIN 저항(R_BIN)에 연결되며, BIN 저항(R_BIN)은 일측이 제3 저항(R3)과 연결되고 타측이 접지와 연결된다. The luminance determining
특히, BIN 저항(R_BIN)은 LED 모듈의 휘도 BIN 구분을 위해 설계자 등에 의해 사전에 설정된다.In particular, the BIN resistance (R_BIN) is set in advance by a designer or the like to classify the luminance BIN of the LED module.
제2 차분기(50)는 반전 단자가 상기한 제1 차분기(30)의 출력단과 연결되고 비반전 단자가 휘도결정전압 입력부(40)와 연결되며 출력단이 전압 제한부(60)와 연결된다. The
이에 제2 차분기(50)는 제1 차분기(30)의 제1 출력전압(V1_Out)과 휘도결정전압 입력부(40)의 휘도결정전압을 비반전 단자와 반전 단자로 각각 입력받고 제1 출력전압(V1_Out)과 휘도결정전압의 차 성분을 증폭하여 제2 출력전압(V2_Out)을 출력한다. 이 제2 출력전압(V2_Out)은 전압 제한부(60)로 입력된다. Accordingly, the
제2 차분기(50)의 제2 출력전압(V2_Out)은 상기한 온도보상전압(V1B)과 기울기조정전압(V1A)의 크기에 따라 결정된다. 제2 차분기(50)의 입출력 관계는 다음과 같다.The second output voltage V2_Out of the
즉, (V1-Vout)/R1 = Vout/BIN + (Vout-V2_Out)/R_LIMIT 이므로, That is, (V1-Vout)/R1 = Vout/BIN + (Vout-V2_Out)/R_LIMIT, so
V1/R1 - Vout/R1 = Vout/BIN + Vout/R_LIMIT- V2_Out/R_LIMIT 과,V1/R1-Vout/R1 = Vout/BIN + Vout/R_LIMIT- V2_Out/R_LIMIT and,
Vout/BIN + Vout/R1 + Vout/R_LIMIT = V1/R1 + V2_Out/R_LIMIT의 과정을 거치면,Vout/BIN + Vout/R1 + Vout/R_LIMIT = V1/R1 + V2_Out/R_LIMIT,
(1/BIN + 1/R1 + 1/R_LIMIT) x Vout = V1/R1 + V2_Out/R_LIMIT(1/BIN + 1/R1 + 1/R_LIMIT) x Vout = V1/R1 + V2_Out/R_LIMIT
이 된다.Becomes.
또한, V2_Out = Vout - V1_Out (단, Vout > V1_Out)이다. In addition, V2_Out = Vout-V1_Out (however, Vout> V1_Out).
상기한 수학식에 따르면, According to the above equation,
(1/BIN+1/R1+1/R_LIMIT)×Vout=V1/R1+(Vout-V1_Out)/R_LIMIT 이므로, (1/BIN+1/R1+1/R_LIMIT)×Vout=V1/R1+(Vout-V1_Out)/R_LIMIT
(1/BIN+1/R1+1/R_LIMIT)xVout-Vout/R_LIMIT=V1/R1-V1_Out/R_LIMIT, (1/BIN+1/R1+1/R_LIMIT)xVout-Vout/R_LIMIT=V1/R1-V1_Out/R_LIMIT,
(1/BIN+1/R1)xVout=V1/R1-V1_Out/R_LIMIT 이므로,(1/BIN+1/R1)xVout=V1/R1-V1_Out/R_LIMIT, so
Vout=(V1/R1-V1_Out/R_LIMIT)/(1/BIN+1/R1)Vout=(V1/R1-V1_Out/R_LIMIT)/(1/BIN+1/R1)
이 된다. Becomes.
한편, 본 실시예에서 제1 저항(R1)과 제2 저항(R2) 및 제3 저항(R3)의 저항값은 동일하게 적용될 수 있다.Meanwhile, in the present embodiment, the resistance values of the first resistor R1, the second resistor R2, and the third resistor R3 may be equally applied.
마지막으로, 전압 제한부(60)는 LED 모듈의 전류 최소값을 설정하기 위해 제2 출력전압(V2_Out)을 제한하여 최종 출력전압(VOut)을 LED 제어모듈로 인가하는 것으로서, 제2 차분기(50)의 출력단과 LED 제어모듈 사이에 직렬로 연결되는 제3 저항(R3)이 포함될 수 있다. Lastly, the
이에, LED 제어모듈은 상기한 제3 저항(R3)으로부터 출력된 최종 출력전압(VOut)에 따라 LED 모듈로 인가되는 전류를 제어한다. Accordingly, the LED control module controls the current applied to the LED module according to the final output voltage VOut output from the third resistor R3.
즉, 본 발명의 일 실시예에 따른 차량용 LED 고장 보호 장치의 동작 과정은 다음과 같다. That is, the operation process of the vehicle LED failure protection device according to an embodiment of the present invention is as follows.
먼저, LED 제어 모듈이 LED 모듈에 전류를 공급하여 LED 모듈을 구동시키는 과정에서, 온도보상전압 입력부(10)는 LED 모듈의 온도에 따라 전원 전압(V1)을 분배하여 온도보상전압(V1B)을 제1 차분기(30)의 반전 단자로 입력한다. First, in the process of driving the LED module by the LED control module supplying current to the LED module, the temperature compensation
아울러, 기울기조정전압 입력부(20)는 전원 전압(V1)을 분배하여 기울기조정전압(V1A)을 제1 차분기(30)의 비반전 단자로 입력한다. In addition, the slope adjustment
제1 차분기(30)는 반전 단자 및 비반전 단자로 각각 입력된 온도보상전압(V1B)과 기울기조정전압(V1A)의 차 성분을 증폭하여 제2 차분기(50)의 반전 단자로 입력한다.The
또한, 휘도결정전압 입력부(40)는 전원 전압(V1)을 분배하여 휘도 BIN 구분을 위한 휘도결정전압을 제2 차분기(50)의 비반전 단자로 입력한다. In addition, the luminance determining
이에 따라, 제2 차분기(50)는 반전 단자 및 비반전 단자로 각각 입력된 제1 출력전압(V1_Out)과 휘도결정전압의 차 성분을 증폭하여 제2 출력전압(V2_Out)을 전압 제한부(60)로 입력한다. Accordingly, the
전압 제한부(60)는 제2 차분기(50)의 출력단으로부터 입력된 제2 출력전압(V2_Out)을 제한하여 LED 제어모듈에 입력한다. The
여기서, 상기한 온도보상전압 입력부(10)의 NTC 저항(R_NTC)의 B-Constant값, 기울기조정전압 입력부(20)의 R_커브 저항(R_CURVE) 및 휘도결정전압 입력부(40)의 BIN 저항(R_BIN)은 설계하고자 하는 LED 모듈의 전류 변곡점, 전류 기울기 및 최저전류에 따라 다양하게 설정될 수 있다. Here, the B-Constant value of the NTC resistance (R_NTC) of the temperature compensation
그 결과, 본 발명의 일 실시예에 따른 차량용 LED 고장 보호 장치는 휘도결정전압 입력부(40)의 BIN 저항(R_BIN)에 의해 기준전류로 유지할 수 있으며, LED 모듈의 방렬구조의 고장이나 열전도 재질의 노화 등에 의해 LED 모듈의 온도가 급변하더라도, 상기한 온도보상전압 입력부(10)의 NTC 저항(R_NTC)의 B-Constant값, 기울기조정전압 입력부(20)의 R_커브 저항(R_CURVE) 및 휘도결정전압 입력부(40)의 BIN 저항(R_BIN)에 의해 전류 변곡점을 조절하고 급격한 전류 변동을 방지하며 최저전류를 유지함으로서, LED 모듈이 소손없이 최소 광량을 유지할 수 있도록 한다. As a result, the vehicle LED failure protection device according to an embodiment of the present invention can be maintained as a reference current by the BIN resistance (R_BIN) of the luminance determining
아래의 표 1 은 차량용 LED 고장 보호 장치에 적용될 수 있는 각 파라메타의 설정값을 나타낸다. Table 1 below shows the setting values of each parameter that can be applied to the vehicle LED failure protection device.
상기한 바와 같이 각 파라메타가 설정될 경우 도 2 에 도시된 바와 같은 전류 그래프 특성을 얻을 수 있는데, 도 2 를 참조하면, 기준전류와 전류 변곡점, 전류 기울기 및 최저전류 등이 다양하게 조정될 수 있음을 알 수 있다. When each parameter is set as described above, the current graph characteristics as shown in FIG. 2 can be obtained. Referring to FIG. 2, it is understood that the reference current and the current inflection point, the current slope and the minimum current can be variously adjusted. Able to know.
참고로, 도 2 에 나타낸 LED 전류의 변화는 BIN(A)~BIN(F)의 순서로 위에서부터 아래로 차례대로 나타내며, ①,②,③은 LED 모듈의 전류 구간을 나타낸다. For reference, the changes in the LED current shown in FIG. 2 are sequentially indicated from top to bottom in the order of BIN(A) to BIN(F), and ①, ②, and ③ indicate the current section of the LED module.
이와 같은 본 실시예는 2채널 차분기를 이용하여 차량용 외장 램프의 LED 고장 보호 기능을 구현함으로서, 차량용 외장 램프의 LED에 대한 내구성능을 만족하고 고온으로 인한 열화 및 소손을 방지할 수 있다. In this embodiment, by implementing the LED failure protection function of the exterior lamp for a vehicle using a two-channel differential, it is possible to satisfy the durability of the LED of the exterior lamp for a vehicle and prevent deterioration and burnout due to high temperature.
또한 본 실시예는 고가의 고장 보호용 MCU를 대체하여 차량용 외장램프의 생산비를 크게 절감할 수 있고, 생산시 소프트웨어 설계 공정, 라이팅 공정 및 검수 공정 등을 제외하여 생산 공정을 단순화시킬 수 있도록 한다. In addition, this embodiment can significantly reduce the production cost of an external lamp for a vehicle by replacing an expensive fault protection MCU, and simplify the production process by excluding the software design process, the writing process, and the inspection process during production.
본 발명은 도면에 도시된 실시예를 참고로 하여 설명되었으나, 이는 예시적인 것에 불과하며 당해 기술이 속하는 기술분야에서 통상의 지식을 가진 자라면 이로부터 다양한 변형 및 균등한 타 실시예가 가능하다는 점을 이해할 것이다. 따라서, 본 발명의 진정한 기술적 보호범위는 아래의 특허청구범위에 의하여 정해져야할 것이다.
Although the present invention has been described with reference to the embodiments shown in the drawings, this is only exemplary, and those of ordinary skill in the art to which the present technology pertains, various modifications and other equivalent embodiments are possible. I will understand. Therefore, the true technical protection scope of the present invention should be determined by the following claims.
10: 온도보상전압 입력부 20: 기울기조정전압 입력부
30: 제1 차분기 40: 휘도결정전압 입력부
50: 제2 차분기 60: 전압 제한부10: temperature compensation voltage input unit 20: slope adjustment voltage input unit
30: first branch 40: luminance determining voltage input unit
50: second branch 60: voltage limiting unit
Claims (8)
상기 LED 모듈의 전류 기울기를 결정하기 위한 기울기조정전압을 입력하는 기울기조정전압 입력부;
상기 온도보상전압과 상기 기울기조정전압의 차 성분을 증폭하여 제1 출력전압을 출력하는 제1 차분기;
상기 LED 모듈의 휘도에 대응되는 기준전류를 설정하기 위한 휘도결정전압을 입력하는 휘도결정전압 입력부;
상기 제1 출력전압과 상기 휘도결정전압의 차 성분을 증폭하여 제2 출력전압을 출력하는 제2 차분기; 및
상기 LED 모듈의 전류 최소값을 설정하기 위해 상기 제2 출력전압을 제한하여 최종 출력전압을 LED 제어모듈로 인가하는 전압 제한부를 포함하는 차량용 LED 고장 보호 장치.
A temperature compensation voltage input unit for inputting a temperature compensation voltage according to the temperature of the LED (Light Emitting Module) module;
A slope adjustment voltage input unit for inputting a slope adjustment voltage for determining a current slope of the LED module;
A first difference branch configured to amplify a difference component between the temperature compensation voltage and the slope adjustment voltage to output a first output voltage;
A luminance determination voltage input unit for inputting a luminance determination voltage for setting a reference current corresponding to the luminance of the LED module;
A second difference branch configured to amplify a difference component between the first output voltage and the luminance determining voltage to output a second output voltage; And
Vehicle LED failure protection device comprising a voltage limiting unit for applying a final output voltage to the LED control module by limiting the second output voltage to set the minimum current value of the LED module.
전원 전압을 분배하여 상기 온도보상전압을 형성하고 상기 온도보상전압을 상기 제1 차분기의 반전 단자로 입력하는 것을 특징으로 하는 차량용 LED 고장 보호 장치.
The method of claim 1, wherein the temperature compensation voltage input unit
Distributing a power supply voltage to form the temperature compensation voltage and inputting the temperature compensation voltage to an inverting terminal of the first differential branch.
직렬로 연결되는 제1 저항 및 NTC(Negative temperature coefficient) 저항을 포함하되,
상기 제1 저항은 일측이 전원과 연결되고 타측이 상기 NTC 저항에 연결되며,
상기 NTC 저항 일측이 상기 제1 저항과 연결되고 타측이 접지와 연결되어 상기 LED 모듈의 온도에 따라 증감되는 것을 특징으로 하는 차량용 LED 고장 보호 장치.
The method of claim 2, wherein the temperature compensation voltage input unit
Including a first resistance and a negative temperature coefficient (NTC) resistance connected in series,
One side of the first resistor is connected to a power source and the other side is connected to the NTC resistor,
One side of the NTC resistor is connected to the first resistor and the other side is connected to the ground to increase or decrease according to the temperature of the LED module.
전원 전압을 분배하여 상기 기울기조정전압을 형성하고 상기 기울기조정전압을 상기 제1 차분기의 비반전 단자로 입력하는 것을 특징으로 하는 차량용 LED 고장 보호 장치.
The method of claim 1, wherein the slope adjustment voltage input unit
Distributing a power voltage to form the slope adjustment voltage, and inputting the slope adjustment voltage to a non-inverting terminal of the first secondary branch.
직렬로 연결되는 제2 저항 및 R_커브 저항을 포함하되,
상기 제2 저항은 일측이 전원과 연결되고 타측이 상기 R_커브 저항에 연결되며,
상기 R_커브 저항은 일측이 상기 제2 저항과 연결되고 타측이 접지와 연결되어 상기 LED 모듈에 설정된 온도 변곡점에 따라 기 설정되는 것을 특징으로 하는 차량용 LED 고장 보호 장치.
The method of claim 4, wherein the slope adjustment voltage input unit
Including a second resistor and R_ curve resistance connected in series,
One side of the second resistor is connected to a power source and the other side is connected to the R_ curve resistor,
The R_ curve resistance is one side connected to the second resistor and the other side connected to the ground, the vehicle LED failure protection device, characterized in that pre-set according to the temperature inflection point set in the LED module.
전원 전압을 분배하여 상기 휘도결정전압을 형성하고 상기 휘도결정전압을 상기 제2 차분기의 비반전 단자로 입력하는 것을 특징으로 하는 차량용 LED 고장 보호 장치.
The method of claim 1, wherein the luminance determining voltage input unit
Distributing a power supply voltage to form the luminance determining voltage, and inputting the luminance determining voltage to a non-inverting terminal of the second secondary branch.
직렬로 연결되는 제3 저항 및 BIN 저항을 포함하되,
상기 제3 저항은 일측이 전원과 연결되고 타측이 상기 BIN 저항에 연결되며,
상기 BIN 저항은 일측이 상기 제3 저항과 연결되고 타측이 접지와 연결되어 상기 LED 모듈의 휘도 설정을 위해 기 설정되는 것을 특징으로 하는 차량용 LED 고장 보호 장치.
The method of claim 6, wherein the luminance determining voltage input unit
Including a third resistor and a BIN resistor connected in series,
One side of the third resistor is connected to a power source and the other side is connected to the BIN resistor,
One side of the BIN resistor is connected to the third resistor and the other side is connected to a ground, so that the LED failure protection device for a vehicle is set in advance to set the brightness of the LED module.
상기 제2 차분기의 출력단과 상기 LED 제어모듈 사이에 직렬로 연결되는 제3 저항을 포함하는 것을 특징으로 하는 차량용 LED 고장 보호 장치.
The method of claim 1, wherein the voltage limiting unit
LED failure protection device for a vehicle comprising a third resistor connected in series between the output terminal of the second branch and the LED control module.
Priority Applications (1)
| Application Number | Priority Date | Filing Date | Title |
|---|---|---|---|
| KR1020140115995A KR102150267B1 (en) | 2014-09-02 | 2014-09-02 | Fail safe apparatus of led for vehicle |
Applications Claiming Priority (1)
| Application Number | Priority Date | Filing Date | Title |
|---|---|---|---|
| KR1020140115995A KR102150267B1 (en) | 2014-09-02 | 2014-09-02 | Fail safe apparatus of led for vehicle |
Publications (2)
| Publication Number | Publication Date |
|---|---|
| KR20160028021A KR20160028021A (en) | 2016-03-11 |
| KR102150267B1 true KR102150267B1 (en) | 2020-09-02 |
Family
ID=55582732
Family Applications (1)
| Application Number | Title | Priority Date | Filing Date |
|---|---|---|---|
| KR1020140115995A Active KR102150267B1 (en) | 2014-09-02 | 2014-09-02 | Fail safe apparatus of led for vehicle |
Country Status (1)
| Country | Link |
|---|---|
| KR (1) | KR102150267B1 (en) |
Families Citing this family (1)
| Publication number | Priority date | Publication date | Assignee | Title |
|---|---|---|---|---|
| CN118741797B (en) * | 2024-09-04 | 2024-11-26 | 领为视觉智能科技(宁波)有限公司 | An LED driving circuit for automobile lights |
Citations (3)
| Publication number | Priority date | Publication date | Assignee | Title |
|---|---|---|---|---|
| JP2000275281A (en) | 1999-03-24 | 2000-10-06 | Ngk Insulators Ltd | High-precision photoelectric converter |
| JP2008543045A (en) | 2005-05-25 | 2008-11-27 | コーニンクレッカ フィリップス エレクトロニクス エヌ ヴィ | Radiation flux compensation LED driver system and method |
| JP2010129612A (en) | 2008-11-25 | 2010-06-10 | Panasonic Electric Works Co Ltd | Lighting device |
Family Cites Families (2)
| Publication number | Priority date | Publication date | Assignee | Title |
|---|---|---|---|---|
| JPS60157307A (en) * | 1984-01-26 | 1985-08-17 | Matsushita Electric Ind Co Ltd | Logarithmic amplifier circuit |
| JPH10307557A (en) * | 1997-05-06 | 1998-11-17 | Sanyo Electric Co Ltd | Power light emitting diode driving circuit also used as battery indicator |
-
2014
- 2014-09-02 KR KR1020140115995A patent/KR102150267B1/en active Active
Patent Citations (3)
| Publication number | Priority date | Publication date | Assignee | Title |
|---|---|---|---|---|
| JP2000275281A (en) | 1999-03-24 | 2000-10-06 | Ngk Insulators Ltd | High-precision photoelectric converter |
| JP2008543045A (en) | 2005-05-25 | 2008-11-27 | コーニンクレッカ フィリップス エレクトロニクス エヌ ヴィ | Radiation flux compensation LED driver system and method |
| JP2010129612A (en) | 2008-11-25 | 2010-06-10 | Panasonic Electric Works Co Ltd | Lighting device |
Also Published As
| Publication number | Publication date |
|---|---|
| KR20160028021A (en) | 2016-03-11 |
Similar Documents
| Publication | Publication Date | Title |
|---|---|---|
| US12167519B2 (en) | Systems and methods for a current sharing driver for light emitting diode | |
| EP2670218B1 (en) | Lighting device and vehicle headlamp | |
| US10624170B2 (en) | Single control LED dimming and white tuning | |
| CN103329631B (en) | Lighting device using nonlinear current sensor and method of operation thereof | |
| US9119250B2 (en) | Dimmable multichannel driver for solid state light sources | |
| US10143052B2 (en) | Light emitting diode (LED) warm on dim circuit | |
| US9854635B2 (en) | Temperature adaptive control circuit for a light emitting diode, lighting and/or signaling apparatus | |
| CN105792407A (en) | Illumination System And Device | |
| US9655209B1 (en) | Constant current and temperature compensation control device for outdoor spotlights used on laser stages | |
| US10863599B2 (en) | White light tuning | |
| US20170307174A1 (en) | Lighting device | |
| US9924575B2 (en) | Dimming circuit for digital control | |
| KR102150267B1 (en) | Fail safe apparatus of led for vehicle | |
| US20210259075A1 (en) | Output Stabilization of Mixed Color Temperature LED Lighting Systems | |
| TWI600345B (en) | Current split circuit for equally splitting current between parallel connected led luminaire strings | |
| JP5303519B2 (en) | Light emitting unit and light irradiation device | |
| JP2021086763A (en) | Lighting device | |
| KR101793384B1 (en) | Lighting apparatus | |
| KR102320590B1 (en) | Dimmable led lghiting device | |
| JP2014197656A (en) | LED drive circuit | |
| Robinson et al. | Polychromatic optical feedback control, stability, and dimming | |
| US10362653B1 (en) | Isolated dimming circuit | |
| KR101665182B1 (en) | Current mirror type led driving apparatus super diode configuration | |
| EP3331327B1 (en) | Led illumination system, led illumination device, and brightness adjustment method for led illumination device | |
| KR102688565B1 (en) | The LED System Performing Automatic Table Setting of Dimming |
Legal Events
| Date | Code | Title | Description |
|---|---|---|---|
| PA0109 | Patent application |
Patent event code: PA01091R01D Comment text: Patent Application Patent event date: 20140902 |
|
| PG1501 | Laying open of application | ||
| PA0201 | Request for examination |
Patent event code: PA02012R01D Patent event date: 20190828 Comment text: Request for Examination of Application Patent event code: PA02011R01I Patent event date: 20140902 Comment text: Patent Application |
|
| E701 | Decision to grant or registration of patent right | ||
| PE0701 | Decision of registration |
Patent event code: PE07011S01D Comment text: Decision to Grant Registration Patent event date: 20200704 |
|
| GRNT | Written decision to grant | ||
| PR0701 | Registration of establishment |
Comment text: Registration of Establishment Patent event date: 20200826 Patent event code: PR07011E01D |
|
| PR1002 | Payment of registration fee |
Payment date: 20200826 End annual number: 3 Start annual number: 1 |
|
| PG1601 | Publication of registration | ||
| PR1001 | Payment of annual fee |
Payment date: 20230801 Start annual number: 4 End annual number: 4 |
|
| PR1001 | Payment of annual fee |
Payment date: 20240725 Start annual number: 5 End annual number: 5 |
