[go: up one dir, main page]

KR100590934B1 - Shift register for liquid crystal display - Google Patents

Shift register for liquid crystal display Download PDF

Info

Publication number
KR100590934B1
KR100590934B1 KR1020040111869A KR20040111869A KR100590934B1 KR 100590934 B1 KR100590934 B1 KR 100590934B1 KR 1020040111869 A KR1020040111869 A KR 1020040111869A KR 20040111869 A KR20040111869 A KR 20040111869A KR 100590934 B1 KR100590934 B1 KR 100590934B1
Authority
KR
South Korea
Prior art keywords
stn
stage
terminal
shift register
outn
Prior art date
Legal status (The legal status is an assumption and is not a legal conclusion. Google has not performed a legal analysis and makes no representation as to the accuracy of the status listed.)
Expired - Lifetime
Application number
KR1020040111869A
Other languages
Korean (ko)
Inventor
한승우
윤영준
Original Assignee
비오이 하이디스 테크놀로지 주식회사
Priority date (The priority date is an assumption and is not a legal conclusion. Google has not performed a legal analysis and makes no representation as to the accuracy of the date listed.)
Filing date
Publication date
Application filed by 비오이 하이디스 테크놀로지 주식회사 filed Critical 비오이 하이디스 테크놀로지 주식회사
Priority to KR1020040111869A priority Critical patent/KR100590934B1/en
Application granted granted Critical
Publication of KR100590934B1 publication Critical patent/KR100590934B1/en
Anticipated expiration legal-status Critical
Expired - Lifetime legal-status Critical Current

Links

Images

Classifications

    • GPHYSICS
    • G09EDUCATION; CRYPTOGRAPHY; DISPLAY; ADVERTISING; SEALS
    • G09GARRANGEMENTS OR CIRCUITS FOR CONTROL OF INDICATING DEVICES USING STATIC MEANS TO PRESENT VARIABLE INFORMATION
    • G09G3/00Control arrangements or circuits, of interest only in connection with visual indicators other than cathode-ray tubes
    • G09G3/20Control arrangements or circuits, of interest only in connection with visual indicators other than cathode-ray tubes for presentation of an assembly of a number of characters, e.g. a page, by composing the assembly by combination of individual elements arranged in a matrix no fixed position being assigned to or needed to be assigned to the individual characters or partial characters
    • G09G3/34Control arrangements or circuits, of interest only in connection with visual indicators other than cathode-ray tubes for presentation of an assembly of a number of characters, e.g. a page, by composing the assembly by combination of individual elements arranged in a matrix no fixed position being assigned to or needed to be assigned to the individual characters or partial characters by control of light from an independent source
    • G09G3/36Control arrangements or circuits, of interest only in connection with visual indicators other than cathode-ray tubes for presentation of an assembly of a number of characters, e.g. a page, by composing the assembly by combination of individual elements arranged in a matrix no fixed position being assigned to or needed to be assigned to the individual characters or partial characters by control of light from an independent source using liquid crystals
    • G09G3/3611Control of matrices with row and column drivers
    • G09G3/3648Control of matrices with row and column drivers using an active matrix
    • GPHYSICS
    • G11INFORMATION STORAGE
    • G11CSTATIC STORES
    • G11C19/00Digital stores in which the information is moved stepwise, e.g. shift registers
    • G11C19/18Digital stores in which the information is moved stepwise, e.g. shift registers using capacitors as main elements of the stages
    • G11C19/182Digital stores in which the information is moved stepwise, e.g. shift registers using capacitors as main elements of the stages in combination with semiconductor elements, e.g. bipolar transistors, diodes
    • G11C19/184Digital stores in which the information is moved stepwise, e.g. shift registers using capacitors as main elements of the stages in combination with semiconductor elements, e.g. bipolar transistors, diodes with field-effect transistors, e.g. MOS-FET
    • GPHYSICS
    • G09EDUCATION; CRYPTOGRAPHY; DISPLAY; ADVERTISING; SEALS
    • G09GARRANGEMENTS OR CIRCUITS FOR CONTROL OF INDICATING DEVICES USING STATIC MEANS TO PRESENT VARIABLE INFORMATION
    • G09G2310/00Command of the display device
    • G09G2310/02Addressing, scanning or driving the display screen or processing steps related thereto
    • G09G2310/0264Details of driving circuits
    • G09G2310/0286Details of a shift registers arranged for use in a driving circuit
    • GPHYSICS
    • G09EDUCATION; CRYPTOGRAPHY; DISPLAY; ADVERTISING; SEALS
    • G09GARRANGEMENTS OR CIRCUITS FOR CONTROL OF INDICATING DEVICES USING STATIC MEANS TO PRESENT VARIABLE INFORMATION
    • G09G2320/00Control of display operating conditions
    • G09G2320/04Maintaining the quality of display appearance
    • G09G2320/041Temperature compensation

Landscapes

  • Engineering & Computer Science (AREA)
  • Microelectronics & Electronic Packaging (AREA)
  • Power Engineering (AREA)
  • Chemical & Material Sciences (AREA)
  • Crystallography & Structural Chemistry (AREA)
  • Physics & Mathematics (AREA)
  • Computer Hardware Design (AREA)
  • General Physics & Mathematics (AREA)
  • Theoretical Computer Science (AREA)
  • Liquid Crystal Display Device Control (AREA)
  • Control Of Indicators Other Than Cathode Ray Tubes (AREA)
  • Shift Register Type Memory (AREA)

Abstract

본 발명은 저온의 상태에서 쉬프트 레지스터의 동작 특성이 저하됨을 방지하는 액정표시장치용 쉬프트 레지스터에 관한 것이다. 본 발명에 따라, 캐스케이드 형태로 연결된 다수의 스테이지를 구비한 액정표시장치용 쉬프트 레지스터가 제공되며: 이 쉬프트 레지스터는, 각 스테이지의 출력신호를 수신하여 상기 각 스테이지의 다음 스테이지에 인가하는 제 1 전달수단; 상기 다음 스테이지의 출력신호를 수신하여 상기 각 스테이지와 상기 다음 스테이지에 인가하는 제 2 전달수단; 및 상기 제 1 및 제 2 전달수단의 출력단자와 상기 다음 스테이지의 입력단자의 공통 연결단자에 연결되며, 상기 제 1 및 제 2 전달수단으로부터 수신하는 상기 다음 스테이지의 입력신호가 일정 레벨을 유지하도록 하는 캐패시터수단;을 구비한다.BACKGROUND OF THE INVENTION 1. Field of the Invention The present invention relates to a shift register for a liquid crystal display device which prevents deterioration of operating characteristics of the shift register in a low temperature state. According to the present invention, there is provided a shift register for a liquid crystal display device having a plurality of stages connected in cascade form, the shift register receiving a first output signal of each stage and applying it to a next stage of each stage. Way; Second transfer means for receiving an output signal of the next stage and applying the output signal to each stage and the next stage; And a common connection terminal of an output terminal of the first and second transmission means and an input terminal of the next stage, so that an input signal of the next stage received from the first and second transmission means maintains a constant level. Capacitor means; is provided.

Description

액정표시장치용 쉬프트 레지스터{Shift register for LCD}Shift register for LCD

도 1은 종래의 액정표시장치용 쉬프트 레지스터를 설명하기 위한 도면.1 is a diagram for explaining a conventional shift register for a liquid crystal display device.

도 2는 종래의 액정표시장치용 쉬프트 레지스터 동작을 설명하기 위한 도면.2 is a diagram for explaining a conventional shift register operation for a liquid crystal display device;

도 3은 본 발명에 따른 액정표시장치용 쉬프트 레지스터를 설명하기 위한 도면.3 is a view for explaining a shift register for a liquid crystal display device according to the present invention;

도 4는 본 발명에 따른 액정표시장치용 쉬프트 레지스터의 동작을 설명하기 위한 도면.4 is a view for explaining the operation of the shift register for a liquid crystal display device according to the present invention.

도 5는 본 발명에 따른 액정표시장치용 쉬프트 레지스터에 있어서 각 스테이지를 설명하기 위한 도면.5 is a view for explaining each stage in the shift register for a liquid crystal display device according to the present invention;

* 도면의 주요 부분에 대한 부호의 설명 *Explanation of symbols on the main parts of the drawings

51,52: 제어수단 53: 부트스트랩수단51, 52: control means 53: bootstrap means

311,312,313,321,322,323: 전달수단311,312,313,321,322,323: Delivery means

331,332,333: 캐패시터수단331,332,333: capacitor means

본 발명은 액정표시장치용 쉬프트 레지스터에 관한 것으로, 보다 상세하게 는, 저온의 상태에서 쉬프트 레지스터의 동작 특성이 저하됨을 방지하는 액정표시장치용 쉬프트 레지스터에 관한 것이다.The present invention relates to a shift register for a liquid crystal display device, and more particularly, to a shift register for a liquid crystal display device which prevents the operation characteristics of the shift register from deteriorating in a low temperature state.

액정표시장치는 두 기판 사이에 개재된 액정에 전계를 인가하고, 이 전계의 세기를 조절하여 기판에 투과되는 빛의 양을 조절함으로써 사용자가 원하는 화상신호를 얻는다. 이를 위하여, 액정표시장치는 액정 셀들이 매트릭스 형태로 배열되어 화상을 표시하는 액정패널 및 상기 액정패널을 구동하기 위한 구동장치를 구비한다. 상기 구동장치는 액정패널의 게이트 라인들을 구동하기 위한 게이트 드라이버, 데이터 라인들을 구동하기 위한 데이터 드라이버, 상기 게이트 드라이버 및 데이터 드라이버에 타이밍 제어신호와 화소 데이터를 공급하는 타이밍 제어부, 및 전원전압을 공급하는 전원부를 포함한다.The liquid crystal display device applies an electric field to the liquid crystal interposed between the two substrates, and adjusts the intensity of the electric field to adjust the amount of light transmitted through the substrate to obtain an image signal desired by the user. To this end, the liquid crystal display includes a liquid crystal panel in which liquid crystal cells are arranged in a matrix to display an image, and a driving device for driving the liquid crystal panel. The driving device may include a gate driver for driving gate lines of the liquid crystal panel, a data driver for driving data lines, a timing controller for supplying timing control signals and pixel data to the gate driver and the data driver, and a power supply voltage. It includes a power supply.

한편, 드라이버 IC는 게이트 라인 및 데이터 라인에 순차적으로 구동 신호를 인가하기 위해 쉬프트 레지스터를 구비하는데, 도 1을 참조하여 종래의 액정표시장치용 쉬프트 레지스터를 설명하도록 한다.Meanwhile, the driver IC includes a shift register for sequentially applying a driving signal to the gate line and the data line. The shift register for a conventional liquid crystal display device will be described with reference to FIG. 1.

도 1은 종래의 액정표시장치용 쉬프트 레지스터를 도시한 블럭도이다.1 is a block diagram showing a shift register for a conventional liquid crystal display device.

종래의 액정표시장치용 쉬프트 레지스터는, 액정표시장치의 각 게이트 라인에 순차적으로 출력신호(out1,out2,…,outn-2,outn-1)를 인가하며 캐스케이드(cascade) 형태로 연결된 다수의 스테이지(ST1,ST2,…,STn-2,STn-1)와 예비 스테이지(STn)를 구비한다. 각 스테이지(ST1,ST2,…,STn-2,STn-1,STn)에는 클럭신호(clk,clkb) 및 전원전압(VSS)이 인가되며, 각 스테이지(ST1,ST2,…,STn-2,STn-1)의 출력신호(out1,out2,…,outn-2,outn-1)는 액정표시장치의 각 게이트 라인에 인가된 다. 또한, 상기 출력신호(out1,out2,…,outn-2,outn-1)는 각 스테이지(ST1,ST2,… ,STn-2,STn-1)의 바로 다음 스테이지(ST2,…,STn-2,STn-1,STn)에 인가된다. 다음 스테이지 출력신호(out2,…,outn-2,outn-1,outn)는 바로 이전 스테이지(ST1,ST2, …,STn-2,STn-1)에 인가된다. 특히, 예비 스테이지(STn)의 출력신호(outn)는 바로 이전 스테이지(STn-1)와 그 예비 스테이지(STn)에만 인가될 뿐 액정표시장치의 게이트 라인에는 인가되지 않는다. 아울러, 첫번째 스테이지(ST1)에는 쉬프트 레지스터를 동작시키기 위해 외부에서 인가되는 제어신호(ste)가 인가되며, 클럭신호(clk,clkb)는 동일한 주기의 위상이 서로 반대인 신호이다.A conventional shift register for a liquid crystal display device includes a plurality of stages connected in a cascade form by sequentially applying output signals out1, out2, ..., outn-2, and outn-1 to each gate line of the liquid crystal display device. (ST1, ST2, ..., STn-2, STn-1) and preliminary stage STn. The clock signals clk and clkb and the power supply voltage VSS are applied to each of the stages ST1, ST2, ..., STn-2, STn-1, STn, and each of the stages ST1, ST2, ..., STn-2, The output signals out1, out2, ..., outn-2, and outn-1 of STn-1 are applied to each gate line of the liquid crystal display device. Further, the output signals out1, out2, ..., outn-2, and outn-1 are the next stages ST2, ..., STn-2 of the stages ST1, ST2, ..., STn-2, STn-1. , STn-1, STn). The next stage output signals out2, ..., outn-2, outn-1, outn are applied to the immediately preceding stages ST1, ST2, ..., STn-2, STn-1. In particular, the output signal outn of the preliminary stage STn is applied only to the previous stage STn-1 and the preliminary stage STn but not to the gate line of the liquid crystal display device. In addition, an externally applied control signal ste is applied to the first stage ST1 to operate the shift register, and the clock signals clk and clkb are signals in which phases of the same period are opposite to each other.

이와 같은 종래의 액정표시장치용 쉬프트 레지스터에 있어서, 상기 클럭신호(clk,clkb)가 각 스테이지(ST1,ST2,…,STn-2,STn-1,STn)에 인가되고 상기 제어신호(ste)가 첫번째 스테이지(ST1)에 인가될 경우, 각 스테이지(ST1,ST2,…,STn-2,STn-1,STn)는 펄스신호인 출력신호(out1,out2,…,outn-2,outn-1,outn)를 순차적으로 출력한다. 일 예로, 도 2에 도시한 바와 같이, 클럭신호(clk,clkb)와 제어신호(ste)가 종래의 액정표시장치용 쉬프트 레지스터에 인가되면, 클럭신호(clk,clkb)의 주기로 각 스테이지(STn-2,STn-1,STn)는 펄스신호(outn-2,outn-1,outn)를 출력한다. 이 때, n-2번째 스테이지(STn-2)의 출력신호(outn-2)는 n-1번째 스테이지(STn-1)의 입력신호(inn-1)가 되며, 상기 n-1번째 스테이지(STn-1)의 출력신호(outn-1)는 n번째 스테이지(STn)의 입력신호가 된다. 또한, n-1번째 스테이지(STn-1)의 출력신호(outn-1)는 n-2번째 스테이지(STn-2)의 리셋(reset)신호가 되며, n번째 스테이지(STn)의 출력신호(outn)는 n-1번째 스테이지(Stn-1)와 n번째 스테이지(STn)의 리셋 신호가 된다.In such a shift register for a conventional liquid crystal display device, the clock signals clk and clkb are applied to the respective stages ST1, ST2, ..., STn-2, STn-1, STn, and the control signal ste. Is applied to the first stage ST1, each stage ST1, ST2, ..., STn-2, STn-1, STn is an output signal out1, out2, ..., outn-2, outn-1 which is a pulse signal. , outn) are printed sequentially. For example, as shown in FIG. 2, when the clock signals clk and clkb and the control signal ste are applied to a shift register for a conventional liquid crystal display device, each stage STn at a cycle of the clock signals clk and clkb. -2, STn-1, STn output pulse signals outn-2, outn-1, outn. At this time, the output signal outn-2 of the n-2th stage STn-2 becomes the input signal inn-1 of the n-1st stage STn-1, and the n-1th stage ( The output signal outn-1 of STn-1 becomes the input signal of the nth stage STn. In addition, the output signal outn-1 of the n-1th stage STn-1 becomes a reset signal of the n-2nd stage STn-2, and the output signal of the nth stage STn outn becomes a reset signal of the n-th stage Stn-1 and the n-th stage STn.

그런데, 상기 각 스테이지(ST1,ST2,…,STn-2,STn-1,STn)는 다수의 트랜지스터를 구비하며, 이러한 트랜지스터는 온도의 변화에 따라 특성이 변한다. 특히, 온도가 하강하여 저온의 상태일 경우, 상기 트랜지스터의 특성에 있어, 전자의 이동도가 감소되고 문턱전압의 전압 레벨이 상승하여 각 스테이지(ST1,ST2,…,STn-2,STn-1,STn)의 동작 특성이 저하될 수 있다. 다시 말해, 온도 하강에 의해 트랜지스터의 전자 이동도가 감소하고 문턱전압의 전압 레벨이 상승한다. 이러한 트랜지스터의 특성 변화에 의해 쉬프트 레지스터의 동작 특성이 저하되어 출력신호(out1,out2,…,outn-2,outn-1,outn)의 라이징 시간이 증가할 수 있다. 그 결과, 액정표시장치의 화질 향상 및 고속 동영상을 재현함에 있어 한계가 있다.However, each of the stages ST1, ST2, ..., STn-2, STn-1, STn includes a plurality of transistors, and these transistors change in characteristics with temperature change. In particular, when the temperature is lowered and the temperature is low, the mobility of the electrons is reduced and the voltage level of the threshold voltage is increased in the characteristics of the transistors, so that each stage ST1, ST2, ..., STn-2, STn-1 The operating characteristic of (STn) may be degraded. In other words, due to the temperature drop, the electron mobility of the transistor decreases and the voltage level of the threshold voltage rises. As a result of the change in the characteristics of the transistor, the operation characteristics of the shift register may be degraded, thereby increasing the rising time of the output signals out1, out2, ..., outn-2, outn-1, and outn. As a result, there is a limit in improving the image quality of the liquid crystal display and reproducing a high speed video.

따라서, 본 발명은 상기한 바와 같은 선행 기술에 따른 액정표시장치용 쉬프트 레지스터에 내재되었던 문제점을 해결하기 위해 창작된 것으로, 본 발명의 목적은, 온도의 변화에도 동작 특성의 변화 없이 일정하게 펄스신호를 출력함으로써 액정표시장치의 화질 향상 및 고송 동영상을 재현할 수 있는 액정표시장치용 쉬프트 레지스터를 제공함에 있다.Therefore, the present invention was created to solve the problems inherent in the shift register for a liquid crystal display device according to the prior art as described above, an object of the present invention, the pulse signal is constant without changing the operating characteristics even with temperature changes The present invention provides a shift register for a liquid crystal display device capable of improving the image quality of a liquid crystal display device and reproducing a moving picture by outputting the.

상기한 바와 같은 목적을 달성하기 위해, 본 발명에 따라, 캐스케이드 형태로 연결된 다수의 스테이지를 구비한 액정표시장치용 쉬프트 레지스터가 제공되며: 이 쉬프트 레지스터는, 각 스테이지의 출력신호를 수신하여 상기 각 스테이지의 다 음 스테이지에 인가하는 제 1 전달수단; 상기 다음 스테이지의 출력신호를 수신하여 상기 각 스테이지와 상기 다음 스테이지에 인가하는 제 2 전달수단; 및 상기 제 1 및 제 2 전달수단의 출력단자와 상기 다음 스테이지의 입력단자의 공통 연결단자에 연결되며, 상기 제 1 및 제 2 전달수단으로부터 수신하는 상기 다음 스테이지의 입력신호가 일정 레벨을 유지하도록 하는 캐패시터수단;을 구비한다.In order to achieve the object as described above, according to the present invention, there is provided a shift register for a liquid crystal display device having a plurality of stages connected in cascade form: the shift register receives an output signal of each stage to receive each of the shift registers. First transfer means for applying to the next stage of the stage; Second transfer means for receiving an output signal of the next stage and applying the output signal to each stage and the next stage; And a common connection terminal of an output terminal of the first and second transmission means and an input terminal of the next stage, so that an input signal of the next stage received from the first and second transmission means maintains a constant level. Capacitor means; is provided.

상기 구성에서, 상기 다수의 스테이지 및 상기 캐패시터수단은 전원전압 단자에 연결되며, 상기 다수의 스테이지는 외부에서 인가되는 제 1 클럭신호 및 상기 제 1 클럭신호가 반전된 제 2 클럭신호를 수신한다.In the above configuration, the plurality of stages and the capacitor means are connected to a power supply voltage terminal, and the plurality of stages receive a first clock signal externally applied and a second clock signal in which the first clock signal is inverted.

상기 구성에서, 상기 다수의 스테이지 중 첫번째 스테이지는 쉬프트 레지스터를 인에이블시키기 위한 제어신호를 입력신호로 수신한다.In the above configuration, the first stage of the plurality of stages receives a control signal as an input signal for enabling the shift register.

상기 구성에서, 상기 다수의 스테이지 중 마지막번째 스테이지의 출력신호는, 상기 마지막번째 스테이지의 이전 스테이지와 연결된 상기 제 2 전달수단에만 인가된다.In the above arrangement, the output signal of the last stage of the plurality of stages is applied only to the second transfer means connected to the previous stage of the last stage.

(실시예)(Example)

이하, 첨부한 도면을 참조하여 본 발명의 바람직한 실시예를 상술하기로 한다.Hereinafter, exemplary embodiments of the present invention will be described in detail with reference to the accompanying drawings.

도 3는 본 발명에 따른 액정표시장치용 쉬프트 레지스터를 설명하기 위한 도면이다.3 is a view for explaining a shift register for a liquid crystal display according to the present invention.

본 발명에 따른 액정표시장치용 쉬프트 레지스터는, 액정표시장치의 각 게이트 라인에 순차적으로 출력신호(out1,out2,…,outn-2,outn-1)를 인가하는 다수의 스테이지(ST1,ST2,…,STn-2,STn-1)와 예비 스테이지(STn), 제 1 및 제 2 전달수단(311,312,313,321,322,323), 및 캐패시터수단(331,332,333)을 구비한다.The shift register for a liquid crystal display according to the present invention includes a plurality of stages ST1, ST2, which sequentially apply output signals out1, out2, ..., outn-2, and outn-1 to respective gate lines of the liquid crystal display. ..., STn-2, STn-1, preliminary stage STn, first and second transfer means 311, 312, 313, 321, 322, 323, and capacitor means 331, 332, 333.

상기 각 스테이지(ST1,ST2,…,STn-2,STn-1,STn)는 캐스케이드(cascade) 형태로 연결된다. 제 1 전달수단(311,312,313)은, 각 스테이지(ST1,ST2,…,STn-2,STn-1)의 출력단자와 상기 각 스테이지(ST1,ST2,…,STn-2,STn-1)의 바로 다음 스테이지(ST2,…,STn-2,STn-1,STn)의 입력단자를 연결한다. 즉, 상기 각 스테이지(ST1, ST2,…,STn-2,STn-1)의 출력신호(out1,out2,…,outn-2,outn-1)는 제 1 전달수단 (311,312,313)을 거쳐 바로 다음 스테이지(ST2,…,STn-2,STn-1,STn)에 인가된다.Each stage ST1, ST2, ..., STn-2, STn-1, STn are connected in a cascade form. The first transfer means 311, 312, 313 is an output terminal of each stage ST1, ST2, ..., STn-2, STn-1, and a bar of each stage ST1, ST2, ..., STn-2, STn-1. The input terminals of the next stages ST2, ..., STn-2, STn-1, STn are connected. That is, the output signals out1, out2, ..., outn-2, and outn-1 of each of the stages ST1, ST2, ..., STn-2, STn-1 are immediately passed through the first transmission means 311, 312, 313. It is applied to the stages ST2, ..., STn-2, STn-1, STn.

제 2 전달수단(321,322,323)은, 상기 다음 스테이지(ST2,…,STn-2,STn-1, STn)의 출력단자와 이전 스테이지(ST1,ST2,…,STn-2 STn-1)의 입력단자 및 그 다음 스테이지(ST2,…,STn-2,STn-1,STn)의 입력단자를 연결한다. 즉, 상기 다음 스테이지(ST2,…,STn-2,STn-1,STn)의 출력신호(out2,…,outn-2,outn-1,outn)는 제 2 전달수단(321,322,323)을 거쳐, 이전 스테이지(ST1,ST2,…,STn-2,STn-1) 및 상기 다음 스테이지(ST2,…,STn-2,STn-1,STn)로 다시 인가된다. 캐패시터수단(331,332,333)은, 상기 제 1 및 제 2 전달수단(311,312,313,321,322,323)의 출력단자가 공통으로 연결된 단자와 전원전압(VSS)을 각각 연결한다.The second transfer means (321, 322, 323) has an output terminal of the next stage (ST2, ..., STn-2, STn-1, STn) and an input terminal of the previous stage (ST1, ST2, ..., STn-2 STn-1). And then input terminals of the stages ST2, ..., STn-2, STn-1, STn. That is, the output signals out2, ..., outn-2, outn-1, and outn of the next stages ST2, ..., STn-2, STn-1, STn pass through the second transfer means 321, 322, 323, and It is again applied to the stages ST1, ST2, ..., STn-2, STn-1 and the next stages ST2, ..., STn-2, STn-1, STn. Capacitor means (331, 332, 333), the output terminal of the first and second transfer means (311, 312, 313, 321, 322, 323) and the power supply voltage (VSS) connected in common.

여기서, 상기 제 1 및 제 2 전달수단(311,312,313,321,322,323)은, 그들 입력단자에 게이트 단자와 드레인 단자가 연결되고, 그들 출력단자에 소스 단자가 연결된 NMOS 트랜지스터로 구성된다. 또한, 캐패시터수단(331,332,333)은, 상기 제 1 및 제 2 전달수단(311,312,313,321,322,323)의 출력단자에 드레인 단자가 연결되 고, 전원전압(VSS)에는 게이트 단자와 소스 단자가 연결된 NMOS 트랜지스터로 구성된다. 다시 말해, 각 스테이지(ST1,ST2,…,STn-2,STn-1)의 출력신호(out1,out2,… ,outn-2,outn-1)는 제 1 전달수단(311,312,313)에 구비된 NMOS 트랜지스터의 드레인 단자와 게이트 단자에 인가되며, 상기 다음 스테이지(ST2,…,STn-2,STn-1,STn)의 출력신호(out2,…,outn-2,outn-1,outn)는 제 2 전달수단(321,322,323)에 구비된 NMOS 트랜지스터의 드레인 단자와 게이트 단자에 인가된다.Here, the first and second transfer means (311, 312, 313, 321, 322, 323) are composed of NMOS transistors having a gate terminal and a drain terminal connected to their input terminals, and a source terminal connected to their output terminals. In addition, the capacitor means 331, 332, 333 may include an NMOS transistor having a drain terminal connected to an output terminal of the first and second transfer means 311, 312, 313, 321, 322, 323, and a gate terminal and a source terminal connected to a power supply voltage VSS. In other words, the output signals out1, out2, ..., outn-2, and outn-1 of each stage ST1, ST2, ..., STn-2, STn-1 are NMOSs provided in the first transfer means 311, 312, 313. It is applied to the drain terminal and the gate terminal of the transistor, the output signal (out2, ..., outn-2, outn-1, outn) of the next stage (ST2, ..., STn-2, STn-1, STn) is a second It is applied to the drain terminal and the gate terminal of the NMOS transistor provided in the transfer means (321, 322, 323).

이러한 구조의 본 발명에 따른 액정표시장치용 쉬프트 레지스터의 각 스테이지(ST1,ST2,…,STn-2,STn-1,STn)에는 클럭신호(clk,clkb) 및 전원전압(VSS)이 인가되며, 첫번째 스테이지(ST1)에는 쉬프트 레지스터를 동작시키기 위해 외부에서 인가되는 제어신호(ste)가 인가된다. 여기서, 상기 클럭신호(clk,clkb)는 동일한 주기의 위상이 서로 반대인 신호이다. 이렇게 클럭신호(clk,clkb) 및 전원전압(VSS)이 각 스테이지(ST1,ST2,…,STn-2,STn-1,STn)에 인가되고, 상기 제어신호(ste)가 첫번째 스테이지(ST1)에 인가될 경우, 각 스테이지(ST1,ST2,…,STn-2,STn-1,STn)는 펄스신호인 출력신호(out1,out2,…,outn-2,outn-1,outn)를 순차적으로 출력한다. 마지막번째 스테이지(Stn)의 출력신호(outn)를 제외한 각 스테이지(ST1,ST2,…, STn-2,STn-1)의 출력신호(out1,out2,…,outn-2,outn-1)는, 액정표시장치의 각 게이트 라인에 인가된다.The clock signals clk and clkb and the power supply voltage VSS are applied to the stages ST1, ST2, ..., STn-2, STn-1, STn of the shift register for a liquid crystal display according to the present invention having such a structure. The first stage ST1 receives a control signal ste applied externally to operate the shift register. Here, the clock signals clk and clkb are signals in which phases of the same period are opposite to each other. In this way, the clock signals clk and clkb and the power supply voltage VSS are applied to the stages ST1, ST2, ..., STn-2, STn-1, STn, and the control signal ste is applied to the first stage ST1. When applied to, each stage ST1, ST2, ..., STn-2, STn-1, STn sequentially outputs the output signals out1, out2, ..., outn-2, outn-1, outn which are pulse signals. Output The output signals out1, out2, ..., outn-2, outn-1 of each stage ST1, ST2, ..., STn-2, STn-1 except the output signal outn of the last stage Stn are Each gate line of the liquid crystal display device is applied.

또한, 상기 출력신호(out1,out2,…,outn-2,outn-1)는 상기 각 스테이지(ST1, ST2,…,STn-2,STn-1)의 출력단자에 연결된 제 1 전달수단(311,312,313)을 거쳐 각 스테이지(ST1,ST2,…,STn-2,STn-1)의 바로 다음 스테이지(ST2,…,STn-2,STn-1,STn) 의 입력신호로 인가된다. 상기 다음 스테이지(ST2,…,STn-2,STn-1,STn)의 출력신호(out2,…,outn-2,outn-1,outn)는, 각 다음 스테이지(ST2,…,STn-2,STn-1, STn)의 출력단자에 연결된 제 2 전달수단(321,322,323)을 거쳐 바로 이전 스테이지(ST1,ST2,…,STn-2,STn-1)의 리셋신호로 인가된다. 또한, 상기 출력신호(out2,…,outn-2,outn-1,outn)는 제 2 전달수단(321,322,323)을 거쳐 그 다음 스테이지(ST2,…,STn-2,STn-1,STn)에 피드백되어 입력신호로 인가된다.Further, the output signals out1, out2, ..., outn-2, and outn-1 are first transmission means 311, 312, 313 connected to the output terminals of the respective stages ST1, ST2, ..., STn-2, STn-1. Is applied to the input signal of the stages ST2, ..., STn-2, STn-1, STn immediately following each of the stages ST1, ST2, ..., STn-2, STn-1. The output signals out2, ..., outn-2, outn-1, and outn of the next stage ST2, ..., STn-2, STn-1, STn are each of the next stages ST2, ..., STn-2, It is applied as a reset signal of the previous stages ST1, ST2, ..., STn-2, STn-1 via the second transfer means 321, 322, 323 connected to the output terminals of STn-1, STn. Further, the output signals out2, ..., outn-2, outn-1, outn feed back to the next stages ST2, ..., STn-2, STn-1, STn via the second transfer means 321, 322, 323. Is applied as an input signal.

이 때, 각 스테이지(ST1,ST2,…,STn-2,STn-1,STn)의 출력신호(out1,out2,…, outn-2,outn-1,outn)가 일정 레벨을 갖는 펄스신호가 될 경우, 다시 말해 하이 레벨로 될 경우, 상기 제 1 및 제 2 전달수단(311,312,313,321,322,323)은 턴온되어 그 출력신호(out1,out2,…,outn-2,outn-1,outn)를 각 스테이지(ST1,ST2,…,STn-2, STn-1,STn)에 전달한다. 또한, 캐패시터수단(331,332,333)은 상기 제 1 및 제 2 전달수단(311,312,313,321,322,323)에 의해 각 스테이지(ST2,…,STn-2,STn-1,STn)에 전달되는 입력신호가 안정된 일정 레벨을 갖도록 한다. 다시 말해, 각 스테이지(ST2,…,STn-2,STn-1,STn)의 입력신호를 제 1 전달수단(311,312,313)이 인가한 다음, 제 2 전달수단(321,322,323)이 입력신호를 인가할 경우, 입력신호의 레벨 천이가 발생하지 않도록 한다.At this time, a pulse signal in which the output signals out1, out2, ..., outn-2, outn-1, outn of each stage ST1, ST2, ..., STn-2, STn-1, STn In other words, when the high level is reached, the first and second transfer means 311, 312, 313, 321, 322, 323 are turned on to output the output signals out1, out2,..., Outn-2, outn-1, and outn to each stage ST1. , ST2, ..., STn-2, STn-1, STn). In addition, the capacitor means (331, 332, 333) to the input signal transmitted to each stage (ST2, ..., STn-2, STn-1, STn) by the first and second transfer means (311, 312, 313, 321, 322, 323) to have a stable constant level . In other words, when the first transmission means 311, 312, 313 applies the input signal of each stage ST2,..., STn-2, STn-1, STn, and then the second transmission means 321, 322, 323 applies the input signal. Therefore, the level shift of the input signal does not occur.

이하, 본 발명에 따른 액정표시장치용 쉬프트 레지스터의 동작을 참고하여 설명하기로 한다.Hereinafter, an operation of the shift register for a liquid crystal display according to the present invention will be described.

도 4는 본 발명에 따른 액정표시장치용 쉬프트 레지스터의 스테이지(STn-2, STn-1,STn)의 동작 파형을 도시한 파형도이다.4 is a waveform diagram showing the operation waveforms of the stages STn-2, STn-1, STn of the shift register for liquid crystal display according to the present invention.

클럭신호(clk,clkb) 및 전원전압(VSS)과 제어신호(ste)가 본 발명에 따른 액정표시장치용 쉬프트 레지스터에 인가되면, 클럭신호(clk,clkb)의 주기로 각 스테이지(STn-2,STn-1,STn)는 펄스신호(outn-2,outn-1,outn)를 출력한다. 이 때, n-2번째 스테이지(STn-2)의 출력신호(outn-2)는, n-1번째 스테이지(STn-1)의 입력단자와 연결된 제 1 전달수단(312)을 거쳐 n-1번째 스테이지(STn-1)의 입력신호(inn-1)로 인가된다. n-2번째 스테이지(STn-2)의 출력신호(outn-2)를 수신한 n-1번째 스테이지(STn-1)는, 출력신호(outn-1)를 n번째 스테이지(STn)의 입력단자와 연결된 제 1 전달수단(313)과 n-1번째 스테이지(STn-1)의 출력단자와 연결된 제 2 전달수단(322)에 인가한다. 이러한 제 2 전달수단(322)은 상기 출력신호(outn-1)를 n-2번째 스테이지(STn-2)의 리셋신호와 n-1번째 스테이지(STn-1)의 입력신호(inn-1)로 인가한다. 그 결과, n-2번째 스테이지(STn-2)는 리셋되며, n-1번째 스테이지(STn-1)의 입력신호(inn-1)는 n번째 스테이지(STn)가 동작하여 출력신호(outn)를 출력하는 시점(t1)까지 하이레벨로 n-1번째 스테이지(STn-1)에 인가된다.When the clock signals clk and clkb, the power supply voltage VSS, and the control signal ste are applied to the shift register for the liquid crystal display according to the present invention, each stage STn-2, in the cycle of the clock signals clk and clkb, is applied. STn-1 and STn output pulse signals outn-2, outn-1 and outn. At this time, the output signal outn-2 of the n-th stage STn-2 is n-1 through the first transmission means 312 connected to the input terminal of the n-th stage STn-1. The input signal inn-1 of the second stage STn-1 is applied. The n-1th stage STn-1, which has received the output signal outn-2 of the n-2th stage STn-2, outputs the output signal outn-1 to the input terminal of the nth stage STn. Is applied to the first transmission means 313 connected to the second transmission means 322 connected to the output terminal of the n-th stage STn-1. The second transfer means 322 converts the output signal outn-1 into the reset signal of the n-2th stage STn-2 and the input signal inn-1 of the n-1th stage STn-1. Is applied. As a result, the n-th stage STn-2 is reset, and the input signal inn-1 of the n-1st stage STn-1 operates the nth stage STn to output the output signal outn. Is applied to the n-th stage STn-1 at a high level until a time point t1 at which the output signal is output.

이러한 방식으로 본 발명에 따른 액정표시장치용 쉬프트 레지스터는 각 스테이지(ST2,…,STn-2,STn-1,STn)에 그 각 스테이지(ST2,…,STn-2,STn-1,STn)의 출력신호(out2,…,outn-2,outn-1,outn)를 피드백하여 입력신호로 인가함으로써, 각 스테이지(ST2,…,STn-2 STn-1,STn)에 입력신호가 인가되는 타이밍 구간이 종래의 액정표시장치용 쉬프트 레지스터 보다 2배 정도로 증가한다. 그 결과, 온도가 하강으로 인해 각 스테이지(ST2,…,STn-2,STn-1,STn)가 저온 상태가 되어 트랜지스터의 특성이 하강할지라도 입력신호를 지속적으로 인가함으로써 출력신호(out1,out2,… ,outn-2,outn-1,outn)의 라이징 시간 증가를 방지할 수 있다.In this manner, the shift register for a liquid crystal display device according to the present invention has each stage (ST2, ..., STn-2, STn-1, STn) in each stage (ST2, ..., STn-2, STn-1, STn). The timing at which the input signal is applied to each of the stages ST2, ..., STn-2 STn-1, STn by feeding back the output signals out2, ..., outn-2, outn-1, outn as an input signal. The interval is increased by about twice that of the shift register for a conventional liquid crystal display device. As a result, each stage (ST2, ..., STn-2, STn-1, STn) becomes low temperature due to the temperature drop, and the output signal (out1, out2) is continuously applied even though the characteristics of the transistor decrease. It is possible to prevent an increase in the rise time of ..., ..., outn-2, outn-1, outn).

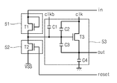
도 5는 본 발명에 따른 액정표시장치용 쉬프트 레지스터의 각 스테이지(ST1, ST2,…,STn-2,STn-1,STn)를 도시한 회로도이다.Fig. 5 is a circuit diagram showing the stages ST1, ST2, ..., STn-2, STn-1, STn of the shift register for a liquid crystal display according to the present invention.

각 스테이지(ST1,ST2,…,STn-2,STn-1,STn)는, 제어수단(51,51) 및 부트스트랩수단(53)을 구비한다. 제 1 제어수단(51)은, 그 제 1 제어수단(51)의 입력단자에 드레인 단자와 게이트 단자가 공통으로 연결되고, 제 1 제어수단(51)의 출력단자에는 소스 단자가 연결된 NMOS 트랜지스터(T1)를 포함한다. 상기 제 1 제어수단(51)은 제 1 및 제 2 전달수단(311,312,313,321,322,323)으로부터 입력신호(in)를 수신하며, 입력신호(in)가 하이 레벨일 경우에 그 입력신호(in)를 부트스트랩수단(53)에 전달한다. 제 2 제어수단(52)은, 그 제 2 제어수단(52)의 출력단자에 드레인 단자가 연결되고, 제 2 제어수단(52)의 입력단자에 게이트 단자가 연결되며, 전원전압(VSS)에 소스 단자가 연결된 NMOS 트랜지스터(T2)를 포함한다. 상기 제 2 제어수단(52)은 제 2 전달수단(321,322,323)으로부터 리셋신호(reset)를 수신하며, 리셋신호(reset)가 하이 레벨일 경우에 그 리셋신호(reset)를 부트스트랩수단(53)에 전달한다.Each stage ST1, ST2, ..., STn-2, STn-1, STn includes control means 51, 51 and bootstrap means 53. FIG. The first control means 51 has an NMOS transistor having a drain terminal and a gate terminal connected to the input terminal of the first control means 51 in common, and a source terminal connected to the output terminal of the first control means 51. T1). The first control means 51 receives an input signal in from the first and second transfer means 311, 312, 313, 321, 322, 323, and bootstrap means when the input signal in is at a high level. Forward to 53. The second control means 52, the drain terminal is connected to the output terminal of the second control means 52, the gate terminal is connected to the input terminal of the second control means 52, the power supply voltage (VSS) The NMOS transistor T2 has a source terminal connected thereto. The second control means 52 receives a reset signal from the second transfer means 321, 322, 323, and bootstrap means 53 when the reset signal is at a high level. To pass on.

부트스트랩수단(53)은 NMOS 트랜지스터(T3) 및 캐패시터(C1,C2,C3,C4)을 포함한다. NMOS 트랜지스터(T3)는 드레인 단자로 제 1 클럭신호(clk)를 수신하며, 소스 단자를 통해 각 스테이지(ST1,ST2,…,STn-2,STn-1,STn)의 출력신호(out1, out2,…,outn-2,outn-1,outn)를 출력한다. 제 1 캐패시터(C1)는 제 2 캐패시터 (C2)의 기생 캐패시턴스와 동일한 캐패시턴스를 가지며, 제 2 클럭신호(clkb)를 제 1 클럭신호(clk)로 상쇄시키거나, 제 1 클럭신호(clk)를 제 2 클럭신호(clkb)로 상쇄시키기 위한 캐패시터이다. 상기 제 2 캐패시터(C2)는 NMOS 트랜지스터(T3)를 포함한 부트스트랩수단(53) 내부의 기생 캐패시터이다. 제 3 캐패시터(C3)는 입력신호(in)에 의해 전하를 펌핑하며, 그 전하를 NMOS 트랜지스터(T3)의 게이트 단자에 공급한다. 제 4 캐패시터(C4)는 NMOS 트랜지스터(T3)를 포함한 상기 부트스트랩수단(53)의 출력(out) 부하 캐패시터이다.The bootstrap means 53 includes an NMOS transistor T3 and capacitors C1, C2, C3, C4. The NMOS transistor T3 receives the first clock signal clk as a drain terminal, and outputs out1 and out2 of each stage ST1, ST2, ..., STn-2, STn-1, STn through a source terminal. ,…, Outn-2, outn-1, outn). The first capacitor C1 has the same capacitance as the parasitic capacitance of the second capacitor C2, and cancels the second clock signal clkb to the first clock signal clk or replaces the first clock signal clk. It is a capacitor for canceling with the second clock signal clkb. The second capacitor C2 is a parasitic capacitor inside the bootstrap means 53 including the NMOS transistor T3. The third capacitor C3 pumps charge by the input signal in, and supplies the charge to the gate terminal of the NMOS transistor T3. The fourth capacitor C4 is an output load capacitor of the bootstrap means 53 including the NMOS transistor T3.

이러한 각 스테이지(ST1,ST2,…,STn-2,STn-1,STn)에 제 1 전달수단(311, 312,313)을 통해 하이 레벨의 입력신호(in)가 인가되면, 그 하이 레벨의 입력신호(in)는 제 1 제어수단(51)을 거쳐 부트스트랩수단(53)에 전달된다. 이 때, 입력신호(in)에 의해 제 3 캐패시터(C3)에 충전된 전하에 의해 부트스트랩되며, 그 전하는 NMOS 트랜지스터(T3)의 게이트 단자에 전달된다. 그에 따라, 상기 NMOS 트랜지스터(T3)는 턴온되어 부트스트랩수단(53)은 하이 레벨의 출력신호(out)를 출력한다. 하이 레벨의 출력신호(out)는 제 2 전달수단(321,322,323)을 통해 입력신호(in)로 제 1 제어수단(51)에 인가되며, 그 결과, 부트스트랩수단(53)의 동작 특성이 향상된다.When the high level input signal in is applied to each of the stages ST1, ST2, ..., STn-2, STn-1, STn through the first transfer means 311, 312, 313, the high level input signal. in is transmitted to the bootstrap means 53 via the first control means 51. At this time, bootstrap is performed by charges charged in the third capacitor C3 by the input signal in, and the charges are transferred to the gate terminal of the NMOS transistor T3. Accordingly, the NMOS transistor T3 is turned on so that the bootstrap means 53 outputs a high level output signal out. The high level output signal out is applied to the first control means 51 as an input signal in via the second transfer means 321, 322, 323, and as a result, the operating characteristic of the bootstrap means 53 is improved. .

즉, 온도가 하강으로 인해 저온의 상태가 됨에 따라, 트랜지스터(T1,T2,T3)의 특성이 변하여 트랜지스터(T1,T2,T3)의 전자 이동도가 감소되고, 문턱전압의 전압 레벨이 상승할지라도, 입력신호(in)의 하이 레벨 구간을 증가시킴으로써 부트스트랩수단(53)의 동작 특성을 향상시킬 수 있다. 그 결과, 각 스테이지(ST1,ST2,… ,STn-2,STn-1,STn) 출력신호(out1,out2,…,outn-2,outn-1,outn)의 라이징 시간 증 가를 방지할 수 있다. 이 후, 리셋신호(reset)가 제 2 전달수단(321,322,323)을 통해 제 2 제어수단(52)에 인가되면, 접지 레벨인 로우 레벨의 신호가 부트스트랩수단(53)에 인가되어 NMOS 트랜지스터(T3)이 턴오프됨에 따라, 부트스트랩수단(53)이 턴오프되어 출력신호(out)는 로우 레벨이 된다. 그 결과, 각 스테이지(ST1, ST2,…,STn-2,STn-1,STn)의 출력신호(out1,out2,…,outn-2,outn-1,outn)는 로우 레벨이 된다.That is, as the temperature is lowered due to the decrease in temperature, the characteristics of the transistors T1, T2, and T3 change to decrease the electron mobility of the transistors T1, T2, and T3, and the voltage level of the threshold voltage increases. Even if the high level section of the input signal in is increased, the operating characteristics of the bootstrap means 53 can be improved. As a result, an increase in the rise time of the output signals out1, out2, ..., outn-2, outn-1, and outn of each stage ST1, ST2, ..., STn-2, STn-1, STn can be prevented. . After that, when the reset signal reset is applied to the second control means 52 through the second transfer means 321, 322, 323, a low level signal, which is a ground level, is applied to the bootstrap means 53 so that the NMOS transistor T3. Is turned off, the bootstrap means 53 is turned off and the output signal out is at a low level. As a result, the output signals out1, out2, ..., outn-2, outn-1, and outn of each stage ST1, ST2, ..., STn-2, STn-1, STn become low level.

본 발명의 상기한 바와 같은 구성에 따라, 각 스테이지 입력신호의 인에이블 구간을 증가시킴으로써, 저온의 상태에서도 쉬프트 레지스터의 동작 특성 저하를 방지할 수 있다. 이에 따라, 온도의 변화에도 동작 특성의 변화 없이 일정하게 펄스신호를 출력하며, 그 결과, 액정표시장치의 화질 향상 및 고송 동영상을 재현할 수 있다.According to the above configuration of the present invention, by increasing the enable period of each stage input signal, it is possible to prevent the deterioration of the operating characteristics of the shift register even in a low temperature state. As a result, a pulse signal is constantly output even without a change in operating characteristics even with a change in temperature. As a result, the image quality of the liquid crystal display can be improved and a moving picture can be reproduced.

본 발명을 특정 실시예에 관련하여 도시하고 설명하였지만, 본 발명이 그에 한정되는 것은 아니며, 이하의 특허청구범위에 의해 마련되는 본 발명의 정신이나 분야를 이탈하지 않는 한도 내에서 본 발명이 다양하게 개조 및 변형될 수 있다는 것을 당업계에서 통상의 지식을 가진 자는 용이하게 알 수 있다.While the invention has been shown and described with reference to specific embodiments, the invention is not so limited, and it is to be understood that the invention is capable of various modifications without departing from the spirit or field of the invention as set forth in the claims below. It will be readily apparent to one of ordinary skill in the art that modifications and variations can be made.

Claims (6)

캐스케이드 형태로 연결된 다수의 스테이지를 구비한 액정표시장치용 쉬프트 레지스터에 있어서,A shift register for a liquid crystal display device having a plurality of stages connected in a cascade form, 각 스테이지의 출력신호를 수신하여 상기 각 스테이지의 다음 스테이지에 인가하는 제 1 전달수단;First transfer means for receiving an output signal of each stage and applying it to a next stage of each stage; 상기 다음 스테이지의 출력신호를 수신하여 상기 각 스테이지와 상기 다음 스테이지에 인가하는 제 2 전달수단; 및Second transfer means for receiving an output signal of the next stage and applying the output signal to each stage and the next stage; And 상기 제 1 및 제 2 전달수단의 출력단자와 상기 다음 스테이지의 입력단자의 공통 연결단자에 연결되며, 상기 제 1 및 제 2 전달수단으로부터 수신하는 상기 다음 스테이지의 입력신호가 일정 레벨을 유지하도록 하는 캐패시터수단;을 구비하는 것을 특징으로 하는 액정표시장치용 쉬프트 레지스터.It is connected to the output terminal of the first and second transmission means and the common connection terminal of the input terminal of the next stage, the input signal of the next stage received from the first and second transmission means to maintain a constant level And a capacitor means. A shift register for a liquid crystal display device, comprising: a capacitor; 제 1 항에 있어서,The method of claim 1, 상기 다수의 스테이지 및 상기 캐패시터수단은 전원전압 단자에 연결되며,The plurality of stages and the capacitor means are connected to a power supply voltage terminal, 상기 다수의 스테이지는 외부에서 인가되는 제 1 클럭신호 및 상기 제 1 클럭신호가 반전된 제 2 클럭신호를 수신하는 것을 특징으로 하는 액정표시장치용 쉬프트 레지스터.And the plurality of stages receive a first clock signal applied from the outside and a second clock signal in which the first clock signal is inverted. 제 1 항에 있어서,The method of claim 1, 상기 다수의 스테이지 중 첫번째 스테이지는 쉬프트 레지스터를 인에이블시키기 위한 제어신호를 입력신호로 수신하는 것을 특징으로 하는 액정표시장치용 쉬프트 레지스터.And a first stage of the plurality of stages receives a control signal for enabling the shift register as an input signal. 제 1 항에 있어서,The method of claim 1, 상기 다수의 스테이지 중 마지막번째 스테이지의 출력신호는, 상기 마지막 번째 스테이지의 이전 스테이지와 연결된 상기 제 2 전달수단에만 인가되는 것을 특징으로 하는 액정표시장치용 쉬프트 레지스터.And an output signal of the last stage of the plurality of stages is applied only to the second transfer means connected to the previous stage of the last stage. 제 1 항에 있어서,The method of claim 1, 상기 제 1 및 제 2 전달수단은, 상기 제 1 및 제 2 전달수단의 입력단자에 드레인 단자 및 게이트 단자가 공통으로 연결되고, 상기 제 1 및 제 2 전달수단의 출력단자에는 소스 단자가 공통으로 연결된 NMOS 트랜지스터로 구성되는 것을 특징으로 하는 액정표시장치용 쉬프트 레지스터.In the first and second transfer means, a drain terminal and a gate terminal are commonly connected to input terminals of the first and second transfer means, and a source terminal is common to the output terminals of the first and second transfer means. A shift register for a liquid crystal display, characterized by comprising connected NMOS transistors. 제 1 항에 있어서,The method of claim 1, 상기 캐패시터수단은 접지단자에 소스 단자 및 게이트 단자가 공통으로 연결되고, 상기 제 1 및 제 2 전달수단의 출력단자에는 드레인 단자가 공통으로 연결된 NMOS 트랜지스터로 구성되는 것을 특징으로 하는 액정표시장치용 쉬프트 레지스터.The capacitor means has a shift terminal for the liquid crystal display device, characterized in that the source terminal and the gate terminal is commonly connected to the ground terminal, the output terminal of the first and second transfer means is composed of an NMOS transistor connected in common to the drain terminal. register.
KR1020040111869A 2004-12-24 2004-12-24 Shift register for liquid crystal display Expired - Lifetime KR100590934B1 (en)

Priority Applications (1)

Application Number Priority Date Filing Date Title
KR1020040111869A KR100590934B1 (en) 2004-12-24 2004-12-24 Shift register for liquid crystal display

Applications Claiming Priority (1)

Application Number Priority Date Filing Date Title
KR1020040111869A KR100590934B1 (en) 2004-12-24 2004-12-24 Shift register for liquid crystal display

Publications (1)

Publication Number Publication Date
KR100590934B1 true KR100590934B1 (en) 2006-06-19

Family

ID=37182906

Family Applications (1)

Application Number Title Priority Date Filing Date
KR1020040111869A Expired - Lifetime KR100590934B1 (en) 2004-12-24 2004-12-24 Shift register for liquid crystal display

Country Status (1)

Country Link
KR (1) KR100590934B1 (en)

Cited By (2)

* Cited by examiner, † Cited by third party
Publication number Priority date Publication date Assignee Title
US8947409B2 (en) 2009-12-14 2015-02-03 Samsung Display Co., Ltd. Display panel
CN107993607A (en) * 2018-01-23 2018-05-04 京东方科技集团股份有限公司 Drive element of the grid and its driving method, gate driving circuit and display device

Cited By (3)

* Cited by examiner, † Cited by third party
Publication number Priority date Publication date Assignee Title
US8947409B2 (en) 2009-12-14 2015-02-03 Samsung Display Co., Ltd. Display panel
CN107993607A (en) * 2018-01-23 2018-05-04 京东方科技集团股份有限公司 Drive element of the grid and its driving method, gate driving circuit and display device
CN107993607B (en) * 2018-01-23 2020-07-10 京东方科技集团股份有限公司 Gate driving unit and driving method thereof, gate driving circuit and display device

Similar Documents

Publication Publication Date Title
CN114944129B (en) Electroluminescent Display
KR101039268B1 (en) Shift registers and their gate drivers
US8913709B2 (en) Shift register circuit
US7336254B2 (en) Shift register that suppresses operation failure due to transistor threshold variations, and liquid crystal driving circuit including the shift register
US7492853B2 (en) Shift register and image display apparatus containing the same
JP5173618B2 (en) Shift register, driving method thereof, and driving device for liquid crystal display panel
EP1864297B1 (en) Shift register circuit using two bootstrap capacitors
KR102485454B1 (en) Gate driving circuit and display device using the same
US7499518B2 (en) Shift register and image display apparatus containing the same
US20100156474A1 (en) Gate drive circuit and display apparatus having the same
US20040041774A1 (en) Liquid crystal display apparatus
US20080080661A1 (en) Shift register circuit and image display apparatus containing the same
US10096373B2 (en) Shift register and driving method therefor, gate driver on array circuit and display device
US20110234565A1 (en) Shift register circuit, display device, and method for driving shift register circuit
KR20110052738A (en) Electronic device with display
US11308859B2 (en) Shift register circuit and method of driving the same, gate driver circuit, array substrate and display device
JP2006127630A (en) Shift register and liquid crystal driver
KR101244559B1 (en) Gate driver
KR20050104895A (en) Shift register and method for driving the same
KR100590934B1 (en) Shift register for liquid crystal display
KR101294016B1 (en) Display device capable of displaying partial picture and driving method of the same
KR101318222B1 (en) Display device capable of displaying partial picture and driving method of the same
JP4763371B2 (en) Display device
US12100358B2 (en) Scanning signal line drive circuit and display device provided with same
KR20050037709A (en) Gate driver

Legal Events

Date Code Title Description
A201 Request for examination
PA0109 Patent application

Patent event code: PA01091R01D

Comment text: Patent Application

Patent event date: 20041224

PA0201 Request for examination
E701 Decision to grant or registration of patent right
PE0701 Decision of registration

Patent event code: PE07011S01D

Comment text: Decision to Grant Registration

Patent event date: 20060331

GRNT Written decision to grant
PR0701 Registration of establishment

Comment text: Registration of Establishment

Patent event date: 20060609

Patent event code: PR07011E01D

PR1002 Payment of registration fee

Payment date: 20060612

End annual number: 3

Start annual number: 1

PG1601 Publication of registration
PR1001 Payment of annual fee

Payment date: 20090522

Start annual number: 4

End annual number: 4

PR1001 Payment of annual fee

Payment date: 20100315

Start annual number: 5

End annual number: 5

PR1001 Payment of annual fee

Payment date: 20110513

Start annual number: 6

End annual number: 6

PR1001 Payment of annual fee

Payment date: 20120507

Start annual number: 7

End annual number: 7

FPAY Annual fee payment

Payment date: 20130514

Year of fee payment: 8

PR1001 Payment of annual fee

Payment date: 20130514

Start annual number: 8

End annual number: 8

FPAY Annual fee payment

Payment date: 20140519

Year of fee payment: 9

PR1001 Payment of annual fee

Payment date: 20140519

Start annual number: 9

End annual number: 9

FPAY Annual fee payment

Payment date: 20150518

Year of fee payment: 10

PR1001 Payment of annual fee

Payment date: 20150518

Start annual number: 10

End annual number: 10

FPAY Annual fee payment

Payment date: 20160518

Year of fee payment: 11

PR1001 Payment of annual fee

Payment date: 20160518

Start annual number: 11

End annual number: 11

FPAY Annual fee payment

Payment date: 20170523

Year of fee payment: 12

PR1001 Payment of annual fee

Payment date: 20170523

Start annual number: 12

End annual number: 12

FPAY Annual fee payment

Payment date: 20180517

Year of fee payment: 13

PR1001 Payment of annual fee

Payment date: 20180517

Start annual number: 13

End annual number: 13

FPAY Annual fee payment

Payment date: 20190527

Year of fee payment: 14

PR1001 Payment of annual fee

Payment date: 20190527

Start annual number: 14

End annual number: 14

PR1001 Payment of annual fee

Payment date: 20200526

Start annual number: 15

End annual number: 15

PR1001 Payment of annual fee

Payment date: 20210526

Start annual number: 16

End annual number: 16

PR1001 Payment of annual fee

Payment date: 20230524

Start annual number: 18

End annual number: 18

PR1001 Payment of annual fee

Payment date: 20240527

Start annual number: 19

End annual number: 19

PC1801 Expiration of term

Termination date: 20250624

Termination category: Expiration of duration