[go: up one dir, main page]

JP2012178535A - Photovoltaic power generation system, switching system and bypass device - Google Patents

Photovoltaic power generation system, switching system and bypass device Download PDF

Info

Publication number
JP2012178535A
JP2012178535A JP2011085327A JP2011085327A JP2012178535A JP 2012178535 A JP2012178535 A JP 2012178535A JP 2011085327 A JP2011085327 A JP 2011085327A JP 2011085327 A JP2011085327 A JP 2011085327A JP 2012178535 A JP2012178535 A JP 2012178535A
Authority
JP
Japan
Prior art keywords
terminal
solar cell
cell module
switching element
voltage
Prior art date
Legal status (The legal status is an assumption and is not a legal conclusion. Google has not performed a legal analysis and makes no representation as to the accuracy of the status listed.)
Granted
Application number
JP2011085327A
Other languages
Japanese (ja)
Other versions
JP5626798B2 (en
Inventor
Hidetaka Mizumaki
秀隆 水巻
Current Assignee (The listed assignees may be inaccurate. Google has not performed a legal analysis and makes no representation or warranty as to the accuracy of the list.)
Sharp Corp
Original Assignee
Sharp Corp
Priority date (The priority date is an assumption and is not a legal conclusion. Google has not performed a legal analysis and makes no representation as to the accuracy of the date listed.)
Filing date
Publication date
Application filed by Sharp Corp filed Critical Sharp Corp
Priority to JP2011085327A priority Critical patent/JP5626798B2/en
Publication of JP2012178535A publication Critical patent/JP2012178535A/en
Application granted granted Critical
Publication of JP5626798B2 publication Critical patent/JP5626798B2/en
Expired - Fee Related legal-status Critical Current
Anticipated expiration legal-status Critical

Links

Images

Classifications

    • YGENERAL TAGGING OF NEW TECHNOLOGICAL DEVELOPMENTS; GENERAL TAGGING OF CROSS-SECTIONAL TECHNOLOGIES SPANNING OVER SEVERAL SECTIONS OF THE IPC; TECHNICAL SUBJECTS COVERED BY FORMER USPC CROSS-REFERENCE ART COLLECTIONS [XRACs] AND DIGESTS
    • Y02TECHNOLOGIES OR APPLICATIONS FOR MITIGATION OR ADAPTATION AGAINST CLIMATE CHANGE
    • Y02EREDUCTION OF GREENHOUSE GAS [GHG] EMISSIONS, RELATED TO ENERGY GENERATION, TRANSMISSION OR DISTRIBUTION
    • Y02E10/00Energy generation through renewable energy sources
    • Y02E10/50Photovoltaic [PV] energy

Landscapes

  • Photovoltaic Devices (AREA)

Abstract

PROBLEM TO BE SOLVED: To provide a photovoltaic power generation system which reduces (cancels) power consumption incurred in a conventional bypass diode, a switching system and a bypass device.SOLUTION: A photovoltaic power generation system 1 includes a solar cell module group 10 in which a plurality of solar cell modules 11 are connected in series, a bypass current path 15 which bypasses a module group current Ig which flows to the solar cell module group 10 when an output voltage of the solar cell module 11 is smaller than a specific voltage which is specified beforehand, a DC/DC converter 30 which performs DC/DC conversion on power outputted from the solar cell module group 10, a switching element 16 which switches conduction and non-conduction of the bypass current path 15, and a control unit 20 which is disposed correspondingly to each switching element 16 and controls opening/closing of the corresponding switching element 16.

Description

本発明は、太陽電池モジュールが複数直列に接続された太陽電池モジュール群に流れるモジュール群電流をバイパスさせるバイパス電流経路を備えた太陽光発電システム、電流経路の導通、非導通を切り替えるスイッチングシステム、およびバイパス装置に関する。   The present invention provides a photovoltaic power generation system having a bypass current path that bypasses a module group current flowing in a group of solar cell modules in which a plurality of solar cell modules are connected in series, a switching system that switches conduction and non-conduction of current paths, and The present invention relates to a bypass device.

太陽光を電気に変換する太陽電池セルが開発されている。しかし、太陽電池セル(太陽電池素子)1個の発電電力(発電電圧、発電電流)は小さいことから、多数の太陽電池セルを直列に、さらには並列に接続して太陽電池モジュールとして必要な電力を得るようにしている。また、太陽電池モジュールをさらに複数接続して太陽光発電システムが構成されている。   Solar cells that convert sunlight into electricity have been developed. However, since the generated power (generated voltage, generated current) of one solar cell (solar cell element) is small, a large number of solar cells are connected in series and in parallel, and the power required as a solar cell module Like to get. Further, a solar power generation system is configured by further connecting a plurality of solar cell modules.

太陽電池セル(太陽電池モジュール)は太陽光によって発電することから、太陽光が遮光されて太陽電池セル(太陽電池モジュール)の表面が影の状態とされた場合、発電に寄与しない太陽電池セル(太陽電池モジュール)が直列に接続されて通常の発電状態を維持している太陽電池セル(太陽電池モジュール)に対して電流の制限を及ぼすことになり、太陽光発電システムとしての発電効率が低下することになる。   Since solar cells (solar cell modules) generate electricity by sunlight, solar cells that do not contribute to power generation when sunlight is shielded and the surface of the solar cell (solar cell module) is shaded ( Solar cell modules) are connected in series to limit the current to the solar cells (solar cell modules) that maintain the normal power generation state, and the power generation efficiency as a solar power generation system decreases. It will be.

また、非発電状態の太陽電池セル(太陽電池モジュール)に対しても通常の発電状態を維持している太陽電池セル(太陽電池モジュール)からの電流が流れる。非発電状態の太陽電池セル(太陽電池モジュール)は、抵抗体として作用することから発熱作用によって例えばホットスポット現象を生じ、寿命および信頼性を低下させる虞が生じる。   In addition, a current from a solar battery cell (solar battery module) that maintains a normal power generation state flows to a non-power-generating solar battery cell (solar battery module). Since the solar cell (solar cell module) in a non-power generation state acts as a resistor, for example, a hot spot phenomenon occurs due to heat generation, and there is a possibility that the life and reliability may be reduced.

そこで従来の太陽光発電システムでは、適宜の個数の太陽電池セルで構成された太陽電池モジュールに対してバイパスダイオードを接続して上述した不都合を回避する構成とされている。図5A、図5Bに基づいて従来の太陽光発電システムについて説明する。   Therefore, in the conventional solar power generation system, a bypass diode is connected to a solar cell module configured with an appropriate number of solar cells to avoid the above-described disadvantages. A conventional solar power generation system will be described with reference to FIGS. 5A and 5B.

図5Aは、従来の太陽光発電システム101の概略ブロック構成を示すブロック図である。   FIG. 5A is a block diagram showing a schematic block configuration of a conventional photovoltaic power generation system 101.

従来の太陽光発電システム101は、太陽光Lsを光電変換によって電気(電力)に変換する太陽電池セル112が複数直列に接続されて構成された太陽電池モジュール111を備える。太陽電池モジュール111は、さらに複数(例えば、太陽電池モジュール111fおよび太陽電池モジュール111s)直列に接続されて太陽電池モジュール群110を構成している。太陽電池モジュール群110は、さらに多くの太陽電池モジュール111を接続して構成することも可能であるが、説明の便宜上、2個の太陽電池モジュール111(太陽電池モジュール111fおよび太陽電池モジュール111s)が接続された場合について説明する。   A conventional solar power generation system 101 includes a solar cell module 111 configured by connecting a plurality of solar cells 112 that convert sunlight Ls into electricity (electric power) by photoelectric conversion. A plurality of solar cell modules 111 (for example, a solar cell module 111f and a solar cell module 111s) are connected in series to constitute a solar cell module group 110. The solar cell module group 110 can be configured by connecting more solar cell modules 111, but for convenience of explanation, two solar cell modules 111 (a solar cell module 111f and a solar cell module 111s) are provided. A case of connection will be described.

なお、2個の太陽電池モジュール111fおよび太陽電池モジュール111sを特に区別する必要がない場合は、単に太陽電池モジュール111とすることがある。また、太陽電池モジュール111fに配置された太陽電池セル112を太陽電池セル112fとし、太陽電池モジュール111sに配置された太陽電池セル112を太陽電池セル112sとする。両者(太陽電池セル112fおよび太陽電池セル112s)を特に区別する必要がない場合は、単に太陽電池セル112とすることがある。また、図5Aでは、太陽電池モジュール111の内側で両端に配置された太陽電池セル112を示し、中間に配置された太陽電池セル112については図示を省略している。   In addition, when it is not necessary to particularly distinguish the two solar cell modules 111f and the solar cell module 111s, the solar cell module 111 may be simply used. Moreover, the solar cell 112 arrange | positioned at the solar cell module 111f is set as the solar cell 112f, and the solar cell 112 arrange | positioned at the solar cell module 111s is set as the solar cell 112s. When there is no need to particularly distinguish both (solar cell 112f and solar cell 112s), the solar cell 112 may be simply used. Moreover, in FIG. 5A, the solar cell 112 arrange | positioned at both ends inside the solar cell module 111 is shown, and illustration is abbreviate | omitted about the solar cell 112 arrange | positioned in the middle.

太陽光Lsが照射された太陽電池モジュール111は、それぞれ光電変換によって出力電圧を発電し、太陽電池モジュール111の直列接続によって加算された電圧が太陽電池モジュール群110の出力電圧としてDC/DCコンバータ130の入力端へ入力される。   The solar cell modules 111 irradiated with the sunlight Ls each generate an output voltage by photoelectric conversion, and the voltage added by the series connection of the solar cell modules 111 is used as the output voltage of the solar cell module group 110 as a DC / DC converter 130. Is input to the input terminal.

直列接続された各太陽電池セル112には、共通のモジュール群電流Igが流れる。したがって、太陽電池モジュール群110は、太陽電池モジュール111fおよび太陽電池モジュール111sを電流経路としてモジュール群電流IgをDC/DCコンバータ130の入力端へ供給する。   A common module group current Ig flows through the solar cells 112 connected in series. Therefore, the solar cell module group 110 supplies the module group current Ig to the input terminal of the DC / DC converter 130 using the solar cell module 111f and the solar cell module 111s as current paths.

DC/DCコンバータ130は、予め設定された変換比率で太陽電池モジュール群110の出力電圧(直流電圧)を適宜の電圧(電力)に変換し、出力端から負荷(不図示)に向けて出力する。   The DC / DC converter 130 converts the output voltage (DC voltage) of the solar cell module group 110 into an appropriate voltage (power) at a preset conversion ratio, and outputs the voltage from the output end toward a load (not shown). .

従来の太陽光発電システム101は、太陽電池モジュール111と並列に接続されたバイパス電流経路115、バイパス電流経路115に挿入されてバイパス電流経路115と共に単一方向の電流路を構成するバイパスダイオード116を備える。バイパス電流経路115、バイパスダイオード116は、太陽電池モジュール111に対応させて接続されることから、太陽電池モジュール111と同様に2個配置されている。   The conventional photovoltaic power generation system 101 includes a bypass current path 115 connected in parallel with the solar cell module 111, and a bypass diode 116 that is inserted into the bypass current path 115 and forms a unidirectional current path together with the bypass current path 115. Prepare. Since the bypass current path 115 and the bypass diode 116 are connected to correspond to the solar cell module 111, two bypass current paths 115 and the bypass diode 116 are arranged in the same manner as the solar cell module 111.

太陽電池モジュール111fと並列に接続されたバイパス電流経路115をバイパス電流経路115f、太陽電池モジュール111sと並列に接続されたバイパス電流経路115をバイパス電流経路115sとし、バイパス電流経路115fおよびバイパス電流経路115sを特に区別する必要がない場合は、単にバイパス電流経路115とすることがある。   The bypass current path 115f connected in parallel with the solar cell module 111f is a bypass current path 115f, the bypass current path 115 connected in parallel with the solar cell module 111s is a bypass current path 115s, and the bypass current path 115f and the bypass current path 115s. May be simply used as the bypass current path 115.

バイパス電流経路115fには、バイパスダイオード116fが挿入(配置)され、バイパス電流経路115sには、バイパスダイオード116sが挿入(配置)されている。バイパスダイオード116fおよびバイパスダイオード116sを特に区別する必要がない場合は、単にバイパスダイオード116とすることがある。   A bypass diode 116f is inserted (arranged) in the bypass current path 115f, and a bypass diode 116s is inserted (arranged) in the bypass current path 115s. If it is not necessary to distinguish between the bypass diode 116f and the bypass diode 116s, the bypass diode 116f may be simply used as the bypass diode 116.

それぞれの太陽電池セル112は、同様な太陽光Lsが照射されている場合、太陽光Lsの照射を受けて同様な光電変換を行う。したがって、それぞれの太陽電池セル112は、仕様に応じた発電電圧でモジュール群電流Igを出力する。   Each solar cell 112 receives the irradiation of sunlight Ls, and performs the same photoelectric conversion, when the same sunlight Ls is irradiated. Accordingly, each solar battery cell 112 outputs the module group current Ig at a generated voltage according to the specification.

略均等に太陽光Lsが照射される通常の状態では、それぞれの太陽電池セル112は、同様に動作することから、太陽電池モジュール111全体で仕様に応じた出力電圧およびモジュール群電流Igを出力する。したがって、太陽電池セル112がn個直列に接続されている場合は、太陽電池セル112の発電電圧×nが太陽電池モジュール111の出力電圧となる。   In a normal state in which the sunlight Ls is irradiated substantially uniformly, each solar cell 112 operates in the same manner, and therefore outputs an output voltage and a module group current Ig according to the specifications of the entire solar cell module 111. . Therefore, when n solar cells 112 are connected in series, the generated voltage xn of the solar cells 112 becomes the output voltage of the solar cell module 111.

バイパスダイオード116は、太陽電池モジュール111の出力(電圧、電流)が通常の発電状態で逆バイアスとなるように接続されている。つまり、バイパスダイオード116は、太陽電池モジュール111の発電電圧のプラス側にカソード側が、太陽電池モジュール111の発電電圧のマイナス側にアノード側が接続されている。したがって、通常の発電状態では、モジュール群電流Igは、太陽電池モジュール11を流れ、バイパスダイオード116には流れない。つまり、通常の発電状態では、バイパスダイオード116は、逆バイアスされていることから、電流は流れない状態となっている。   The bypass diode 116 is connected so that the output (voltage, current) of the solar cell module 111 is reverse-biased in a normal power generation state. That is, the bypass diode 116 has a cathode side connected to the positive side of the generated voltage of the solar cell module 111 and an anode side connected to the negative side of the generated voltage of the solar cell module 111. Therefore, in a normal power generation state, the module group current Ig flows through the solar cell module 11 and does not flow through the bypass diode 116. In other words, in a normal power generation state, the bypass diode 116 is reverse-biased, and therefore no current flows.

図5Bは、図5Aに示した従来の太陽光発電システム101でモジュール群電流Igがバイパスダイオード116sをバイパスして流れる状態での概略ブロック構成を示すブロック図である。   FIG. 5B is a block diagram showing a schematic block configuration in a state where the module group current Ig flows by bypassing the bypass diode 116s in the conventional photovoltaic power generation system 101 shown in FIG. 5A.

基本的な構成は、図5Aと同様であるので、主に異なる事項について説明する。   Since the basic configuration is the same as that in FIG. 5A, different items will be mainly described.

太陽光Lsは、影などの発生によって遮光された状態の太陽光Lss(太陽電池モジュール111sに対応させて示す。)となることがある。太陽光Lssは、太陽光Lsに比較して遮光された状態を示すために太陽電池モジュール111sの外側でのみ図示されている。以下では、例えば太陽電池モジュール111s(太陽電池セル112s)が遮光されて発電しない状態となった場合について説明する。   The sunlight Ls may become sunlight Lss (shown corresponding to the solar cell module 111s) in a state where the sunlight Ls is blocked by the occurrence of a shadow or the like. The sunlight Lss is shown only on the outside of the solar cell module 111s in order to show a state where it is shielded from the sunlight Ls. Hereinafter, for example, a case where the solar cell module 111s (solar cell 112s) is shielded from light and does not generate power will be described.

遮光された太陽電池モジュール111s(太陽電池セル112s)は、光電変換ができないことから太陽電池として発電しない。太陽電池として発電(機能)しない状態を示すために、図5Bでは、太陽電池モジュール111s(太陽電池セル112s)は、破線で示されている。   The light-shielded solar cell module 111s (solar cell 112s) does not generate electricity as a solar cell because it cannot perform photoelectric conversion. In order to show a state where power generation (function) does not occur as a solar cell, the solar cell module 111s (solar cell 112s) is shown by a broken line in FIG. 5B.

遮光されて発電できない状態では、太陽電池モジュール111sは受動回路(抵抗回路)となる。つまり、直列に接続されている他の太陽電池モジュール111(ここでは、太陽電池モジュール111f)の発電によって流れるモジュール群電流Igが流れると抵抗負荷として作用し、発熱によってホットスポット現象を生じる虞がある。   In a state where power generation is not possible due to light shielding, the solar cell module 111s becomes a passive circuit (resistance circuit). That is, when a module group current Ig flowing by power generation of another solar cell module 111 connected in series (here, the solar cell module 111f) flows, it acts as a resistive load and may generate a hot spot phenomenon due to heat generation. .

発電しない状態で太陽電池モジュール111sにモジュール群電流Igが流れると、太陽電池モジュール111sの両端での電位は通常の発電状態とは異なって逆になる。つまり、バイパスダイオード116sのアノード側が高い電位となり、バイパスダイオード116のカソード側が低い電位となることから、バイパスダイオード116sに対して順方向の電圧が印加された状態となり、順方向電流としてのモジュール群電流Igがバイパス電流経路115s(バイパスダイオード116s)へ流れる状態となる。この状態では、太陽電池モジュール111sへのモジュール群電流Igの流入は解消されるので、ホットスポット現象は確実に防止され、太陽光発電システム101の信頼性を確保することができる。   When the module group current Ig flows through the solar cell module 111s without generating power, the potentials at both ends of the solar cell module 111s are reversed unlike the normal power generation state. That is, since the anode side of the bypass diode 116s has a high potential and the cathode side of the bypass diode 116 has a low potential, a forward voltage is applied to the bypass diode 116s, and the module group current as a forward current is obtained. Ig enters a state of flowing to the bypass current path 115s (bypass diode 116s). In this state, since the inflow of the module group current Ig to the solar cell module 111s is eliminated, the hot spot phenomenon is reliably prevented and the reliability of the solar power generation system 101 can be ensured.

つまり、モジュール群電流Igは、バイパスダイオード116sを経由して太陽電池モジュール111fへ流れるようになり、バイパスダイオード116sの順方向電圧での電力消費が発生する。電力消費は太陽光発電システム101全体での発電効率を低下させることにつながることから、バイパスダイオード116sでの電力消費をできるだけ抑制するため、バイパスダイオード116としては、順方向電圧が小さいショットキーダイオードが一般的に適用される。ショットキーダイオードの順方向電圧は通常のダイオードに比較して小さいが、順方向電圧Vfが0.45V〜0.65Vある。   That is, the module group current Ig flows to the solar cell module 111f via the bypass diode 116s, and power consumption at the forward voltage of the bypass diode 116s occurs. Since power consumption leads to a reduction in power generation efficiency of the entire photovoltaic power generation system 101, a Schottky diode having a small forward voltage is used as the bypass diode 116 in order to suppress power consumption in the bypass diode 116s as much as possible. Generally applied. The forward voltage of the Schottky diode is smaller than that of a normal diode, but the forward voltage Vf is 0.45V to 0.65V.

順方向電圧Vfを0.5Vとした場合、例えばモジュール群電流Igを10Aとするとショットキーダイオードでの消費電力は10A×0.5V=5Wとなり、太陽電池モジュール群10の規模が大きくなるほど大きな損失となり無視できなくなるという問題がある。   When the forward voltage Vf is 0.5 V, for example, if the module group current Ig is 10 A, the power consumption of the Schottky diode is 10 A × 0.5 V = 5 W, and the loss increases as the scale of the solar cell module group 10 increases. There is a problem that it can not be ignored.

なお、端子ボックスに配置されたバイパスダイオードでの電力消費に伴う発熱への対策を施した技術として例えば特許文献1が知られている。   For example, Patent Document 1 is known as a technique for taking measures against heat generation due to power consumption in a bypass diode arranged in a terminal box.

特開2006−286996号公報JP 2006-286996 A

太陽電池セル、太陽電池モジュールでの発電状態、非発電状態の混在を解消する手段としてのバイパスダイオードの接続については、バイパスダイオード自体による電力消費の発生という問題があった。バイパスダイオードの電力消費に伴う発熱対策として特許文献1に記載されたような技術が提案されている。しかし、特許文献1に開示された技術は発生した熱への対応が開示されているのみで、バイパスダイオード自体の電力消費を低減させるものではなく、バイパスダイオードでの電力消費は依然として発生するという問題があった。   Regarding the connection of the bypass diode as a means for eliminating the mixture of the power generation state and the non-power generation state in the solar battery cell and the solar battery module, there is a problem of the occurrence of power consumption by the bypass diode itself. As a countermeasure against heat generation due to power consumption of the bypass diode, a technique as described in Patent Document 1 has been proposed. However, the technique disclosed in Patent Document 1 only discloses the response to the generated heat, and does not reduce the power consumption of the bypass diode itself, and the power consumption of the bypass diode still occurs. was there.

本発明はこのような状況に鑑みてなされたものであり、バイパスダイオードを電力消費がほとんど生じないスイッチング素子に置き換えることによって、従来のバイパスダイオードで発生していた電力消費を低減(解消)した太陽光発電システムを提供することを目的とする。   The present invention has been made in view of such a situation. By replacing the bypass diode with a switching element that hardly generates power, the solar power consumption that has been generated in the conventional bypass diode is reduced (eliminated). An object is to provide a photovoltaic system.

また、本発明は、スイッチング素子を適用して電流経路の導通、非導通を制御することによって、電流経路を必要に応じて機能させ、また、電流経路での消費電力を抑制したスイッチングシステムを提供することを他の目的とする。   In addition, the present invention provides a switching system that applies a switching element to control conduction and non-conduction of a current path so that the current path functions as necessary and suppresses power consumption in the current path. To do other purposes.

また、本発明は、ダイオードと2つの抵抗の3素子という簡単な構成の直列回路で制御部を構成することによって、太陽電池モジュールの出力状態を分圧端子からの信号(分圧電圧)として容易にかつ高精度に抽出し、分圧端子の電位(分圧電圧)に基づいてスイッチング素子の開閉を容易にかつ高精度に制御することができるバイパス装置を提供することを他の目的とする。   Further, in the present invention, the output state of the solar cell module can be easily set as a signal (divided voltage) from the voltage dividing terminal by configuring the control unit with a simple series circuit of a diode and two elements of two resistors. It is another object of the present invention to provide a bypass device that can be extracted with high accuracy and that can easily and accurately control the opening and closing of the switching element based on the potential (divided voltage) of the voltage dividing terminal.

本発明に係る太陽光発電システムは、複数の太陽電池セルを直列に接続した太陽電池モジュールが複数直列に接続された太陽電池モジュール群と、それぞれの前記太陽電池モジュールに並列に接続され前記太陽電池モジュールの出力電圧が予め特定された特定電圧より小さいときに前記太陽電池モジュール群に流れるモジュール群電流をバイパスさせるバイパス電流経路と、前記太陽電池モジュール群から出力された電力を直流−直流変換するDC/DCコンバータとを備えた太陽光発電システムであって、それぞれの前記バイパス電流経路に配置されて前記バイパス電流経路の導通および非導通を切り替えるスイッチング素子と、前記スイッチング素子のそれぞれに対応して配置され前記スイッチング素子の開閉を制御する制御部とを備え、前記制御部は、前記出力電圧が前記特定電圧より小さくなったとき、前記スイッチング素子を開から閉に切り替えて前記バイパス電流経路を導通させる構成とされていることを特徴とする。   The solar power generation system according to the present invention includes a solar battery module group in which a plurality of solar battery modules in which a plurality of solar battery cells are connected in series, and a solar battery module connected in parallel to each of the solar battery modules. A bypass current path for bypassing a module group current flowing in the solar cell module group when the output voltage of the module is smaller than a specified voltage, and a DC for DC-DC conversion of the power output from the solar cell module group / DC converter comprising: a switching element that is disposed in each bypass current path and switches between conduction and non-conduction of the bypass current path, and is disposed corresponding to each of the switching elements And a control unit that controls opening and closing of the switching element. Wherein, when the output voltage is smaller than the specific voltage, characterized in that it is configured to conduct the bypass current path is switched to the closed the switching device from the open.

したがって、本発明に係る太陽光発電システムは、太陽電池モジュールが例えば太陽光の遮断などによって発電しない非発電状態となったとき、発電しない太陽電池モジュールと並列に配置されたバイパス電流経路を導通状態(短絡状態)として太陽電池モジュール群に流れるモジュール群電流をバイパスさせるので、バイパスダイオードを適用せずに非発電状態の太陽電池モジュールへのモジュール群電流の流入を防止して太陽電池モジュール(太陽電池セル)でのホットスポットの発生を防止することができ、また、バイパスダイオードを適用したときに生じる電力消費を抑制することができる。つまり、太陽光発電システム(太陽電池モジュール、太陽電池セル)でのホットスポット現象の発生を防止して信頼性を向上し、また、太陽光発電システム(太陽電池モジュール、太陽電池セル)の寿命を延ばし、発電効率を向上させることができる。   Therefore, when the solar cell module according to the present invention enters a non-power generation state in which the solar cell module does not generate power due to, for example, interruption of sunlight, the bypass current path arranged in parallel with the solar cell module that does not generate power is in a conductive state. Since the module group current flowing in the solar cell module group as a (short circuit state) is bypassed, the inflow of the module group current to the solar cell module in the non-power generation state is prevented without applying the bypass diode, and the solar cell module (solar cell) The generation of hot spots in the cell) can be prevented, and the power consumption that occurs when the bypass diode is applied can be suppressed. In other words, the hot spot phenomenon in the solar power generation system (solar cell module, solar cell) is prevented to improve reliability, and the life of the solar power generation system (solar cell module, solar cell) is improved. The power generation efficiency can be improved.

また、本発明に係る太陽光発電システムでは、前記制御部は、前記太陽電池モジュールに接続されて前記出力電圧が入力される入力端子と、前記スイッチング素子の制御端子に接続され前記スイッチング素子の開閉を制御する出力端子とを備える比較器で構成されていることを特徴とする。   In the photovoltaic power generation system according to the present invention, the control unit is connected to the solar cell module and receives the output voltage, and is connected to the control terminal of the switching element to open and close the switching element. And a comparator having an output terminal for controlling the output.

したがって、本発明に係る太陽光発電システムは、太陽電池モジュールの非発電状態を高精度に、かつ迅速に検出してスイッチング素子の開閉(オンオフ)を制御するので、太陽電池モジュールでのホットスポット現象の発生を確実に防止することができる。   Therefore, the solar power generation system according to the present invention detects the non-power generation state of the solar cell module with high accuracy and speed and controls the opening / closing (on / off) of the switching element, so the hot spot phenomenon in the solar cell module Can be reliably prevented.

また、本発明に係る太陽光発電システムでは、前記制御部の電源は、前記DC/DCコンバータから供給されることを特徴とする。   In the photovoltaic power generation system according to the present invention, the power of the control unit is supplied from the DC / DC converter.

したがって、本発明に係る太陽光発電システムは、制御部の電源を安定化させ、また、太陽光発電システムのバイパス電流経路(制御部)の制御を高精度にすることができる。   Therefore, the photovoltaic power generation system according to the present invention can stabilize the power supply of the control unit and can control the bypass current path (control unit) of the photovoltaic power generation system with high accuracy.

また、本発明に係る太陽光発電システムでは、前記スイッチング素子は、MIS電界効果トランジスタであることを特徴とする。   In the photovoltaic power generation system according to the present invention, the switching element is a MIS field effect transistor.

したがって、本発明に係る太陽光発電システムは、スイッチング素子を抵抗が小さいMIS電界効果トランジスタで構成するので、バイパス電流経路(スイッチング素子)で生じる消費電力を低減し、バイパス電流経路での電力ロスを抑制して全体としての発電効率を向上させることができる。また、バイパス電流経路(スイッチング素子)で生じる消費電力を低減することから、消費電力に伴う発熱が抑制されるのでバイパスダイオードを適用したときにバイパス電流経路で必要であって放熱手段を不要とすることができる。   Therefore, in the photovoltaic power generation system according to the present invention, the switching element is configured by a MIS field effect transistor having a low resistance, so that power consumption generated in the bypass current path (switching element) is reduced and power loss in the bypass current path is reduced. It can suppress and can improve the power generation efficiency as a whole. Further, since power consumption generated in the bypass current path (switching element) is reduced, heat generation due to power consumption is suppressed, so that when the bypass diode is applied, it is necessary in the bypass current path and does not require heat dissipation means. be able to.

また、本発明に係るスイッチングシステムは、電流経路に配置されて前記電流経路の導通および非導通を切り替えるスイッチング素子と、前記スイッチング素子の開閉を制御する制御部とを備えるスイッチングシステムであって、前記制御部は、前記電流経路の両端間の電圧に基づいて前記スイッチング素子の開閉を制御する構成とされていることを特徴とする。   The switching system according to the present invention is a switching system including a switching element that is disposed in a current path and switches between conduction and non-conduction of the current path, and a control unit that controls opening and closing of the switching element. The control unit is configured to control opening and closing of the switching element based on a voltage between both ends of the current path.

したがって、本発明に係るスイッチングシステムは、電流経路の両端間の電圧(電位差)に応じてスイッチング素子の開閉を制御することから、電流経路の両端での電位の相関状態に応じて電流経路の導通、非導通を切り替えることができるので、電流経路を短絡(閉路)あるいは開放(開路)することで必要に応じて機能させることができ、また、スイッチング素子を適用することから電流経路を導通させたときの消費電力を抑制することができる。   Therefore, since the switching system according to the present invention controls the opening and closing of the switching element according to the voltage (potential difference) between both ends of the current path, the conduction of the current path according to the correlation state of the potentials at both ends of the current path. Since it is possible to switch between non-conduction, the current path can be made to function as necessary by short-circuiting (closed) or opening (opening), and the current path is made conductive by applying a switching element. Power consumption at the time can be suppressed.

また、本発明に係るスイッチングシステムでは、前記制御部は、第1入力端子、第2入力端子、および出力端子を備えた比較器であり、前記第1入力端子は、前記電流経路の第1端子に接続され、前記第2入力端子は、前記電流経路の第2端子に接続され、前記出力端子は、前記スイッチング素子の制御端子に接続されていることを特徴とする。   In the switching system according to the present invention, the control unit is a comparator including a first input terminal, a second input terminal, and an output terminal, and the first input terminal is a first terminal of the current path. The second input terminal is connected to a second terminal of the current path, and the output terminal is connected to a control terminal of the switching element.

したがって、本発明に係るスイッチングシステムは、制御部を比較器で構成することから、電流経路の両端での電位状況を高精度に比較でき、高精度にスイッチング素子の開閉を制御することができる。   Therefore, since the switching system according to the present invention is configured by the comparator, the potential state at both ends of the current path can be compared with high accuracy, and the switching of the switching element can be controlled with high accuracy.

また、本発明に係るスイッチングシステムでは、前記スイッチング素子は、MIS電界効果トランジスタであり、前記MIS電界効果トランジスタのソースは前記第1端子に接続され、前記MIS電界効果トランジスタのドレインは前記第2端子に接続され、前記MIS電界効果トランジスタのゲートは前記制御端子として前記出力端子に接続されていることを特徴とする。   In the switching system according to the present invention, the switching element is a MIS field effect transistor, the source of the MIS field effect transistor is connected to the first terminal, and the drain of the MIS field effect transistor is the second terminal. The gate of the MIS field effect transistor is connected to the output terminal as the control terminal.

したがって、本発明に係るスイッチングシステムは、スイッチング素子としてMIS電界効果トランジスタを適用するので、スイッチング素子が導通したとき(電流経路が導通状態のとき)の電力消費を抑制して不要な消費電力の発生を防止し、効率の良いスイッチングシステムとなる。   Therefore, since the MIS field effect transistor is applied as the switching element in the switching system according to the present invention, generation of unnecessary power consumption is suppressed by suppressing power consumption when the switching element is conductive (when the current path is conductive). And an efficient switching system.

また、本発明に係るスイッチングシステムでは、前記制御部は、外部に配置された外部電源から電源電力を供給されることを特徴とする。   In the switching system according to the present invention, the control unit is supplied with power from an external power source disposed outside.

したがって、本発明に係るスイッチングシステムは、外部からの電源電力によって動作することから、安定した動作を実現することができる。   Therefore, since the switching system according to the present invention operates with external power supply power, stable operation can be realized.

また、本発明に係るスイッチングシステムでは、前記外部電源は、太陽電池モジュールの出力をDC/DC変換するDC/DCコンバータの出力であることを特徴とする。   In the switching system according to the present invention, the external power source is an output of a DC / DC converter that performs DC / DC conversion on the output of the solar cell module.

したがって、本発明に係るスイッチングシステムは、太陽電池モジュールの出力を調整するDC/DCコンバータの出力を利用することから、太陽電池モジュールの制御系への適用が可能となり、太陽電池モジュールのバイパス回路を構成するバイパスダイオードをスイッチング素子に置き換えてバイパスダイオードで問題とされる消費電力の発生を抑制することができる。   Therefore, since the switching system according to the present invention uses the output of the DC / DC converter that adjusts the output of the solar cell module, it can be applied to the control system of the solar cell module, and the bypass circuit of the solar cell module is provided. By replacing the constituent bypass diode with a switching element, it is possible to suppress the occurrence of power consumption, which is a problem with the bypass diode.

また、本発明に係る太陽電池システムでは、前記制御部は、ダイオードと2つの抵抗を直列に接続した直列回路とされて前記太陽電池モジュールに並列に接続されてあり、前記2つの抵抗の間に接続されて前記太陽電池モジュールの出力電圧を分圧して出力する分圧端子を備え、前記分圧端子は、前記スイッチング素子の制御端子に接続されていることを特徴とする。   Moreover, in the solar cell system according to the present invention, the control unit is a series circuit in which a diode and two resistors are connected in series, and is connected in parallel to the solar cell module, and between the two resistors. A voltage dividing terminal connected to divide and output the output voltage of the solar cell module is provided, and the voltage dividing terminal is connected to a control terminal of the switching element.

したがって、本発明に係る太陽光発電システムは、ダイオードと2つの抵抗の3素子という簡単な構成の直列回路を制御部として太陽電池モジュールと並列に接続することから、太陽電池モジュールの出力状態を分圧端子からの信号(分圧電圧)として容易にかつ高精度に抽出できるので、分圧端子の電位(分圧電圧)に基づいてスイッチング素子の開閉を容易にかつ高精度に制御することができる。   Therefore, the photovoltaic power generation system according to the present invention uses a series circuit of a simple configuration of a diode and two resistors as a control unit to be connected in parallel with the solar cell module, so that the output state of the solar cell module is separated. Since the signal (divided voltage) from the voltage terminal can be extracted easily and with high accuracy, the switching element can be easily opened and closed based on the potential (divided voltage) of the voltage dividing terminal. .

また、本発明に係る太陽電池システムでは、前記スイッチング素子および前記制御部は、単一の配線基板に実装されて前記太陽電池モジュールの出力ボックスに内蔵されていることを特徴とする。   In the solar cell system according to the present invention, the switching element and the control unit are mounted on a single wiring board and built in an output box of the solar cell module.

したがって、本発明に係る太陽光発電システムは、スイッチング素子および制御部(直列回路)を一つの配線基板に実装して出力ボックスへ内蔵するので、太陽電池モジュールに対するバイパス電流経路を高機能化することができる。   Therefore, since the photovoltaic power generation system according to the present invention mounts the switching element and the control unit (series circuit) on one wiring board and incorporates them in the output box, the bypass current path for the solar cell module is highly functionalized. Can do.

また、本発明に係るスイッチングシステムでは、前記制御部は、ダイオードと2つの抵抗を直列に接続した直列回路とされて前記電流経路の前記両端に並列に接続されてあり、前記2つの抵抗の間に接続されて前記太陽電池モジュールの出力電圧を分圧して出力する分圧端子を備え、前記分圧端子は、前記スイッチング素子の制御端子に接続されていることを特徴とする。   In the switching system according to the present invention, the control unit is a series circuit in which a diode and two resistors are connected in series, and is connected in parallel to both ends of the current path. And a voltage dividing terminal that divides and outputs the output voltage of the solar cell module, and the voltage dividing terminal is connected to a control terminal of the switching element.

したがって、本発明に係るスイッチングシステムは、ダイオードと2つの抵抗の3素子という簡単な構成の直列回路を制御部として電流経路と並列に接続することから、電流経路の両端間の電位状態を分圧端子からの信号(分圧電圧)として容易にかつ高精度に抽出できるので、分圧端子の電位(分圧電圧)に基づいてスイッチング素子の開閉を容易にかつ高精度に制御することができる。   Therefore, since the switching system according to the present invention connects a parallel circuit with the current path as a control unit using a series circuit of a simple configuration of a diode and two resistors as a control unit, the potential state between both ends of the current path is divided. Since it can be easily and accurately extracted as a signal (divided voltage) from the terminal, switching of the switching element can be easily and accurately controlled based on the potential (divided voltage) of the divided terminal.

また、本発明に係るバイパス装置は、太陽電池モジュールの両端に接続されることによってバイパス電流経路を構成するバイパス装置であって、前記バイパス電流経路の導通および非導通を切り替えるスイッチング素子と、前記スイッチング素子に対応して配置され前記スイッチング素子の開閉を制御する制御部とを備え、前記制御部は、ダイオードと2つの抵抗を直列に接続した直列回路とされ、前記太陽電池モジュールに並列に接続された場合に、前記2つの抵抗の間から前記太陽電池モジュールの出力電圧を分圧して出力する分圧端子を備えてあり、前記分圧端子は、前記スイッチング素子の制御端子に接続されていることを特徴とする。   The bypass device according to the present invention is a bypass device that forms a bypass current path by being connected to both ends of the solar cell module, the switching element switching between conduction and non-conduction of the bypass current path, and the switching A control unit that is arranged corresponding to the element and controls opening and closing of the switching element, the control unit is a series circuit in which a diode and two resistors are connected in series, and is connected in parallel to the solar cell module. A voltage dividing terminal that divides and outputs the output voltage of the solar cell module from between the two resistors, and the voltage dividing terminal is connected to a control terminal of the switching element. It is characterized by.

したがって、本発明に係るバイパス装置は、ダイオードと2つの抵抗の3素子という簡単な構成の直列回路を制御部として太陽電池モジュールと並列に接続することから、太陽電池モジュールの出力状態を分圧端子からの信号(分圧電圧)として容易にかつ高精度に抽出できるので、分圧端子の電位(分圧電圧)に基づいてスイッチング素子の開閉を容易にかつ高精度に制御することができる。   Therefore, the bypass device according to the present invention connects the solar cell module in parallel with the solar cell module as a control unit using a series circuit of a simple configuration of a diode and two resistors as a control unit. Therefore, the switching element can be easily opened and closed with high accuracy based on the potential of the voltage dividing terminal (divided voltage).

また、本発明に係るバイパス装置では、前記制御部は、前記分圧端子と前記制御端子との間に配置されて前記スイッチング素子をオフからオンに切り替えたときの前記制御端子の電位状態を維持する切り替え状態維持回路を備えることを特徴とする。   In the bypass device according to the present invention, the control unit is disposed between the voltage dividing terminal and the control terminal and maintains a potential state of the control terminal when the switching element is switched from OFF to ON. The switching state maintaining circuit is provided.

したがって、本発明に係るバイパス装置は、スイッチング素子がオフからオンに切り替わったことによって、制御部に印加される電圧が低減した場合でも、制御端子の電位状態(信号状態。制御端子に印加される電圧)を維持するので、スイッチング素子のオン状態を維持することができる。   Therefore, in the bypass device according to the present invention, even when the voltage applied to the control unit is reduced due to the switching element being switched from OFF to ON, the potential state of the control terminal (signal state; applied to the control terminal). Voltage) is maintained, so that the ON state of the switching element can be maintained.

また、本発明に係るバイパス装置では、前記切り替え状態維持回路は、アノードが前記分圧端子に接続され、カソードが前記制御端子に接続されたダイオードと、一端が前記制御端子に接続され、他端が前記太陽電池モジュールの発電状態でプラス側となるモジュール端子に接続されたコンデンサとを備えることを特徴とする。   In the bypass device according to the present invention, the switching state maintaining circuit includes an anode connected to the voltage dividing terminal, a cathode connected to the control terminal, one end connected to the control terminal, and the other end Comprising a capacitor connected to the module terminal on the positive side in the power generation state of the solar cell module.

したがって、本発明に係るバイパス装置は、スイッチング素子をオフからオンに切り替えたことによって制御部に加わる電圧が低下した場合でも、ダイオードとコンデンサという簡単な組み合わせで制御端子の電位状態(制御端子に印加される電圧)をコンデンサへの充電電圧によって維持できるので、スイッチング素子のオン状態を簡単に維持することができる。   Therefore, even when the voltage applied to the control unit is reduced by switching the switching element from OFF to ON, the bypass device according to the present invention can be applied to the control terminal potential state (applied to the control terminal) with a simple combination of a diode and a capacitor. Can be maintained by the charging voltage to the capacitor, so that the ON state of the switching element can be easily maintained.

また、本発明に係るバイパス装置では、前記制御部は、アノードが前記コンデンサの前記一端に接続され、カソードが前記太陽電池モジュールの発電状態でマイナス側となるモジュール端子に接続された放電用ダイオードを備えることを特徴とする。   Further, in the bypass device according to the present invention, the control unit includes a discharge diode in which an anode is connected to the one end of the capacitor and a cathode is connected to a module terminal that is a negative side in the power generation state of the solar cell module. It is characterized by providing.

したがって、本発明に係るバイパス装置は、太陽電池モジュールが発電状態となったとき、コンデンサに蓄積された充電電荷を放電用ダイオードでマイナス側のモジュール端子へ放電するから、コンデンサを初期状態に戻すことができ、安定した切り替え状態維持回路を実現することができる。   Therefore, the bypass device according to the present invention discharges the charge stored in the capacitor to the negative module terminal with the discharge diode when the solar cell module is in the power generation state, so that the capacitor is returned to the initial state. Therefore, a stable switching state maintaining circuit can be realized.

また、本発明に係るバイパス装置では、前記スイッチング素子および前記制御部は、単一の配線基板に実装されていることを特徴とする。   In the bypass device according to the present invention, the switching element and the control unit are mounted on a single wiring board.

したがって、本発明に係るバイパス装置は、スイッチング素子および制御部(直列回路)を一つの配線基板に実装することから、小型化することができるので、太陽電池モジュールの出力ボックスへの内蔵が容易となる。   Therefore, since the bypass device according to the present invention mounts the switching element and the control unit (series circuit) on one wiring board and can be downsized, the solar cell module can be easily incorporated in the output box. Become.

本発明に係る太陽光発電システムは、複数の太陽電池セルを直列に接続した太陽電池モジュールが複数直列に接続された太陽電池モジュール群と、それぞれの前記太陽電池モジュールに並列に接続され前記太陽電池モジュールの出力電圧が予め特定された特定電圧より小さいときに前記太陽電池モジュール群に流れるモジュール群電流をバイパスさせるバイパス電流経路と、前記太陽電池モジュール群から出力された電力を直流−直流変換するDC/DCコンバータとを備えた太陽光発電システムであって、それぞれの前記バイパス電流経路に配置されて前記バイパス電流経路の導通および非導通を切り替えるスイッチング素子と、前記スイッチング素子のそれぞれに対応して配置され前記スイッチング素子の開閉を制御する制御部とを備え、前記制御部は、前記出力電圧が前記特定電圧より小さくなったとき、前記スイッチング素子を開から閉に切り替えて前記バイパス電流経路を導通させる構成とされていることを特徴とする。   The solar power generation system according to the present invention includes a solar battery module group in which a plurality of solar battery modules in which a plurality of solar battery cells are connected in series, and a solar battery module connected in parallel to each of the solar battery modules. A bypass current path for bypassing a module group current flowing in the solar cell module group when the output voltage of the module is smaller than a specified voltage, and a DC for DC-DC conversion of the power output from the solar cell module group / DC converter comprising: a switching element that is disposed in each bypass current path and switches between conduction and non-conduction of the bypass current path, and is disposed corresponding to each of the switching elements And a control unit that controls opening and closing of the switching element. Wherein, when the output voltage is smaller than the specific voltage, characterized in that it is configured to conduct the bypass current path is switched to the closed the switching device from the open.

したがって、本発明に係る太陽光発電システムは、太陽電池モジュールが例えば太陽光の遮断などによって発電しない非発電状態となったとき、発電しない太陽電池モジュールと並列に配置されたバイパス電流経路を導通状態(短絡状態)として太陽電池モジュール群に流れるモジュール群電流をバイパスさせるので、バイパスダイオードを適用せずに非発電状態の太陽電池モジュールへのモジュール群電流の流入を防止して太陽電池モジュール(太陽電池セル)でのホットスポットの発生を防止することができ、また、バイパスダイオードを適用したときに生じる電力消費を抑制することができる。つまり、太陽光発電システム(太陽電池モジュール、太陽電池セル)でのホットスポット現象の発生を防止して信頼性を向上し、また、太陽光発電システム(太陽電池モジュール、太陽電池セル)の寿命を延ばし、発電効率を向上させることができる。   Therefore, when the solar cell module according to the present invention enters a non-power generation state in which the solar cell module does not generate power due to, for example, interruption of sunlight, the bypass current path arranged in parallel with the solar cell module that does not generate power is in a conductive state. Since the module group current flowing in the solar cell module group as a (short circuit state) is bypassed, the inflow of the module group current to the solar cell module in the non-power generation state is prevented without applying the bypass diode, and the solar cell module (solar cell) The generation of hot spots in the cell) can be prevented, and the power consumption that occurs when the bypass diode is applied can be suppressed. In other words, the hot spot phenomenon in the solar power generation system (solar cell module, solar cell) is prevented to improve reliability, and the life of the solar power generation system (solar cell module, solar cell) is improved. The power generation efficiency can be improved.

また、本発明に係るスイッチングシステムは、電流経路に配置されて電流経路の導通および非導通を切り替えるスイッチング素子と、スイッチング素子の開閉を制御する制御部とを備えるスイッチングシステムであって、制御部は、電流経路の両端間の電圧に基づいてスイッチング素子の開閉を制御する構成とされている。   The switching system according to the present invention is a switching system including a switching element that is arranged in a current path and switches between conduction and non-conduction of the current path, and a control unit that controls opening and closing of the switching element. The opening and closing of the switching element is controlled based on the voltage across the current path.

したがって、本発明に係るスイッチングシステムは、電流経路の両端間の電圧(電位差)を検出した結果に応じてスイッチング素子の開閉を制御することから、電流経路の両端での電位の相関状態に応じて電流経路の導通、非導通を切り替えることができるので、電流経路を短絡(閉路)あるいは開放(開路)することで必要に応じて機能させることができ、また、スイッチング素子を適用することから電流経路を導通させたときの消費電力を抑制することができる。   Therefore, the switching system according to the present invention controls the opening and closing of the switching element according to the result of detecting the voltage (potential difference) between both ends of the current path, and therefore according to the correlation state of the potentials at both ends of the current path. Since the conduction and non-conduction of the current path can be switched, the current path can be made to function as necessary by short-circuiting (closing) or opening (opening), and since the switching element is applied, the current path It is possible to suppress power consumption when conducting the.

本発明に係るバイパス装置は、太陽電池モジュールの両端に接続されることによってバイパス電流経路を構成するバイパス装置であって、バイパス電流経路の導通および非導通を切り替えるスイッチング素子と、スイッチング素子に対応して配置されスイッチング素子の開閉を制御する制御部とを備え、制御部は、ダイオードと2つの抵抗を直列に接続した直列回路とされ、太陽電池モジュールに並列に接続された場合に、2つの抵抗の間から太陽電池モジュールの出力電圧を分圧して出力する分圧端子を備えてあり、分圧端子は、前記スイッチング素子の制御端子に接続されている。   A bypass device according to the present invention is a bypass device that forms a bypass current path by being connected to both ends of a solar cell module, and corresponds to the switching element that switches conduction and non-conduction of the bypass current path, and the switching element. And a control unit that controls the opening and closing of the switching element. The control unit is a series circuit in which a diode and two resistors are connected in series, and when connected in parallel to the solar cell module, the two resistors A voltage dividing terminal that divides and outputs the output voltage of the solar cell module is provided, and the voltage dividing terminal is connected to the control terminal of the switching element.

したがって、本発明に係るバイパス装置は、ダイオードと2つの抵抗の3素子という簡単な構成の直列回路を制御部として太陽電池モジュールと並列に接続することから、太陽電池モジュールの出力状態を分圧端子からの信号(分圧電圧)として容易にかつ高精度に抽出できるので、分圧端子の電位(分圧電圧)に基づいてスイッチング素子の開閉を容易にかつ高精度に制御することができる。   Therefore, the bypass device according to the present invention connects the solar cell module in parallel with the solar cell module as a control unit using a series circuit of a simple configuration of a diode and two resistors as a control unit. Therefore, the switching element can be easily opened and closed with high accuracy based on the potential of the voltage dividing terminal (divided voltage).

本発明の実施の形態1に係る太陽光発電システムの概略ブロック構成を示すブロック図である。It is a block diagram which shows the schematic block structure of the solar energy power generation system which concerns on Embodiment 1 of this invention. 図1Aに示した太陽光発電システムでの太陽電池モジュール、太陽電池セルの等価回路を示す等価回路図である。It is an equivalent circuit diagram which shows the equivalent circuit of the solar cell module in the photovoltaic power generation system shown to FIG. 1A, and a photovoltaic cell. 図1Aに示した太陽光発電システムでバイパス電流経路を導通させて機能させたときの概略ブロック構成を示すブロック図である。FIG. 1B is a block diagram showing a schematic block configuration when the bypass power path is made to function in the photovoltaic power generation system shown in FIG. 1A. 図2Aに示した太陽光発電システムでの太陽電池モジュール、太陽電池セルの等価回路を示す等価回路図である。It is an equivalent circuit diagram which shows the equivalent circuit of the solar cell module in the photovoltaic power generation system shown to FIG. 2A, and a photovoltaic cell. 図1Aに示した太陽光発電システムでのスイッチング素子の具体例であるMIS電界効果トランジスタの回路記号を示す回路記号図である。It is a circuit symbol figure which shows the circuit symbol of the MIS field effect transistor which is a specific example of the switching element in the solar energy power generation system shown to FIG. 1A. 図3Aに示したMIS電界効果トランジスタのオフ状態(開状態)を等価的なスイッチ記号で示す等価回路図である。FIG. 3B is an equivalent circuit diagram showing an off state (open state) of the MIS field effect transistor shown in FIG. 3A with an equivalent switch symbol. 図3Aに示したMIS電界効果トランジスタのオン状態(閉状態)を等価的なスイッチ記号で示す等価回路図である。FIG. 3B is an equivalent circuit diagram showing an ON state (closed state) of the MIS field effect transistor shown in FIG. 3A with an equivalent switch symbol. 図1Aに示した太陽光発電システムでの発電特性、バイパス電流経路の作用を説明する電力特性図である。It is an electric power characteristic figure explaining the electric power generation characteristic in the photovoltaic power generation system shown in Drawing 1A, and an operation of a bypass current course. 従来の太陽光発電システムの概略ブロック構成を示すブロック図である。It is a block diagram which shows the schematic block structure of the conventional solar power generation system. 図5Aに示した従来の太陽光発電システムでモジュール群電流がバイパスダイオードをバイパスして流れる状態での概略ブロック構成を示すブロック図である。FIG. 5B is a block diagram showing a schematic block configuration in a state where the module group current flows through the bypass diode in the conventional photovoltaic power generation system shown in FIG. 5A. 本発明の実施の形態2に係る太陽光発電システムの概略ブロック構成を示すブロック図である。It is a block diagram which shows the schematic block structure of the solar energy power generation system which concerns on Embodiment 2 of this invention. 図6Aに示した太陽光発電システムでバイパス電流経路を導通させて機能させたときの概略ブロック構成を示すブロック図である。FIG. 6B is a block diagram showing a schematic block configuration when the bypass current path is made to function in the photovoltaic power generation system shown in FIG. 6A. 図6Aに示した太陽光発電システムでの制御部(直列回路)の変形回路例1を示す回路図である。It is a circuit diagram which shows the modification circuit example 1 of the control part (series circuit) in the photovoltaic power generation system shown to FIG. 6A. 図6Aに示した太陽光発電システムでの制御部(直列回路)の変形回路例2を示す回路図である。It is a circuit diagram which shows the modification circuit example 2 of the control part (series circuit) in the photovoltaic power generation system shown to FIG. 6A. 図6Aに示した太陽光発電システムでの制御部(直列回路)の変形回路例3を示す回路図である。It is a circuit diagram which shows the modification circuit example 3 of the control part (series circuit) in the photovoltaic power generation system shown to FIG. 6A. 図6Aに示した太陽光発電システムでの制御部の更に具体的な回路例を示す回路図である。It is a circuit diagram which shows the more specific circuit example of the control part in the solar energy power generation system shown to FIG. 6A.

以下、本発明の実施の形態について、図を参照して説明する。   Hereinafter, embodiments of the present invention will be described with reference to the drawings.

<実施の形態1>
本発明の実施の形態1に係る太陽光発電システムおよびスイッチングシステムについて、図1Aないし図4を参照して説明する。なお、スイッチングシステムについては、説明の都合上、本実施の形態の最後にまとめて説明する。
<Embodiment 1>
A photovoltaic power generation system and a switching system according to Embodiment 1 of the present invention will be described with reference to FIGS. 1A to 4. The switching system will be described collectively at the end of the present embodiment for the convenience of description.

図1Aは、本発明の実施の形態1に係る太陽光発電システム1の概略ブロック構成を示すブロック図である。   FIG. 1A is a block diagram showing a schematic block configuration of a photovoltaic power generation system 1 according to Embodiment 1 of the present invention.

なお、スイッチングシステム14の構成要素は、太陽光発電システム1の一部の構成要素として含まれる。例えば、バイパス電流経路15、スイッチング素子16、制御部20がスイッチングシステム14を構成する。   Note that the components of the switching system 14 are included as some components of the photovoltaic power generation system 1. For example, the bypass current path 15, the switching element 16, and the control unit 20 constitute the switching system 14.

本実施の形態に係る太陽光発電システム1は、太陽光Lsを光電変換によって電気(電力)に変換する太陽電池セル12が複数直列に接続されて構成された太陽電池モジュール11を備える。太陽電池モジュール11は、さらに複数(例えば、太陽電池モジュール11fおよび太陽電池モジュール11s)直列に接続されて太陽電池モジュール群10を構成している。太陽電池モジュール群10は、さらに多くの太陽電池モジュール11を接続して構成することも可能であるが、説明の便宜上、2個の太陽電池モジュール11(太陽電池モジュール11fおよび太陽電池モジュール11s)が接続された場合について説明する。   The photovoltaic power generation system 1 according to the present embodiment includes a solar cell module 11 configured by connecting a plurality of solar cells 12 that convert sunlight Ls into electricity (electric power) by photoelectric conversion. A plurality of solar cell modules 11 (for example, a solar cell module 11f and a solar cell module 11s) are connected in series to constitute a solar cell module group 10. The solar cell module group 10 can be configured by connecting a larger number of solar cell modules 11. However, for convenience of explanation, two solar cell modules 11 (a solar cell module 11f and a solar cell module 11s) are provided. A case of connection will be described.

なお、2個の太陽電池モジュール11fおよび太陽電池モジュール11sを特に区別する必要がない場合は、単に太陽電池モジュール11とすることがある。また、太陽電池モジュール11fに配置された太陽電池セル12を太陽電池セル12fとし、太陽電池モジュール11sに配置された太陽電池セル12を太陽電池セル12sとする。両者(太陽電池セル12fおよび太陽電池セル12s)を特に区別する必要がない場合は、単に太陽電池セル12とすることがある。また、図1Aでは、太陽電池モジュール11の内側で両端に配置された太陽電池セル12を示し、中間に配置された太陽電池セル12については図示を省略している。   In addition, when it is not necessary to particularly distinguish the two solar cell modules 11f and the solar cell module 11s, the solar cell module 11 may be simply used. Moreover, let the solar cell 12 arrange | positioned at the solar cell module 11f be the solar cell 12f, and let the solar cell 12 arrange | positioned at the solar cell module 11s be the solar cell 12s. When there is no need to distinguish both (solar battery cell 12f and solar battery cell 12s), the solar battery cell 12 may be used. Moreover, in FIG. 1A, the solar cell 12 arrange | positioned at both ends inside the solar cell module 11 is shown, and illustration is abbreviate | omitted about the solar cell 12 arrange | positioned in the middle.

太陽光Lsが照射された太陽電池モジュール11は、それぞれ光電変換によって出力電圧Vm(太陽電池モジュール11fの出力電圧Vmを出力電圧Vmf、太陽電池モジュール11sの出力電圧Vmを出力電圧Vmsとする。出力電圧Vmfおよび出力電圧Vmsを区別する必要がない場合は、単に出力電圧Vmとすることがある。)を発電し、太陽電池モジュール11の直列接続によって加算された電圧が太陽電池モジュール群10の出力電圧VgとしてDC/DCコンバータ30の入力端31へ入力される。   The solar cell modules 11 irradiated with sunlight Ls are each converted into an output voltage Vm (the output voltage Vm of the solar cell module 11f is an output voltage Vmf and the output voltage Vm of the solar cell module 11s is an output voltage Vms) by photoelectric conversion. When it is not necessary to distinguish between the voltage Vmf and the output voltage Vms, the output voltage Vm may be simply generated.) And the voltage added by the series connection of the solar cell modules 11 is the output of the solar cell module group 10. The voltage Vg is input to the input terminal 31 of the DC / DC converter 30.

具体的には、太陽電池モジュール11fは、モジュール端子13fとモジュール端子13sとの間で出力電圧Vmfとなり、モジュール端子13fがプラス側、モジュール端子13sがマイナス側となってモジュール群電流Igがモジュール端子13fからDC/DCコンバータ30へ供給される。また、太陽電池モジュール11sは、モジュール端子13sとモジュール端子13tとの間で出力電圧Vmsとなり、モジュール端子13sがプラス側、モジュール端子13tがマイナス側となってモジュール群電流Igがモジュール端子13sから太陽電池モジュール11fを経由してDC/DCコンバータ30へ供給される。   Specifically, in the solar cell module 11f, the output voltage Vmf is between the module terminal 13f and the module terminal 13s, the module terminal 13f is on the positive side, the module terminal 13s is on the negative side, and the module group current Ig is the module terminal. 13f is supplied to the DC / DC converter 30. The solar cell module 11s has an output voltage Vms between the module terminal 13s and the module terminal 13t, the module terminal 13s is on the plus side, the module terminal 13t is on the minus side, and the module group current Ig is transmitted from the module terminal 13s to the sun. It is supplied to the DC / DC converter 30 via the battery module 11f.

なお、直列接続された各太陽電池セル12には、共通のモジュール群電流Igが流れる。したがって、太陽電池モジュール群10は、太陽電池モジュール11fおよび太陽電池モジュール11sを電流経路としてモジュール群電流IgをDC/DCコンバータ30の入力端31へ供給する。   A common module group current Ig flows through each of the solar cells 12 connected in series. Therefore, the solar cell module group 10 supplies the module group current Ig to the input end 31 of the DC / DC converter 30 using the solar cell module 11f and the solar cell module 11s as current paths.

DC/DCコンバータ30は、予め設定された変換比率で太陽電池モジュール群10の出力電圧Vg(直流電圧)を出力電圧Vs(直流電圧)に変換し、出力端32から出力電圧Vsを負荷(不図示)に向けて出力する。   The DC / DC converter 30 converts the output voltage Vg (DC voltage) of the solar cell module group 10 into an output voltage Vs (DC voltage) at a preset conversion ratio, and loads the output voltage Vs from the output terminal 32 (non-load). Output toward (illustration).

本実施の形態に係る太陽光発電システム1は、太陽電池モジュール11と並列に接続されたバイパス電流経路15、バイパス電流経路15に挿入されてバイパス電流経路15の導通/非導通を切り替えるスイッチング素子16、スイッチング素子16の開閉(オンオフ。例えば、オン状態は閉状態に対応し、オフ状態は開状態に対応する。)を制御する制御部20を備える。   The photovoltaic power generation system 1 according to the present embodiment includes a bypass current path 15 connected in parallel with the solar cell module 11 and a switching element 16 that is inserted into the bypass current path 15 and switches between conduction / non-conduction of the bypass current path 15. The control unit 20 controls the opening / closing of the switching element 16 (on / off. For example, the on state corresponds to the closed state and the off state corresponds to the open state).

バイパス電流経路15は、太陽電池モジュール11に対応させて接続されることから、本実施の形態では太陽電池モジュール11と同様に2つ配置されている。   Since the bypass current path 15 is connected in correspondence with the solar cell module 11, two bypass current paths 15 are arranged in the present embodiment, similarly to the solar cell module 11.

太陽電池モジュール11fと並列に接続されたバイパス電流経路15をバイパス電流経路15f、太陽電池モジュール11sと並列に接続されたバイパス電流経路15をバイパス電流経路15sとする。バイパス電流経路15fおよびバイパス電流経路15sを特に区別する必要がない場合は、単にバイパス電流経路15とすることがある。   The bypass current path 15 connected in parallel to the solar cell module 11f is referred to as a bypass current path 15f, and the bypass current path 15 connected in parallel to the solar cell module 11s is referred to as a bypass current path 15s. If it is not necessary to distinguish between the bypass current path 15f and the bypass current path 15s, the bypass current path 15 may be simply used.

バイパス電流経路15fには、スイッチング素子16fが挿入(配置)され、バイパス電流経路15sには、スイッチング素子16sが挿入(配置)されている。スイッチング素子16fおよびスイッチング素子16sを特に区別する必要がない場合は、単にスイッチング素子16とすることがある。   A switching element 16f is inserted (arranged) in the bypass current path 15f, and a switching element 16s is inserted (arranged) in the bypass current path 15s. When it is not necessary to distinguish the switching element 16f and the switching element 16s, the switching element 16 may be simply used.

スイッチング素子16は、MIS(Metal−Insulator−Semiconductor)電界効果トランジスタで構成することが望ましい。さらに具体的には、エンハンスメント型nチャンネルのMOS(Metal−Oxide−Semiconductor)電界効果トランジスタである。MOS電界効果トランジスタのソースは、太陽電池モジュール11の出力のプラス(有効に発電している状態でのプラス。仕様の上でのプラス。)側に接続され、ドレインは、太陽電池モジュール11のマイナス(有効に発電している状態でのマイナス。仕様の上でのマイナス。)側に接続される。MOS電界効果トランジスタのゲートは、制御部20の出力端子23(スイッチング素子16fのゲートは、出力端子23fへ、スイッチング素子16sのゲートは、出力端子23s)に接続される。   The switching element 16 is preferably formed of a MIS (Metal-Insulator-Semiconductor) field effect transistor. More specifically, it is an enhancement type n-channel MOS (Metal-Oxide-Semiconductor) field effect transistor. The source of the MOS field-effect transistor is connected to the positive side of the output of the solar cell module 11 (positive in the state where power is effectively generated. The positive side of the specification), and the drain is the negative side of the solar cell module 11. (Minus in the state of generating power effectively. Minus on the specification) side. The gate of the MOS field effect transistor is connected to the output terminal 23 of the control unit 20 (the gate of the switching element 16f is connected to the output terminal 23f, and the gate of the switching element 16s is output terminal 23s).

スイッチング素子16の制御端子17(MOS電界効果素子のゲート)は、スイッチング素子16の動作状態を制御する。スイッチング素子16fに対応する制御端子17を制御端子17fとし、スイッチング素子16sに対応する制御端子17を制御端子17sとする。制御端子17fと制御端子17sとを区別する必要がない場合は、単に制御端子17とすることがある。   The control terminal 17 of the switching element 16 (the gate of the MOS field effect element) controls the operating state of the switching element 16. The control terminal 17 corresponding to the switching element 16f is referred to as a control terminal 17f, and the control terminal 17 corresponding to the switching element 16s is referred to as a control terminal 17s. If there is no need to distinguish between the control terminal 17f and the control terminal 17s, the control terminal 17 may be simply used.

制御部20は、バイパス電流経路15およびスイッチング素子16と同様、太陽電池モジュール11に対応して接続されることからバイパス電流経路15およびスイッチング素子16と同様に2個配置されている。   Since the control unit 20 is connected corresponding to the solar cell module 11 similarly to the bypass current path 15 and the switching element 16, two control units 20 are arranged similarly to the bypass current path 15 and the switching element 16.

太陽電池モジュール11fと並列に接続されスイッチング素子16fを制御する制御部20を制御部20fとし、太陽電池モジュール11sと並列に接続されスイッチング素子16sを制御する制御部20を制御部20sとする。制御部20fおよび制御部20sを特に区別する必要がない場合は、単に制御部20とすることがある。   The control unit 20 that is connected in parallel to the solar cell module 11f and controls the switching element 16f is referred to as a control unit 20f, and the control unit 20 that is connected in parallel to the solar cell module 11s and controls the switching element 16s is referred to as a control unit 20s. When it is not necessary to distinguish between the control unit 20f and the control unit 20s, the control unit 20 may be simply used.

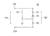
制御部20は、2つの入力端子21、入力端子22を有する比較器で構成される。すなわち、入力端子21、入力端子22は、太陽電池モジュール11の両端に接続され、制御部20は、入力端子21に印加される電圧と入力端子22に印加される電圧と比較し、比較した結果に応じた出力を出力端子23から出力してスイッチング素子16のオンオフ(開閉)を制御する。   The control unit 20 includes a comparator having two input terminals 21 and an input terminal 22. That is, the input terminal 21 and the input terminal 22 are connected to both ends of the solar cell module 11, and the control unit 20 compares the voltage applied to the input terminal 21 with the voltage applied to the input terminal 22, and results of comparison Is output from the output terminal 23 to control on / off (opening / closing) of the switching element 16.

比較器(制御部20)の電源は、DC/DCコンバータ30の出力から供給されるので、安定した比較動作を実現することができる。制御部20の電源は、安定した電源であって、比較器として太陽電池モジュール11の両端の電位差を比較することができれば、DC/DCコンバータ30から供給しない形態とすることもできる。   Since the power supply of the comparator (control unit 20) is supplied from the output of the DC / DC converter 30, a stable comparison operation can be realized. The power source of the control unit 20 is a stable power source, and can be configured not to be supplied from the DC / DC converter 30 as long as the potential difference between both ends of the solar cell module 11 can be compared as a comparator.

なお、太陽電池モジュール11fに接続された入力端子21を入力端子21f、同様に接続された入力端子22を入力端子22fとし、スイッチング素子16fに接続された出力端子23を出力端子23fとする。また、太陽電池モジュール11sに接続された入力端子21を入力端子21s、同様に接続された入力端子22を入力端子22sとし、スイッチング素子16sに接続された出力端子23を出力端子23sとする。入力端子21fおよび入力端子21s、入力端子22fおよび入力端子22s、出力端子23fおよび出力端子23sをそれぞれ区別する必要がない場合は、単に入力端子21、入力端子22、出力端子23とすることがある。   The input terminal 21 connected to the solar cell module 11f is referred to as an input terminal 21f, the similarly connected input terminal 22 is referred to as an input terminal 22f, and the output terminal 23 connected to the switching element 16f is referred to as an output terminal 23f. In addition, the input terminal 21 connected to the solar cell module 11s is referred to as an input terminal 21s, the similarly connected input terminal 22 is referred to as an input terminal 22s, and the output terminal 23 connected to the switching element 16s is referred to as an output terminal 23s. When there is no need to distinguish between the input terminal 21f and the input terminal 21s, the input terminal 22f and the input terminal 22s, the output terminal 23f and the output terminal 23s, they may be simply referred to as the input terminal 21, the input terminal 22, and the output terminal 23. .

入力端子21に印加された電圧が入力端子22に印加された電圧より高い場合は、太陽電池モジュール11が通常の発電状態であるから、出力端子23からレベルL(スイッチング素子16をオフにするレベル)の信号をスイッチング素子16の制御端子17に出力してスイッチング素子16をオフ(開)の状態とし、バイパス電流経路15を非導通状態とする。   When the voltage applied to the input terminal 21 is higher than the voltage applied to the input terminal 22, the solar cell module 11 is in a normal power generation state, so that the level L from the output terminal 23 (the level at which the switching element 16 is turned off). ) Is output to the control terminal 17 of the switching element 16 to turn the switching element 16 off (open), and the bypass current path 15 is turned off.

また、入力端子22に印加された電圧が入力端子21に印加された電圧より高い場合は、太陽電池モジュール11が非発電状態であるから、出力端子23からレベルH(スイッチング素子16をオンにするレベル)の信号をスイッチング素子16の制御端子17へ出力してスイッチング素子16をオン(閉)の状態とし、バイパス電流経路15を導通状態とする。   Further, when the voltage applied to the input terminal 22 is higher than the voltage applied to the input terminal 21, the solar cell module 11 is in a non-power generation state, so that the level H (switching element 16 is turned on) from the output terminal 23. Level) signal is output to the control terminal 17 of the switching element 16 so that the switching element 16 is turned on (closed) and the bypass current path 15 is turned on.

上述したとおり、太陽電池モジュール11から入力端子22に印加された電圧が入力端子21に印加された電圧より高い場合は、太陽電池モジュール11での発電が行われず、太陽電池モジュール11は発電状態の太陽電池として作用せず抵抗体として作用することから、ホットスポット現象を生じる虞があるので、バイパス電流経路15を導通させてモジュール群電流Igをバイパス電流経路15にバイパスさせる。なお、非発電状態でのバイパス電流経路15の作用については、図2Aでさらに詳細を説明する。   As described above, when the voltage applied from the solar cell module 11 to the input terminal 22 is higher than the voltage applied to the input terminal 21, power generation in the solar cell module 11 is not performed, and the solar cell module 11 is in a power generation state. Since it acts as a resistor instead of acting as a solar cell, a hot spot phenomenon may occur, so that the bypass current path 15 is conducted to bypass the module group current Ig to the bypass current path 15. Note that the operation of the bypass current path 15 in the non-power generation state will be described in more detail with reference to FIG. 2A.

図1Bは、図1Aに示した太陽光発電システム1での太陽電池モジュール11、太陽電池セル12の等価回路を示す等価回路図である。   FIG. 1B is an equivalent circuit diagram showing an equivalent circuit of the solar battery module 11 and the solar battery cell 12 in the photovoltaic power generation system 1 shown in FIG. 1A.

基本的な構成は、図1Aと同様であるので、主に異なる事項について説明する。   Since the basic configuration is the same as that of FIG. 1A, different items will be mainly described.

太陽電池セル12は、照射光としての太陽光Lsが照射されている場合、太陽光Lsを光電変換して光発電する光電変換電流源Iphを備え、その他の回路要素としてダイオードDi、リーク電流に起因する並列抵抗Rsh、接続部の抵抗に起因する直列抵抗Rsを備える。   The solar battery cell 12 is provided with a photoelectric conversion current source Iph that photoelectrically converts the sunlight Ls when it is irradiated with sunlight Ls as irradiation light, and includes a diode Di and a leakage current as other circuit elements. A parallel resistance Rsh caused by the resistance and a series resistance Rs caused by the resistance of the connection portion are provided.

それぞれの太陽電池セル12は、同様な太陽光Lsが照射されている場合、太陽光Lsの照射を受けて同様な光電変換(光発電)を行う。したがって、それぞれの太陽電池セル12は、光電変換電流源Iphが機能して発電電流Ic(モジュール群電流Ig)、発電電圧Vcを出力する。   When the same sunlight Ls is irradiated, each photovoltaic cell 12 receives the irradiation of sunlight Ls, and performs the same photoelectric conversion (photoelectric power generation). Accordingly, in each solar battery cell 12, the photoelectric conversion current source Iph functions to output the generated current Ic (module group current Ig) and the generated voltage Vc.

略均等に太陽光Lsが照射される通常の状態では、それぞれの太陽電池セル12は、同様に動作することから、太陽電池モジュール11全体で出力電圧Vm、モジュール群電流Igを出力する。太陽電池セル12がn個直列に接続されている場合は、発電電圧Vc×n=出力電圧Vmとなる。   In a normal state in which the sunlight Ls is irradiated substantially uniformly, each solar battery cell 12 operates in the same manner, and therefore outputs the output voltage Vm and the module group current Ig in the entire solar battery module 11. When n solar cells 12 are connected in series, the generated voltage Vc × n = the output voltage Vm.

図2Aは、図1Aに示した太陽光発電システム1でバイパス電流経路15sを導通させて機能させたときの概略ブロック構成を示すブロック図である。   FIG. 2A is a block diagram showing a schematic block configuration when the bypass power path 15s is made to function by the photovoltaic power generation system 1 shown in FIG. 1A.

基本的な構成は、図1Aと同様であるので、主に異なる事項について説明する。   Since the basic configuration is the same as that of FIG. 1A, different items will be mainly described.

太陽光Lsは、影などの発生によって遮光された状態の太陽光Lss(太陽電池モジュール11sに対応した状態を示す。)となることがある。太陽光Lssは、太陽光Lsに比較して遮光された状態を示すために太陽電池モジュール11sの外側でのみ図示されている。以下では、例えば太陽電池モジュール11s(太陽電池セル12s)が遮光されて発電しない状態となった場合について説明する。   The sunlight Ls may become sunlight Lss (showing a state corresponding to the solar cell module 11s) in a state where the sunlight Ls is shielded by generation of a shadow or the like. The sunlight Lss is shown only outside the solar cell module 11s in order to show a state where the sunlight Ls is shielded compared to the sunlight Ls. Below, the case where the solar cell module 11s (solar cell 12s), for example, is shielded from light and does not generate power will be described.

遮光された太陽電池モジュール11s(太陽電池セル12s)は、光電変換ができないことから太陽電池として発電しない。太陽電池として発電(機能)しない状態を示すために、図2Aでは、太陽電池モジュール11s(太陽電池セル12s)は、破線で示されている。   Since the light-shielded solar cell module 11s (solar cell 12s) cannot perform photoelectric conversion, it does not generate power as a solar cell. In order to show a state where power generation (function) does not occur as a solar cell, the solar cell module 11s (solar cell 12s) is shown by a broken line in FIG. 2A.

通常の発電状態では、太陽電池モジュール11sのプラス側端子であるモジュール端子13sとマイナス側端子であるモジュール端子13tとの間に出力電圧Vmsが生じる。つまり、通常の発電状態では、モジュール端子13sの電位がモジュール端子13tの電位より高い状態となる。   In a normal power generation state, an output voltage Vms is generated between the module terminal 13s that is the positive terminal of the solar cell module 11s and the module terminal 13t that is the negative terminal. That is, in a normal power generation state, the potential of the module terminal 13s is higher than the potential of the module terminal 13t.

しかし、遮光されて発電できない状態では、太陽電池モジュール11sは直列抵抗Rs、並列抵抗Rshを含む受動回路となる(図1B、図2B参照)。つまり、直列に接続されている他の太陽電池モジュール11(ここでは、太陽電池モジュール11f)の発電によって流れるモジュール群電流Igが流れると太陽電池モジュール11sは抵抗負荷として作用し、モジュール端子13sの電位に対してモジュール端子13tの電位が高くなり、モジュール端子13sとモジュール端子13tとの間の電位差が発電状態の場合に対して逆方向になる。また、この状態が継続されるとホットスポット現象を生じる虞がある。   However, in a state where power generation is not possible due to light shielding, the solar cell module 11s becomes a passive circuit including a series resistance Rs and a parallel resistance Rsh (see FIGS. 1B and 2B). That is, when a module group current Ig flowing by power generation of another solar cell module 11 connected in series (here, the solar cell module 11f) flows, the solar cell module 11s acts as a resistance load, and the potential of the module terminal 13s. On the other hand, the potential of the module terminal 13t becomes higher, and the potential difference between the module terminal 13s and the module terminal 13t is opposite to that in the power generation state. Further, if this state is continued, there is a risk of causing a hot spot phenomenon.

従来技術では、太陽電池モジュール11sが非発電状態の場合は、モジュール端子13sとモジュール端子13tとの間に接続されたバイパスダイオードが順方向バイアスとなることからモジュール群電流Igを太陽電池モジュール11sに流さずにバイパスダイオードに流し、非発電状態の影響(例えばホットスポット現象)を防止していた。しかし、バイパスダイオードでの電力消費が生じ、発電効率を低下させることから、本実施の形態では、バイパスダイオードの代わりに電力消費が問題とならないスイッチング素子16をバイパス電流経路15に配置している。   In the prior art, when the solar cell module 11s is in a non-power generation state, the bypass diode connected between the module terminal 13s and the module terminal 13t is forward biased, so that the module group current Ig is supplied to the solar cell module 11s. The current is passed through the bypass diode without flowing, thereby preventing the influence of the non-power generation state (for example, hot spot phenomenon). However, since power consumption occurs in the bypass diode and power generation efficiency is lowered, in the present embodiment, the switching element 16 in which power consumption is not a problem is arranged in the bypass current path 15 instead of the bypass diode.

つまり、モジュール端子13sとモジュール端子13tとの間の電位差(出力電圧Vms)が、通常の発電状態と異なる逆方向となった場合(モジュール端子13tの電位がモジュール端子13sの電位に比較して高くなった場合)を制御部20sで検出する。換言すれば、出力電圧Vms(図1A参照)が予め特定された特定電圧(例えば、出力電圧Vms=0)より小さくなったこと(例えば、通常の発電状態と異なる方向の出力電圧Vmsとなったとき)を制御部20sで検出する。   That is, when the potential difference (output voltage Vms) between the module terminal 13s and the module terminal 13t is in a reverse direction different from the normal power generation state (the potential of the module terminal 13t is higher than the potential of the module terminal 13s). Is detected by the control unit 20s. In other words, the output voltage Vms (see FIG. 1A) is smaller than a specific voltage (for example, output voltage Vms = 0) specified in advance (for example, the output voltage Vms is in a direction different from the normal power generation state). ) Is detected by the control unit 20s.

具体的には、制御部20sは、例えば、2つの入力端子21s、入力端子22sを有する比較器で構成され、一方の入力端子21sがモジュール端子13sに接続され、他方の入力端子22sがモジュール端子13tに接続されていることから、出力電圧Vmsが特定電圧(例えば、出力電圧Vms=0V)より小さくなったことを検出することができる。   Specifically, the control unit 20s includes, for example, a comparator having two input terminals 21s and 22s, where one input terminal 21s is connected to the module terminal 13s and the other input terminal 22s is a module terminal. Since it is connected to 13t, it can be detected that the output voltage Vms has become smaller than a specific voltage (for example, the output voltage Vms = 0V).

比較器で構成された制御部20sは、入力端子21sおよび入力端子22sの間に入力された出力電圧Vmsが特定電圧より小さい場合(通常の発電時での電圧に対して例えば逆方向の電圧となった場合)は、スイッチング素子16sを開(オフ)状態から閉(オン)状態に切り替える信号(電圧)を出力端子23sからスイッチング素子16s(制御端子17s)へ出力し、スイッチング素子16sをオン(閉)として、バイパス電流経路15sを導通状態とする。   When the output voltage Vms input between the input terminal 21s and the input terminal 22s is smaller than a specific voltage, the control unit 20s configured with a comparator (for example, a voltage in the reverse direction with respect to the voltage during normal power generation) The switching element 16s is output from the output terminal 23s to the switching element 16s (control terminal 17s), and the switching element 16s is turned on ( Closed), the bypass current path 15s is turned on.

導通状態とされたバイパス電流経路15s(オン状態とされたスイッチング素子16s)は、モジュール群電流Igが流れる電流経路を太陽電池モジュール11sからバイパス電流経路15sへ切り替えてバイパスさせるので、モジュール群電流Igが太陽電池モジュール11sに流れることを防止する。   The bypass current path 15s that is in the conductive state (the switching element 16s that is in the on state) switches the current path through which the module group current Ig flows from the solar cell module 11s to the bypass current path 15s and bypasses the module group current Ig. Is prevented from flowing into the solar cell module 11s.

つまり、バイパス電流経路15sは、太陽電池モジュール11sに並列に接続され太陽電池モジュール11sの出力電圧Vmsが予め特定された特定電圧(例えば、出力電圧Vms=0Vを特定電圧とすることができる。)より小さいときに太陽電池モジュール群10に流れるモジュール群電流Igをバイパスさせる。また、制御部20sは、出力電圧Vm(Vms)が特定電圧より小さくなったとき、出力電圧Vm(Vms)が特定電圧より小さいことを検出し、スイッチング素子16sを開(オフ)から閉(オン)に切り替えてバイパス電流経路15sを導通させる構成とされている。制御部20sとして適用される比較器の動作は一般的な比較器と同様であるので詳細な説明は省略する。   That is, the bypass current path 15s is connected to the solar cell module 11s in parallel, and the output voltage Vms of the solar cell module 11s is specified in advance (for example, the output voltage Vms = 0V can be set as the specific voltage). When it is smaller, the module group current Ig flowing in the solar cell module group 10 is bypassed. When the output voltage Vm (Vms) becomes smaller than the specific voltage, the control unit 20s detects that the output voltage Vm (Vms) is smaller than the specific voltage, and closes the switching element 16s from open (off) to on (on). ) And the bypass current path 15s is made conductive. Since the operation of the comparator applied as the control unit 20s is the same as that of a general comparator, detailed description thereof is omitted.

なお、特定電圧として出力電圧Vms=0Vとした場合を例示したが、これに限らず適宜の電圧値を設定することができる。   Although the case where the output voltage Vms = 0 V is exemplified as the specific voltage, the present invention is not limited to this, and an appropriate voltage value can be set.

また、スイッチング素子16sとしてMOS電界効果トランジスタを適用した場合、スイッチング素子16(MOS電界効果トランジスタ)をオン(導通状態)とするためには、モジュール端子13s(ソース)に比較してMOS電界効果トランジスタの閾値(例えば2V)より高い電圧を出力端子23sから出力して制御端子17s(ゲート)に印加すれば良い。また、スイッチング素子16(MOS電界効果トランジスタ)をオフ(非導通状態)とするためには、モジュール端子13s(ソース)に比較してMOS電界効果トランジスタの閾値(例えば2V)より低い電圧を出力端子23sから出力して制御端子17s(ゲート)に印加すれば良い。   When a MOS field effect transistor is applied as the switching element 16s, the MOS field effect transistor is turned on compared to the module terminal 13s (source) in order to turn on the switching element 16 (MOS field effect transistor). A voltage higher than the threshold value (for example, 2V) may be output from the output terminal 23s and applied to the control terminal 17s (gate). Further, in order to turn off the switching element 16 (MOS field effect transistor) (non-conducting state), a voltage lower than the threshold value (for example, 2 V) of the MOS field effect transistor compared to the module terminal 13s (source) is output terminal. What is necessary is just to output from 23s and to apply to the control terminal 17s (gate).

図2Bは、図2Aに示した太陽光発電システム1での太陽電池モジュール11s、太陽電池セル12sの等価回路を示す等価回路図である。   FIG. 2B is an equivalent circuit diagram showing an equivalent circuit of the solar cell module 11s and the solar cell 12s in the solar power generation system 1 shown in FIG. 2A.

基本的な構成は、図1B、図2Aと同様であるので、主に異なる事項について説明する。   Since the basic configuration is the same as that in FIGS. 1B and 2A, different items will be mainly described.

太陽電池セル12sは、照射光としての太陽光Lsが照射されずに遮光された太陽光Lssとなっている。したがって、太陽光Lssは、太陽電池モジュール11sに照射されず、太陽電池セル12sは、光電変換電流源Iphが発生しない。図2Bでは、光電変換電流源Iphが機能しない状態を破線で示している。   The solar battery cell 12s is sunlight Lss that is shielded without being irradiated with sunlight Ls as irradiation light. Therefore, sunlight Lss is not irradiated to the solar cell module 11s, and the photoelectric conversion current source Iph is not generated in the solar cell 12s. In FIG. 2B, a state where the photoelectric conversion current source Iph does not function is indicated by a broken line.

つまり、非発電状態の太陽電池セル12sは、光電変換電流源Iphが動作しないことから、ダイオードDi、ダイオードDiと並列に配置された並列抵抗Rsh、並列抵抗Rshと直列に配置された直列抵抗Rsを備える状態となっている。この状態では、太陽電池セル12sの等価回路は、抵抗回路(直列抵抗Rsおよび並列抵抗Rshの直列抵抗回路)で構成され、通常の発電状態で得られる発電電圧Vcは得られない。図2Bでは、通常の発電電圧Vcが得られないことを破線で示す。   That is, in the solar cell 12s in the non-power generation state, the photoelectric conversion current source Iph does not operate, so the diode Di, the parallel resistor Rsh arranged in parallel with the diode Di, and the series resistor Rs arranged in series with the parallel resistor Rsh. It is in a state equipped with. In this state, the equivalent circuit of the solar battery cell 12s is configured by a resistance circuit (a series resistance circuit of a series resistance Rs and a parallel resistance Rsh), and the generated voltage Vc obtained in a normal power generation state cannot be obtained. In FIG. 2B, it is indicated by a broken line that the normal generated voltage Vc cannot be obtained.

非発電状態の太陽電池セル12sは、発電電圧Vcを生じない。したがって、複数の太陽電池セル12sが直列に接続された太陽電池モジュール11sは、出力電圧Vmsを生じない。図2Bでは、太陽電池セル12sでの発電電圧Vcが得られないことから太陽電池モジュール11sでの出力電圧Vmsが得られないことを破線で示す。   The solar battery cell 12s in the non-power generation state does not generate the power generation voltage Vc. Therefore, the solar cell module 11s in which the plurality of solar cells 12s are connected in series does not generate the output voltage Vms. In FIG. 2B, since the power generation voltage Vc at the solar battery cell 12s cannot be obtained, the output voltage Vms at the solar battery module 11s cannot be obtained by a broken line.

太陽電池モジュール11sが非発電状態となった場合、バイパス電流経路15sが導通されていない状態では、太陽電池セル12sには、直列接続された他の太陽電池モジュール11(ここでは太陽電池モジュール11f)によって発電されたモジュール群電流Igが流れる。   When the solar cell module 11s is in a non-power generation state, in the state where the bypass current path 15s is not conducted, the solar cell 12s is connected to another solar cell module 11 (here, the solar cell module 11f) connected in series. The module group current Ig generated by the electric current flows.

したがって、太陽電池モジュール11sは、抵抗(直列抵抗Rs、並列抵抗Rsh)に流れるモジュール群電流Igによって電圧降下を生じる。太陽電池セル12sは多数接続されているので、太陽電池モジュール11sでの電圧降下は太陽電池セル12sでの電圧降下に比較して無視できない大きな値となる。   Therefore, the solar cell module 11s causes a voltage drop due to the module group current Ig flowing through the resistors (series resistor Rs, parallel resistor Rsh). Since a large number of solar cells 12s are connected, the voltage drop in the solar cell module 11s is a large value that cannot be ignored compared to the voltage drop in the solar cells 12s.

モジュール群電流Igによる抵抗(直列抵抗Rs、並列抵抗Rsh)での電圧降下が生じることから、モジュール端子13tとモジュール端子13sとの間の電圧の関係は、モジュール端子13sに比較してモジュール端子13tの方が高い電圧となる。   Since a voltage drop occurs in the resistance (series resistance Rs, parallel resistance Rsh) due to the module group current Ig, the voltage relationship between the module terminal 13t and the module terminal 13s is compared with the module terminal 13s. Becomes higher voltage.

つまり、太陽電池モジュール11sが非発電状態となったとき、他の太陽電池モジュール11によってモジュール群電流Igが流れることから、モジュール端子13sとモジュール端子13tとの間での電位差が反転する。すなわち、通常の発電状態では、モジュール端子13sの電位がモジュール端子13tの電位より高い電位となるのに対し、非発電状態では、モジュール端子13sの電位がモジュール端子13tの電位より低くなる。   That is, when the solar cell module 11s is in a non-power generation state, the module group current Ig flows through the other solar cell modules 11, so that the potential difference between the module terminal 13s and the module terminal 13t is reversed. That is, in the normal power generation state, the potential of the module terminal 13s is higher than the potential of the module terminal 13t, whereas in the non-power generation state, the potential of the module terminal 13s is lower than the potential of the module terminal 13t.

発電状態の場合は、モジュール端子13sとモジュール端子13tとの間の電位差は、出力電圧Vmsとなるが、非発電状態の場合は、抵抗による電圧降下となる。説明の便宜上、非発電状態であってもモジュール端子13sとモジュール端子13tとの間の電位差を出力電圧Vmsとする。換言すれば、太陽電池モジュール11sが非発電状態となったとき、出力電圧Vms(モジュール端子13sとモジュール端子13tとの間の電位差)は、予め特定された特定電圧(例えば、出力電圧Vms=0V)より小さくなる。   In the power generation state, the potential difference between the module terminal 13s and the module terminal 13t is the output voltage Vms, but in the non-power generation state, a voltage drop due to resistance occurs. For convenience of explanation, the potential difference between the module terminal 13s and the module terminal 13t is defined as the output voltage Vms even in the non-power generation state. In other words, when the solar cell module 11s is in a non-power generation state, the output voltage Vms (potential difference between the module terminal 13s and the module terminal 13t) is a specific voltage specified in advance (for example, the output voltage Vms = 0V). ) Smaller.

発電状態から非発電状態への変動によってモジュール端子13sとモジュール端子13tとの間での電位差が変化したとき(例えば、出力電圧Vmsが発電状態の電圧から非発電状態を示す0Vとなったとき)、制御部20s(比較器)は、入力端子21sおよび入力端子22sの間での入力の変動を検出する。制御部20sは、入力端子21sおよび入力端子22sでの入力の変動を検出したとき、出力端子23sから出力していた信号を変換する。   When the potential difference between the module terminal 13s and the module terminal 13t changes due to the change from the power generation state to the non-power generation state (for example, when the output voltage Vms becomes 0 V indicating the non-power generation state from the voltage in the power generation state). The control unit 20s (comparator) detects a change in input between the input terminal 21s and the input terminal 22s. When the control unit 20s detects a change in input at the input terminal 21s and the input terminal 22s, the control unit 20s converts the signal output from the output terminal 23s.

つまり、発電状態のときの制御部20sは、スイッチング素子16s(MOS電界効果トランジスタ)をオフ(開)とする信号を出力端子23sから出力して制御端子17s(ゲート)へ印加する。また、非発電状態のときの制御部20sは、スイッチング素子16s(MOS電界効果トランジスタ)をオン(閉)とする信号(電圧)を出力端子23sから制御端子17s(ゲート)へ印加する。   That is, the control unit 20s in the power generation state outputs a signal for turning off (opening) the switching element 16s (MOS field effect transistor) from the output terminal 23s and applies the signal to the control terminal 17s (gate). The control unit 20s in the non-power generation state applies a signal (voltage) for turning on (closing) the switching element 16s (MOS field effect transistor) from the output terminal 23s to the control terminal 17s (gate).

したがって、制御部20sは、太陽電池モジュール11sが発電状態から非発電状態へ移行したとき、スイッチング素子16sを非導通状態から導通状態へ切り替え、バイパス電流経路15sを非導通状態から導通状態へ切り替えてモジュール群電流Igをバイパスさせる。   Therefore, when the solar cell module 11s shifts from the power generation state to the non-power generation state, the control unit 20s switches the switching element 16s from the non-conduction state to the conduction state, and switches the bypass current path 15s from the non-conduction state to the conduction state. The module group current Ig is bypassed.

制御部20s(出力端子23s)によってスイッチング素子16sが切り替えられた後は、モジュール群電流Igは、バイパス電流経路15sを流れ、太陽電池モジュール11sには流れない。図2Bでは、太陽電池モジュール11sにモジュール群電流Igが流れなくなった状態を破線で示す。   After the switching element 16s is switched by the control unit 20s (output terminal 23s), the module group current Ig flows through the bypass current path 15s and does not flow into the solar cell module 11s. In FIG. 2B, a state where the module group current Ig no longer flows in the solar cell module 11s is indicated by a broken line.

モジュール群電流Igは、バイパス経路として構成されたバイパス電流経路15sを流れるので、太陽電池モジュール11sは、太陽電池モジュール群10から実質的に分離された状態となり、モジュール群電流Igが流れることはない。また、スイッチング素子16sは、等価的には単純なスイッチで置き換えられることから、電力消費は生じない(図3Aないし図3C参照)。したがって、ホットスポット現象が生じる虞はなく、バイパスダイオードと同様に作用し、バイパスダイオードで問題となった電力消費を防止することができる。   Since the module group current Ig flows through the bypass current path 15s configured as a bypass path, the solar cell module 11s is substantially separated from the solar cell module group 10, and the module group current Ig does not flow. . Further, since the switching element 16s is equivalently replaced with a simple switch, power consumption does not occur (see FIGS. 3A to 3C). Therefore, there is no possibility that a hot spot phenomenon will occur, and it acts in the same way as a bypass diode, and it is possible to prevent power consumption that has become a problem with the bypass diode.

なお、制御部20sが検出する出力電圧Vmsの変動の閾値は、制御部20sの回路定数を適宜設定して入力端子21s、入力端子22sでの検出レベルを変更することで調整できる。つまり、出力電圧Vmsがそれまでの発電電圧から、出力電圧Vms=0Vと変動した場合に出力端子23sから出力される信号を切り替えることとして説明したが、素子定数を更に厳密に検討して更に適切な値とすることが可能である。   Note that the threshold of fluctuation of the output voltage Vms detected by the control unit 20s can be adjusted by appropriately setting circuit constants of the control unit 20s and changing the detection levels at the input terminal 21s and the input terminal 22s. In other words, the output voltage Vms has been described as switching the signal output from the output terminal 23s when the output voltage Vms fluctuates from the power generation voltage to the output voltage Vms = 0V. It is possible to use a different value.

上記説明では、太陽電池モジュール11sが発電状態から非発電状態へ変動した場合にバイパス電流経路15sが非導通状態から導通状態へ切り替えられる場合について説明したが、太陽電池モジュール11sが非発電状態から発電状態へ変動した場合にバイパス電流経路15sを導通状態から非導通状態へ戻す場合についても同様に制御することができる。つまり、制御部20sは、出力電圧Vmsが通常の発電状態の電圧になったこと(例えば、出力電圧Vmsが正方向の電圧となったこと)を検出したとき、バイパス電流経路15sを導通状態から非導通状態へ戻すことが可能である。   In the above description, the case where the bypass current path 15s is switched from the non-conduction state to the conduction state when the solar cell module 11s changes from the power generation state to the non-power generation state has been described. The same control can be performed for returning the bypass current path 15s from the conductive state to the non-conductive state when the state changes. That is, when the control unit 20s detects that the output voltage Vms has become a normal power generation voltage (for example, the output voltage Vms has become a positive voltage), the control unit 20s brings the bypass current path 15s from the conductive state. It is possible to return to a non-conduction state.

図2A、図2Bでは、太陽電池モジュール11sが非発電状態の場合におけるバイパス電流経路15s、スイッチング素子16s、制御部20sの動作状態について説明したが、太陽電池モジュール11fが非発電状態の場合におけるバイパス電流経路15f、スイッチング素子16f、制御部20fの動作も同様であるので説明は省略する。   In FIG. 2A and FIG. 2B, the operation state of the bypass current path 15s, the switching element 16s, and the control unit 20s when the solar cell module 11s is in the non-power generation state has been described. Since the operations of the current path 15f, the switching element 16f, and the control unit 20f are the same, description thereof is omitted.

図3Aは、図1Aに示した太陽光発電システム1でのスイッチング素子16の具体例であるMIS電界効果トランジスタの回路記号を示す回路記号図である。   FIG. 3A is a circuit symbol diagram showing a circuit symbol of a MIS field effect transistor which is a specific example of the switching element 16 in the photovoltaic power generation system 1 shown in FIG. 1A.

図3Bは、図3Aに示したMIS電界効果トランジスタのオフ状態(開状態)を等価的なスイッチ記号で示す等価回路図である。   FIG. 3B is an equivalent circuit diagram showing an off state (open state) of the MIS field effect transistor shown in FIG. 3A with an equivalent switch symbol.

図3Cは、図3Aに示したMIS電界効果トランジスタのオン状態(閉状態)を等価的なスイッチ記号で示す等価回路図である。   FIG. 3C is an equivalent circuit diagram illustrating an ON state (closed state) of the MIS field effect transistor illustrated in FIG. 3A with an equivalent switch symbol.

スイッチング素子16をMOS電界効果トランジスタ(MIS電界効果トランジスタ)で構成した場合、MOS電界効果トランジスタのソース、ドレインはバイパス電流経路15に接続され、ゲートは出力端子23に接続される。   When the switching element 16 is composed of a MOS field effect transistor (MIS field effect transistor), the source and drain of the MOS field effect transistor are connected to the bypass current path 15 and the gate is connected to the output terminal 23.

MOS電界効果トランジスタのオフ状態(図3B)では、バイパス電流経路15は、切断された状態、つまり開状態となり、モジュール群電流Igは流れない。また、MOS電界効果トランジスタのオン状態(図3C)では、バイパス電流経路15は、導通された状態、つまり閉状態となり、モジュール群電流Igが流れる。   In the off state (FIG. 3B) of the MOS field effect transistor, the bypass current path 15 is disconnected, that is, opened, and the module group current Ig does not flow. Further, in the ON state of the MOS field effect transistor (FIG. 3C), the bypass current path 15 is in a conductive state, that is, a closed state, and the module group current Ig flows.

したがって、MOS電界効果トランジスタをオン状態とすることによって、バイパス電流経路15を導通させてモジュール群電流Igをバイパスさせることができる。   Therefore, by turning on the MOS field effect transistor, the bypass current path 15 can be conducted to bypass the module group current Ig.

なお、モジュール群電流Igが例えば、8.4A(アンペア)のとき、使用するMOS電界効果トランジスタの特性にもよるが、本実施の形態で用いたMOS電界効果トランジスタでの電圧降下は、例えば、0.1V(ボルト)程度であり、消費電力は、0Wに限りなく近づけることが可能となり、実質的に電圧降下(電力消費)が生じないスイッチとなる。   When the module group current Ig is 8.4 A (ampere), for example, the voltage drop in the MOS field effect transistor used in the present embodiment is, for example, depending on the characteristics of the MOS field effect transistor used. It is about 0.1 V (volt), and the power consumption can be as close as possible to 0 W, so that the switch does not substantially cause a voltage drop (power consumption).

図4は、図1Aに示した太陽光発電システム1での発電特性、バイパス電流経路15の作用を説明する電力特性図である。   FIG. 4 is a power characteristic diagram for explaining the power generation characteristics and the operation of the bypass current path 15 in the photovoltaic power generation system 1 shown in FIG. 1A.

横軸を電圧(V)、縦軸を電流(A)として太陽光発電システム1での発電特性を示す。つまり、横軸は出力電圧Vmに相当し、縦軸はモジュール群電流Igに相当する。   The power generation characteristics in the photovoltaic power generation system 1 are shown with the horizontal axis representing voltage (V) and the vertical axis representing current (A). That is, the horizontal axis corresponds to the output voltage Vm, and the vertical axis corresponds to the module group current Ig.

太陽光Lsの照射状態が等しく、太陽電池モジュール11fおよび太陽電池モジュール11sでの発電状態が等しい場合を想定すると、太陽電池モジュール11fの電力特性曲線PCf、太陽電池モジュール11sの電力特性曲線PCsは、同様な等しい曲線として得られる。   Assuming that the irradiation state of the sunlight Ls is equal and the power generation states in the solar cell module 11f and the solar cell module 11s are equal, the power characteristic curve PCf of the solar cell module 11f and the power characteristic curve PCs of the solar cell module 11s are It is obtained as a similar equal curve.

太陽光発電システム1は、太陽電池モジュール11fおよび太陽電池モジュール11sを直列に接続して構成されているから、全体として得られる電力(太陽光発電システム1の電力)は、モジュール群電流Ig一定で、出力電圧Vm(出力電圧Vmf、出力電圧Vms)を加算した出力電圧Vgとなり、電力特性曲線PCt(電力特性曲線PCf+電力特性曲線PCs)で表わされる。   Since the solar power generation system 1 is configured by connecting the solar cell module 11f and the solar cell module 11s in series, the power obtained as a whole (power of the solar power generation system 1) is constant in the module group current Ig. The output voltage Vg is obtained by adding the output voltage Vm (output voltage Vmf, output voltage Vms), and is represented by a power characteristic curve PCt (power characteristic curve PCf + power characteristic curve PCs).

最大電力(最大電力点)を矩形電力面積で示すと、太陽電池モジュール11fについては、矩形電力面積RAf、太陽電池モジュール11sについては、矩形電力面積RAsとして示される。矩形電力面積RAfおよび矩形電力面積RAsは、同一の発電状態であるから、同一の面積を有する矩形電力面積RAf、矩形電力面積RAsとなる。したがって、太陽電池モジュール群10の矩形電力面積は、太陽電池モジュール11fの矩形電力面積RAfおよび太陽電池モジュール11sの矩形電力面積RAsを加算した面積(矩形電力面積RAt)となる。   When the maximum power (maximum power point) is indicated by a rectangular power area, the solar cell module 11f is indicated as a rectangular power area RAf, and the solar cell module 11s is indicated as a rectangular power area RAs. Since the rectangular power area RAf and the rectangular power area RAs are in the same power generation state, they are the rectangular power area RAf and the rectangular power area RAs having the same area. Accordingly, the rectangular power area of the solar cell module group 10 is an area (rectangular power area RAt) obtained by adding the rectangular power area RAf of the solar cell module 11f and the rectangular power area RAs of the solar cell module 11s.

なお、矩形電力面積RAf、矩形電力面積RAsは、最大電力(最大電力点)での出力電圧Vmが約13.5Vであり、最大電力でのモジュール群電流Igが約8.4Aであるから、それぞれで得られる電力(最大電力)は、約113.4Wとなる。   The rectangular power area RAf and the rectangular power area RAs are such that the output voltage Vm at the maximum power (maximum power point) is about 13.5 V, and the module group current Ig at the maximum power is about 8.4 A. The power (maximum power) obtained by each is about 113.4W.

太陽光発電システム1において、DC/DCコンバータ30の電力変換効率を100%と仮定すると、DC/DCコンバータ30の出力(出力電力)は、DC/DCコンバータ30への入力(入力電力)と等しい。   In the photovoltaic power generation system 1, assuming that the power conversion efficiency of the DC / DC converter 30 is 100%, the output (output power) of the DC / DC converter 30 is equal to the input (input power) to the DC / DC converter 30. .

DC/DCコンバータ30の出力電圧Vsが太陽電池モジュール11の出力電圧Vm(約13.5V)に調整されるとした場合、DC/DCコンバータ30の出力電力としての矩形電力面積RAtを電流方向に置き換えることができる。つまり、矩形電力面積RAtは、矩形電力面積RAfおよび矩形電力面積RAsを電流方向で積み重ねた状態での矩形電力面積RAtc(縦軸方向。電圧を出力電圧Vm=13.5Vに調整して電流を倍にした状態)となる。   When the output voltage Vs of the DC / DC converter 30 is adjusted to the output voltage Vm (about 13.5 V) of the solar cell module 11, the rectangular power area RAt as the output power of the DC / DC converter 30 is set in the current direction. Can be replaced. That is, the rectangular power area RAt is the rectangular power area RAtc (vertical axis direction in the state where the rectangular power area RAf and the rectangular power area RAs are stacked in the current direction. The voltage is adjusted to the output voltage Vm = 13.5V and the current is adjusted. Doubled state).

矩形電力面積RAtc(DC/DCコンバータ30の出力電力)は、約226.8W(113.4Wを2倍)となる。   The rectangular power area RAtc (output power of the DC / DC converter 30) is approximately 226.8W (twice 113.4W).

矩形電力面積RAtc(DC/DCコンバータ30の出力電力)は、出力電圧Vmを約13.5Vとして縦軸方向(電流方向)に変換したことから、置き換えられた電流は、電力(約226.8W)と電圧13.5Vとから逆算して約16.8A(約8.4A×2)となる。   Since the rectangular power area RAtc (output power of the DC / DC converter 30) is converted in the vertical axis direction (current direction) with the output voltage Vm being about 13.5 V, the replaced current is power (about 226.8 W). ) And a voltage of 13.5 V, the result is approximately 16.8 A (approximately 8.4 A × 2).

バイパス電流経路15に従来のバイパスダイオードを適用した場合について、太陽電池モジュール11sが非発電状態となって太陽電池モジュール11sに対してバイパスダイオードが動作し、太陽電池モジュール11fのみが発電状態となったときを想定する。このとき、太陽電池モジュール11fのみによる発電であるから、モジュール群電流Igは、約8.4Aとなる。このときのバイパスダイオードでの消費電力は次のように求められる。   When a conventional bypass diode is applied to the bypass current path 15, the solar cell module 11s is in a non-power generation state, the bypass diode operates with respect to the solar cell module 11s, and only the solar cell module 11f is in a power generation state. Assume the time. At this time, since the power is generated only by the solar cell module 11f, the module group current Ig is about 8.4A. The power consumption in the bypass diode at this time is obtained as follows.

一般的に、バイパスダイオードとしては順方向電圧の低いショットキーダイオードが適用される。ショットキーダイオードの順方向電圧は、通常、約0.45V〜0.65Vである。順方向電圧を約0.55としたとき、ショットキーダイオードには、モジュール群電流Ig=8.4Aが流れ、ショットキーダイオードでの消費電力は、約8.4A×0.55V=4.6Wとなる。   Generally, a Schottky diode with a low forward voltage is applied as the bypass diode. The forward voltage of the Schottky diode is usually about 0.45V to 0.65V. When the forward voltage is about 0.55, the module group current Ig = 8.4 A flows through the Schottky diode, and the power consumption of the Schottky diode is about 8.4 A × 0.55 V = 4.6 W. It becomes.

太陽電池モジュール11sが非発電状態の場合、太陽光発電システム1全体での出力電力は、約113.4W(太陽電池モジュール11fのみの出力)であるから、ショットキーダイオードの消費電力の割合は、4.6W/113.4W=0.04(4%)となる。つまり、バイパスダイオードでの消費電力は4%と大きく、また絶対値としても無視できない大きい値である。   When the solar cell module 11s is in a non-power generation state, the output power of the entire solar power generation system 1 is about 113.4 W (output of only the solar cell module 11f), and therefore the ratio of the power consumption of the Schottky diode is 4.6W / 113.4W = 0.04 (4%). That is, the power consumption of the bypass diode is as large as 4%, and is a large value that cannot be ignored as an absolute value.

また、ショットキーダイオードでの消費電力(約4.6W)は、太陽電池モジュール11fの発電電力に対する損失となる。消費電力4.6Wを矩形電力面積RAf(矩形電力面積RAs)に重ねると矩形電力面積RAbpd(4.6W/13.5V=0.34A。つまり、矩形電力面積RAfの上端の値である8.4Aから0.34Aを引いた8.06Aと8.4Aとの間の面積と等しい値。)として示される。   Further, the power consumption (about 4.6 W) in the Schottky diode is a loss with respect to the generated power of the solar cell module 11f. When the power consumption 4.6 W is superimposed on the rectangular power area RAf (rectangular power area RAs), the rectangular power area RAbpd (4.6 W / 13.5 V = 0.34 A. That is, it is the value at the upper end of the rectangular power area RAf. 4A minus 0.34A minus a value equal to the area between 8.06A and 8.4A.)

バイパスダイオードでの電力消費は、太陽電池モジュール11の規模が大きくなるほど大きくなり、無視できなくなる。また、損失に対する放熱設計、実際の放熱部材の採用などが必要になる。また、放熱設計をしたとしても、熱の発生は回避できない。太陽電池セル12の発電効率は、温度の上昇に伴って低下することが知られており、熱の発生に伴って太陽電池セル12の発電効率が低下する。したがって、バイパスダイオードの採用は不要な電力消費を生じることからマイナス要因ともなっている。   The power consumption of the bypass diode increases as the scale of the solar cell module 11 increases, and cannot be ignored. In addition, it is necessary to design heat dissipation against loss and to use an actual heat dissipation member. Moreover, even if a heat dissipation design is made, generation of heat cannot be avoided. It is known that the power generation efficiency of the solar battery cell 12 decreases with increasing temperature, and the power generation efficiency of the solar battery cell 12 decreases with the generation of heat. Therefore, the adoption of the bypass diode is a negative factor because it causes unnecessary power consumption.

本実施の形態に係る太陽光発電システム1では、バイパスダイオードの代わりに制御部20によって制御されるスイッチング素子16を適用することから、バイパス電流経路15(スイッチング素子16)での電力消費を大幅に低減することができる。特に、スイッチング素子16としてMIS電界効果トランジスタ(MOS電界効果トランジスタ)を適用することによって、スイッチング素子16での消費電力をほとんど解消し、更に大きな効果を奏することができる。   In the photovoltaic power generation system 1 according to the present embodiment, since the switching element 16 controlled by the control unit 20 is applied instead of the bypass diode, the power consumption in the bypass current path 15 (switching element 16) is significantly increased. Can be reduced. In particular, by applying a MIS field effect transistor (MOS field effect transistor) as the switching element 16, power consumption in the switching element 16 can be almost eliminated and a greater effect can be achieved.

MOS電界効果トランジスタを適用したときのMOS電界効果トランジスタでの電力消費は、具体的には、例えば0.84W(例えば8.4A×0.1V)であり、バイパスダイオードでの電力消費(4.6W)に比較して大幅(1/5.5)に消費電力を抑制している。   Specifically, the power consumption in the MOS field effect transistor when the MOS field effect transistor is applied is, for example, 0.84 W (for example, 8.4 A × 0.1 V), and the power consumption in the bypass diode (4. Compared to 6W), the power consumption is significantly reduced (1 / 5.5).

図1Aないし図4を用いて説明したとおり、本実施の形態に係る太陽光発電システム1は、複数の太陽電池セル12を直列に接続した太陽電池モジュール11が複数直列に接続された太陽電池モジュール群10と、それぞれの太陽電池モジュール11に並列に接続され太陽電池モジュール11の出力電圧が予め特定された特定電圧より小さいときに太陽電池モジュール群10に流れるモジュール群電流Igをバイパスさせるバイパス電流経路15と、太陽電池モジュール群10から出力された電力を直流−直流変換するDC/DCコンバータ30とを備えた太陽光発電システム1であって、それぞれのバイパス電流経路15に配置されてバイパス電流経路15の導通および非導通を切り替えるスイッチング素子16と、スイッチング素子16のそれぞれに対応して配置されスイッチング素子16の開閉を制御する制御部20とを備え、制御部20は、太陽電池モジュール11の出力電圧が特定電圧より小さくなったとき、スイッチング素子16を開から閉に切り替えてバイパス電流経路15を導通させる構成とされていることを特徴とする。   As described with reference to FIGS. 1A to 4, the solar power generation system 1 according to the present embodiment is a solar cell module in which a plurality of solar cell modules 11 in which a plurality of solar cells 12 are connected in series are connected in series. Bypass current path that bypasses module group current Ig that flows through solar cell module group 10 when the output voltage of solar cell module 11 is smaller than a specific voltage that is connected in parallel to group 10 and each solar cell module 11 15 and a DC / DC converter 30 that performs DC-DC conversion on the electric power output from the solar cell module group 10, and is arranged in each bypass current path 15 to be bypass current paths A switching element 16 that switches between conduction and non-conduction of 15 and a switching element 16 And a control unit 20 that is arranged corresponding to each and controls the opening and closing of the switching element 16. When the output voltage of the solar cell module 11 becomes smaller than a specific voltage, the control unit 20 closes the switching element 16 from opening to closing. And the bypass current path 15 is made conductive.

したがって、本実施の形態に係る太陽光発電システム1は、太陽電池モジュール11が例えば太陽光Lsの遮断などによって発電しない非発電状態となったとき、発電しない太陽電池モジュール11と並列に配置されたバイパス電流経路15を導通状態(短絡状態)として太陽電池モジュール群10に流れるモジュール群電流Igをバイパスさせるので、バイパスダイオード(従来技術)を適用せずに非発電状態の太陽電池モジュール11へのモジュール群電流Igの流入を防止して太陽電池モジュール11(太陽電池セル12)でのホットスポットの発生を防止することができ、また、バイパスダイオードを適用したときに生じる電力消費を抑制することができる。つまり、太陽光発電システム1(太陽電池モジュール11、太陽電池セル12)でのホットスポット現象の発生を防止して信頼性を向上し、また、太陽光発電システム1(太陽電池モジュール11、太陽電池セル12)の寿命を延ばし、発電効率を向上させることができる。   Therefore, the solar power generation system 1 according to the present embodiment is arranged in parallel with the solar cell module 11 that does not generate power when the solar cell module 11 enters a non-power generation state in which power generation is not performed, for example, due to interruption of sunlight Ls. The module current Ig flowing in the solar cell module group 10 is bypassed with the bypass current path 15 in a conductive state (short-circuit state), so that the module to the solar cell module 11 in the non-power generation state without applying the bypass diode (conventional technology) Inflow of the group current Ig can be prevented to prevent generation of hot spots in the solar cell module 11 (solar cell 12), and power consumption that occurs when a bypass diode is applied can be suppressed. . That is, the occurrence of a hot spot phenomenon in the solar power generation system 1 (solar cell module 11, solar cell 12) is prevented to improve reliability, and the solar power generation system 1 (solar cell module 11, solar cell). The life of the cell 12) can be extended and the power generation efficiency can be improved.

また、本実施の形態に係る太陽光発電システム1では、制御部20(制御部20f、制御部20s)は、太陽電池モジュール11(太陽電池モジュール11f、太陽電池モジュール11s)に接続されて出力電圧Vm(出力電圧Vmf、出力電圧Vms)が入力される入力端子(入力端子21および入力端子22。例えば、太陽電池モジュール11fに対する入力端子21fおよび入力端子22f。太陽電池モジュール11sに対する入力端子21sおよび入力端子22s。)と、スイッチング素子16(スイッチング素子16f、スイッチング素子16s)の制御端子17(スイッチング素子16fについて制御端子17f、スイッチング素子16sについて制御端子17s)に接続されスイッチング素子16の開閉を制御する出力端子23(制御端子17fに対する出力端子23f。制御端子17sに対する出力端子23s)とを備える比較器で構成されていることを特徴とする。   Moreover, in the solar power generation system 1 which concerns on this Embodiment, the control part 20 (control part 20f, control part 20s) is connected to the solar cell module 11 (solar cell module 11f, solar cell module 11s), and is output voltage. Input terminals to which Vm (output voltage Vmf, output voltage Vms) is input (input terminal 21 and input terminal 22. For example, input terminal 21f and input terminal 22f for solar cell module 11f. Input terminal 21s and input for solar cell module 11s Terminal 22s.) And control terminal 17 of switching element 16 (switching element 16f, switching element 16s) (control terminal 17f for switching element 16f, control terminal 17s for switching element 16s) and connected to control opening and closing of switching element 16. Output terminal 2 Characterized in that it is constituted by a comparator and a (output terminal 23s to the output terminal 23f. Control terminal 17s with respect to the control terminal 17f).

したがって、本実施の形態に係る太陽光発電システム1は、太陽電池モジュール11の非発電状態を高精度に、かつ迅速に検出してスイッチング素子16の開閉(オンオフ)を制御するので、太陽電池モジュール11でのホットスポット現象の発生を確実に防止することができる。   Therefore, the solar power generation system 1 according to the present embodiment detects the non-power generation state of the solar cell module 11 with high accuracy and speed and controls the opening / closing (on / off) of the switching element 16. 11 can be reliably prevented from occurring.

また、本実施の形態に係る太陽光発電システム1では、制御部20の電源は、DC/DCコンバータ30から供給されることを特徴とする。したがって、本実施の形態に係る太陽光発電システム1は、制御部20の電源を安定化させ、また、太陽光発電システム1のバイパス電流経路15(制御部20)の制御を高精度にすることができる。   Moreover, in the solar power generation system 1 which concerns on this Embodiment, the power supply of the control part 20 is supplied from the DC / DC converter 30, It is characterized by the above-mentioned. Therefore, the photovoltaic power generation system 1 according to the present embodiment stabilizes the power supply of the control unit 20 and makes the control of the bypass current path 15 (control unit 20) of the photovoltaic power generation system 1 highly accurate. Can do.

また、本実施の形態に係る太陽光発電システム1では、スイッチング素子16は、MIS電界効果トランジスタであることを特徴とする。したがって、本実施の形態に係る太陽光発電システム1は、スイッチング素子16を抵抗が小さいMIS電界効果トランジスタ(一般的には、MOS電界効果トランジスタ)で構成するので、バイパス電流経路15(スイッチング素子16)で生じる消費電力を低減し、バイパス電流経路15での電力ロスを抑制して全体としての発電効率を向上させることができる。また、バイパス電流経路15(スイッチング素子16)で生じる消費電力を低減することから、消費電力に伴う発熱が抑制されるのでバイパスダイオードを適用したときにバイパス電流経路15で必要であって放熱手段を不要とすることができる。   In the photovoltaic power generation system 1 according to the present embodiment, the switching element 16 is a MIS field effect transistor. Therefore, in the photovoltaic power generation system 1 according to the present embodiment, the switching element 16 is configured by a MIS field effect transistor (generally, a MOS field effect transistor) having a low resistance, and thus the bypass current path 15 (switching element 16). ) Can be reduced, power loss in the bypass current path 15 can be suppressed, and overall power generation efficiency can be improved. Further, since power consumption generated in the bypass current path 15 (switching element 16) is reduced, heat generation due to power consumption is suppressed, so that when the bypass diode is applied, it is necessary in the bypass current path 15 and a heat dissipation means is provided. It can be unnecessary.

以上、主として太陽光発電システム1について説明したが、バイパス電流経路15(電流経路)、スイッチング素子16、制御部20を太陽光発電システム1から抽出して本実施の形態(本発明)に係るスイッチングシステム14として説明する。   Although the solar power generation system 1 has been mainly described above, the bypass current path 15 (current path), the switching element 16, and the control unit 20 are extracted from the solar power generation system 1 and switching according to the present embodiment (the present invention) is performed. The system 14 will be described.

以下、スイッチングシステム14について、上述した太陽光発電システム1との関係を適用して説明するが、本実施の形態に係るスイッチングシステム14は、太陽光発電システム1に適用される場合に限るものではなく、一般的な電流経路でのスイッチングが要請される他の場合についても適用できる。   Hereinafter, although the switching system 14 is demonstrated applying the relationship with the solar power generation system 1 mentioned above, the switching system 14 which concerns on this Embodiment is not restricted to the case where it is applied to the solar power generation system 1. However, the present invention can be applied to other cases where switching in a general current path is required.

以下に説明するとおり、本実施の形態に係るスイッチングシステム14は、太陽電池モジュール11(太陽電池モジュール11f、太陽電池モジュール11s)に対応させて2個配置されている。太陽電池モジュール11fに対応する場合、太陽電池モジュール11sに対応する場合、いずれについても構成は全く同一であるので特に区別することなく単にスイッチングシステム14として説明する。   As described below, two switching systems 14 according to the present embodiment are arranged in correspondence with the solar cell module 11 (solar cell module 11f, solar cell module 11s). In the case of corresponding to the solar cell module 11f, in the case of corresponding to the solar cell module 11s, the configuration is completely the same, so that the switching system 14 will be described without any particular distinction.

本実施の形態に係るスイッチングシステム14は、電流経路(例えばバイパス電流経路15を例示できる。また、バイパス電流経路15f、バイパス電流経路15sも同様に例示できる。)に配置されて電流経路(バイパス電流経路15)の導通および非導通を切り替えるスイッチング素子16(バイパス電流経路15fの場合は、スイッチング素子16f。バイパス電流経路15sの場合は、スイッチング素子16s)と、スイッチング素子16の開閉を制御する制御部20とを備えるスイッチングシステム14である。   The switching system 14 according to the present embodiment is arranged in a current path (for example, the bypass current path 15 can be exemplified. Also, the bypass current path 15f and the bypass current path 15s can be similarly exemplified) and the current path (bypass current). A switching element 16 that switches between conduction and non-conduction of the path 15) (switching element 16f in the case of the bypass current path 15f; switching element 16s in the case of the bypass current path 15s) and a control unit that controls opening and closing of the switching element 16 20 is a switching system 14.

また、本実施の形態に係るスイッチングシステム14では、制御部20は、電流経路(バイパス電流経路15)の両端間(バイパス電流経路15fの場合は、モジュール端子13fおよびモジュール端子13sの間。バイパス電流経路15sの場合は、モジュール端子13sおよびモジュール端子13tの間)の電圧(太陽光発電システムの場合の出力電圧Vmに相当。バイパス電流経路15fの場合は、出力電圧Vmfに相当。バイパス電流経路15sの場合は、出力電圧Vmsに相当)に基づいてスイッチング素子16の開閉を制御する構成とされている。   Further, in the switching system 14 according to the present embodiment, the control unit 20 has a current path (bypass current path 15) between both ends (in the case of the bypass current path 15f, between the module terminal 13f and the module terminal 13s). In the case of the path 15s, the voltage (between the module terminal 13s and the module terminal 13t) (corresponding to the output voltage Vm in the case of the photovoltaic power generation system. In the case of the bypass current path 15f, it corresponds to the output voltage Vmf. Bypass current path 15s. In this case, the switching of the switching element 16 is controlled based on the output voltage Vms).

したがって、本実施の形態に係るスイッチングシステム14は、電流経路(例えばバイパス電流経路15)の両端間の電圧(電位差)に応じてスイッチング素子16の開閉を制御することから、電流経路の両端での電位の相関状態に応じて電流経路の導通、非導通を切り替えることができるので、電流経路を短絡(閉路)あるいは開放(開路)することで必要に応じて機能させることができ、また、スイッチング素子16を適用することから電流経路を導通させたときの消費電力を抑制することができる。   Therefore, the switching system 14 according to the present embodiment controls the opening and closing of the switching element 16 according to the voltage (potential difference) between both ends of the current path (for example, the bypass current path 15). Since the conduction and non-conduction of the current path can be switched according to the correlation state of the potential, the current path can be made to function as necessary by short-circuiting (closing) or opening (opening), and the switching element Since 16 is applied, power consumption when the current path is made conductive can be suppressed.

本実施の形態に係るスイッチングシステム14では、制御部20は、第1入力端子(入力端子21)、第2入力端子(入力端子22)、および出力端子23を備えた比較器であり、第1入力端子(入力端子21)は、電流経路の第1端子(電流経路を例えばバイパス電流経路15fとしたときは、モジュール端子13f。電流経路を例えばバイパス電流経路15sとしたときは、モジュール端子13s)に接続され、第2入力端子(入力端子22)は、電流経路の第2端子(電流経路を例えばバイパス電流経路15fとしたときは、モジュール端子13s。電流経路を例えばバイパス電流経路15sとしたときは、モジュール端子13t)に接続され、出力端子(出力端子23)は、スイッチング素子16の制御端子(制御端子17)に接続されている。   In the switching system 14 according to the present embodiment, the control unit 20 is a comparator including a first input terminal (input terminal 21), a second input terminal (input terminal 22), and an output terminal 23. The input terminal (input terminal 21) is the first terminal of the current path (when the current path is, for example, the bypass current path 15f, the module terminal 13f. When the current path is, for example, the bypass current path 15s, the module terminal 13s) And the second input terminal (input terminal 22) is the second terminal of the current path (when the current path is, for example, the bypass current path 15f, the module terminal 13s. When the current path is, for example, the bypass current path 15s, Is connected to the module terminal 13t, and the output terminal (output terminal 23) is connected to the control terminal (control terminal 17) of the switching element 16. It has been.

したがって、本実施の形態に係るスイッチングシステム14は、制御部20を比較器で構成することから、電流経路(バイパス電流経路15)の両端(バイパス電流経路15fでのモジュール端子13fおよびモジュール端子13s。バイパス電流経路15sでのモジュール端子13sおよびモジュール端子13t)での電位状況を高精度に比較でき、高精度にスイッチング素子16の開閉を制御することができる。   Therefore, since the switching system 14 according to the present embodiment includes the control unit 20 as a comparator, both ends of the current path (bypass current path 15) (the module terminal 13f and the module terminal 13s in the bypass current path 15f). The potential states at the module terminal 13s and the module terminal 13t) in the bypass current path 15s can be compared with high accuracy, and the switching of the switching element 16 can be controlled with high accuracy.

本実施の形態に係るスイッチングシステム14では、スイッチング素子16は、MIS電界効果トランジスタ(具体的には、例えばMOS電界効果トランジスタ)であり、MIS電界効果トランジスタのソースは第1端子(バイパス電流経路15fの場合は、モジュール端子13f。バイパス電流経路15sの場合は、モジュール端子13s)に接続され、MIS電界効果トランジスタのドレインは第2端子(バイパス電流経路15fの場合は、モジュール端子13s。バイパス電流経路15sの場合は、モジュール端子13t)に接続され、MIS電界効果トランジスタのゲートは制御端子(制御端子17。スイッチング素子16fの場合は、制御端子17f。スイッチング素子16sの場合は、制御端子17s)として出力端子(出力端子23)に接続されている。   In the switching system 14 according to the present embodiment, the switching element 16 is a MIS field effect transistor (specifically, for example, a MOS field effect transistor), and the source of the MIS field effect transistor is the first terminal (bypass current path 15f). The module terminal 13f is connected to the module terminal 13s in the case of the bypass current path 15s, and the drain of the MIS field effect transistor is the second terminal (the module terminal 13s in the case of the bypass current path 15f. The bypass current path). In the case of 15s, it is connected to the module terminal 13t), and the gate of the MIS field effect transistor is the control terminal (control terminal 17, control terminal 17f in the case of the switching element 16f, control terminal 17s in the case of the switching element 16s). Output terminal (output terminal And it is connected to 23).

したがって、本実施の形態に係るスイッチングシステム14は、スイッチング素子16としてMIS電界効果トランジスタを適用するので、スイッチング素子16が導通したとき(電流経路が導通状態のとき)の電力消費を抑制して不要な消費電力の発生を防止し、効率の良いスイッチングシステムとなる。   Therefore, since the switching system 14 according to the present embodiment uses the MIS field effect transistor as the switching element 16, it is unnecessary to suppress power consumption when the switching element 16 is conductive (when the current path is conductive). Generation of high power consumption is prevented and an efficient switching system is obtained.

本実施の形態に係るスイッチングシステム14では、制御部20は、外部に配置された外部電源(例えば、DC/DCコンバータ30)から電源電力を供給される。   In the switching system 14 according to the present embodiment, the control unit 20 is supplied with power from an external power supply (for example, a DC / DC converter 30) disposed outside.

したがって、本実施の形態に係るスイッチングシステム14は、外部からの電源電力によって動作することから、安定した動作を実現することができる。   Therefore, since the switching system 14 according to the present embodiment operates with external power supply power, stable operation can be realized.

本実施の形態に係るスイッチングシステム14では、外部電源は、太陽電池モジュール(太陽電池モジュール11)の出力をDC/DC変換するDC/DCコンバータ(DC/DCコンバータ30)の出力である。   In the switching system 14 according to the present embodiment, the external power supply is the output of a DC / DC converter (DC / DC converter 30) that performs DC / DC conversion on the output of the solar cell module (solar cell module 11).

したがって、本実施の形態に係るスイッチングシステム14は、太陽電池モジュール(太陽電池モジュール11)の出力を調整するDC/DCコンバータ(DC/DCコンバータ30)の出力を利用することから、太陽電池モジュールが備える制御系への適用が可能となり、太陽電池モジュールのバイパス回路を構成するバイパスダイオードをスイッチング素子16に置き換えてバイパスダイオードで問題とされる消費電力の発生を抑制することができる。   Therefore, the switching system 14 according to the present embodiment uses the output of the DC / DC converter (DC / DC converter 30) that adjusts the output of the solar cell module (solar cell module 11). Application to a control system provided is possible, and the bypass diode constituting the bypass circuit of the solar cell module can be replaced with the switching element 16 to suppress the occurrence of power consumption, which is a problem with the bypass diode.

なお、スイッチング素子16、制御部20は、共通のプリント基板(不図示)へ実装して太陽電池モジュール11の端子ボックス(不図示)などに実装することが可能である。   The switching element 16 and the control unit 20 can be mounted on a common printed circuit board (not shown) and mounted on a terminal box (not shown) of the solar cell module 11 or the like.

<実施の形態2>
以下、本発明の実施の形態2に係る太陽光発電システム、スイッチングシステム、およびバイパス装置について、図6Aないし図7Cを参照して説明する。なお、本実施の形態に係る太陽光発電システム、スイッチングシステムの基本的な構成は、先に説明した実施の形態1(図1Aないし図4)と同様であるので、符号を援用し、主に異なる事項について説明する。
<Embodiment 2>
Hereinafter, a photovoltaic power generation system, a switching system, and a bypass device according to Embodiment 2 of the present invention will be described with reference to FIGS. 6A to 7C. Since the basic configuration of the photovoltaic power generation system and the switching system according to the present embodiment is the same as that of the first embodiment described above (FIGS. 1A to 4), the reference numerals are used mainly, Explain the different points.

図6Aは、本発明の実施の形態2に係る太陽光発電システム1の概略ブロック構成を示すブロック図である。   FIG. 6A is a block diagram showing a schematic block configuration of the photovoltaic power generation system 1 according to Embodiment 2 of the present invention.

なお、スイッチングシステム14の構成要素は、太陽光発電システム1の一部の構成要素として含まれる。例えば、バイパス電流経路15、スイッチング素子16、制御部26がスイッチングシステム14を構成する。太陽電池モジュール11fに対して制御部26f、太陽電池モジュール11sに対して制御部26sが配置されている。以下、制御部26fと制御部26sとを特に区別する必要が無い場合は、単に制御部26とすることがある。   Note that the components of the switching system 14 are included as some components of the photovoltaic power generation system 1. For example, the bypass current path 15, the switching element 16, and the control unit 26 constitute the switching system 14. A control unit 26f is arranged for the solar cell module 11f, and a control unit 26s is arranged for the solar cell module 11s. Hereinafter, the control unit 26f and the control unit 26s may be simply referred to as the control unit 26 when it is not necessary to distinguish between them.

なお、スイッチング素子16は、実施の形態1と同様MOS電界効果トランジスタ(エンハンス型nチャンネル)で構成されている。   The switching element 16 is composed of a MOS field effect transistor (enhanced n-channel) as in the first embodiment.

実施の形態1では、制御部20は、比較器で構成されたが、本実施の形態に係る制御部26は、ダイオードDs、抵抗R1、抵抗R2(以下、抵抗R1、抵抗R2を特に区別する必要が無い場合は、単に抵抗Rとすることがある。)の直列回路で構成されている。   In the first embodiment, the control unit 20 is configured by a comparator. However, the control unit 26 according to the present embodiment particularly distinguishes the diode Ds, the resistor R1, and the resistor R2 (hereinafter, the resistor R1 and the resistor R2). When there is no need, it may be simply a resistor R.).

本実施の形態に係る太陽光発電システム1は、太陽光Lsを光電変換によって電気(電力)に変換する太陽電池セル12が複数直列に接続されて構成された太陽電池モジュール11を備える。太陽電池モジュール11は、さらに複数(例えば、太陽電池モジュール11fおよび太陽電池モジュール11s)直列に接続されて太陽電池モジュール群10を構成している。太陽電池モジュール群10は、さらに多くの太陽電池モジュール11を接続して構成することも可能であるが、説明の便宜上、2個の太陽電池モジュール11(太陽電池モジュール11fおよび太陽電池モジュール11s)が接続された場合について説明する。   The photovoltaic power generation system 1 according to the present embodiment includes a solar cell module 11 configured by connecting a plurality of solar cells 12 that convert sunlight Ls into electricity (electric power) by photoelectric conversion. A plurality of solar cell modules 11 (for example, a solar cell module 11f and a solar cell module 11s) are connected in series to constitute a solar cell module group 10. The solar cell module group 10 can be configured by connecting a larger number of solar cell modules 11. However, for convenience of explanation, two solar cell modules 11 (a solar cell module 11f and a solar cell module 11s) are provided. A case of connection will be described.

太陽光Lsが照射された太陽電池モジュール11は、それぞれ光電変換によって出力電圧Vm(太陽電池モジュール11fの出力電圧Vmを出力電圧Vmf、太陽電池モジュール11sの出力電圧Vmを出力電圧Vmsとする。出力電圧Vmfおよび出力電圧Vmsを区別する必要がない場合は、単に出力電圧Vmとすることがある。)を発電し、太陽電池モジュール11の直列接続によって加算された電圧が太陽電池モジュール群10の出力電圧VgとしてDC/DCコンバータ30の入力端31へ入力される。   The solar cell modules 11 irradiated with sunlight Ls are each converted into an output voltage Vm (the output voltage Vm of the solar cell module 11f is an output voltage Vmf and the output voltage Vm of the solar cell module 11s is an output voltage Vms) by photoelectric conversion. When it is not necessary to distinguish between the voltage Vmf and the output voltage Vms, the output voltage Vm may be simply generated.) And the voltage added by the series connection of the solar cell modules 11 is the output of the solar cell module group 10. The voltage Vg is input to the input terminal 31 of the DC / DC converter 30.

なお、直列接続された各太陽電池セル12には、共通のモジュール群電流Igが流れる。したがって、太陽電池モジュール群10は、太陽電池モジュール11fおよび太陽電池モジュール11sを電流経路としてモジュール群電流IgをDC/DCコンバータ30の入力端31へ供給する。   A common module group current Ig flows through each of the solar cells 12 connected in series. Therefore, the solar cell module group 10 supplies the module group current Ig to the input end 31 of the DC / DC converter 30 using the solar cell module 11f and the solar cell module 11s as current paths.

太陽光発電システム1は、太陽電池モジュール11と並列に接続されたバイパス電流経路15、バイパス電流経路15に挿入されてバイパス電流経路15の導通/非導通を切り替えるスイッチング素子16、スイッチング素子16の開閉(オンオフ。例えば、オン状態は閉状態に対応し、オフ状態は開状態に対応する。)を制御する制御部26を備える。   The photovoltaic power generation system 1 includes a bypass current path 15 connected in parallel with the solar cell module 11, a switching element 16 inserted in the bypass current path 15 to switch conduction / non-conduction of the bypass current path 15, and opening / closing of the switching element 16 (On / off. For example, an on state corresponds to a closed state, and an off state corresponds to an open state.)

バイパス電流経路15は、太陽電池モジュール11に対応させて接続されることから、太陽電池モジュール11と同様に2つ(太陽電池モジュール11fに対応させたバイパス電流経路15f、太陽電池モジュール11sに対応させたバイパス電流経路15s)配置されている。以下、バイパス電流経路15fとバイパス電流経路15sとを特に区別する必要が無い場合は、単にバイパス電流経路15とすることがある。   Since the bypass current path 15 is connected in correspondence with the solar cell module 11, two bypass current paths 15f corresponding to the solar cell module 11f and the solar cell module 11s are associated with the solar cell module 11. The bypass current path 15s) is arranged. Hereinafter, when there is no need to particularly distinguish the bypass current path 15f and the bypass current path 15s, the bypass current path 15 may be simply used.

バイパス電流経路15fは、太陽電池モジュール11fに対して並列に接続され、バイパス電流経路15sは、太陽電池モジュール11sに対して並列に接続されている。つまり、バイパス電流経路15fは、モジュール端子13fとモジュール端子13sとの間に接続され、バイパス電流経路15sは、モジュール端子13sとモジュール端子13tとの間に接続されている。   The bypass current path 15f is connected in parallel to the solar cell module 11f, and the bypass current path 15s is connected in parallel to the solar cell module 11s. That is, the bypass current path 15f is connected between the module terminal 13f and the module terminal 13s, and the bypass current path 15s is connected between the module terminal 13s and the module terminal 13t.

バイパス電流経路15fには、スイッチング素子16fが挿入(配置)され、バイパス電流経路15sには、スイッチング素子16sが挿入(配置)されている。スイッチング素子16fおよびスイッチング素子16sを特に区別する必要がない場合は、単にスイッチング素子16とすることがある。   A switching element 16f is inserted (arranged) in the bypass current path 15f, and a switching element 16s is inserted (arranged) in the bypass current path 15s. When it is not necessary to distinguish the switching element 16f and the switching element 16s, the switching element 16 may be simply used.

また、制御部26は、太陽電池モジュール11、バイパス電流経路15に対応させて接続されることから、太陽電池モジュール11と同様に2つ(太陽電池モジュール11f、バイパス電流経路15fに対応させた制御部26f、太陽電池モジュール11s、バイパス電流経路15sに対応させた制御部26s)配置されている。つまり、制御部26fは、モジュール端子13fとモジュール端子13sとの間に接続され、制御部26sは、モジュール端子13sとモジュール端子13tとの間に接続されている。以下、制御部26fと制御部26sとを特に区別する必要が無い場合は、単に制御部26とすることがある。   Moreover, since the control part 26 is connected corresponding to the solar cell module 11 and the bypass current path | route 15, it is the same as the solar cell module 11 (control corresponding to the solar cell module 11f and the bypass current path | route 15f). 26f, the solar cell module 11s, and the control unit 26s) corresponding to the bypass current path 15s. That is, the control unit 26f is connected between the module terminal 13f and the module terminal 13s, and the control unit 26s is connected between the module terminal 13s and the module terminal 13t. Hereinafter, the control unit 26f and the control unit 26s may be simply referred to as the control unit 26 when it is not necessary to distinguish between them.

制御部26f、制御部26sは同一の構成とされている。具体的には、制御部26fは、ダイオードDsf(ダイオードDs)、抵抗R1f(抵抗R1)、抵抗R2f(抵抗R2)の直列回路で構成されている。また、制御部26sは、ダイオードDss(ダイオードDs)、抵抗R1s(抵抗R1)、抵抗R2s(抵抗R2)の直列回路で構成されている。   The control unit 26f and the control unit 26s have the same configuration. Specifically, the control unit 26f is configured by a series circuit of a diode Dsf (diode Ds), a resistor R1f (resistor R1), and a resistor R2f (resistor R2). The control unit 26s includes a series circuit of a diode Dss (diode Ds), a resistor R1s (resistor R1), and a resistor R2s (resistor R2).

以下、ダイオードDsfとダイオードDssとを特に区別する必要が無い場合は、単にダイオードDsとすることがある。また、抵抗R1fと抵抗R1sとを特に区別する必要が無い場合は、単に抵抗R1とすることがある。また、抵抗R2fと抵抗R2sとを特に区別する必要が無い場合は、単に抵抗R2とすることがある。   Hereinafter, the diode Dsf and the diode Dss may be simply referred to as the diode Ds when it is not necessary to distinguish between them. In addition, when there is no need to distinguish between the resistor R1f and the resistor R1s, the resistor R1 may be simply used as the resistor R1. In addition, when there is no need to distinguish between the resistor R2f and the resistor R2s, the resistor R2 may be simply used as the resistor R2.

つまり、制御部26は、ダイオードDs、抵抗R1、抵抗R2の直列回路として構成されている。なお、ダイオードDs、抵抗R1、抵抗R2の配置関係(接続関係)については、種々の変形例を適用できる。変形例については図7Aないし図7Cで説明する。   That is, the control unit 26 is configured as a series circuit of a diode Ds, a resistor R1, and a resistor R2. Note that various modifications can be applied to the arrangement relationship (connection relationship) of the diode Ds, the resistor R1, and the resistor R2. A modification will be described with reference to FIGS. 7A to 7C.

ダイオードDsfは、カソード側がモジュール端子13fへ接続され、アノード側がモジュール端子13sへ接続されている。ダイオードDssは、カソード側がモジュール端子13sへ、アノード側がモジュール端子13tへ接続されている。ダイオードDsに対して抵抗R1および抵抗R2が直列に接続されている。抵抗R1および抵抗R2は、直列に接続されていることから、同一の電流が流れ、抵抗(抵抗値)に応じた電圧降下を生じることから、抵抗値を適宜の値に設定することによって、外部から印加される電圧を所望の比率を有する電圧に分圧することができる。   The diode Dsf has a cathode side connected to the module terminal 13f and an anode side connected to the module terminal 13s. The diode Dss has a cathode side connected to the module terminal 13s and an anode side connected to the module terminal 13t. A resistor R1 and a resistor R2 are connected in series to the diode Ds. Since the resistor R1 and the resistor R2 are connected in series, the same current flows and a voltage drop corresponding to the resistance (resistance value) is generated. Therefore, by setting the resistance value to an appropriate value, Can be divided into a voltage having a desired ratio.

制御部26は、分圧された電圧が出力される分圧端子27を備える。つまり、抵抗R1と抵抗R2との間には、分圧端子27(制御部26fでは分圧端子27f、制御部26sでは分圧端子27s)が接続され、抵抗R1および抵抗R2の抵抗値の比率で定まる分圧電圧Vdを出力する構成とされている。制御部26fでは、分圧端子27fが出力端子とされて分圧電圧Vdfが出力され、制御部26sでは、分圧端子27sが出力端子とされて分圧電圧Vdsが出力される。以下、分圧端子27fと分圧端子27sとを特に区別する必要が無い場合は、単に分圧端子27とすることがある。また、分圧電圧Vdfと分圧電圧Vdsとを特に区別する必要が無い場合は、単に分圧電圧Vdとすることがある。   The control unit 26 includes a voltage dividing terminal 27 that outputs a divided voltage. That is, the voltage dividing terminal 27 (the voltage dividing terminal 27f in the control unit 26f and the voltage dividing terminal 27s in the control unit 26s) is connected between the resistor R1 and the resistor R2, and the ratio of the resistance values of the resistor R1 and the resistor R2 The divided voltage Vd determined by is output. In the control unit 26f, the divided terminal 27f is an output terminal and the divided voltage Vdf is output, and in the control unit 26s, the divided terminal 27s is the output terminal and the divided voltage Vds is output. Hereinafter, when there is no need to distinguish between the voltage dividing terminal 27f and the voltage dividing terminal 27s, the voltage dividing terminal 27 may be simply used. In addition, when it is not necessary to distinguish between the divided voltage Vdf and the divided voltage Vds, the divided voltage Vd may be simply used.

分圧端子27は、制御端子17へ接続されている。分圧端子27fは、制御端子17fへ、分圧端子27sは、制御端子17sへ接続される。したがって、分圧端子27f、分圧端子27sは、それぞれに出力された電位(分圧電圧Vd)によってスイッチング素子16を制御することができる。以下、制御端子17fと制御端子17sとを特に区別する必要が無い場合は、単に制御端子17とすることがある。   The voltage dividing terminal 27 is connected to the control terminal 17. The voltage dividing terminal 27f is connected to the control terminal 17f, and the voltage dividing terminal 27s is connected to the control terminal 17s. Therefore, the voltage dividing terminal 27f and the voltage dividing terminal 27s can control the switching element 16 by the potential (divided voltage Vd) output to each. Hereinafter, when it is not necessary to distinguish between the control terminal 17f and the control terminal 17s, the control terminal 17 may be simply referred to as the control terminal 17.

なお、本実施の形態では、制御部26fの分圧端子27fに出力される分圧電圧Vdfは、太陽電池モジュール11fのモジュール端子13fを基準として設定され、制御部26sの分圧端子27sに出力される分圧電圧Vdsは、太陽電池モジュール11sのモジュール端子13sを基準として設定される。   In the present embodiment, the divided voltage Vdf output to the voltage dividing terminal 27f of the control unit 26f is set with reference to the module terminal 13f of the solar cell module 11f, and is output to the voltage dividing terminal 27s of the control unit 26s. The divided voltage Vds is set with reference to the module terminal 13s of the solar cell module 11s.

また、分圧電圧Vdは、制御端子17に印加される電圧(電位)とスイッチング素子16の動作状態を説明するために便宜上規定するものに過ぎず、他方の抵抗(抵抗R2)側を基準に規定する(太陽電池モジュール11fのモジュール端子13sを基準とし、太陽電池モジュール11sのモジュール端子13tを基準とする)ことも可能である。   The divided voltage Vd is merely defined for convenience in order to explain the voltage (potential) applied to the control terminal 17 and the operating state of the switching element 16, and the other resistor (resistor R2) side is used as a reference. It is also possible to define (based on the module terminal 13s of the solar cell module 11f and the module terminal 13t of the solar cell module 11s).

太陽電池モジュール11fが通常の発電状態の場合、モジュール端子13fとモジュール端子13sとの間の出力電圧Vmfは、モジュール端子13sに対してモジュール端子13fがプラスになる。つまり、モジュール端子13fの電位がモジュール端子13sの電位より高くなるので、ダイオードDsfは逆バイアスされ、直列回路(制御部26f)には電流が流れない。したがって、通常の発電状態では、分圧電圧Vdfとしては、モジュール端子13fの電位に対してモジュール端子13sの電位が出力される。つまり、分圧電圧Vdf(分圧端子27fの電位)は、モジュール端子13fの電位に対してマイナスとなる。   When the solar cell module 11f is in a normal power generation state, the module terminal 13f has a positive output voltage Vmf between the module terminal 13f and the module terminal 13s with respect to the module terminal 13s. That is, since the potential of the module terminal 13f becomes higher than the potential of the module terminal 13s, the diode Dsf is reverse-biased and no current flows through the series circuit (control unit 26f). Therefore, in the normal power generation state, the potential of the module terminal 13s is output as the divided voltage Vdf with respect to the potential of the module terminal 13f. That is, the divided voltage Vdf (potential of the voltage dividing terminal 27f) is negative with respect to the potential of the module terminal 13f.

上述したとおり、スイッチング素子16fはMOS電界効果トランジスタで構成されてあり、MOS電界効果トランジスタのソースは、モジュール端子13fに接続され、ドレインはモジュール端子13sに接続され、ゲート(制御端子17f)は分圧端子27fに接続されている。したがって、通常の発電状態では、ゲートの電位(分圧電圧Vdf:分圧端子27fの電位)は、ソースの電位(モジュール端子13fの電位)に対してマイナスとなり、MOS電界効果トランジスタすなわちスイッチング素子16fは開(オフ)とされ、バイパス電流経路15fは機能しない状態(電流が流れない状態)となる。   As described above, the switching element 16f is composed of a MOS field effect transistor, the source of the MOS field effect transistor is connected to the module terminal 13f, the drain is connected to the module terminal 13s, and the gate (control terminal 17f) is the split terminal. It is connected to the pressure terminal 27f. Therefore, in a normal power generation state, the potential of the gate (divided voltage Vdf: potential of the divided terminal 27f) is negative with respect to the potential of the source (potential of the module terminal 13f), and the MOS field effect transistor, that is, the switching element 16f. Is opened (off), and the bypass current path 15f does not function (a state in which no current flows).

太陽電池モジュール11sが通常の発電状態の場合、モジュール端子13sとモジュール端子13tとの間の出力電圧Vmsは、モジュール端子13tに対してモジュール端子13sがプラスになる。つまり、モジュール端子13sの電位がモジュール端子13tの電位より高くなるので、ダイオードDssは逆バイアスされ、直列回路(制御部26s)には電流が流れない。したがって、通常の発電状態では、分圧電圧Vdsとしては、モジュール端子13sの電位に対してモジュール端子13tの電位が出力される。つまり、分圧電圧Vds(分圧端子27sの電位)は、モジュール端子13sの電位に対してマイナスとなる。   When the solar cell module 11s is in a normal power generation state, the module terminal 13s has a positive output voltage Vms between the module terminal 13s and the module terminal 13t with respect to the module terminal 13t. That is, since the potential of the module terminal 13s is higher than the potential of the module terminal 13t, the diode Dss is reverse-biased and no current flows through the series circuit (control unit 26s). Therefore, in the normal power generation state, the potential of the module terminal 13t is output as the divided voltage Vds with respect to the potential of the module terminal 13s. That is, the divided voltage Vds (potential of the voltage dividing terminal 27s) is negative with respect to the potential of the module terminal 13s.

スイッチング素子16sはMOS電界効果トランジスタで構成されてあり、MOS電界効果トランジスタのソースは、モジュール端子13sに接続され、ドレインはモジュール端子13tに接続され、ゲート(制御端子17s)は分圧端子27sに接続されている。したがって、通常の発電状態では、ゲートの電位(分圧電圧Vds:分圧端子27sの電位)は、ソースの電位(モジュール端子13sの電位)に対してマイナスとなり、MOS電界効果トランジスタすなわちスイッチング素子16sは開(オフ)とされ、バイパス電流経路15sは機能しない状態(電流が流れない状態)となる。   The switching element 16s is composed of a MOS field effect transistor, the source of the MOS field effect transistor is connected to the module terminal 13s, the drain is connected to the module terminal 13t, and the gate (control terminal 17s) is connected to the voltage dividing terminal 27s. It is connected. Therefore, in a normal power generation state, the potential of the gate (divided voltage Vds: potential of the divided terminal 27s) is negative with respect to the source potential (potential of the module terminal 13s), and the MOS field effect transistor, that is, the switching element 16s. Is opened (off), and the bypass current path 15s does not function (a state in which no current flows).

ダイオードDs(ダイオードDsf、ダイオードDss)の逆方向耐圧は、通常の発電状態の出力電圧Vm(出力電圧Vmf、出力電圧Vms)を越える値であれば良い。つまり、ダイオードDsの逆方向耐圧が出力電圧Vmを越える値であれば、ダイオードDsは、逆方向の電流を阻止できるので、制御部26(直列回路)に電流が流れることはない。   The reverse breakdown voltage of the diode Ds (diode Dsf, diode Dss) may be a value that exceeds the output voltage Vm (output voltage Vmf, output voltage Vms) in a normal power generation state. That is, if the reverse breakdown voltage of the diode Ds exceeds the output voltage Vm, the diode Ds can block the reverse current, so that no current flows through the control unit 26 (series circuit).

図6Bは、図6Aに示した太陽光発電システム1でバイパス電流経路15sを導通させて機能させたときの概略ブロック構成を示すブロック図である。   6B is a block diagram showing a schematic block configuration when the bypass current path 15s is made to function by the photovoltaic power generation system 1 shown in FIG. 6A.

基本的な構成は、図6Aと同様であるので、主にバイパス電流経路15s、制御部26sを動作させるときの態様について説明する。なお、バイパス電流経路15f、制御部26fは、バイパス電流経路15s、制御部26sと同様に動作するので、バイパス電流経路15f、制御部26fが動作する場合の説明は省略する。   Since the basic configuration is the same as that in FIG. 6A, a mode when the bypass current path 15s and the control unit 26s are mainly operated will be described. Note that the bypass current path 15f and the control unit 26f operate in the same manner as the bypass current path 15s and the control unit 26s, and thus the description when the bypass current path 15f and the control unit 26f operate is omitted.

太陽光Lsは、影などの発生によって遮光された状態の太陽光Lss(太陽電池モジュール11sに対応した状態を示す。)となることがある。太陽光Lssは、太陽光Lsに比較して遮光された状態を示すために太陽電池モジュール11sの外側でのみ図示されている。以下では、例えば太陽電池モジュール11s(太陽電池セル12s)が遮光されて発電しない状態となった場合について説明する。   The sunlight Ls may become sunlight Lss (showing a state corresponding to the solar cell module 11s) in a state where the sunlight Ls is shielded by generation of a shadow or the like. The sunlight Lss is shown only outside the solar cell module 11s in order to show a state where the sunlight Ls is shielded compared to the sunlight Ls. Below, the case where the solar cell module 11s (solar cell 12s), for example, is shielded from light and does not generate power will be described.

遮光された太陽電池モジュール11s(太陽電池セル12s)は、光電変換ができないことから太陽電池として発電しない。太陽電池として発電(機能)しない状態を示すために、図6Bでは、太陽電池モジュール11s(太陽電池セル12s)は、破線で示されている。   Since the light-shielded solar cell module 11s (solar cell 12s) cannot perform photoelectric conversion, it does not generate power as a solar cell. In order to show a state in which power generation (function) does not occur as a solar cell, the solar cell module 11s (solar cell 12s) is shown by a broken line in FIG. 6B.

通常の発電状態では、上述したとおり、太陽電池モジュール11sのプラス側端子であるモジュール端子13sとマイナス側端子であるモジュール端子13tとの間に出力電圧Vmsが生じる。つまり、通常の発電状態では、モジュール端子13sの電位がモジュール端子13tの電位より高い状態となる。   In a normal power generation state, as described above, the output voltage Vms is generated between the module terminal 13s that is the positive terminal of the solar cell module 11s and the module terminal 13t that is the negative terminal. That is, in a normal power generation state, the potential of the module terminal 13s is higher than the potential of the module terminal 13t.

しかし、遮光されて発電できない状態では、太陽電池モジュール11sは受動回路となる(図1B、図2B参照)。つまり、直列に接続されている他の太陽電池モジュール11(ここでは、太陽電池モジュール11f)の発電によって流れるモジュール群電流Igが流れると太陽電池モジュール11sは抵抗負荷として作用し、モジュール端子13sの電位に対してモジュール端子13tの電位が高くなり、モジュール端子13sとモジュール端子13tとの間の電位差が発電状態の場合に対して逆方向になる。   However, in a state where power generation is not possible due to light shielding, the solar cell module 11s becomes a passive circuit (see FIGS. 1B and 2B). That is, when a module group current Ig flowing by power generation of another solar cell module 11 connected in series (here, the solar cell module 11f) flows, the solar cell module 11s acts as a resistance load, and the potential of the module terminal 13s. On the other hand, the potential of the module terminal 13t becomes higher, and the potential difference between the module terminal 13s and the module terminal 13t is opposite to that in the power generation state.

つまり、非発電状態では、モジュール端子13sに比較してモジュール端子13tが高い電位になり、ダイオードDssは順方向の電流を流す状態となる。したがって、ダイオードDss、抵抗R1s、抵抗R2sの直列回路(制御部26s)には、モジュール端子13sとモジュール端子13tとの間の電位差に応じた電流(分流電流Igb)が流れる。   That is, in the non-power generation state, the module terminal 13t is at a higher potential than the module terminal 13s, and the diode Dss flows a forward current. Therefore, a current (a shunt current Igb) corresponding to the potential difference between the module terminal 13s and the module terminal 13t flows through the series circuit (control unit 26s) of the diode Dss, the resistor R1s, and the resistor R2s.

制御部26s(直列回路)では、分流電流Igbによって抵抗R1s、抵抗R2sでの電圧降下と、ダイオードDssでの順方向電圧降下とが発生し、分圧電圧Vdsが生成される。太陽電池モジュール11sが非発電状態(図6B)の場合の直列回路(制御部26)では、分圧電圧Vdsは、ダイオードDssの順方向電圧降下と抵抗R1sでの電圧降下で定まる値となる。なお、制御部26fについても同様に分圧電圧Vdfを定義することができる。以下、分圧電圧Vdsと分圧電圧Vdfとを特に区別する必要がない場合は、単に分圧電圧Vdとすることがある。   In the control unit 26s (series circuit), a voltage drop at the resistors R1s and R2s and a forward voltage drop at the diode Dss are generated by the shunt current Igb, and a divided voltage Vds is generated. In the series circuit (control unit 26) when the solar cell module 11s is in the non-power generation state (FIG. 6B), the divided voltage Vds is a value determined by the forward voltage drop of the diode Dss and the voltage drop at the resistor R1s. The divided voltage Vdf can be similarly defined for the control unit 26f. Hereinafter, when it is not necessary to distinguish between the divided voltage Vds and the divided voltage Vdf, the divided voltage Vds may be simply referred to as a divided voltage Vd.

分圧電圧Vdsの値がスイッチング素子16sをオン状態(閉状態)とするに十分な値(具体的には、スイッチング素子16s(MOS電界効果トランジスタ)の閾値を越える値)となるように回路設計(素子定数の設定)をすることによって、制御部26sで分圧電圧Vdsを生成する。また、分圧電圧Vdsは、分圧端子27sから制御端子17s(ゲート)へ印加され、スイッチング素子16s(MOS電界効果トランジスタ)をオン(閉)とするので、バイパス電流経路15sが導通状態となる。   The circuit design is such that the value of the divided voltage Vds is a value sufficient to bring the switching element 16s into an on state (closed state) (specifically, a value exceeding the threshold of the switching element 16s (MOS field effect transistor)). By performing (setting element constants), the control unit 26s generates the divided voltage Vds. Further, the divided voltage Vds is applied from the voltage dividing terminal 27s to the control terminal 17s (gate) to turn on (close) the switching element 16s (MOS field effect transistor), so that the bypass current path 15s becomes conductive. .

なお、直列回路(制御部26)を構成する抵抗R1s、抵抗R2s、ダイオードDssの具体的な数値は適宜設定することができる。   In addition, the concrete numerical value of resistance R1s, resistance R2s, and diode Dss which comprise a series circuit (control part 26) can be set suitably.

例えば、分流電流Igbが20mA流れたときに分圧電圧VdsがMOS電界効果トランジスタ(スイッチング素子16)の閾値となってスイッチング素子16がオンとなるように設定する場合、MOS電界効果トランジスタの閾値を例えば2Vとし、簡単のためダイオードDssの順方向電圧を無視して計算すると抵抗R1sに要求される抵抗値は2V/20mA=100Ωとなる。なお、簡単のため抵抗R1と抵抗R2との分圧比を1とすれば、抵抗R2sは、抵抗R1と同一の抵抗値とすることができる。   For example, when the divided voltage Vds is set to be the threshold value of the MOS field effect transistor (switching element 16) and the switching element 16 is turned on when the divided current Igb flows 20 mA, the threshold value of the MOS field effect transistor is set to For example, assuming that the voltage is 2V and the forward voltage of the diode Dss is ignored for simplicity, the resistance value required for the resistor R1s is 2V / 20 mA = 100Ω. For simplicity, if the voltage dividing ratio between the resistor R1 and the resistor R2 is 1, the resistor R2s can have the same resistance value as that of the resistor R1.

つまり、太陽電池モジュール11sが非発電状態になって、分流電流Igb(当初は、過渡的に過渡状態のモジュール群電流Igが分流電流Igbとして流れる)が流れ出し、分流電流Igbが20mAとなったとき、分圧電圧Vdsは2Vを越える(実際には更にダイオードDssの順方向電圧降下が加わる。)。なお、このときのモジュール端子13tとモジュール端子13sとの間の電位差は、抵抗R1での電圧降下(2V)、抵抗R2での電圧降下(2V)、ダイオードDssでの準方向電圧降下(Vf:Vfは例えば0.5V)を加えた値となる。   That is, when the solar cell module 11s enters the non-power generation state, the shunt current Igb (initially, the transient module group current Ig flows as the shunt current Igb) flows out, and the shunt current Igb becomes 20 mA. The divided voltage Vds exceeds 2 V (in practice, a forward voltage drop of the diode Dss is further added). Note that the potential difference between the module terminal 13t and the module terminal 13s at this time is as follows: a voltage drop at the resistor R1 (2V), a voltage drop at the resistor R2 (2V), and a quasi-directional voltage drop at the diode Dss (Vf: For example, Vf is a value obtained by adding 0.5 V).

分流電流Igbが20mAとなって抵抗R1sでの電圧降下が2Vになると、制御端子17sに分圧電圧Vds(2V+0.5V=2.5V)が印加され、スイッチング素子16sが確実にオンされる。スイッチング素子16sがオンとなった後は、バイパス電流経路15sにモジュール群電流Igが流れることから、実施の形態1と同様の作用効果が得られる。   When the shunt current Igb becomes 20 mA and the voltage drop at the resistor R1s becomes 2V, the divided voltage Vds (2V + 0.5V = 2.5V) is applied to the control terminal 17s, and the switching element 16s is reliably turned on. Since the module group current Ig flows through the bypass current path 15s after the switching element 16s is turned on, the same operational effects as those of the first embodiment can be obtained.

分流電流Igbは、スイッチング素子16sがオンとなるまでは、太陽電池モジュール11sが非発電状態のときに太陽電池モジュール群10に流れるモジュール群電流Igが過渡的な状態で流れる。また、スイッチング素子16sがオンとなる直前の状態では、過渡的な状態のモジュール群電流Igがそのまま分流電流Igbとして流れる。   As for the shunt current Igb, the module group current Ig flowing in the solar cell module group 10 flows in a transitional state when the solar cell module 11s is in the non-power generation state until the switching element 16s is turned on. Further, in a state immediately before the switching element 16s is turned on, the module group current Ig in a transient state flows as the shunt current Igb as it is.

スイッチング素子16sがオンとなった後は、分流電流Igbは、モジュール端子13sとモジュール端子13tとの間での電圧に応じてモジュール群電流Igの一部が流れる。つまり、スイッチング素子16sには、モジュール群電流Igから分流電流Igbを引いた値の電流(モジュール群電流Ig−分流電流Igb)が流れる。   After the switching element 16s is turned on, a part of the module group current Ig flows in the shunt current Igb according to the voltage between the module terminal 13s and the module terminal 13t. That is, a current (module group current Ig−divided current Igb) having a value obtained by subtracting the shunt current Igb from the module group current Ig flows through the switching element 16s.

分流電流Igbは、スイッチング素子16sをオンとするために、分圧電圧Vdsを発生させるだけで良いことから、抵抗R(抵抗R1、抵抗R2)での電力消費を抑制できるように小さい値とされている。具体的には、分流電流Igbは、スイッチング素子16sがオン状態に切り替わった後のモジュール群電流Igに対して例えば1/100〜1/500程度(例えば、モジュール群電流Igが8.4Aのとき、分流電流Igbは例えば20mA)とすることができる。   Since the shunt current Igb only needs to generate the divided voltage Vds to turn on the switching element 16s, the shunt current Igb is set to a small value so that power consumption in the resistor R (resistor R1, resistor R2) can be suppressed. ing. Specifically, the shunt current Igb is, for example, about 1/100 to 1/500 of the module group current Ig after the switching element 16s is switched on (for example, when the module group current Ig is 8.4 A). The shunt current Igb can be set to 20 mA, for example.

一旦オン状態にされた後のスイッチング素子16が、オン状態を維持する素子構成とされ、太陽電池モジュール11が通常の発電状態に戻ったときにスイッチング素子16がオフ状態となる素子構成とされている場合は、制御部26(直列回路)の分圧端子27を制御端子17に接続する構成とすることでスイッチング素子16のオンオフ(開閉)を制御することが可能である。   The switching element 16 once turned on is set to an element configuration that maintains the on state, and the switching element 16 is turned off when the solar cell module 11 returns to the normal power generation state. In such a case, it is possible to control the on / off (open / close) of the switching element 16 by connecting the voltage dividing terminal 27 of the control unit 26 (series circuit) to the control terminal 17.

本実施の形態では、スイッチング素子16をMOS電界効果トランジスタ(MIS電界効果トランジスタ)で構成していることから、スイッチング素子16(MOS電界効果トランジスタ)がオン状態となったとき、ソース・ドレイン間電圧は、略0V(例えば、0.1V)となり、ソース・ドレイン間の電圧はそのまま直列回路(制御部26)の両端の電圧(電位差)となる。このときの分圧端子27は、ソース・ドレイン間電圧である略0V(例えば、0.1V)を分圧して出力することから、略0V(0.1V)より小さい値となる。   In this embodiment, since the switching element 16 is composed of a MOS field effect transistor (MIS field effect transistor), when the switching element 16 (MOS field effect transistor) is turned on, the source-drain voltage Is substantially 0 V (for example, 0.1 V), and the voltage between the source and the drain is directly the voltage (potential difference) across the series circuit (control unit 26). At this time, the voltage dividing terminal 27 divides and outputs approximately 0 V (for example, 0.1 V), which is a source-drain voltage, and therefore has a value smaller than approximately 0 V (0.1 V).

つまり、MOS電界効果トランジスタの閾値電圧は、上述したとおり、例えば2Vであることから、スイッチング素子16がオン状態となったとき、ゲート電圧(分圧端子27の電圧、制御端子17の電圧)が閾値より小さくなり、MOS電界効果トランジスタはオフ状態に復帰してしまうことになる。   That is, as described above, the threshold voltage of the MOS field-effect transistor is 2 V, for example. Therefore, when the switching element 16 is turned on, the gate voltage (the voltage at the voltage dividing terminal 27 and the voltage at the control terminal 17) is As a result, the MOS field-effect transistor returns to the off state.

したがって、本実施の形態に係る太陽光発電システム1、スイッチングシステム14では、スイッチング素子16としてMOS電界効果トランジスタ(MIS電界効果トランジスタ)を適用することから、MOS電界効果トランジスタのオン状態を維持する回路(スイッチング素子16をオフからオンに切り替えたときの制御端子17の電位状態を維持する切り替え状態維持回路26c(図8参照))が別途必要となる。説明の便宜上、切り替え状態維持回路26cについては、図8を参照して別途説明する。   Therefore, in the photovoltaic power generation system 1 and the switching system 14 according to the present embodiment, since the MOS field effect transistor (MIS field effect transistor) is applied as the switching element 16, the circuit that maintains the ON state of the MOS field effect transistor. (A switching state maintaining circuit 26c (see FIG. 8) for maintaining the potential state of the control terminal 17 when the switching element 16 is switched from OFF to ON) is separately required. For convenience of explanation, the switching state maintaining circuit 26c will be described separately with reference to FIG.

以上説明したとおり、本実施の形態に係る太陽光発電システム1では、制御部26は、ダイオードDsと2つの抵抗R(抵抗R1、抵抗R2)を直列に接続した直列回路とされて太陽電池モジュール11に並列に接続されてあり、2つの抵抗R1、抵抗R2の間に接続されて太陽電池モジュール11の出力電圧Vmを分圧して出力する分圧端子27を備え、分圧端子27は、スイッチング素子16の制御端子17に接続されている。   As described above, in the photovoltaic power generation system 1 according to the present embodiment, the control unit 26 is a series circuit in which the diode Ds and the two resistors R (resistors R1 and R2) are connected in series, and is a solar cell module. 11 is connected in parallel to the two resistors R1 and R2, and includes a voltage dividing terminal 27 that divides and outputs the output voltage Vm of the solar cell module 11, and the voltage dividing terminal 27 is a switching device. It is connected to the control terminal 17 of the element 16.

したがって、太陽光発電システム1は、ダイオードDsと2つの抵抗R(抵抗R1、抵抗R2)の3素子という簡単な構成の直列回路を制御部26として太陽電池モジュール11と並列に接続することから、太陽電池モジュール11の出力状態を分圧端子27からの信号(分圧電圧Vd)として容易にかつ高精度に抽出できるので、分圧端子27の電位(分圧電圧Vd)に基づいてスイッチング素子16の開閉を容易にかつ高精度に制御することができる。   Therefore, the solar power generation system 1 is connected in parallel with the solar cell module 11 as a control unit 26, which is a series circuit of a simple configuration of three elements of the diode Ds and the two resistors R (resistor R1, resistor R2). Since the output state of the solar cell module 11 can be easily and accurately extracted as a signal (divided voltage Vd) from the voltage dividing terminal 27, the switching element 16 is based on the potential (divided voltage Vd) of the voltage dividing terminal 27. Can be easily and accurately controlled.

また、直列回路とした制御部26を太陽電池モジュール11に並列に接続することから、外部の電源(太陽電池モジュール11以外の電源)を用いずにスイッチング素子16の開閉を制御する信号を直列回路(制御部26)の分圧端子27から出力(分圧電圧Vd)として容易に得ることができる。   Further, since the control unit 26 that is a series circuit is connected to the solar cell module 11 in parallel, a signal for controlling the opening and closing of the switching element 16 without using an external power source (a power source other than the solar cell module 11) is connected to the series circuit. It can be easily obtained as an output (divided voltage Vd) from the voltage dividing terminal 27 of the (control unit 26).

太陽光発電システム1では、スイッチング素子16および制御部26は、単一の配線基板40に実装されて太陽電池モジュール11の出力ボックス60に内蔵されている。したがって、太陽光発電システム1は、スイッチング素子16および制御部26(直列回路)を一つの配線基板40に実装して出力ボックス60へ内蔵するので、太陽電池モジュール11に対するバイパス電流経路15を高機能化することができる。出力ボックス60は、通常は、太陽電池モジュール11の裏面(受光面とは反対側の面)などに配置され、他の太陽電池モジュール11との接続に必要なケーブルが接続されている。   In the solar power generation system 1, the switching element 16 and the control unit 26 are mounted on a single wiring board 40 and are built in the output box 60 of the solar cell module 11. Therefore, since the photovoltaic power generation system 1 mounts the switching element 16 and the control unit 26 (series circuit) on one wiring board 40 and incorporates them in the output box 60, the bypass current path 15 for the solar cell module 11 is highly functional. Can be The output box 60 is normally disposed on the back surface (surface opposite to the light receiving surface) of the solar cell module 11 and the like, and a cable necessary for connection with another solar cell module 11 is connected thereto.

本実施の形態では、実施の形態1と同様、スイッチングシステム14を備えている。本実施の形態では、スイッチングシステム14は、実施の形態1と同様、太陽電池モジュール11(太陽電池モジュール11f、太陽電池モジュール11s)に対応させて2個配置されている。構成は全く同一であるので特に区別することなく単にスイッチングシステム14として説明する。   In the present embodiment, the switching system 14 is provided as in the first embodiment. In the present embodiment, two switching systems 14 are arranged corresponding to the solar cell modules 11 (the solar cell module 11f and the solar cell module 11s) as in the first embodiment. Since the configuration is exactly the same, the switching system 14 will be described without particular distinction.

スイッチングシステム14は、太陽電池モジュール11への適用に限らず、一般的な電流経路のオンオフに対して適用することができる。本実施の形態では、スイッチングシステム14は、バイパス電流経路15、スイッチング素子16、制御部26を備える。実施の形態1でのスイッチングシステム14に対して異なるのは、制御部20の代わりに制御部26を適用していることである。したがって、主に制御部26について説明する。   The switching system 14 is not limited to the application to the solar cell module 11 but can be applied to on / off of a general current path. In the present embodiment, the switching system 14 includes a bypass current path 15, a switching element 16, and a control unit 26. The difference from the switching system 14 in the first embodiment is that a control unit 26 is applied instead of the control unit 20. Therefore, the control unit 26 will be mainly described.

本実施の形態に係るスイッチングシステム14では、制御部26は、ダイオードDsと2つの抵抗(抵抗R1、抵抗R2)を直列に接続した直列回路とされて電流経路(バイパス電流経路15)の両端に並列に接続されてあり、2つの抵抗R1、抵抗R2の間に接続されて太陽電池モジュール11の出力電圧Vmを分圧して出力する分圧端子27を備え、分圧端子27は、スイッチング素子16の制御端子17に接続されている。   In the switching system 14 according to the present embodiment, the control unit 26 is a series circuit in which the diode Ds and two resistors (resistor R1, resistor R2) are connected in series, and is connected to both ends of the current path (bypass current path 15). The voltage dividing terminal 27 is connected in parallel and connected between the two resistors R1 and R2 to divide and output the output voltage Vm of the solar cell module 11, and the voltage dividing terminal 27 is connected to the switching element 16. The control terminal 17 is connected.

したがって、本実施の形態に係るスイッチングシステム14は、ダイオードDsと2つの抵抗R1、抵抗R2の3素子という簡単な構成の直列回路を制御部26として電流経路(バイパス電流経路15)と並列に接続することから、電流経路の両端間の電位状態を分圧端子27からの信号(分圧電圧Vd)として容易にかつ高精度に抽出できるので、分圧端子27の電位(分圧電圧Vd)に基づいてスイッチング素子16の開閉を容易にかつ高精度に制御することができる。   Therefore, the switching system 14 according to the present embodiment is connected in parallel with the current path (bypass current path 15) using the simple circuit series circuit including the diode Ds and the two elements R1 and R2 as the control unit 26. As a result, the potential state between both ends of the current path can be easily and accurately extracted as a signal (divided voltage Vd) from the voltage dividing terminal 27, so that the potential of the voltage dividing terminal 27 (divided voltage Vd) is obtained. Based on this, the opening and closing of the switching element 16 can be easily and accurately controlled.

また、直列回路とした制御部26を電流経路に並列に接続することから、外部の電源(電流経路以外の電源)を用いずにスイッチング素子16の開閉を制御する信号を直列回路(制御部26)の分圧端子27から出力(分圧電圧Vd)として容易に得ることができる。   Further, since the control unit 26 configured as a series circuit is connected in parallel to the current path, a signal for controlling the opening / closing of the switching element 16 without using an external power source (a power source other than the current path) is transmitted to the series circuit (control unit 26). ) Can be easily obtained as an output (divided voltage Vd) from the voltage dividing terminal 27.

なお、本実施の形態では、制御部26sに対する外部からの電源が不要となる(制御対象としてのバイパス電流経路15sの両端に接続するだけで良い)ので、バイパス電流経路15s、スイッチング素子16s、および制御部26sを含む自己動作型(自立型)のバイパス装置25sを個別の装置として抽出することができる。   In the present embodiment, an external power supply is not required for the control unit 26s (it is only necessary to connect to both ends of the bypass current path 15s as a control target), so that the bypass current path 15s, the switching element 16s, The self-operation type (self-standing type) bypass device 25s including the control unit 26s can be extracted as an individual device.

また、制御部26sと同様に制御部26fが配置されている。つまり、本実施の形態では、制御部26fに対する外部からの電源が不要となる(制御対象としてのバイパス電流経路15fの両端に接続するだけで良い)ので、バイパス電流経路15f、スイッチング素子16f、および制御部26fを含む自己動作型(自立型)のバイパス装置25fを個別の装置として抽出することができる。   Further, the control unit 26f is arranged in the same manner as the control unit 26s. That is, in the present embodiment, an external power supply for the control unit 26f is not necessary (it is only necessary to connect to both ends of the bypass current path 15f as a control target), so that the bypass current path 15f, the switching element 16f, The self-acting (self-standing) bypass device 25f including the control unit 26f can be extracted as an individual device.

以下、バイパス装置25fとバイパス装置25sとを特に区別する必要がない場合は、単にバイパス装置25とすることがある。   Hereinafter, when there is no particular need to distinguish between the bypass device 25f and the bypass device 25s, the bypass device 25 may be simply referred to as the bypass device 25.

本実施の形態に係るバイパス装置25は、太陽電池モジュール11の両端に接続されることによってバイパス電流経路15を構成するバイパス装置25であって、バイパス電流経路15の導通および非導通を切り替えるスイッチング素子16と、スイッチング素子16に対応して配置されスイッチング素子16の開閉を制御する制御部26とを備え、制御部26は、ダイオードDsと2つの抵抗R1、抵抗R2を直列に接続した直列回路とされ、太陽電池モジュール11に並列に接続された場合に、2つの抵抗R1、抵抗R2の間から太陽電池モジュール11の出力電圧Vmを分圧して出力する分圧端子27を備えてあり、分圧端子27は、スイッチング素子16の制御端子17に接続されている。   The bypass device 25 according to the present embodiment is a bypass device 25 that configures the bypass current path 15 by being connected to both ends of the solar cell module 11, and is a switching element that switches between conduction and non-conduction of the bypass current path 15. 16 and a control unit 26 that is arranged corresponding to the switching element 16 and controls the opening and closing of the switching element 16. The control unit 26 includes a series circuit in which a diode Ds and two resistors R1 and R2 are connected in series. And a voltage dividing terminal 27 for dividing and outputting the output voltage Vm of the solar cell module 11 from between the two resistors R1 and R2 when connected in parallel to the solar cell module 11. The terminal 27 is connected to the control terminal 17 of the switching element 16.

したがって、本実施の形態に係るバイパス装置25は、ダイオードDsと2つの抵抗R1、抵抗R2の3素子という簡単な構成の直列回路を制御部26として太陽電池モジュール11と並列に接続することから、太陽電池モジュール11の出力状態を分圧端子27からの信号(分圧電圧Vd)として容易にかつ高精度に抽出できるので、分圧端子27の電位(分圧電圧Vd)に基づいてスイッチング素子16の開閉を容易にかつ高精度に制御することができる。   Therefore, the bypass device 25 according to the present embodiment connects a series circuit having a simple configuration of three elements of the diode Ds and the two resistors R1 and R2 in parallel with the solar cell module 11 as the control unit 26. Since the output state of the solar cell module 11 can be easily and accurately extracted as a signal (divided voltage Vd) from the voltage dividing terminal 27, the switching element 16 is based on the potential (divided voltage Vd) of the voltage dividing terminal 27. Can be easily and accurately controlled.

バイパス装置25は、スイッチング素子16、制御部26をバイパス電流経路15の両端に接続するだけで良く、個別の電源も不要であるので、単一の配線基板へ実装することができる。つまり、バイパス装置25は、スイッチング素子16および制御部26は、単一の配線基板40に実装されている。また、単一の配線基板へ実装できることから、単一のパッケージに収納することが可能となり、生産性、信頼性を向上させることができる。   The bypass device 25 only needs to connect the switching element 16 and the control unit 26 to both ends of the bypass current path 15 and does not require a separate power supply, and can be mounted on a single wiring board. That is, in the bypass device 25, the switching element 16 and the control unit 26 are mounted on a single wiring board 40. Further, since it can be mounted on a single wiring board, it can be housed in a single package, and productivity and reliability can be improved.

したがって、本実施の形態に係るバイパス装置25は、スイッチング素子16および制御部26(直列回路)を一つの配線基板40に実装することから、小型化することができるので、太陽電池モジュール11の出力ボックス60への内蔵が容易となる。   Therefore, since the bypass device 25 according to the present embodiment mounts the switching element 16 and the control unit 26 (series circuit) on one wiring board 40, the bypass device 25 can be reduced in size, so that the output of the solar cell module 11 can be reduced. The box 60 can be easily incorporated.

本実施の形態では、配線基板40、出力ボックス60は、太陽電池モジュール11(太陽電池モジュール11f、太陽電池モジュール11s)に対応させて2個配置されている。構成は全く同一であるので特に区別することなく単に配線基板40、出力ボックス60として説明する。   In the present embodiment, two wiring boards 40 and output boxes 60 are arranged corresponding to the solar cell module 11 (solar cell module 11f, solar cell module 11s). Since the configuration is exactly the same, the description will be made simply as the wiring board 40 and the output box 60 without particular distinction.

ブロック図(図6A、図6B)では、モジュール端子13sをバイパス電流経路15f(制御部26f)側と、バイパス電流経路15s(制御部26s)側とで共通に記載している。しかし、配線基板40、出力ボックス60は、太陽電池モジュール11に対して配置されるので、バイパス電流経路15fの側でのモジュール端子13sに対する配線と、バイパス電流経路15sでのモジュール端子13sに対する配線とは、それぞれ独自に配置されることがあるが、図の簡略化のため共通にして記載している。   In the block diagrams (FIGS. 6A and 6B), the module terminal 13s is described in common on the bypass current path 15f (control unit 26f) side and the bypass current path 15s (control unit 26s) side. However, since the wiring board 40 and the output box 60 are arranged with respect to the solar cell module 11, wiring for the module terminal 13s on the bypass current path 15f side and wiring for the module terminal 13s on the bypass current path 15s May be arranged independently, but they are described in common for the sake of simplicity.

図7Aないし図7Cを参照して制御部26(直列回路)の変形例(変形回路例1ないし変形回路例3)について説明する。なお、基本的な構成は図6A、図6Bの場合と同様であるので、主に異なる事項について説明する。   A modified example (modified circuit example 1 to modified circuit example 3) of the control unit 26 (series circuit) will be described with reference to FIGS. 7A to 7C. Since the basic configuration is the same as in the case of FIGS. 6A and 6B, different items will be mainly described.

図7Aは、図6Aに示した太陽光発電システム1での制御部26(直列回路)の変形回路例1を示す回路図である。   FIG. 7A is a circuit diagram showing a modified circuit example 1 of the control unit 26 (series circuit) in the photovoltaic power generation system 1 shown in FIG. 6A.

図7Bは、図6Aに示した太陽光発電システム1での制御部26(直列回路)の変形回路例2を示す回路図である。   FIG. 7B is a circuit diagram illustrating a modified circuit example 2 of the control unit 26 (series circuit) in the photovoltaic power generation system 1 illustrated in FIG. 6A.

図7Cは、図6Aに示した太陽光発電システム1での制御部26(直列回路)の変形回路例3を示す回路図である。   FIG. 7C is a circuit diagram illustrating a modified circuit example 3 of the control unit 26 (series circuit) in the photovoltaic power generation system 1 illustrated in FIG. 6A.

変形回路例1ないし変形回路例3では、説明を簡略化するため、太陽電池モジュール11と制御部26とがそれぞれ1つとして説明する。したがって、2つの太陽電池モジュール11を配置した場合のモジュール端子13f、モジュール端子13s、モジュール端子13tを太陽電池モジュール11が1つの場合に簡略化し、通常の発電状態でプラス側となる端子(モジュール端子13p)とマイナス側となる端子(モジュール端子13m)として示す。つまり、太陽電池モジュール11の通常の発電状態では、モジュール端子13pがプラス側となり、モジュール端子13mがマイナス側となる。なお、「通常の発電状態」とは、バイパス電流経路15およびスイッチング素子16をオン状態(閉状態)とする必要がない状態をいう。   In the modified circuit example 1 to the modified circuit example 3, in order to simplify the description, the solar cell module 11 and the control unit 26 are described as one each. Therefore, the module terminal 13f, the module terminal 13s, and the module terminal 13t when the two solar cell modules 11 are arranged are simplified when the number of the solar cell modules 11 is one, and the terminals (module terminals) that are on the plus side in the normal power generation state 13p) and a negative terminal (module terminal 13m). That is, in the normal power generation state of the solar cell module 11, the module terminal 13p is on the positive side and the module terminal 13m is on the negative side. The “normal power generation state” refers to a state where the bypass current path 15 and the switching element 16 do not need to be turned on (closed state).

制御部26は、モジュール端子13p(例えば、太陽電池モジュール11sに対しては、モジュール端子13sが相当する。)とモジュール端子13m(例えば、太陽電池モジュール11sに対しては、モジュール端子13tが相当する。)との間に接続されている。分圧電圧Vdは、モジュール端子13pに対する分圧端子27の電位(分圧電圧Vd)で画定される。   The control unit 26 includes a module terminal 13p (for example, the module terminal 13s corresponds to the solar cell module 11s) and a module terminal 13m (for example, the module terminal 13t corresponds to the solar cell module 11s). .) Is connected between. The divided voltage Vd is defined by the potential (divided voltage Vd) of the divided terminal 27 with respect to the module terminal 13p.

変形回路例1では、モジュール端子13pの側からモジュール端子13mへ向けて、抵抗R1、ダイオードDs、抵抗R2の順に直列に接続(配置)されて直列回路(制御部26)が形成されている(図6Aと比較してダイオードDsの位置が異なる。)。また、分圧端子27は、抵抗R1とダイオードDs(カソード側)との間から取り出されている。したがって、分圧電圧Vdは、分流電流Igbによる抵抗R1での電圧降下と、分流電流IgbによるダイオードDsでの順方向電圧降下および分流電流Igbによる抵抗R2での電圧降下の和との比率で画定される。   In the modified circuit example 1, a resistor R1, a diode Ds, and a resistor R2 are connected in series in this order from the module terminal 13p side to the module terminal 13m to form a series circuit (control unit 26) ( The position of the diode Ds is different compared to FIG. 6A). The voltage dividing terminal 27 is taken out between the resistor R1 and the diode Ds (cathode side). Therefore, the divided voltage Vd is defined by the ratio between the voltage drop at the resistor R1 due to the shunt current Igb and the sum of the forward voltage drop at the diode Ds due to the shunt current Igb and the voltage drop at the resistor R2 due to the shunt current Igb. Is done.

なお、抵抗R1および抵抗R2による分圧比を図6Aでは、1として説明したが、分流電流Igb、分圧電圧Vd、抵抗R、ダイオードDsの順方向電圧降下を参酌して、適宜分圧比を設定することができる。   Although the voltage dividing ratio by the resistors R1 and R2 has been described as 1 in FIG. 6A, the voltage dividing ratio is set appropriately in consideration of the forward voltage drop of the divided current Igb, the divided voltage Vd, the resistor R, and the diode Ds. can do.

変形回路例2では、モジュール端子13pの側からモジュール端子13mへ向けて、抵抗R1、ダイオードDs、抵抗R2の順に直列に接続(配置)されて直列回路(制御部26)が形成されている(変形回路例1と同様)。また、分圧端子27は、抵抗R1とダイオードDs(アノード側)との間から取り出されている(変形回路例1とは分圧端子27の取り出し位置が異なる。)。したがって、分圧電圧Vdは、分流電流Igbによる抵抗R1での電圧降下および分流電流IgbによるダイオードDsでの順方向電圧降下の和と、分流電流Igbによる抵抗R2での電圧降下との比率で画定される。   In the modified circuit example 2, the resistor R1, the diode Ds, and the resistor R2 are connected in series in this order from the module terminal 13p side to the module terminal 13m to form a series circuit (control unit 26) ( Same as modified circuit example 1). Further, the voltage dividing terminal 27 is taken out from between the resistor R1 and the diode Ds (anode side) (the taking-out position of the voltage dividing terminal 27 is different from the modified circuit example 1). Therefore, the divided voltage Vd is defined by the ratio of the sum of the voltage drop at the resistor R1 due to the shunt current Igb and the forward voltage drop at the diode Ds due to the shunt current Igb and the voltage drop at the resistor R2 due to the shunt current Igb. Is done.

変形回路例3では、モジュール端子13pの側からモジュール端子13mへ向けて、抵抗R1、抵抗R2、ダイオードDsの順に直列に接続(配置)されて直列回路(制御部26)が形成されている(図6A、変形回路例1、変形回路例2に比較してダイオードDsの位置が異なり、ダイオードDsはモジュール端子13mの側に配置されている。)。また、分圧端子27は、抵抗R1と抵抗R2との間から取り出されている(図6Aと同様)。したがって、分圧電圧Vdは、分流電流Igbによる抵抗R1での電圧降下と、分流電流Igbによる抵抗R2での電圧降下および分流電流IgbによるダイオードDsでの順方向電圧降下の和との比率で画定される。   In the modified circuit example 3, the resistor R1, the resistor R2, and the diode Ds are connected (arranged) in order from the module terminal 13p side to the module terminal 13m to form a series circuit (control unit 26) ( 6A, the position of the diode Ds is different from that of the modified circuit example 1 and the modified circuit example 2, and the diode Ds is disposed on the module terminal 13m side. The voltage dividing terminal 27 is taken out from between the resistor R1 and the resistor R2 (similar to FIG. 6A). Therefore, the divided voltage Vd is defined by the ratio of the voltage drop at the resistor R1 due to the shunt current Igb to the sum of the voltage drop at the resistor R2 due to the shunt current Igb and the forward voltage drop at the diode Ds due to the shunt current Igb. Is done.

本実施の形態に係る太陽光発電システム1、スイッチングシステム14は、実施の形態1と同様に作用する。また、バイパス装置25は、上述したとおりに作用する。つまり、図4で説明したとおりの作用効果を奏する。   The photovoltaic power generation system 1 and the switching system 14 according to the present embodiment operate in the same manner as in the first embodiment. Further, the bypass device 25 operates as described above. That is, there exists an effect as demonstrated in FIG.

図8は、図6Aに示した太陽光発電システム1での制御部26の更に具体的な回路例を示す回路図である。   FIG. 8 is a circuit diagram showing a more specific circuit example of the control unit 26 in the photovoltaic power generation system 1 shown in FIG. 6A.

上述したとおり、本実施の形態では、スイッチング素子16は、MOS電界効果トランジスタ(MIS電界効果トランジスタ)で構成されている。したがって、スイッチング素子16がオン状態(閉状態)となったとき、太陽電池モジュール11の両端での電位差がスイッチング素子16のオン電圧と等しくなる。一般的に、MOS電界効果トランジスタのオン電圧は略0V(例えば、0.1V)と極めて低い値となる。つまり、スイッチング素子16をオン状態へ切り替えるときに作用した分圧電圧Vdが低下してスイッチング素子16(MOS電界効果トランジスタ)の閾値より小さくなり、スイッチング素子16が再度オフになる。したがって、スイッチング素子16のオン状態を維持するための回路(切り替え状態維持回路26c)が必要となる場合について説明する。   As described above, in the present embodiment, the switching element 16 is configured by a MOS field effect transistor (MIS field effect transistor). Therefore, when the switching element 16 is turned on (closed state), the potential difference between both ends of the solar cell module 11 becomes equal to the on voltage of the switching element 16. In general, the on-voltage of a MOS field effect transistor is a very low value of approximately 0 V (for example, 0.1 V). That is, the divided voltage Vd that has acted when switching the switching element 16 to the on state is reduced to be smaller than the threshold value of the switching element 16 (MOS field effect transistor), and the switching element 16 is turned off again. Therefore, a case where a circuit (switching state maintaining circuit 26c) for maintaining the ON state of the switching element 16 is required will be described.

スイッチング素子16、制御部26(ダイオードDs、抵抗R1、抵抗R2の直列回路)は、上述したとおりであるので適宜説明を省略することがある。   Since the switching element 16 and the control unit 26 (series circuit of the diode Ds, the resistor R1, and the resistor R2) are as described above, description thereof may be omitted as appropriate.

制御部26は、分圧端子27と制御端子17との間に切り替え状態維持回路26cを備える。切り替え状態維持回路26cは、アノードが分圧端子27に接続され、カソードが制御端子17に接続されたダイオードDcと、一端が制御端子17に接続され、他端が太陽電池モジュール11の発電状態でプラス側となるモジュール端子13pに接続されたコンデンサCgとを備える。   The control unit 26 includes a switching state maintaining circuit 26 c between the voltage dividing terminal 27 and the control terminal 17. The switching state maintaining circuit 26 c has a diode Dc having an anode connected to the voltage dividing terminal 27, a cathode connected to the control terminal 17, one end connected to the control terminal 17, and the other end in the power generation state of the solar cell module 11. And a capacitor Cg connected to the module terminal 13p on the positive side.

スイッチング素子16がオフ状態からオン状態へ切り替わるとき、分流電流Igbが制御部26へ流れるが、分流電流Igbの一部は、ダイオードDcを介してコンデンサCgへ流れ、コンデンサCgを充電する。充電によってコンデンサCgの充電電圧は、分圧電圧Vdと等しい充電電圧Vh(維持電圧)となる。なお、実際には、ダイオードDcの順方向電圧Vfが介在するから、分圧電圧Vd=充電電圧Vh+Vfとなる。充電電圧Vhがスイッチング素子16(MOS電界効果トランジスタ)の閾値以上になれば、スイッチング素子16はオフ状態からオン状態へスイッチングされる。   When the switching element 16 switches from the off state to the on state, the shunt current Igb flows to the control unit 26, but a part of the shunt current Igb flows to the capacitor Cg via the diode Dc, and charges the capacitor Cg. As a result of the charging, the charging voltage of the capacitor Cg becomes a charging voltage Vh (maintenance voltage) equal to the divided voltage Vd. Actually, since the forward voltage Vf of the diode Dc is interposed, the divided voltage Vd = charge voltage Vh + Vf. When the charging voltage Vh becomes equal to or higher than the threshold value of the switching element 16 (MOS field effect transistor), the switching element 16 is switched from the off state to the on state.

スイッチング素子16がオフ状態からオン状態へ切り替わるとスイッチング素子16の両端の電位差(モジュール端子13pとモジュール端子13mとの間の電位差)は略0V(例えば、0.1V)となる。したがって、分圧電圧Vdは、スイッチング素子16の両端の電位差を分圧することから、略0V(例えば、0.1V)以下となる。このとき、制御端子17と分圧端子27との間に接続されたダイオードDcは、逆バイアスの状態となることから、略0Vの分圧電圧Vdに対して制御端子17は、充電電圧Vhを維持することができる。なお、ダイオードDcの逆耐圧は、受電電圧Vhより大きいことが必要である。   When the switching element 16 is switched from the off state to the on state, the potential difference between both ends of the switching element 16 (potential difference between the module terminal 13p and the module terminal 13m) becomes approximately 0V (for example, 0.1V). Therefore, the divided voltage Vd is approximately 0 V (for example, 0.1 V) or less because the potential difference between both ends of the switching element 16 is divided. At this time, since the diode Dc connected between the control terminal 17 and the voltage dividing terminal 27 is in a reverse bias state, the control terminal 17 supplies the charging voltage Vh to the divided voltage Vd of approximately 0V. Can be maintained. Note that the reverse withstand voltage of the diode Dc needs to be larger than the power reception voltage Vh.

切り替え状態維持回路26cは、コンデンサCgに蓄積された充電電荷によって、スイッチング素子16をオフからオンへ切り替えたときの電位(充電電圧Vh)を確保することが可能となるので、制御端子17の電位状態(制御端子17に印加される電圧つまり充電電圧Vh)を維持することが可能となる。つまり、切り替え状態維持回路26cは、ダイオードDcの順方向で分圧端子27の電位(分圧電圧Vd)に応じた充電をコンデンサCgに対して実行し、コンデンサCgに充電された電荷の放電をダイオードDcの逆方向耐圧によって防止する。したがって、切り替え状態維持回路26cは、コンデンサCgの充電電圧Vhを高精度に維持して制御端子17の電位状態を維持することができる。   Since the switching state maintaining circuit 26c can secure the potential (charging voltage Vh) when the switching element 16 is switched from OFF to ON by the charge accumulated in the capacitor Cg, the potential of the control terminal 17 can be secured. The state (the voltage applied to the control terminal 17, that is, the charging voltage Vh) can be maintained. That is, the switching state maintaining circuit 26c performs charging on the capacitor Cg according to the potential (divided voltage Vd) of the voltage dividing terminal 27 in the forward direction of the diode Dc, and discharges the charge charged in the capacitor Cg. This is prevented by the reverse breakdown voltage of the diode Dc. Therefore, the switching state maintaining circuit 26c can maintain the potential state of the control terminal 17 by maintaining the charging voltage Vh of the capacitor Cg with high accuracy.

つまり、スイッチング素子16がオフからオンへ切り替わったことによる分圧電圧Vdの低下による影響(充電電圧Vhと分圧電圧Vdとの電位差の発生による影響)は、ダイオードDcの逆方向耐圧によって無視することが可能となり、コンデンサCgの充電電荷はそのまま維持されるので、スイッチング素子16のオン状態を維持することができる。換言すれば、ダイオードDcおよびコンデンサCgで構成された切り替え状態維持回路26cは、スイッチング素子16をオフからオンに切り替えたときの制御端子17の電位状態を維持するので、スイッチング素子16のオン状態を維持することができる。   That is, the influence caused by the decrease in the divided voltage Vd due to the switching element 16 switching from OFF to ON (the influence caused by the potential difference between the charging voltage Vh and the divided voltage Vd) is ignored by the reverse withstand voltage of the diode Dc. Since the charge of the capacitor Cg is maintained as it is, the ON state of the switching element 16 can be maintained. In other words, the switching state maintaining circuit 26c configured by the diode Dc and the capacitor Cg maintains the potential state of the control terminal 17 when the switching element 16 is switched from OFF to ON. Can be maintained.

なお、制御部26は、切り替え状態維持回路26cに加えて更に放電用ダイオードDdcを備える。放電用ダイオードDdcは、アノードを制御端子17に接続され、カソードをモジュール端子13mに接続されている。   The control unit 26 further includes a discharging diode Ddc in addition to the switching state maintaining circuit 26c. The discharge diode Ddc has an anode connected to the control terminal 17 and a cathode connected to the module terminal 13m.

したがって、コンデンサCgが充電電圧Vhで充電された状態で、太陽電池モジュール11が通常の発電状態へ復帰し、モジュール端子13pがモジュール端子13mに対してプラスとなったとき、コンデンサCgに充電された電荷は、放電用ダイオードDdcによってモジュール端子13mへ放電される。つまり、切り替え状態維持回路26cは、放電用ダイオードDdcが配置されていることから、コンデンサCgの充電電荷を確実に放電し、安定した信頼性の高い切り替えを実行することができる。   Therefore, when the solar cell module 11 returns to the normal power generation state with the capacitor Cg charged with the charging voltage Vh, and the module terminal 13p becomes positive with respect to the module terminal 13m, the capacitor Cg is charged. The electric charge is discharged to the module terminal 13m by the discharging diode Ddc. That is, the switching state maintaining circuit 26c is provided with the discharging diode Ddc, so that the charged charge of the capacitor Cg can be surely discharged and stable switching with high reliability can be executed.

上述したとおり、本実施の形態に係るバイパス装置25において、制御部26は、分圧端子27と制御端子17との間に配置されてスイッチング素子16をオフからオンに切り替えたときの制御端子17の電位状態を維持する切り替え状態維持回路26cを備える。   As described above, in the bypass device 25 according to the present embodiment, the control unit 26 is disposed between the voltage dividing terminal 27 and the control terminal 17 and the control terminal 17 when the switching element 16 is switched from OFF to ON. The switching state maintaining circuit 26c is maintained.

したがって、バイパス装置25は、スイッチング素子16がオフからオンに切り替わったことによって、制御部26に印加される電圧(分圧電圧Vd)が低減した場合でも、制御端子17の電位状態(信号状態。制御端子17に印加される電圧)を維持するので、スイッチング素子16のオン状態を維持することができる。   Therefore, the bypass device 25 has the potential state (signal state) of the control terminal 17 even when the voltage (divided voltage Vd) applied to the control unit 26 is reduced due to the switching element 16 being switched from OFF to ON. Since the voltage applied to the control terminal 17 is maintained, the ON state of the switching element 16 can be maintained.

また、切り替え状態維持回路26cは、アノードが分圧端子27に接続され、カソードが制御端子17に接続されたダイオードDcと、一端が制御端子17に接続され、他端が太陽電池モジュール11の発電状態でプラス側となるモジュール端子13pに接続されたコンデンサCgとを備える。   The switching state maintaining circuit 26c has a diode Dc whose anode is connected to the voltage dividing terminal 27, cathode is connected to the control terminal 17, one end is connected to the control terminal 17, and the other end is a power generator of the solar cell module 11. And a capacitor Cg connected to the module terminal 13p on the plus side in the state.

したがって、バイパス装置25は、スイッチング素子16をオフからオンに切り替えたことによって制御部26に加わる電圧が低下した場合でも、ダイオードDcとコンデンサCgという簡単な組み合わせで制御端子17の電位状態(制御端子17に印加される電圧。スイッチング素子16に対する制御用の入力信号)をコンデンサCgへの充電電圧Vhによって維持できるので、スイッチング素子16のオン状態を簡単に維持することができる。   Therefore, even when the voltage applied to the control unit 26 is reduced by switching the switching element 16 from OFF to ON, the bypass device 25 can be configured with a simple combination of the diode Dc and the capacitor Cg (control terminal 17 Since the voltage applied to the switching element 16 can be maintained by the charging voltage Vh applied to the capacitor Cg, the ON state of the switching element 16 can be easily maintained.

なお、制御部26は、アノードがコンデンサCgの一端に接続され、カソードが太陽電池モジュール11の発電状態でマイナス側となるモジュール端子13mに接続された放電用ダイオードDdcを備える。   The control unit 26 includes a discharge diode Ddc whose anode is connected to one end of the capacitor Cg and whose cathode is connected to the module terminal 13m that is on the negative side in the power generation state of the solar cell module 11.

したがって、バイパス装置25は、太陽電池モジュール11が発電状態となったとき、コンデンサCgに蓄積された充電電荷を放電用ダイオードDdcでマイナス側のモジュール端子13mへ放電するから、コンデンサCgを初期状態(スイッチング素子16がオフ状態でのコンデンサCgの状態)に戻すことができ、安定した切り替え状態維持回路26cを実現することができる。   Therefore, when the solar cell module 11 is in a power generation state, the bypass device 25 discharges the charge stored in the capacitor Cg to the negative module terminal 13m by the discharging diode Ddc, so that the capacitor Cg is in the initial state ( The switching element 16 can be returned to the state of the capacitor Cg when the switching element 16 is off, and a stable switching state maintaining circuit 26c can be realized.

なお、図8に示した切り替え状態維持回路26c、放電用ダイオードDdcは、図7Aないし図7Cの変形回路例1ないし変形回路例3に対しても同様に適用できる。   The switching state maintaining circuit 26c and the discharging diode Ddc shown in FIG. 8 can be similarly applied to the modified circuit examples 1 to 3 in FIGS. 7A to 7C.

1 太陽光発電システム
10 太陽電池モジュール群
11、11f、11s 太陽電池モジュール
12、12f、12s 太陽電池セル
13f、13s、13t モジュール端子(スイッチングシステムでの第1端子、第2端子)
14 スイッチングシステム
15、15f、15s バイパス電流経路(スイッチングシステムでの電流経路)
16、16f、16s スイッチング素子(MIS電界効果トランジスタ)
17、17f、17s 制御端子
20、20f、20s 制御部(比較器)
21、21f、21s 入力端子(第1入力端子)
22、22f、22s 入力端子(第2入力端子)
23、23f、23s 出力端子
25、25f、25s バイパス装置
26、26f、26s 制御部(直列回路)
26c 切り替え状態維持回路
27、27f、27s 分圧端子
30 DC/DCコンバータ
31 入力端
32 出力端
40 配線基板
60 出力ボックス
Cg コンデンサ
Dc ダイオード
Ddc 放電用ダイオード
Di ダイオード
Ds、Dsf、Dss ダイオード(直列回路)
Ic 発電電流
Ig モジュール群電流
Igb 分流電流
Iph 光電変換電流源
Ls、Lss 太陽光
PCf、PCs、PCt 電力特性曲線
R1、R1f、R1s、R2、R2f、R2s 抵抗
RAf、RAs、RAt、RAtc、RAbpd 矩形電力面積
Rs 直列抵抗
Rsh 並列抵抗
Vc 発電電圧
Vd、Vdf、Vds 分圧電圧
Vg、Vs 出力電圧
Vh 受電電圧
Vm、Vmf、Vms 出力電圧(スイッチングシステムでの電流経路の両端間の電圧)
DESCRIPTION OF SYMBOLS 1 Photovoltaic power generation system 10 Solar cell module group 11, 11f, 11s Solar cell module 12, 12f, 12s Solar cell 13f, 13s, 13t Module terminal (The 1st terminal in a switching system, 2nd terminal)
14 Switching system 15, 15f, 15s Bypass current path (current path in switching system)
16, 16f, 16s switching element (MIS field effect transistor)
17, 17f, 17s Control terminal 20, 20f, 20s Control unit (comparator)
21, 21f, 21s Input terminal (first input terminal)
22, 22f, 22s Input terminal (second input terminal)
23, 23f, 23s Output terminal 25, 25f, 25s Bypass device 26, 26f, 26s Control unit (series circuit)
26c switching state maintaining circuit 27, 27f, 27s voltage dividing terminal 30 DC / DC converter 31 input terminal 32 output terminal 40 wiring board 60 output box Cg capacitor Dc diode Ddc discharging diode Di diode Ds, Dsf, Dss diode (series circuit)
Ic Power generation current Ig Module group current Igb Shunt current Iph Photoelectric conversion current source Ls, Lss Sunlight PCf, PCs, PCt Power characteristic curve R1, R1f, R1s, R2, R2f, R2s Resistance RAf, RAs, RAt, RAtc, RAbpd Rectangle Power area Rs Series resistance Rsh Parallel resistance Vc Generated voltage Vd, Vdf, Vds Divided voltage Vg, Vs Output voltage Vh Received voltage Vm, Vmf, Vms Output voltage (voltage across the current path in the switching system)

Claims (17)

複数の太陽電池セルを直列に接続した太陽電池モジュールが複数直列に接続された太陽電池モジュール群と、それぞれの前記太陽電池モジュールに並列に接続され前記太陽電池モジュールの出力電圧が予め特定された特定電圧より小さいときに前記太陽電池モジュール群に流れるモジュール群電流をバイパスさせるバイパス電流経路と、前記太陽電池モジュール群から出力された電力を直流−直流変換するDC/DCコンバータとを備えた太陽光発電システムであって、
それぞれの前記バイパス電流経路に配置されて前記バイパス電流経路の導通および非導通を切り替えるスイッチング素子と、前記スイッチング素子のそれぞれに対応して配置され前記スイッチング素子の開閉を制御する制御部とを備え、
前記制御部は、前記出力電圧が前記特定電圧より小さくなったとき、前記スイッチング素子を開から閉に切り替えて前記バイパス電流経路を導通させる構成とされていること
を特徴とする太陽光発電システム。
A plurality of solar cell modules in which a plurality of solar cells are connected in series, and a specification in which the output voltage of the solar cell module connected in parallel to each of the solar cell modules is specified in advance Photovoltaic power generation comprising a bypass current path for bypassing a module group current flowing in the solar cell module group when the voltage is smaller than a voltage, and a DC / DC converter for DC-DC conversion of the power output from the solar cell module group A system,
A switching element that is arranged in each of the bypass current paths and switches between conduction and non-conduction of the bypass current path, and a control unit that is arranged corresponding to each of the switching elements and controls opening and closing of the switching elements,
When the output voltage becomes smaller than the specific voltage, the control unit is configured to switch the switching element from open to closed and to conduct the bypass current path.
請求項1に記載の太陽光発電システムであって、
前記制御部は、前記太陽電池モジュールに接続されて前記出力電圧が入力される入力端子と、前記スイッチング素子の制御端子に接続され前記スイッチング素子の開閉を制御する出力端子とを備える比較器で構成されていること
を特徴とする太陽光発電システム。
The photovoltaic power generation system according to claim 1,
The control unit is configured by a comparator having an input terminal connected to the solar cell module and receiving the output voltage, and an output terminal connected to the control terminal of the switching element and controlling opening and closing of the switching element. A solar power generation system characterized by
請求項1または請求項2に記載の太陽光発電システムであって、
前記制御部の電源は、前記DC/DCコンバータから供給されること
を特徴とする太陽光発電システム。
The photovoltaic power generation system according to claim 1 or 2,
The photovoltaic power generation system characterized in that power of the control unit is supplied from the DC / DC converter.
請求項1から請求項3までのいずれか一つに記載の太陽光発電システムであって、
前記スイッチング素子は、MIS電界効果トランジスタであること
を特徴とする太陽光発電システム。
The solar power generation system according to any one of claims 1 to 3,
The photovoltaic power generation system, wherein the switching element is a MIS field effect transistor.
電流経路に配置されて前記電流経路の導通および非導通を切り替えるスイッチング素子と、前記スイッチング素子の開閉を制御する制御部とを備えるスイッチングシステムであって、
前記制御部は、前記電流経路の両端間の電圧に基づいて前記スイッチング素子の開閉を制御する構成とされていること
を特徴とするスイッチングシステム。
A switching system comprising a switching element that is arranged in a current path and switches between conduction and non-conduction of the current path, and a control unit that controls opening and closing of the switching element,
The switching system, wherein the control unit is configured to control opening and closing of the switching element based on a voltage between both ends of the current path.
請求項5に記載のスイッチングシステムであって、
前記制御部は、第1入力端子、第2入力端子、および出力端子を備えた比較器であり、
前記第1入力端子は、前記電流経路の第1端子に接続され、前記第2入力端子は、前記電流経路の第2端子に接続され、
前記出力端子は、前記スイッチング素子の制御端子に接続されていること
を特徴とするスイッチングシステム。
A switching system according to claim 5, wherein
The control unit is a comparator having a first input terminal, a second input terminal, and an output terminal;
The first input terminal is connected to a first terminal of the current path; the second input terminal is connected to a second terminal of the current path;
The switching system, wherein the output terminal is connected to a control terminal of the switching element.
請求項6に記載のスイッチングシステムであって、
前記スイッチング素子は、MIS電界効果トランジスタであり、前記MIS電界効果トランジスタのソースは前記第1端子に接続され、前記MIS電界効果トランジスタのドレインは前記第2端子に接続され、前記MIS電界効果トランジスタのゲートは前記制御端子として前記出力端子に接続されていること
を特徴とするスイッチングシステム。
The switching system according to claim 6,
The switching element is a MIS field effect transistor, a source of the MIS field effect transistor is connected to the first terminal, a drain of the MIS field effect transistor is connected to the second terminal, and A gate is connected to the output terminal as the control terminal.
請求項5から請求項7までのいずれか一つに記載のスイッチングシステムであって、
前記制御部は、外部に配置された外部電源から電源電力を供給されること
を特徴とするスイッチングシステム。
A switching system according to any one of claims 5 to 7,
The control unit is supplied with power from an external power supply disposed outside. The switching system.
請求項8に記載のスイッチングシステムであって、
前記外部電源は、太陽電池モジュールの出力をDC/DC変換するDC/DCコンバータの出力であること
を特徴とするスイッチングシステム。
A switching system according to claim 8, comprising:
The switching system according to claim 1, wherein the external power source is an output of a DC / DC converter that performs DC / DC conversion on an output of the solar cell module.
請求項1に記載の太陽光発電システムであって、
前記制御部は、ダイオードと2つの抵抗を直列に接続した直列回路とされて前記太陽電池モジュールに並列に接続されてあり、前記2つの抵抗の間に接続されて前記太陽電池モジュールの出力電圧を分圧して出力する分圧端子を備え、
前記分圧端子は、前記スイッチング素子の制御端子に接続されていること
を特徴とする太陽光発電システム。
The photovoltaic power generation system according to claim 1,
The control unit is a series circuit in which a diode and two resistors are connected in series and is connected in parallel to the solar cell module, and is connected between the two resistors to output the output voltage of the solar cell module. It has a voltage dividing terminal that divides and outputs,
The solar power generation system, wherein the voltage dividing terminal is connected to a control terminal of the switching element.
請求項10に記載の太陽光発電システムであって、
前記スイッチング素子および前記制御部は、単一の配線基板に実装されて前記太陽電池モジュールの出力ボックスに内蔵されていること
を特徴とする太陽光発電システム。
The solar power generation system according to claim 10,
The photovoltaic power generation system, wherein the switching element and the control unit are mounted on a single wiring board and built in an output box of the solar cell module.
請求項5に記載のスイッチングシステムであって、
前記制御部は、ダイオードと2つの抵抗を直列に接続した直列回路とされて前記電流経路の前記両端に並列に接続されてあり、前記2つの抵抗の間に接続されて前記太陽電池モジュールの出力電圧を分圧して出力する分圧端子を備え、
前記分圧端子は、前記スイッチング素子の制御端子に接続されていること
を特徴とするスイッチングシステム。
A switching system according to claim 5, wherein
The control unit is a series circuit in which a diode and two resistors are connected in series, and is connected in parallel to both ends of the current path, and is connected between the two resistors to output the solar cell module. It has a voltage dividing terminal that divides the voltage and outputs it,
The voltage dividing terminal is connected to a control terminal of the switching element.
太陽電池モジュールの両端に接続されることによってバイパス電流経路を構成するバイパス装置であって、
前記バイパス電流経路の導通および非導通を切り替えるスイッチング素子と、前記スイッチング素子に対応して配置され前記スイッチング素子の開閉を制御する制御部とを備え、
前記制御部は、ダイオードと2つの抵抗を直列に接続した直列回路とされ、前記太陽電池モジュールに並列に接続された場合に、前記2つの抵抗の間から前記太陽電池モジュールの出力電圧を分圧して出力する分圧端子を備えてあり、
前記分圧端子は、前記スイッチング素子の制御端子に接続されていること
を特徴とするバイパス装置。
A bypass device that forms a bypass current path by being connected to both ends of a solar cell module,
A switching element that switches between conduction and non-conduction of the bypass current path, and a control unit that is arranged corresponding to the switching element and controls opening and closing of the switching element,
The control unit is a series circuit in which a diode and two resistors are connected in series, and when connected in parallel to the solar cell module, the control unit divides the output voltage of the solar cell module from between the two resistors. Voltage divider terminal to output
The bypass device, wherein the voltage dividing terminal is connected to a control terminal of the switching element.
請求項13に記載のバイパス装置であって、
前記制御部は、前記分圧端子と前記制御端子との間に配置されて前記スイッチング素子をオフからオンに切り替えたときの前記制御端子の電位状態を維持する切り替え状態維持回路を備えることを特徴とするバイパス装置。
The bypass device according to claim 13,
The control unit includes a switching state maintaining circuit that is disposed between the voltage dividing terminal and the control terminal and maintains a potential state of the control terminal when the switching element is switched from OFF to ON. Bypass device.
請求項14に記載のバイパス装置であって、
前記切り替え状態維持回路は、アノードが前記分圧端子に接続され、カソードが前記制御端子に接続されたダイオードと、一端が前記制御端子に接続され、他端が前記太陽電池モジュールの発電状態でプラス側となるモジュール端子に接続されたコンデンサとを備えることを特徴とするバイパス装置。
The bypass device according to claim 14,
The switching state maintaining circuit includes a diode having an anode connected to the voltage dividing terminal, a cathode connected to the control terminal, one end connected to the control terminal, and the other end positive in the power generation state of the solar cell module. And a capacitor connected to the module terminal on the side.
請求項15に記載のバイパス装置であって、
前記制御部は、アノードが前記コンデンサの前記一端に接続され、カソードが前記太陽電池モジュールの発電状態でマイナス側となるモジュール端子に接続された放電用ダイオードを備えることを特徴とするバイパス装置。
The bypass device according to claim 15,
The bypass device comprising: a discharge diode having an anode connected to the one end of the capacitor and a cathode connected to a negative module terminal in a power generation state of the solar cell module.
請求項13から請求項16までのいずれか一つに記載のバイパス装置であって、
前記スイッチング素子および前記制御部は、単一の配線基板に実装されていること
を特徴とするバイパス装置。
The bypass device according to any one of claims 13 to 16, comprising:
The bypass device, wherein the switching element and the control unit are mounted on a single wiring board.
JP2011085327A 2011-02-04 2011-04-07 Photovoltaic power generation system, switching system, and bypass device Expired - Fee Related JP5626798B2 (en)

Priority Applications (1)

Application Number Priority Date Filing Date Title
JP2011085327A JP5626798B2 (en) 2011-02-04 2011-04-07 Photovoltaic power generation system, switching system, and bypass device

Applications Claiming Priority (3)

Application Number Priority Date Filing Date Title
JP2011023143 2011-02-04
JP2011023143 2011-02-04
JP2011085327A JP5626798B2 (en) 2011-02-04 2011-04-07 Photovoltaic power generation system, switching system, and bypass device

Publications (2)

Publication Number Publication Date
JP2012178535A true JP2012178535A (en) 2012-09-13
JP5626798B2 JP5626798B2 (en) 2014-11-19

Family

ID=46980177

Family Applications (1)

Application Number Title Priority Date Filing Date
JP2011085327A Expired - Fee Related JP5626798B2 (en) 2011-02-04 2011-04-07 Photovoltaic power generation system, switching system, and bypass device

Country Status (1)

Country Link
JP (1) JP5626798B2 (en)

Cited By (62)

* Cited by examiner, † Cited by third party
Publication number Priority date Publication date Assignee Title
KR101432017B1 (en) * 2013-05-07 2014-08-22 (주) 주암전기통신 control device for PV System
CN104052393A (en) * 2013-03-15 2014-09-17 太阳能安吉科技有限公司 bypass mechanism
KR101462642B1 (en) * 2013-03-29 2014-11-25 한서대학교 산학협력단 Solar photovoltaic system and method for reducing the power losses in partial shade
CN104821783A (en) * 2015-06-02 2015-08-05 福建卓翼能源科技发展有限公司 Method for improving power generation efficiency of photovoltaic plant, and device thereof
JP2015216827A (en) * 2014-05-07 2015-12-03 照宥能源科技股▲ふん▼有限公司 Sun-light shielding circuit
JP2016135016A (en) * 2015-01-20 2016-07-25 日東工業株式会社 Photovoltaic power generation system
JP2017502490A (en) * 2013-12-17 2017-01-19 サンパワー コーポレイション Voltage clipping
US9680304B2 (en) 2006-12-06 2017-06-13 Solaredge Technologies Ltd. Method for distributed power harvesting using DC power sources
US9812984B2 (en) 2012-01-30 2017-11-07 Solaredge Technologies Ltd. Maximizing power in a photovoltaic distributed power system
US9831824B2 (en) 2007-12-05 2017-11-28 SolareEdge Technologies Ltd. Current sensing on a MOSFET
US9853538B2 (en) 2007-12-04 2017-12-26 Solaredge Technologies Ltd. Distributed power harvesting systems using DC power sources
US9853565B2 (en) 2012-01-30 2017-12-26 Solaredge Technologies Ltd. Maximized power in a photovoltaic distributed power system
US9853490B2 (en) 2006-12-06 2017-12-26 Solaredge Technologies Ltd. Distributed power system using direct current power sources
US9866098B2 (en) 2011-01-12 2018-01-09 Solaredge Technologies Ltd. Serially connected inverters
US9869701B2 (en) 2009-05-26 2018-01-16 Solaredge Technologies Ltd. Theft detection and prevention in a power generation system
US9876430B2 (en) 2008-03-24 2018-01-23 Solaredge Technologies Ltd. Zero voltage switching
US9923516B2 (en) 2012-01-30 2018-03-20 Solaredge Technologies Ltd. Photovoltaic panel circuitry
US9935458B2 (en) 2010-12-09 2018-04-03 Solaredge Technologies Ltd. Disconnection of a string carrying direct current power
US9948233B2 (en) 2006-12-06 2018-04-17 Solaredge Technologies Ltd. Distributed power harvesting systems using DC power sources
US9960731B2 (en) 2006-12-06 2018-05-01 Solaredge Technologies Ltd. Pairing of components in a direct current distributed power generation system
US9966766B2 (en) 2006-12-06 2018-05-08 Solaredge Technologies Ltd. Battery power delivery module
US10007288B2 (en) 2012-03-05 2018-06-26 Solaredge Technologies Ltd. Direct current link circuit
US10061957B2 (en) 2016-03-03 2018-08-28 Solaredge Technologies Ltd. Methods for mapping power generation installations
US10116217B2 (en) 2007-08-06 2018-10-30 Solaredge Technologies Ltd. Digital average input current control in power converter
US10184965B2 (en) 2006-12-06 2019-01-22 Solaredge Technologies Ltd. Monitoring of distributed power harvesting systems using DC power sources
US10230310B2 (en) 2016-04-05 2019-03-12 Solaredge Technologies Ltd Safety switch for photovoltaic systems
US10396662B2 (en) 2011-09-12 2019-08-27 Solaredge Technologies Ltd Direct current link circuit
US10461687B2 (en) 2008-12-04 2019-10-29 Solaredge Technologies Ltd. Testing of a photovoltaic panel
US10468878B2 (en) 2008-05-05 2019-11-05 Solaredge Technologies Ltd. Direct current power combiner
CN110582919A (en) * 2017-05-05 2019-12-17 昕诺飞控股有限公司 Power conversion system and method
US10599113B2 (en) 2016-03-03 2020-03-24 Solaredge Technologies Ltd. Apparatus and method for determining an order of power devices in power generation systems
US10637393B2 (en) 2006-12-06 2020-04-28 Solaredge Technologies Ltd. Distributed power harvesting systems using DC power sources
JP2020074661A (en) * 2018-08-17 2020-05-14 ソーラーエッジ テクノロジーズ リミテッド Bypass circuit and method for bypassing power module within power system
US10673229B2 (en) 2010-11-09 2020-06-02 Solaredge Technologies Ltd. Arc detection and prevention in a power generation system
US10673222B2 (en) 2010-11-09 2020-06-02 Solaredge Technologies Ltd. Arc detection and prevention in a power generation system
JP2020114174A (en) * 2019-01-15 2020-07-27 ソーラーエッジ テクノロジーズ リミテッド Safety switch for photovoltaic systems
US10778025B2 (en) 2013-03-14 2020-09-15 Solaredge Technologies Ltd. Method and apparatus for storing and depleting energy
CN111817341A (en) * 2020-06-24 2020-10-23 深圳市禾望电气股份有限公司 A bypass device for grid connection test
US10931228B2 (en) 2010-11-09 2021-02-23 Solaredge Technologies Ftd. Arc detection and prevention in a power generation system
US10931119B2 (en) 2012-01-11 2021-02-23 Solaredge Technologies Ltd. Photovoltaic module
US11018623B2 (en) 2016-04-05 2021-05-25 Solaredge Technologies Ltd. Safety switch for photovoltaic systems
US11031861B2 (en) 2006-12-06 2021-06-08 Solaredge Technologies Ltd. System and method for protection during inverter shutdown in distributed power installations
US11081608B2 (en) 2016-03-03 2021-08-03 Solaredge Technologies Ltd. Apparatus and method for determining an order of power devices in power generation systems
US11177663B2 (en) 2016-04-05 2021-11-16 Solaredge Technologies Ltd. Chain of power devices
US11177768B2 (en) 2012-06-04 2021-11-16 Solaredge Technologies Ltd. Integrated photovoltaic panel circuitry
JP2022002466A (en) * 2017-03-29 2022-01-06 ソーラーエッジ テクノロジーズ リミテッド Heat dissipation for solar junction box
US11264947B2 (en) 2007-12-05 2022-03-01 Solaredge Technologies Ltd. Testing of a photovoltaic panel
US11296650B2 (en) 2006-12-06 2022-04-05 Solaredge Technologies Ltd. System and method for protection during inverter shutdown in distributed power installations
US11309832B2 (en) 2006-12-06 2022-04-19 Solaredge Technologies Ltd. Distributed power harvesting systems using DC power sources
US11569660B2 (en) 2006-12-06 2023-01-31 Solaredge Technologies Ltd. Distributed power harvesting systems using DC power sources
US11569659B2 (en) 2006-12-06 2023-01-31 Solaredge Technologies Ltd. Distributed power harvesting systems using DC power sources
US11579235B2 (en) 2006-12-06 2023-02-14 Solaredge Technologies Ltd. Safety mechanisms, wake up and shutdown methods in distributed power installations
US11687112B2 (en) 2006-12-06 2023-06-27 Solaredge Technologies Ltd. Distributed power harvesting systems using DC power sources
US11728768B2 (en) 2006-12-06 2023-08-15 Solaredge Technologies Ltd. Pairing of components in a direct current distributed power generation system
US11735910B2 (en) 2006-12-06 2023-08-22 Solaredge Technologies Ltd. Distributed power system using direct current power sources
US11855231B2 (en) 2006-12-06 2023-12-26 Solaredge Technologies Ltd. Distributed power harvesting systems using DC power sources
US11881814B2 (en) 2005-12-05 2024-01-23 Solaredge Technologies Ltd. Testing of a photovoltaic panel
US11888387B2 (en) 2006-12-06 2024-01-30 Solaredge Technologies Ltd. Safety mechanisms, wake up and shutdown methods in distributed power installations
US12057807B2 (en) 2016-04-05 2024-08-06 Solaredge Technologies Ltd. Chain of power devices
JP2025036129A (en) * 2023-08-31 2025-03-14 蘇州同泰新能源科技股▲フン▼有限公司 Photovoltaic assembly control device
US12395068B2 (en) 2017-03-29 2025-08-19 Solaredge Technologies Ltd. Bypass circuit and method to bypass power modules in power system
US12418177B2 (en) 2009-10-24 2025-09-16 Solaredge Technologies Ltd. Distributed power system using direct current power sources

Citations (6)

* Cited by examiner, † Cited by third party
Publication number Priority date Publication date Assignee Title
JPS5953425U (en) * 1982-09-30 1984-04-07 株式会社東芝 solar power generator
JPS59225415A (en) * 1983-06-06 1984-12-18 Toshiba Corp Power supply controller
JP2000174308A (en) * 1998-12-01 2000-06-23 Toshiba Corp Photovoltaic power generation module
JP2000269531A (en) * 1999-01-14 2000-09-29 Canon Inc Solar cell module, building material with solar cell module, solar cell module enclosure, and solar power generation device
JP2007059423A (en) * 2005-08-22 2007-03-08 National Institute Of Advanced Industrial & Technology Photovoltaic power generation control device
JP2008546183A (en) * 2005-05-24 2008-12-18 フラウンホーファーゲゼルシャフト ツール フォルデルング デル アンゲヴァンテン フォルシユング エー.フアー. Protection circuit device for solar cell module

Patent Citations (6)

* Cited by examiner, † Cited by third party
Publication number Priority date Publication date Assignee Title
JPS5953425U (en) * 1982-09-30 1984-04-07 株式会社東芝 solar power generator
JPS59225415A (en) * 1983-06-06 1984-12-18 Toshiba Corp Power supply controller
JP2000174308A (en) * 1998-12-01 2000-06-23 Toshiba Corp Photovoltaic power generation module
JP2000269531A (en) * 1999-01-14 2000-09-29 Canon Inc Solar cell module, building material with solar cell module, solar cell module enclosure, and solar power generation device
JP2008546183A (en) * 2005-05-24 2008-12-18 フラウンホーファーゲゼルシャフト ツール フォルデルング デル アンゲヴァンテン フォルシユング エー.フアー. Protection circuit device for solar cell module
JP2007059423A (en) * 2005-08-22 2007-03-08 National Institute Of Advanced Industrial & Technology Photovoltaic power generation control device

Cited By (145)

* Cited by examiner, † Cited by third party
Publication number Priority date Publication date Assignee Title
US11881814B2 (en) 2005-12-05 2024-01-23 Solaredge Technologies Ltd. Testing of a photovoltaic panel
US10184965B2 (en) 2006-12-06 2019-01-22 Solaredge Technologies Ltd. Monitoring of distributed power harvesting systems using DC power sources
US11476799B2 (en) 2006-12-06 2022-10-18 Solaredge Technologies Ltd. Distributed power harvesting systems using DC power sources
US12281919B2 (en) 2006-12-06 2025-04-22 Solaredge Technologies Ltd. Monitoring of distributed power harvesting systems using DC power sources
US12276997B2 (en) 2006-12-06 2025-04-15 Solaredge Technologies Ltd. Distributed power harvesting systems using DC power sources
US12224706B2 (en) 2006-12-06 2025-02-11 Solaredge Technologies Ltd. Pairing of components in a direct current distributed power generation system
US12107417B2 (en) 2006-12-06 2024-10-01 Solaredge Technologies Ltd. Distributed power harvesting systems using DC power sources
US9680304B2 (en) 2006-12-06 2017-06-13 Solaredge Technologies Ltd. Method for distributed power harvesting using DC power sources
US12068599B2 (en) 2006-12-06 2024-08-20 Solaredge Technologies Ltd. System and method for protection during inverter shutdown in distributed power installations
US12046940B2 (en) 2006-12-06 2024-07-23 Solaredge Technologies Ltd. Battery power control
US12032080B2 (en) 2006-12-06 2024-07-09 Solaredge Technologies Ltd. Safety mechanisms, wake up and shutdown methods in distributed power installations
US11043820B2 (en) 2006-12-06 2021-06-22 Solaredge Technologies Ltd. Battery power delivery module
US12027849B2 (en) 2006-12-06 2024-07-02 Solaredge Technologies Ltd. Distributed power system using direct current power sources
US9853490B2 (en) 2006-12-06 2017-12-26 Solaredge Technologies Ltd. Distributed power system using direct current power sources
US12027970B2 (en) 2006-12-06 2024-07-02 Solaredge Technologies Ltd. Safety mechanisms, wake up and shutdown methods in distributed power installations
US11962243B2 (en) 2006-12-06 2024-04-16 Solaredge Technologies Ltd. Method for distributed power harvesting using DC power sources
US11961922B2 (en) 2006-12-06 2024-04-16 Solaredge Technologies Ltd. Distributed power harvesting systems using DC power sources
US11888387B2 (en) 2006-12-06 2024-01-30 Solaredge Technologies Ltd. Safety mechanisms, wake up and shutdown methods in distributed power installations
US12388492B2 (en) 2006-12-06 2025-08-12 Solaredge Technologies Ltd. Safety mechanisms, wake up and shutdown methods in distributed power installations
US9948233B2 (en) 2006-12-06 2018-04-17 Solaredge Technologies Ltd. Distributed power harvesting systems using DC power sources
US9960731B2 (en) 2006-12-06 2018-05-01 Solaredge Technologies Ltd. Pairing of components in a direct current distributed power generation system
US9966766B2 (en) 2006-12-06 2018-05-08 Solaredge Technologies Ltd. Battery power delivery module
US11855231B2 (en) 2006-12-06 2023-12-26 Solaredge Technologies Ltd. Distributed power harvesting systems using DC power sources
US11735910B2 (en) 2006-12-06 2023-08-22 Solaredge Technologies Ltd. Distributed power system using direct current power sources
US11728768B2 (en) 2006-12-06 2023-08-15 Solaredge Technologies Ltd. Pairing of components in a direct current distributed power generation system
US12316274B2 (en) 2006-12-06 2025-05-27 Solaredge Technologies Ltd. Pairing of components in a direct current distributed power generation system
US10097007B2 (en) 2006-12-06 2018-10-09 Solaredge Technologies Ltd. Method for distributed power harvesting using DC power sources
US11594882B2 (en) 2006-12-06 2023-02-28 Solaredge Technologies Ltd. Distributed power harvesting systems using DC power sources
US11687112B2 (en) 2006-12-06 2023-06-27 Solaredge Technologies Ltd. Distributed power harvesting systems using DC power sources
US10230245B2 (en) 2006-12-06 2019-03-12 Solaredge Technologies Ltd Battery power delivery module
US11682918B2 (en) 2006-12-06 2023-06-20 Solaredge Technologies Ltd. Battery power delivery module
US11658482B2 (en) 2006-12-06 2023-05-23 Solaredge Technologies Ltd. Distributed power harvesting systems using DC power sources
US11598652B2 (en) 2006-12-06 2023-03-07 Solaredge Technologies Ltd. Monitoring of distributed power harvesting systems using DC power sources
US10447150B2 (en) 2006-12-06 2019-10-15 Solaredge Technologies Ltd. Distributed power harvesting systems using DC power sources
US11063440B2 (en) 2006-12-06 2021-07-13 Solaredge Technologies Ltd. Method for distributed power harvesting using DC power sources
US11594881B2 (en) 2006-12-06 2023-02-28 Solaredge Technologies Ltd. Distributed power harvesting systems using DC power sources
US11031861B2 (en) 2006-12-06 2021-06-08 Solaredge Technologies Ltd. System and method for protection during inverter shutdown in distributed power installations
US11183922B2 (en) 2006-12-06 2021-11-23 Solaredge Technologies Ltd. Distributed power harvesting systems using DC power sources
US11594880B2 (en) 2006-12-06 2023-02-28 Solaredge Technologies Ltd. Distributed power harvesting systems using DC power sources
US11579235B2 (en) 2006-12-06 2023-02-14 Solaredge Technologies Ltd. Safety mechanisms, wake up and shutdown methods in distributed power installations
US11575260B2 (en) 2006-12-06 2023-02-07 Solaredge Technologies Ltd. Distributed power harvesting systems using DC power sources
US10637393B2 (en) 2006-12-06 2020-04-28 Solaredge Technologies Ltd. Distributed power harvesting systems using DC power sources
US11575261B2 (en) 2006-12-06 2023-02-07 Solaredge Technologies Ltd. Distributed power harvesting systems using DC power sources
US11569659B2 (en) 2006-12-06 2023-01-31 Solaredge Technologies Ltd. Distributed power harvesting systems using DC power sources
US11569660B2 (en) 2006-12-06 2023-01-31 Solaredge Technologies Ltd. Distributed power harvesting systems using DC power sources
US10673253B2 (en) 2006-12-06 2020-06-02 Solaredge Technologies Ltd. Battery power delivery module
US11309832B2 (en) 2006-12-06 2022-04-19 Solaredge Technologies Ltd. Distributed power harvesting systems using DC power sources
US11296650B2 (en) 2006-12-06 2022-04-05 Solaredge Technologies Ltd. System and method for protection during inverter shutdown in distributed power installations
US10116217B2 (en) 2007-08-06 2018-10-30 Solaredge Technologies Ltd. Digital average input current control in power converter
US10516336B2 (en) 2007-08-06 2019-12-24 Solaredge Technologies Ltd. Digital average input current control in power converter
US11594968B2 (en) 2007-08-06 2023-02-28 Solaredge Technologies Ltd. Digital average input current control in power converter
US9853538B2 (en) 2007-12-04 2017-12-26 Solaredge Technologies Ltd. Distributed power harvesting systems using DC power sources
US11264947B2 (en) 2007-12-05 2022-03-01 Solaredge Technologies Ltd. Testing of a photovoltaic panel
US11183923B2 (en) 2007-12-05 2021-11-23 Solaredge Technologies Ltd. Parallel connected inverters
US11183969B2 (en) 2007-12-05 2021-11-23 Solaredge Technologies Ltd. Testing of a photovoltaic panel
US11894806B2 (en) 2007-12-05 2024-02-06 Solaredge Technologies Ltd. Testing of a photovoltaic panel
US9979280B2 (en) 2007-12-05 2018-05-22 Solaredge Technologies Ltd. Parallel connected inverters
US11693080B2 (en) 2007-12-05 2023-07-04 Solaredge Technologies Ltd. Parallel connected inverters
US10644589B2 (en) 2007-12-05 2020-05-05 Solaredge Technologies Ltd. Parallel connected inverters
US9831824B2 (en) 2007-12-05 2017-11-28 SolareEdge Technologies Ltd. Current sensing on a MOSFET
US12055647B2 (en) 2007-12-05 2024-08-06 Solaredge Technologies Ltd. Parallel connected inverters
US9876430B2 (en) 2008-03-24 2018-01-23 Solaredge Technologies Ltd. Zero voltage switching
US11424616B2 (en) 2008-05-05 2022-08-23 Solaredge Technologies Ltd. Direct current power combiner
US12218498B2 (en) 2008-05-05 2025-02-04 Solaredge Technologies Ltd. Direct current power combiner
US10468878B2 (en) 2008-05-05 2019-11-05 Solaredge Technologies Ltd. Direct current power combiner
US10461687B2 (en) 2008-12-04 2019-10-29 Solaredge Technologies Ltd. Testing of a photovoltaic panel
US11867729B2 (en) 2009-05-26 2024-01-09 Solaredge Technologies Ltd. Theft detection and prevention in a power generation system
US12306215B2 (en) 2009-05-26 2025-05-20 Solaredge Technologies Ltd. Theft detection and prevention in a power generation system
US10969412B2 (en) 2009-05-26 2021-04-06 Solaredge Technologies Ltd. Theft detection and prevention in a power generation system
US9869701B2 (en) 2009-05-26 2018-01-16 Solaredge Technologies Ltd. Theft detection and prevention in a power generation system
US12418177B2 (en) 2009-10-24 2025-09-16 Solaredge Technologies Ltd. Distributed power system using direct current power sources
US11070051B2 (en) 2010-11-09 2021-07-20 Solaredge Technologies Ltd. Arc detection and prevention in a power generation system
US10673222B2 (en) 2010-11-09 2020-06-02 Solaredge Technologies Ltd. Arc detection and prevention in a power generation system
US10673229B2 (en) 2010-11-09 2020-06-02 Solaredge Technologies Ltd. Arc detection and prevention in a power generation system
US11349432B2 (en) 2010-11-09 2022-05-31 Solaredge Technologies Ltd. Arc detection and prevention in a power generation system
US12003215B2 (en) 2010-11-09 2024-06-04 Solaredge Technologies Ltd. Arc detection and prevention in a power generation system
US11489330B2 (en) 2010-11-09 2022-11-01 Solaredge Technologies Ltd. Arc detection and prevention in a power generation system
US12407158B2 (en) 2010-11-09 2025-09-02 Solaredge Technologies Ltd. Arc detection and prevention in a power generation system
US10931228B2 (en) 2010-11-09 2021-02-23 Solaredge Technologies Ftd. Arc detection and prevention in a power generation system
US11271394B2 (en) 2010-12-09 2022-03-08 Solaredge Technologies Ltd. Disconnection of a string carrying direct current power
US12295184B2 (en) 2010-12-09 2025-05-06 Solaredge Technologies Ltd. Disconnection of a string carrying direct current power
US9935458B2 (en) 2010-12-09 2018-04-03 Solaredge Technologies Ltd. Disconnection of a string carrying direct current power
US11996488B2 (en) 2010-12-09 2024-05-28 Solaredge Technologies Ltd. Disconnection of a string carrying direct current power
US12218505B2 (en) 2011-01-12 2025-02-04 Solaredge Technologies Ltd. Serially connected inverters
US10666125B2 (en) 2011-01-12 2020-05-26 Solaredge Technologies Ltd. Serially connected inverters
US9866098B2 (en) 2011-01-12 2018-01-09 Solaredge Technologies Ltd. Serially connected inverters
US11205946B2 (en) 2011-01-12 2021-12-21 Solaredge Technologies Ltd. Serially connected inverters
US10396662B2 (en) 2011-09-12 2019-08-27 Solaredge Technologies Ltd Direct current link circuit
US10931119B2 (en) 2012-01-11 2021-02-23 Solaredge Technologies Ltd. Photovoltaic module
US11979037B2 (en) 2012-01-11 2024-05-07 Solaredge Technologies Ltd. Photovoltaic module
US11183968B2 (en) 2012-01-30 2021-11-23 Solaredge Technologies Ltd. Photovoltaic panel circuitry
US12191668B2 (en) 2012-01-30 2025-01-07 Solaredge Technologies Ltd. Maximizing power in a photovoltaic distributed power system
US11620885B2 (en) 2012-01-30 2023-04-04 Solaredge Technologies Ltd. Photovoltaic panel circuitry
US10381977B2 (en) 2012-01-30 2019-08-13 Solaredge Technologies Ltd Photovoltaic panel circuitry
US10992238B2 (en) 2012-01-30 2021-04-27 Solaredge Technologies Ltd. Maximizing power in a photovoltaic distributed power system
US10608553B2 (en) 2012-01-30 2020-03-31 Solaredge Technologies Ltd. Maximizing power in a photovoltaic distributed power system
US9812984B2 (en) 2012-01-30 2017-11-07 Solaredge Technologies Ltd. Maximizing power in a photovoltaic distributed power system
US12094306B2 (en) 2012-01-30 2024-09-17 Solaredge Technologies Ltd. Photovoltaic panel circuitry
US9923516B2 (en) 2012-01-30 2018-03-20 Solaredge Technologies Ltd. Photovoltaic panel circuitry
US9853565B2 (en) 2012-01-30 2017-12-26 Solaredge Technologies Ltd. Maximized power in a photovoltaic distributed power system
US11929620B2 (en) 2012-01-30 2024-03-12 Solaredge Technologies Ltd. Maximizing power in a photovoltaic distributed power system
US10007288B2 (en) 2012-03-05 2018-06-26 Solaredge Technologies Ltd. Direct current link circuit
US12218628B2 (en) 2012-06-04 2025-02-04 Solaredge Technologies Ltd. Integrated photovoltaic panel circuitry
US11177768B2 (en) 2012-06-04 2021-11-16 Solaredge Technologies Ltd. Integrated photovoltaic panel circuitry
US12255457B2 (en) 2013-03-14 2025-03-18 Solaredge Technologies Ltd. Method and apparatus for storing and depleting energy
US10778025B2 (en) 2013-03-14 2020-09-15 Solaredge Technologies Ltd. Method and apparatus for storing and depleting energy
US12003107B2 (en) 2013-03-14 2024-06-04 Solaredge Technologies Ltd. Method and apparatus for storing and depleting energy
US12132125B2 (en) 2013-03-15 2024-10-29 Solaredge Technologies Ltd. Bypass mechanism
US9819178B2 (en) 2013-03-15 2017-11-14 Solaredge Technologies Ltd. Bypass mechanism
CN104052393A (en) * 2013-03-15 2014-09-17 太阳能安吉科技有限公司 bypass mechanism
US11424617B2 (en) 2013-03-15 2022-08-23 Solaredge Technologies Ltd. Bypass mechanism
US10651647B2 (en) 2013-03-15 2020-05-12 Solaredge Technologies Ltd. Bypass mechanism
KR101462642B1 (en) * 2013-03-29 2014-11-25 한서대학교 산학협력단 Solar photovoltaic system and method for reducing the power losses in partial shade
KR101432017B1 (en) * 2013-05-07 2014-08-22 (주) 주암전기통신 control device for PV System
US10211631B2 (en) 2013-12-17 2019-02-19 Enphase Energy, Inc. Voltage clipping
JP2017502490A (en) * 2013-12-17 2017-01-19 サンパワー コーポレイション Voltage clipping
JP2015216827A (en) * 2014-05-07 2015-12-03 照宥能源科技股▲ふん▼有限公司 Sun-light shielding circuit
JP2016135016A (en) * 2015-01-20 2016-07-25 日東工業株式会社 Photovoltaic power generation system
CN104821783A (en) * 2015-06-02 2015-08-05 福建卓翼能源科技发展有限公司 Method for improving power generation efficiency of photovoltaic plant, and device thereof
US10540530B2 (en) 2016-03-03 2020-01-21 Solaredge Technologies Ltd. Methods for mapping power generation installations
US10599113B2 (en) 2016-03-03 2020-03-24 Solaredge Technologies Ltd. Apparatus and method for determining an order of power devices in power generation systems
US11824131B2 (en) 2016-03-03 2023-11-21 Solaredge Technologies Ltd. Apparatus and method for determining an order of power devices in power generation systems
US11081608B2 (en) 2016-03-03 2021-08-03 Solaredge Technologies Ltd. Apparatus and method for determining an order of power devices in power generation systems
US11538951B2 (en) 2016-03-03 2022-12-27 Solaredge Technologies Ltd. Apparatus and method for determining an order of power devices in power generation systems
US10061957B2 (en) 2016-03-03 2018-08-28 Solaredge Technologies Ltd. Methods for mapping power generation installations
US12224365B2 (en) 2016-03-03 2025-02-11 Solaredge Technologies Ltd. Apparatus and method for determining an order of power devices in power generation systems
US11177663B2 (en) 2016-04-05 2021-11-16 Solaredge Technologies Ltd. Chain of power devices
US12057807B2 (en) 2016-04-05 2024-08-06 Solaredge Technologies Ltd. Chain of power devices
US11201476B2 (en) 2016-04-05 2021-12-14 Solaredge Technologies Ltd. Photovoltaic power device and wiring
US11870250B2 (en) 2016-04-05 2024-01-09 Solaredge Technologies Ltd. Chain of power devices
US10230310B2 (en) 2016-04-05 2019-03-12 Solaredge Technologies Ltd Safety switch for photovoltaic systems
US11018623B2 (en) 2016-04-05 2021-05-25 Solaredge Technologies Ltd. Safety switch for photovoltaic systems
US12348182B2 (en) 2016-04-05 2025-07-01 Solaredge Technologies Ltd. Safety switch for photovoltaic systems
US12199561B2 (en) 2017-03-29 2025-01-14 Solaredge Technologies Ltd. Heat dissipation for a photovoltaic junction box
JP7210667B2 (en) 2017-03-29 2023-01-23 ソーラーエッジ テクノロジーズ リミテッド Heat dissipation for solar junction box
US11777444B2 (en) 2017-03-29 2023-10-03 Solaredge Technologies Ltd. Heat dissipation for a photovoltaic junction box
JP2022002466A (en) * 2017-03-29 2022-01-06 ソーラーエッジ テクノロジーズ リミテッド Heat dissipation for solar junction box
US12395068B2 (en) 2017-03-29 2025-08-19 Solaredge Technologies Ltd. Bypass circuit and method to bypass power modules in power system
CN110582919A (en) * 2017-05-05 2019-12-17 昕诺飞控股有限公司 Power conversion system and method
JP2020074661A (en) * 2018-08-17 2020-05-14 ソーラーエッジ テクノロジーズ リミテッド Bypass circuit and method for bypassing power module within power system
JP2020114174A (en) * 2019-01-15 2020-07-27 ソーラーエッジ テクノロジーズ リミテッド Safety switch for photovoltaic systems
CN111817341A (en) * 2020-06-24 2020-10-23 深圳市禾望电气股份有限公司 A bypass device for grid connection test
JP2025036129A (en) * 2023-08-31 2025-03-14 蘇州同泰新能源科技股▲フン▼有限公司 Photovoltaic assembly control device
JP7711277B2 (en) 2023-08-31 2025-07-22 蘇州同泰新能源科技股▲フン▼有限公司 Photovoltaic assembly control device
US12456871B2 (en) 2023-08-31 2025-10-28 Suzhou Ukt New Energy Technology Co., Ltd. Photovoltaic component control device

Also Published As

Publication number Publication date
JP5626798B2 (en) 2014-11-19

Similar Documents

Publication Publication Date Title
JP5626798B2 (en) Photovoltaic power generation system, switching system, and bypass device
US8058855B2 (en) Direct current converter
JP4584024B2 (en) Discharge prevention circuit and electronic device provided with the discharge prevention circuit
US8508963B2 (en) Step-down switching regulator capable of providing high-speed response with compact structure
US8649141B2 (en) By-pass diode structure for strings of series connected cells of a photovoltaic panel
US8604757B2 (en) DC/DC power conversion apparatus
US8723564B2 (en) Driving circuit
JP5458739B2 (en) Electrostatic protection circuit, operation control method of electrostatic protection circuit, switching regulator using electrostatic protection circuit, and electrostatic protection method of switching regulator
US8368375B2 (en) Switching regulator with transient control function and control circuit and method therefor
US8547074B2 (en) Sequential switching shunt regulator cell with non-redundant rectifier
US9276467B2 (en) Control circuit for DC-DC converter, DC-DC converter, and control method of DC-DC converter
CN213846230U (en) Overcurrent protection circuit
US20160187905A1 (en) Circuit for generating stepped-down voltage
US10056837B2 (en) DC-DC converter and power source device
KR20170049177A (en) Bidirectional non-isolation dc-dc converter including precharge circuit
US8339052B2 (en) Power supply apparatus and method for AMOLED
US20070030616A1 (en) Electronic trip device provided with a power supply circuit comprising voltage raising means and circuit breaker comprising one such trip device
US10389109B2 (en) Overvoltage protection circuit and overvoltage protection control method
US20200335982A1 (en) Battery with switched accumulators
JP7274944B2 (en) DC link system
JP7117493B2 (en) Grid-connected system
US9697961B2 (en) Photovoltaic bypass switching
US12444924B2 (en) DC-DC converter
US20080265671A1 (en) Voltage Converter for Converting a Voltage to Multiple Output Voltages and Method of Operating Said Voltage Converter
JP4293197B2 (en) DC power supply holding circuit

Legal Events

Date Code Title Description
A621 Written request for application examination

Free format text: JAPANESE INTERMEDIATE CODE: A621

Effective date: 20140319

A977 Report on retrieval

Free format text: JAPANESE INTERMEDIATE CODE: A971007

Effective date: 20140709

A131 Notification of reasons for refusal

Free format text: JAPANESE INTERMEDIATE CODE: A131

Effective date: 20140715

A521 Request for written amendment filed

Free format text: JAPANESE INTERMEDIATE CODE: A523

Effective date: 20140808

TRDD Decision of grant or rejection written
A01 Written decision to grant a patent or to grant a registration (utility model)

Free format text: JAPANESE INTERMEDIATE CODE: A01

Effective date: 20140902

A61 First payment of annual fees (during grant procedure)

Free format text: JAPANESE INTERMEDIATE CODE: A61

Effective date: 20140924

R150 Certificate of patent or registration of utility model

Ref document number: 5626798

Country of ref document: JP

Free format text: JAPANESE INTERMEDIATE CODE: R150

LAPS Cancellation because of no payment of annual fees