DE102008057874A1 - Switch circuit for a photo-voltaic assembly, at a current circuit, has a mechanical switch and a second electronic switch - Google Patents
Switch circuit for a photo-voltaic assembly, at a current circuit, has a mechanical switch and a second electronic switch Download PDFInfo
- Publication number
- DE102008057874A1 DE102008057874A1 DE102008057874A DE102008057874A DE102008057874A1 DE 102008057874 A1 DE102008057874 A1 DE 102008057874A1 DE 102008057874 A DE102008057874 A DE 102008057874A DE 102008057874 A DE102008057874 A DE 102008057874A DE 102008057874 A1 DE102008057874 A1 DE 102008057874A1
- Authority
- DE
- Germany
- Prior art keywords
- switching
- switching element
- voltage
- electronic
- circuit
- Prior art date
- Legal status (The legal status is an assumption and is not a legal conclusion. Google has not performed a legal analysis and makes no representation as to the accuracy of the status listed.)
- Ceased
Links
- 239000003990 capacitor Substances 0.000 claims abstract description 10
- 238000000034 method Methods 0.000 claims description 9
- 238000000926 separation method Methods 0.000 abstract description 4
- 238000011017 operating method Methods 0.000 description 3
- 238000010586 diagram Methods 0.000 description 2
- 238000003466 welding Methods 0.000 description 2
- 230000006378 damage Effects 0.000 description 1
- 230000003111 delayed effect Effects 0.000 description 1
- 238000010891 electric arc Methods 0.000 description 1
- 230000005611 electricity Effects 0.000 description 1
- 230000003628 erosive effect Effects 0.000 description 1
- 238000010438 heat treatment Methods 0.000 description 1
- 230000013011 mating Effects 0.000 description 1
- 230000002028 premature Effects 0.000 description 1
Classifications
-
- H—ELECTRICITY
- H01—ELECTRIC ELEMENTS
- H01H—ELECTRIC SWITCHES; RELAYS; SELECTORS; EMERGENCY PROTECTIVE DEVICES
- H01H9/00—Details of switching devices, not covered by groups H01H1/00 - H01H7/00
- H01H9/54—Circuit arrangements not adapted to a particular application of the switching device and for which no provision exists elsewhere
- H01H9/541—Contacts shunted by semiconductor devices
-
- H—ELECTRICITY
- H10—SEMICONDUCTOR DEVICES; ELECTRIC SOLID-STATE DEVICES NOT OTHERWISE PROVIDED FOR
- H10F—INORGANIC SEMICONDUCTOR DEVICES SENSITIVE TO INFRARED RADIATION, LIGHT, ELECTROMAGNETIC RADIATION OF SHORTER WAVELENGTH OR CORPUSCULAR RADIATION
- H10F77/00—Constructional details of devices covered by this subclass
- H10F77/95—Circuit arrangements
- H10F77/953—Circuit arrangements for devices having potential barriers
- H10F77/955—Circuit arrangements for devices having potential barriers for photovoltaic devices
-
- H—ELECTRICITY
- H01—ELECTRIC ELEMENTS
- H01H—ELECTRIC SWITCHES; RELAYS; SELECTORS; EMERGENCY PROTECTIVE DEVICES
- H01H9/00—Details of switching devices, not covered by groups H01H1/00 - H01H7/00
- H01H9/54—Circuit arrangements not adapted to a particular application of the switching device and for which no provision exists elsewhere
- H01H9/541—Contacts shunted by semiconductor devices
- H01H9/542—Contacts shunted by static switch means
- H01H2009/544—Contacts shunted by static switch means the static switching means being an insulated gate bipolar transistor, e.g. IGBT, Darlington configuration of FET and bipolar transistor
-
- Y—GENERAL TAGGING OF NEW TECHNOLOGICAL DEVELOPMENTS; GENERAL TAGGING OF CROSS-SECTIONAL TECHNOLOGIES SPANNING OVER SEVERAL SECTIONS OF THE IPC; TECHNICAL SUBJECTS COVERED BY FORMER USPC CROSS-REFERENCE ART COLLECTIONS [XRACs] AND DIGESTS
- Y02—TECHNOLOGIES OR APPLICATIONS FOR MITIGATION OR ADAPTATION AGAINST CLIMATE CHANGE
- Y02E—REDUCTION OF GREENHOUSE GAS [GHG] EMISSIONS, RELATED TO ENERGY GENERATION, TRANSMISSION OR DISTRIBUTION
- Y02E10/00—Energy generation through renewable energy sources
- Y02E10/50—Photovoltaic [PV] energy
Landscapes
- Keying Circuit Devices (AREA)
Abstract
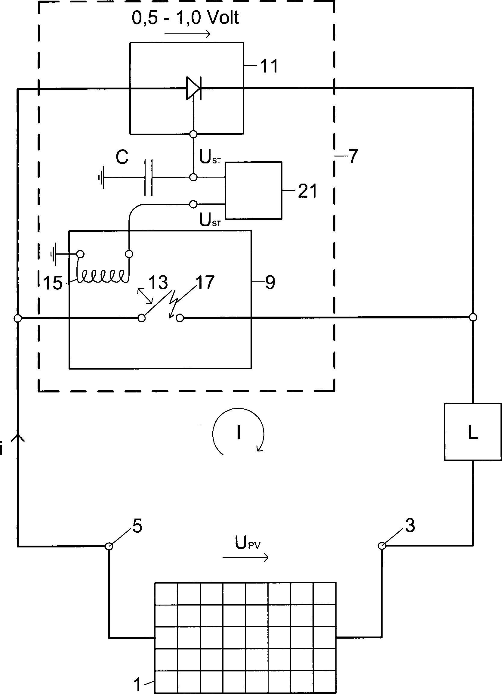
Es wird eine Schaltanordnung (7) zum Zuschalten und Trennen einer Photovoltaikanlage (1) zu bzw. von einem Stromkreis (I) vorgeschlagen, die ein mechanisch schließendes und öffnendes erstes Schaltelement (9) und parallel dazu ein zweites, elektronisch arbeitendes Schaltelement (11), insbesondere ein IGBT umfasst. An beide Schaltelemente (9, 11) ist jeweils eine Schaltspannung (U1, U2) anlegbar, von denen die an das zweite Schaltelement (11) anliegende Schaltspannung (U2) über einen Kondensator (C) zu Erde geführt ist. Beim Trennen des Stromkreises (I) wird bei zugeschaltetem elektronischen Schaltelement (11) zunächst das mechanische Schaltelement (9) betätigt, worauf der Strom in den Strompfad mit dem elektronischen Schaltelement (11) umgeleitet wird. Vorteil ist es, dass im Betrieb keine Verluste durch das Schaltelement (11) verursacht werden und beim Trennen kein Lichtbogen (17) erzeugt wird.A switching arrangement (7) for connecting and disconnecting a photovoltaic system (1) to or from a circuit (I) is proposed, which has a mechanically closing and opening first switching element (9) and, in parallel thereto, a second, electronically operating switching element (11). , in particular an IGBT. In each case a switching voltage (U1, U2) can be applied to both switching elements (9, 11), of which the switching voltage (U2) applied to the second switching element (11) is conducted to earth via a capacitor (C). When disconnecting the circuit (I) is first switched on electronic switching element (11), the mechanical switching element (9) is actuated, whereupon the current in the current path with the electronic switching element (11) is redirected. The advantage is that during operation no losses are caused by the switching element (11) and no arc (17) is generated during separation.
Description
Die Erfindung betrifft eine Schaltanordnung zum Zuschalten und Trennen einer Photovoltaikanlage zu bzw. von einem Stromkreis mit einem Relais zum Betätigen eines mechanisch schließenden und öffnenden ersten Schaltelementes. Die Erfindung betrifft weiterhin ein Betriebsverfahren zur Betätigung der Schaltanordnung.The The invention relates to a switching arrangement for connection and disconnection a photovoltaic system to or from a circuit with a Relay for actuating a mechanically closing and opening first switching element. The invention further relates to an operating method to operate the Switching arrangement.
Das Abschalten von Photovoltaikanlagen von einer Last, wie beispielsweise einem Wechselrichter oder einem Gleichstrommotor/Wechselstromgenerator-Maschinensatz, die die von den PV-Modulen generierte Energie in ein öffentliches Versorgungsnetz einspeisen, ist für die verwendeten Schaltelemente technisch anspruchsvoll. Im Leerlauf liegt an der Ausgangsseite einer PV-Anlage ca. 1000 Volt an, die im Betrieb auf ca. 700 Volt abfallen. Im Betrieb bedeutet bei den hier betrachteten Großanlagen von bis zu mehreren Megawatt Leistung ein erzeugter Gleichstrom zwischen 500 Ampere und 1000 Ampere. Beim Abschalten eines solchen Gleichstroms bei 700 Volt Spannung werden die mechanischen Kontakte hoch belastet. Die Schaltelemente müssen regelmäßig kontrolliert werden, da ein Kleben oder unsauberes Schalten der Kontakte zu einem unkontrollierten Kurzschluss führen würde. Ähnlich wie bei einem Elektroschweißgerät würde ein Schweißvorgang von immenser Größe in Gang gesetzt werde, der zu einer Zerstörung der benachbarten Bauteile führen würde.The Switch off photovoltaic systems from a load, such as an inverter or a DC motor / alternator machine set, transform the energy generated by the PV modules into a public one Feed supply network, is for the switching elements used Technically sophisticated. Idle is on the output side a PV system about 1000 volts, which in operation to about 700 volts fall off. In operation means in the case of large facilities considered here of up to several megawatts of power a DC generated between 500 amps and 1000 amps. When switching off such Direct current at 700 volts voltage become the mechanical contacts heavily loaded. The switching elements must be checked regularly because sticking or improper switching of the contacts to an uncontrolled Short circuit would. Similar to in an electric welding machine would a welding of immense size in progress set, which would lead to destruction of the adjacent components.
Das Abschalten mittels eines elektronischen Schalter, wie z. B. eines IGBT, ist sicher und wartungsfrei, hat aber den Nachteil, dass permanent eine Spannung von 0,5 Volt bis 1 Volt über dem IGBT liegt, was zu unerwünschten, elektrischen Verlusten führt.The Shutdown by means of an electronic switch, such. B. one IGBT, is safe and maintenance-free, but has the disadvantage that permanently a Voltage of 0.5 volts to 1 volt is above the IGBT, causing too unwanted, leads to electrical losses.
Vorliegender Erfindung liegt die Aufgabe zugrunde, die jeweiligen Nachteile der konventionellen und der elektronischen Schalter zu umgehen.present Invention is based on the object, the respective disadvantages of conventional and the electronic switch to work around.
Diese Aufgabe wird mittels der Schaltanordnung dadurch gelöst, dass parallel zu dem ersten Schaltelement ein zweites, elektronisch arbeitendes Schaltelement, insbesondere ein IGBT vorgesehen ist. Eine vorteilhafte Ausführungsform der Erfindung sieht vor, dass beide Schaltelemente jeweils an eine Schaltspannung anlegbar sind, von denen die an das zweite Schaltelement anliegende Schaltspannung gleichzeitig über einen Kondensator an Erde geführt ist. Alternativ hierzu kann es sinnvoll sein, dass beide Schaltelemente jeweils an Schaltspannungen anlegbar sind, die von einem Signalgenerator zeitlich versetzt generiert werden.These Task is solved by means of the switching arrangement in that parallel to the first switching element, a second, electronically operating switching element, In particular, an IGBT is provided. An advantageous embodiment The invention provides that both switching elements each to a switching voltage can be applied, of which the voltage applied to the second switching element Switching voltage at the same time a capacitor is connected to earth. Alternatively, it may be useful that both switching elements each can be applied to switching voltages from a signal generator generated offset in time.
Bezüglich der Betriebsverfahren wird die Aufgabe bei der Kondensatorvariante dadurch gelöst, dass a) beim Zuschalten zunächst die Schaltspannung an das Relais gelegt wird, wodurch das erste Schaltelement geschlossen wird, dass b) vor dem Verfahrensschritt c) die Schaltspannung (U2) an das elektronische, zweite Schaltelement gelegt wird, und dass c) zum Trennen des Stromkreises die erste und die zweite Schaltspannung (U1, U2) gleichzeitig von dem Relais, bzw. von dem elektronischen zweiten Schaltelement genommen werden. Diese Maßnahme bewirkt, dass beim Wegnehmen der Schaltspannung das Relais sofort abfällt und das erste Schaltelement geöffnet wird. Das elektronische zweite Schaltelement wird noch durch die Kondensatorspannung eine kurze Zeitspanne geschlossen gehalten, bis dieser sich an Erde entladen hat, um dann anschließend, also nach dem ersten Schaltelement ebenfalls den Stromkreis zu unterbrechen. In der Konsequenz wird der Stromfluss beim Öffnen des ersten Schalters umgeleitet in den Pfad mit dem zweiten Schaltelement, um über den elektronischen zweiten Schalter zunächst weiter zu fließen, und dann nach der Entladung des Kondensators den Stromkreis endgültig zu trennen. Die Spannung am ersten Schaltelement entspricht beim Schaltvorgang dem Spannungsabfall über dem elektronischen Schaltelement, in der Regel also zwischen den genannten 0,5 Volt und 1 Volt. Es wird also eine Öffnung des mechanischen Schalters erreicht, die nur bei einer geringen Schaltspannung bei einem geringen Reststrom erfolgt, wobei der Reststrom nur noch während der Umverteilung auf den Stromfluss über den Parallelpfad mit dem zweiten Schaltelement vorliegt und zu keinem Schaltfunken führen kann.Regarding the Operating method is the task in the capacitor variant thereby solved, that a) when connecting first the switching voltage is applied to the relay, causing the first Switching element is closed, that b) before the process step c) the switching voltage (U2) to the electronic, second switching element is placed, and that c) to disconnect the circuit, the first and the second switching voltage (U1, U2) simultaneously from the relay, or be taken from the electronic second switching element. This measure causes, when removing the switching voltage, the relay immediately drops and the first switching element opened becomes. The electronic second switching element is still through the Capacitor voltage held closed for a short period of time, until it has discharged to earth, then then, so after the first switching element also to break the circuit. As a consequence, the current flow when opening the first switch diverted into the path with the second switching element to go over the electronic second switch, first to flow, and then after the discharge of the capacitor to the circuit finally separate. The voltage at the first switching element corresponds to the switching operation Voltage drop over the electronic switching element, usually between the said 0.5 volts and 1 volt. So there will be an opening of the mechanical switch achieved only at a low switching voltage occurs at a low residual current, the residual current only during the Redistribution on the flow of electricity over the Parallel path with the second switching element is present and none Cause switching sparks can.
Eine Ausgestaltung sieht vor, die Schritte a) und b) zusammen zu fassen. Der Stromfluss wird bei geschlossenen beiden Schaltelementen überwiegend über das erste Schaltelement fließen, da es nahezu keinen elektrischen Widerstand aufweist. Der Parallelstrom über das zweite Schaltelement ist so gering, dass er zu keiner nennenswerten Verlustleistung führt. So wird durch die Ausgestaltung ein vereinfachter Schaltablauf für die beiden Schaltelemente erreicht, die nur noch einen Einschaltvorgang entsprechend dem Anliegen der Schaltspannungen und einen Ausschaltvorgang entsprechend dem Fehlen der Schaltspannungen beinhaltet.A Embodiment provides steps a) and b) together. The current flow is predominantly on the closed two switching elements on the first switching element flow, because it has almost no electrical resistance. The parallel current over the second switching element is so small that it is not worth mentioning Power loss leads. Thus, the design of a simplified switching sequence for the two Switching achieved, the only one switch-on accordingly the concern of the switching voltages and a turn-off accordingly includes the absence of switching voltages.
Bezüglich der Betriebsverfahren wird die Aufgabe noch durch eine Variante mit einem Signalgenerator gelöst, durch den i) beim Zuschalten zunächst die Schaltspannung (U1) an das Relais gelegt wird, wodurch das erste Schaltelement geschlossen wird, ii) vor dem Trennen des Stromkreises die zweite Schaltspannung (U2) an das elektronische, zweite Schaltelement gelegt wird, iii) anschließend die erste Schaltspannung von dem Relais weggenommen wird, und iv) schließlich die zweite Schaltspannung von dem elektronischen, zweiten Schaltelement weggenommen wird.Regarding the Operating procedure, the task is still through a variant with solved a signal generator, by the i) when connecting first the switching voltage (U1) is applied to the relay, whereby the first Switching element is closed, ii) before disconnecting the circuit the second switching voltage (U2) to the electronic, second switching element iii) subsequently the first switching voltage is taken away from the relay, and iv) after all the second switching voltage from the electronic, second switching element is taken away.
Bei beiden Verfahrensvarianten sieht eine vorteilhafte Ausgestaltung vor, dass vor dem ersten Schritt a) bzw. i) die zweite Schaltspannung an das elektronische, zweite Schaltelement gelegt wird. Hierdurch wird ein mildes oder weiches Zuschalten der Photovoltaikanlage an die Last erreicht. Der Stromkreis wird zunächst über den elektronischen, zweiten Schalter geschlossen, was zu keinem Verschleiß führt. Anschließend erst wird das erste Schaltelement geschlossen, was wiederum nur bei der geringen Spannung von 0,5 Volt bis 1 Volt geschieht und es findet die Umverteilung des Stromflusses von dem Parallelpfad mit dem IGBT zu dem Parallelpfad mit dem mechanischen Schalter statt.at two variants of the method provides an advantageous embodiment before that before the first step a) or i) the second switching voltage is placed on the electronic, second switching element. hereby is a mild or soft connection of the photovoltaic system reached the load. The circuit is first via the electronic, second Switch closed, resulting in no wear. Then only the first switching element is closed, which in turn only in the low voltage of 0.5 volts to 1 volt happens and it finds the redistribution of the current flow from the parallel path to the IGBT to the parallel path with the mechanical switch instead.
Weitere Vorteile und Ausgestaltungen der Erfindung ergeben sich aus der Beschreibung eines Ausführungsbeispiels anhand der Figuren. Es zeigen:Further Advantages and embodiments of the invention will become apparent from the Description of an embodiment based on the figures. Show it:
Eine
Photovoltaikanlage
Das
Schaltelement
Parallel
zu dem mechanischen Schaltelement
Ein
Signalgenerator
Wenn
die Photovoltaikanlage
Die
vereinfachte Variante nach
Beim Öffnen des
Stromkreises I wird das Betätigungsteil
erneut bedient und das Steuersignal Ust wird sowohl vom ersten als
auch vom zweiten Schaltelement
- 11
- Photovoltaikanlagephotovoltaic system
- 3, 53, 5
- Klemmenpaarterminal pair
- 77
- Schaltanordnungswitching arrangement
- 99
- mechanisches Schaltelementmechanical switching element
- 1111
- elektronisches Schaltelementelectronic switching element
- 1313
- mechanischer Kontaktmechanical Contact
- 1515
- Relais(spule)Relay (coil)
- 1717
- LichtbogenElectric arc
- 1919
- Signalgebersignaler
- 2121
- Betätigungsteilactuating member
- II
- Stromkreiscircuit
- LL
- Lastload
- U1U1
- Schaltspannung mechanisches Schaltelementswitching voltage mechanical switching element
- U2U2
- Schaltspannung elektronisches Schaltelementswitching voltage electronic switching element
- UstUst
- Steuersignalcontrol signal
Claims (7)
Priority Applications (1)
| Application Number | Priority Date | Filing Date | Title |
|---|---|---|---|
| DE102008057874A DE102008057874A1 (en) | 2008-11-18 | 2008-11-18 | Switch circuit for a photo-voltaic assembly, at a current circuit, has a mechanical switch and a second electronic switch |
Applications Claiming Priority (1)
| Application Number | Priority Date | Filing Date | Title |
|---|---|---|---|
| DE102008057874A DE102008057874A1 (en) | 2008-11-18 | 2008-11-18 | Switch circuit for a photo-voltaic assembly, at a current circuit, has a mechanical switch and a second electronic switch |
Publications (1)
| Publication Number | Publication Date |
|---|---|
| DE102008057874A1 true DE102008057874A1 (en) | 2010-05-20 |
Family
ID=42105176
Family Applications (1)
| Application Number | Title | Priority Date | Filing Date |
|---|---|---|---|
| DE102008057874A Ceased DE102008057874A1 (en) | 2008-11-18 | 2008-11-18 | Switch circuit for a photo-voltaic assembly, at a current circuit, has a mechanical switch and a second electronic switch |
Country Status (1)
| Country | Link |
|---|---|
| DE (1) | DE102008057874A1 (en) |
Cited By (62)
| Publication number | Priority date | Publication date | Assignee | Title |
|---|---|---|---|---|
| GB2486408A (en) * | 2010-12-09 | 2012-06-20 | Solaredge Technologies Ltd | Disconnection of a string carrying direct current |
| US8289742B2 (en) | 2007-12-05 | 2012-10-16 | Solaredge Ltd. | Parallel connected inverters |
| US8319471B2 (en) | 2006-12-06 | 2012-11-27 | Solaredge, Ltd. | Battery power delivery module |
| US8319483B2 (en) | 2007-08-06 | 2012-11-27 | Solaredge Technologies Ltd. | Digital average input current control in power converter |
| US8324921B2 (en) | 2007-12-05 | 2012-12-04 | Solaredge Technologies Ltd. | Testing of a photovoltaic panel |
| US8384243B2 (en) | 2007-12-04 | 2013-02-26 | Solaredge Technologies Ltd. | Distributed power harvesting systems using DC power sources |
| US8473250B2 (en) | 2006-12-06 | 2013-06-25 | Solaredge, Ltd. | Monitoring of distributed power harvesting systems using DC power sources |
| WO2013092142A1 (en) * | 2011-12-19 | 2013-06-27 | Sma Solar Technology Ag | Circuit arrangement for suppressing an arc occurring over a contact gap of a switching member |
| WO2013091689A1 (en) * | 2011-12-21 | 2013-06-27 | Siemens Aktiengesellschaft | Separating device for direct current interruption between a photovoltaic generator and an electrical apparatus, and photovoltaic system having such a separating device |
| US8531055B2 (en) | 2006-12-06 | 2013-09-10 | Solaredge Ltd. | Safety mechanisms, wake up and shutdown methods in distributed power installations |
| WO2013131580A1 (en) * | 2012-03-09 | 2013-09-12 | Siemens Aktiengesellschaft | Method for connecting a dc voltage network section by means of a dc voltage switch |
| US8570005B2 (en) | 2011-09-12 | 2013-10-29 | Solaredge Technologies Ltd. | Direct current link circuit |
| US8587151B2 (en) | 2006-12-06 | 2013-11-19 | Solaredge, Ltd. | Method for distributed power harvesting using DC power sources |
| DE102012104315A1 (en) | 2012-05-18 | 2013-11-21 | Sma Solar Technology Ag | A method of sequentially disconnecting / connecting electrical power sources from / to a common load |
| US8618692B2 (en) | 2007-12-04 | 2013-12-31 | Solaredge Technologies Ltd. | Distributed power system using direct current power sources |
| US8710699B2 (en) | 2009-12-01 | 2014-04-29 | Solaredge Technologies Ltd. | Dual use photovoltaic system |
| US8766696B2 (en) | 2010-01-27 | 2014-07-01 | Solaredge Technologies Ltd. | Fast voltage level shifter circuit |
| US8816535B2 (en) | 2007-10-10 | 2014-08-26 | Solaredge Technologies, Ltd. | System and method for protection during inverter shutdown in distributed power installations |
| US8947194B2 (en) | 2009-05-26 | 2015-02-03 | Solaredge Technologies Ltd. | Theft detection and prevention in a power generation system |
| US8957645B2 (en) | 2008-03-24 | 2015-02-17 | Solaredge Technologies Ltd. | Zero voltage switching |
| US8963369B2 (en) | 2007-12-04 | 2015-02-24 | Solaredge Technologies Ltd. | Distributed power harvesting systems using DC power sources |
| US8988838B2 (en) | 2012-01-30 | 2015-03-24 | Solaredge Technologies Ltd. | Photovoltaic panel circuitry |
| US9000617B2 (en) | 2008-05-05 | 2015-04-07 | Solaredge Technologies, Ltd. | Direct current power combiner |
| US9006569B2 (en) | 2009-05-22 | 2015-04-14 | Solaredge Technologies Ltd. | Electrically isolated heat dissipating junction box |
| US9088178B2 (en) | 2006-12-06 | 2015-07-21 | Solaredge Technologies Ltd | Distributed power harvesting systems using DC power sources |
| US9112379B2 (en) | 2006-12-06 | 2015-08-18 | Solaredge Technologies Ltd. | Pairing of components in a direct current distributed power generation system |
| US9130401B2 (en) | 2006-12-06 | 2015-09-08 | Solaredge Technologies Ltd. | Distributed power harvesting systems using DC power sources |
| US9235228B2 (en) | 2012-03-05 | 2016-01-12 | Solaredge Technologies Ltd. | Direct current link circuit |
| US9291696B2 (en) | 2007-12-05 | 2016-03-22 | Solaredge Technologies Ltd. | Photovoltaic system power tracking method |
| US9318974B2 (en) | 2014-03-26 | 2016-04-19 | Solaredge Technologies Ltd. | Multi-level inverter with flying capacitor topology |
| US9537445B2 (en) | 2008-12-04 | 2017-01-03 | Solaredge Technologies Ltd. | Testing of a photovoltaic panel |
| US9548619B2 (en) | 2013-03-14 | 2017-01-17 | Solaredge Technologies Ltd. | Method and apparatus for storing and depleting energy |
| US9647442B2 (en) | 2010-11-09 | 2017-05-09 | Solaredge Technologies Ltd. | Arc detection and prevention in a power generation system |
| US9812984B2 (en) | 2012-01-30 | 2017-11-07 | Solaredge Technologies Ltd. | Maximizing power in a photovoltaic distributed power system |
| US9819178B2 (en) | 2013-03-15 | 2017-11-14 | Solaredge Technologies Ltd. | Bypass mechanism |
| US9831824B2 (en) | 2007-12-05 | 2017-11-28 | SolareEdge Technologies Ltd. | Current sensing on a MOSFET |
| US9853565B2 (en) | 2012-01-30 | 2017-12-26 | Solaredge Technologies Ltd. | Maximized power in a photovoltaic distributed power system |
| US9866098B2 (en) | 2011-01-12 | 2018-01-09 | Solaredge Technologies Ltd. | Serially connected inverters |
| US9870016B2 (en) | 2012-05-25 | 2018-01-16 | Solaredge Technologies Ltd. | Circuit for interconnected direct current power sources |
| US9941813B2 (en) | 2013-03-14 | 2018-04-10 | Solaredge Technologies Ltd. | High frequency multi-level inverter |
| US10061957B2 (en) | 2016-03-03 | 2018-08-28 | Solaredge Technologies Ltd. | Methods for mapping power generation installations |
| US10115841B2 (en) | 2012-06-04 | 2018-10-30 | Solaredge Technologies Ltd. | Integrated photovoltaic panel circuitry |
| US10230310B2 (en) | 2016-04-05 | 2019-03-12 | Solaredge Technologies Ltd | Safety switch for photovoltaic systems |
| US10599113B2 (en) | 2016-03-03 | 2020-03-24 | Solaredge Technologies Ltd. | Apparatus and method for determining an order of power devices in power generation systems |
| US10673229B2 (en) | 2010-11-09 | 2020-06-02 | Solaredge Technologies Ltd. | Arc detection and prevention in a power generation system |
| US10673222B2 (en) | 2010-11-09 | 2020-06-02 | Solaredge Technologies Ltd. | Arc detection and prevention in a power generation system |
| US10931119B2 (en) | 2012-01-11 | 2021-02-23 | Solaredge Technologies Ltd. | Photovoltaic module |
| US11018623B2 (en) | 2016-04-05 | 2021-05-25 | Solaredge Technologies Ltd. | Safety switch for photovoltaic systems |
| US11081608B2 (en) | 2016-03-03 | 2021-08-03 | Solaredge Technologies Ltd. | Apparatus and method for determining an order of power devices in power generation systems |
| US11177663B2 (en) | 2016-04-05 | 2021-11-16 | Solaredge Technologies Ltd. | Chain of power devices |
| US11264947B2 (en) | 2007-12-05 | 2022-03-01 | Solaredge Technologies Ltd. | Testing of a photovoltaic panel |
| US11296650B2 (en) | 2006-12-06 | 2022-04-05 | Solaredge Technologies Ltd. | System and method for protection during inverter shutdown in distributed power installations |
| US11309832B2 (en) | 2006-12-06 | 2022-04-19 | Solaredge Technologies Ltd. | Distributed power harvesting systems using DC power sources |
| US11569659B2 (en) | 2006-12-06 | 2023-01-31 | Solaredge Technologies Ltd. | Distributed power harvesting systems using DC power sources |
| US11687112B2 (en) | 2006-12-06 | 2023-06-27 | Solaredge Technologies Ltd. | Distributed power harvesting systems using DC power sources |
| US11728768B2 (en) | 2006-12-06 | 2023-08-15 | Solaredge Technologies Ltd. | Pairing of components in a direct current distributed power generation system |
| US11735910B2 (en) | 2006-12-06 | 2023-08-22 | Solaredge Technologies Ltd. | Distributed power system using direct current power sources |
| US11855231B2 (en) | 2006-12-06 | 2023-12-26 | Solaredge Technologies Ltd. | Distributed power harvesting systems using DC power sources |
| US11881814B2 (en) | 2005-12-05 | 2024-01-23 | Solaredge Technologies Ltd. | Testing of a photovoltaic panel |
| US11888387B2 (en) | 2006-12-06 | 2024-01-30 | Solaredge Technologies Ltd. | Safety mechanisms, wake up and shutdown methods in distributed power installations |
| US12057807B2 (en) | 2016-04-05 | 2024-08-06 | Solaredge Technologies Ltd. | Chain of power devices |
| US12418177B2 (en) | 2009-10-24 | 2025-09-16 | Solaredge Technologies Ltd. | Distributed power system using direct current power sources |
Citations (2)
| Publication number | Priority date | Publication date | Assignee | Title |
|---|---|---|---|---|
| WO2007073951A1 (en) * | 2005-12-22 | 2007-07-05 | SIEMENS AKTIENGESELLSCHAFT öSTERREICH | Load isolation circuit for the deenergized connection and isolation of electrical contacts |
| DE102007043512A1 (en) * | 2007-09-12 | 2009-03-19 | Kostal Industrie Elektrik Gmbh | Energy conversion system |
-
2008
- 2008-11-18 DE DE102008057874A patent/DE102008057874A1/en not_active Ceased
Patent Citations (2)
| Publication number | Priority date | Publication date | Assignee | Title |
|---|---|---|---|---|
| WO2007073951A1 (en) * | 2005-12-22 | 2007-07-05 | SIEMENS AKTIENGESELLSCHAFT öSTERREICH | Load isolation circuit for the deenergized connection and isolation of electrical contacts |
| DE102007043512A1 (en) * | 2007-09-12 | 2009-03-19 | Kostal Industrie Elektrik Gmbh | Energy conversion system |
Cited By (213)
| Publication number | Priority date | Publication date | Assignee | Title |
|---|---|---|---|---|
| US11881814B2 (en) | 2005-12-05 | 2024-01-23 | Solaredge Technologies Ltd. | Testing of a photovoltaic panel |
| US11687112B2 (en) | 2006-12-06 | 2023-06-27 | Solaredge Technologies Ltd. | Distributed power harvesting systems using DC power sources |
| US9948233B2 (en) | 2006-12-06 | 2018-04-17 | Solaredge Technologies Ltd. | Distributed power harvesting systems using DC power sources |
| US12388492B2 (en) | 2006-12-06 | 2025-08-12 | Solaredge Technologies Ltd. | Safety mechanisms, wake up and shutdown methods in distributed power installations |
| US12316274B2 (en) | 2006-12-06 | 2025-05-27 | Solaredge Technologies Ltd. | Pairing of components in a direct current distributed power generation system |
| US12281919B2 (en) | 2006-12-06 | 2025-04-22 | Solaredge Technologies Ltd. | Monitoring of distributed power harvesting systems using DC power sources |
| US8473250B2 (en) | 2006-12-06 | 2013-06-25 | Solaredge, Ltd. | Monitoring of distributed power harvesting systems using DC power sources |
| US12276997B2 (en) | 2006-12-06 | 2025-04-15 | Solaredge Technologies Ltd. | Distributed power harvesting systems using DC power sources |
| US12224706B2 (en) | 2006-12-06 | 2025-02-11 | Solaredge Technologies Ltd. | Pairing of components in a direct current distributed power generation system |
| US8531055B2 (en) | 2006-12-06 | 2013-09-10 | Solaredge Ltd. | Safety mechanisms, wake up and shutdown methods in distributed power installations |
| US12107417B2 (en) | 2006-12-06 | 2024-10-01 | Solaredge Technologies Ltd. | Distributed power harvesting systems using DC power sources |
| US12068599B2 (en) | 2006-12-06 | 2024-08-20 | Solaredge Technologies Ltd. | System and method for protection during inverter shutdown in distributed power installations |
| US8587151B2 (en) | 2006-12-06 | 2013-11-19 | Solaredge, Ltd. | Method for distributed power harvesting using DC power sources |
| US12046940B2 (en) | 2006-12-06 | 2024-07-23 | Solaredge Technologies Ltd. | Battery power control |
| US12032080B2 (en) | 2006-12-06 | 2024-07-09 | Solaredge Technologies Ltd. | Safety mechanisms, wake up and shutdown methods in distributed power installations |
| US12027849B2 (en) | 2006-12-06 | 2024-07-02 | Solaredge Technologies Ltd. | Distributed power system using direct current power sources |
| US8659188B2 (en) | 2006-12-06 | 2014-02-25 | Solaredge Technologies Ltd. | Distributed power harvesting systems using DC power sources |
| US12027970B2 (en) | 2006-12-06 | 2024-07-02 | Solaredge Technologies Ltd. | Safety mechanisms, wake up and shutdown methods in distributed power installations |
| US11962243B2 (en) | 2006-12-06 | 2024-04-16 | Solaredge Technologies Ltd. | Method for distributed power harvesting using DC power sources |
| US11961922B2 (en) | 2006-12-06 | 2024-04-16 | Solaredge Technologies Ltd. | Distributed power harvesting systems using DC power sources |
| US11888387B2 (en) | 2006-12-06 | 2024-01-30 | Solaredge Technologies Ltd. | Safety mechanisms, wake up and shutdown methods in distributed power installations |
| US11855231B2 (en) | 2006-12-06 | 2023-12-26 | Solaredge Technologies Ltd. | Distributed power harvesting systems using DC power sources |
| US11735910B2 (en) | 2006-12-06 | 2023-08-22 | Solaredge Technologies Ltd. | Distributed power system using direct current power sources |
| US11728768B2 (en) | 2006-12-06 | 2023-08-15 | Solaredge Technologies Ltd. | Pairing of components in a direct current distributed power generation system |
| US11682918B2 (en) | 2006-12-06 | 2023-06-20 | Solaredge Technologies Ltd. | Battery power delivery module |
| US11658482B2 (en) | 2006-12-06 | 2023-05-23 | Solaredge Technologies Ltd. | Distributed power harvesting systems using DC power sources |
| US11598652B2 (en) | 2006-12-06 | 2023-03-07 | Solaredge Technologies Ltd. | Monitoring of distributed power harvesting systems using DC power sources |
| US11594881B2 (en) | 2006-12-06 | 2023-02-28 | Solaredge Technologies Ltd. | Distributed power harvesting systems using DC power sources |
| US11594882B2 (en) | 2006-12-06 | 2023-02-28 | Solaredge Technologies Ltd. | Distributed power harvesting systems using DC power sources |
| US9041339B2 (en) | 2006-12-06 | 2015-05-26 | Solaredge Technologies Ltd. | Battery power delivery module |
| US9088178B2 (en) | 2006-12-06 | 2015-07-21 | Solaredge Technologies Ltd | Distributed power harvesting systems using DC power sources |
| US9112379B2 (en) | 2006-12-06 | 2015-08-18 | Solaredge Technologies Ltd. | Pairing of components in a direct current distributed power generation system |
| US9130401B2 (en) | 2006-12-06 | 2015-09-08 | Solaredge Technologies Ltd. | Distributed power harvesting systems using DC power sources |
| US11594880B2 (en) | 2006-12-06 | 2023-02-28 | Solaredge Technologies Ltd. | Distributed power harvesting systems using DC power sources |
| US11579235B2 (en) | 2006-12-06 | 2023-02-14 | Solaredge Technologies Ltd. | Safety mechanisms, wake up and shutdown methods in distributed power installations |
| US11575261B2 (en) | 2006-12-06 | 2023-02-07 | Solaredge Technologies Ltd. | Distributed power harvesting systems using DC power sources |
| US11575260B2 (en) | 2006-12-06 | 2023-02-07 | Solaredge Technologies Ltd. | Distributed power harvesting systems using DC power sources |
| US11569659B2 (en) | 2006-12-06 | 2023-01-31 | Solaredge Technologies Ltd. | Distributed power harvesting systems using DC power sources |
| US11569660B2 (en) | 2006-12-06 | 2023-01-31 | Solaredge Technologies Ltd. | Distributed power harvesting systems using DC power sources |
| US9368964B2 (en) | 2006-12-06 | 2016-06-14 | Solaredge Technologies Ltd. | Distributed power system using direct current power sources |
| US11476799B2 (en) | 2006-12-06 | 2022-10-18 | Solaredge Technologies Ltd. | Distributed power harvesting systems using DC power sources |
| US11309832B2 (en) | 2006-12-06 | 2022-04-19 | Solaredge Technologies Ltd. | Distributed power harvesting systems using DC power sources |
| US11296650B2 (en) | 2006-12-06 | 2022-04-05 | Solaredge Technologies Ltd. | System and method for protection during inverter shutdown in distributed power installations |
| US11183922B2 (en) | 2006-12-06 | 2021-11-23 | Solaredge Technologies Ltd. | Distributed power harvesting systems using DC power sources |
| US11073543B2 (en) | 2006-12-06 | 2021-07-27 | Solaredge Technologies Ltd. | Monitoring of distributed power harvesting systems using DC power sources |
| US11063440B2 (en) | 2006-12-06 | 2021-07-13 | Solaredge Technologies Ltd. | Method for distributed power harvesting using DC power sources |
| US9543889B2 (en) | 2006-12-06 | 2017-01-10 | Solaredge Technologies Ltd. | Distributed power harvesting systems using DC power sources |
| US11043820B2 (en) | 2006-12-06 | 2021-06-22 | Solaredge Technologies Ltd. | Battery power delivery module |
| US11031861B2 (en) | 2006-12-06 | 2021-06-08 | Solaredge Technologies Ltd. | System and method for protection during inverter shutdown in distributed power installations |
| US9590526B2 (en) | 2006-12-06 | 2017-03-07 | Solaredge Technologies Ltd. | Safety mechanisms, wake up and shutdown methods in distributed power installations |
| US11002774B2 (en) | 2006-12-06 | 2021-05-11 | Solaredge Technologies Ltd. | Monitoring of distributed power harvesting systems using DC power sources |
| US10673253B2 (en) | 2006-12-06 | 2020-06-02 | Solaredge Technologies Ltd. | Battery power delivery module |
| US9644993B2 (en) | 2006-12-06 | 2017-05-09 | Solaredge Technologies Ltd. | Monitoring of distributed power harvesting systems using DC power sources |
| US8319471B2 (en) | 2006-12-06 | 2012-11-27 | Solaredge, Ltd. | Battery power delivery module |
| US9680304B2 (en) | 2006-12-06 | 2017-06-13 | Solaredge Technologies Ltd. | Method for distributed power harvesting using DC power sources |
| US10637393B2 (en) | 2006-12-06 | 2020-04-28 | Solaredge Technologies Ltd. | Distributed power harvesting systems using DC power sources |
| US10447150B2 (en) | 2006-12-06 | 2019-10-15 | Solaredge Technologies Ltd. | Distributed power harvesting systems using DC power sources |
| US10230245B2 (en) | 2006-12-06 | 2019-03-12 | Solaredge Technologies Ltd | Battery power delivery module |
| US10097007B2 (en) | 2006-12-06 | 2018-10-09 | Solaredge Technologies Ltd. | Method for distributed power harvesting using DC power sources |
| US9966766B2 (en) | 2006-12-06 | 2018-05-08 | Solaredge Technologies Ltd. | Battery power delivery module |
| US9960667B2 (en) | 2006-12-06 | 2018-05-01 | Solaredge Technologies Ltd. | System and method for protection during inverter shutdown in distributed power installations |
| US9853490B2 (en) | 2006-12-06 | 2017-12-26 | Solaredge Technologies Ltd. | Distributed power system using direct current power sources |
| US9960731B2 (en) | 2006-12-06 | 2018-05-01 | Solaredge Technologies Ltd. | Pairing of components in a direct current distributed power generation system |
| US9673711B2 (en) | 2007-08-06 | 2017-06-06 | Solaredge Technologies Ltd. | Digital average input current control in power converter |
| US11594968B2 (en) | 2007-08-06 | 2023-02-28 | Solaredge Technologies Ltd. | Digital average input current control in power converter |
| US10516336B2 (en) | 2007-08-06 | 2019-12-24 | Solaredge Technologies Ltd. | Digital average input current control in power converter |
| US8319483B2 (en) | 2007-08-06 | 2012-11-27 | Solaredge Technologies Ltd. | Digital average input current control in power converter |
| US8773092B2 (en) | 2007-08-06 | 2014-07-08 | Solaredge Technologies Ltd. | Digital average input current control in power converter |
| US10116217B2 (en) | 2007-08-06 | 2018-10-30 | Solaredge Technologies Ltd. | Digital average input current control in power converter |
| US8816535B2 (en) | 2007-10-10 | 2014-08-26 | Solaredge Technologies, Ltd. | System and method for protection during inverter shutdown in distributed power installations |
| US8384243B2 (en) | 2007-12-04 | 2013-02-26 | Solaredge Technologies Ltd. | Distributed power harvesting systems using DC power sources |
| US8963369B2 (en) | 2007-12-04 | 2015-02-24 | Solaredge Technologies Ltd. | Distributed power harvesting systems using DC power sources |
| US9853538B2 (en) | 2007-12-04 | 2017-12-26 | Solaredge Technologies Ltd. | Distributed power harvesting systems using DC power sources |
| US8618692B2 (en) | 2007-12-04 | 2013-12-31 | Solaredge Technologies Ltd. | Distributed power system using direct current power sources |
| US9831824B2 (en) | 2007-12-05 | 2017-11-28 | SolareEdge Technologies Ltd. | Current sensing on a MOSFET |
| US10644589B2 (en) | 2007-12-05 | 2020-05-05 | Solaredge Technologies Ltd. | Parallel connected inverters |
| US9979280B2 (en) | 2007-12-05 | 2018-05-22 | Solaredge Technologies Ltd. | Parallel connected inverters |
| US11183923B2 (en) | 2007-12-05 | 2021-11-23 | Solaredge Technologies Ltd. | Parallel connected inverters |
| US12055647B2 (en) | 2007-12-05 | 2024-08-06 | Solaredge Technologies Ltd. | Parallel connected inverters |
| US8599588B2 (en) | 2007-12-05 | 2013-12-03 | Solaredge Ltd. | Parallel connected inverters |
| US11693080B2 (en) | 2007-12-05 | 2023-07-04 | Solaredge Technologies Ltd. | Parallel connected inverters |
| US8324921B2 (en) | 2007-12-05 | 2012-12-04 | Solaredge Technologies Ltd. | Testing of a photovoltaic panel |
| US11264947B2 (en) | 2007-12-05 | 2022-03-01 | Solaredge Technologies Ltd. | Testing of a photovoltaic panel |
| US9407161B2 (en) | 2007-12-05 | 2016-08-02 | Solaredge Technologies Ltd. | Parallel connected inverters |
| US10693415B2 (en) | 2007-12-05 | 2020-06-23 | Solaredge Technologies Ltd. | Testing of a photovoltaic panel |
| US11183969B2 (en) | 2007-12-05 | 2021-11-23 | Solaredge Technologies Ltd. | Testing of a photovoltaic panel |
| US11894806B2 (en) | 2007-12-05 | 2024-02-06 | Solaredge Technologies Ltd. | Testing of a photovoltaic panel |
| US8289742B2 (en) | 2007-12-05 | 2012-10-16 | Solaredge Ltd. | Parallel connected inverters |
| US9291696B2 (en) | 2007-12-05 | 2016-03-22 | Solaredge Technologies Ltd. | Photovoltaic system power tracking method |
| US9876430B2 (en) | 2008-03-24 | 2018-01-23 | Solaredge Technologies Ltd. | Zero voltage switching |
| US8957645B2 (en) | 2008-03-24 | 2015-02-17 | Solaredge Technologies Ltd. | Zero voltage switching |
| US9000617B2 (en) | 2008-05-05 | 2015-04-07 | Solaredge Technologies, Ltd. | Direct current power combiner |
| US12218498B2 (en) | 2008-05-05 | 2025-02-04 | Solaredge Technologies Ltd. | Direct current power combiner |
| US10468878B2 (en) | 2008-05-05 | 2019-11-05 | Solaredge Technologies Ltd. | Direct current power combiner |
| US9362743B2 (en) | 2008-05-05 | 2016-06-07 | Solaredge Technologies Ltd. | Direct current power combiner |
| US11424616B2 (en) | 2008-05-05 | 2022-08-23 | Solaredge Technologies Ltd. | Direct current power combiner |
| US9537445B2 (en) | 2008-12-04 | 2017-01-03 | Solaredge Technologies Ltd. | Testing of a photovoltaic panel |
| US10461687B2 (en) | 2008-12-04 | 2019-10-29 | Solaredge Technologies Ltd. | Testing of a photovoltaic panel |
| US11695371B2 (en) | 2009-05-22 | 2023-07-04 | Solaredge Technologies Ltd. | Electrically isolated heat dissipating junction box |
| US9006569B2 (en) | 2009-05-22 | 2015-04-14 | Solaredge Technologies Ltd. | Electrically isolated heat dissipating junction box |
| US10879840B2 (en) | 2009-05-22 | 2020-12-29 | Solaredge Technologies Ltd. | Electrically isolated heat dissipating junction box |
| US9748896B2 (en) | 2009-05-22 | 2017-08-29 | Solaredge Technologies Ltd. | Electrically isolated heat dissipating junction box |
| US12074566B2 (en) | 2009-05-22 | 2024-08-27 | Solaredge Technologies Ltd. | Electrically isolated heat dissipating junction box |
| US10686402B2 (en) | 2009-05-22 | 2020-06-16 | Solaredge Technologies Ltd. | Electrically isolated heat dissipating junction box |
| US11509263B2 (en) | 2009-05-22 | 2022-11-22 | Solaredge Technologies Ltd. | Electrically isolated heat dissipating junction box |
| US10411644B2 (en) | 2009-05-22 | 2019-09-10 | Solaredge Technologies, Ltd. | Electrically isolated heat dissipating junction box |
| US9748897B2 (en) | 2009-05-22 | 2017-08-29 | Solaredge Technologies Ltd. | Electrically isolated heat dissipating junction box |
| US12306215B2 (en) | 2009-05-26 | 2025-05-20 | Solaredge Technologies Ltd. | Theft detection and prevention in a power generation system |
| US9869701B2 (en) | 2009-05-26 | 2018-01-16 | Solaredge Technologies Ltd. | Theft detection and prevention in a power generation system |
| US11867729B2 (en) | 2009-05-26 | 2024-01-09 | Solaredge Technologies Ltd. | Theft detection and prevention in a power generation system |
| US8947194B2 (en) | 2009-05-26 | 2015-02-03 | Solaredge Technologies Ltd. | Theft detection and prevention in a power generation system |
| US10969412B2 (en) | 2009-05-26 | 2021-04-06 | Solaredge Technologies Ltd. | Theft detection and prevention in a power generation system |
| US12418177B2 (en) | 2009-10-24 | 2025-09-16 | Solaredge Technologies Ltd. | Distributed power system using direct current power sources |
| US9276410B2 (en) | 2009-12-01 | 2016-03-01 | Solaredge Technologies Ltd. | Dual use photovoltaic system |
| US10270255B2 (en) | 2009-12-01 | 2019-04-23 | Solaredge Technologies Ltd | Dual use photovoltaic system |
| US12316158B2 (en) | 2009-12-01 | 2025-05-27 | Solaredge Technologies Ltd. | Dual use photovoltaic system |
| US11056889B2 (en) | 2009-12-01 | 2021-07-06 | Solaredge Technologies Ltd. | Dual use photovoltaic system |
| US8710699B2 (en) | 2009-12-01 | 2014-04-29 | Solaredge Technologies Ltd. | Dual use photovoltaic system |
| US11735951B2 (en) | 2009-12-01 | 2023-08-22 | Solaredge Technologies Ltd. | Dual use photovoltaic system |
| US9231570B2 (en) | 2010-01-27 | 2016-01-05 | Solaredge Technologies Ltd. | Fast voltage level shifter circuit |
| US9564882B2 (en) | 2010-01-27 | 2017-02-07 | Solaredge Technologies Ltd. | Fast voltage level shifter circuit |
| US8766696B2 (en) | 2010-01-27 | 2014-07-01 | Solaredge Technologies Ltd. | Fast voltage level shifter circuit |
| US9917587B2 (en) | 2010-01-27 | 2018-03-13 | Solaredge Technologies Ltd. | Fast voltage level shifter circuit |
| US10673222B2 (en) | 2010-11-09 | 2020-06-02 | Solaredge Technologies Ltd. | Arc detection and prevention in a power generation system |
| US9647442B2 (en) | 2010-11-09 | 2017-05-09 | Solaredge Technologies Ltd. | Arc detection and prevention in a power generation system |
| US12407158B2 (en) | 2010-11-09 | 2025-09-02 | Solaredge Technologies Ltd. | Arc detection and prevention in a power generation system |
| US10931228B2 (en) | 2010-11-09 | 2021-02-23 | Solaredge Technologies Ftd. | Arc detection and prevention in a power generation system |
| US12003215B2 (en) | 2010-11-09 | 2024-06-04 | Solaredge Technologies Ltd. | Arc detection and prevention in a power generation system |
| US11489330B2 (en) | 2010-11-09 | 2022-11-01 | Solaredge Technologies Ltd. | Arc detection and prevention in a power generation system |
| US11349432B2 (en) | 2010-11-09 | 2022-05-31 | Solaredge Technologies Ltd. | Arc detection and prevention in a power generation system |
| US10673229B2 (en) | 2010-11-09 | 2020-06-02 | Solaredge Technologies Ltd. | Arc detection and prevention in a power generation system |
| US11070051B2 (en) | 2010-11-09 | 2021-07-20 | Solaredge Technologies Ltd. | Arc detection and prevention in a power generation system |
| US12295184B2 (en) | 2010-12-09 | 2025-05-06 | Solaredge Technologies Ltd. | Disconnection of a string carrying direct current power |
| GB2486408A (en) * | 2010-12-09 | 2012-06-20 | Solaredge Technologies Ltd | Disconnection of a string carrying direct current |
| US11271394B2 (en) | 2010-12-09 | 2022-03-08 | Solaredge Technologies Ltd. | Disconnection of a string carrying direct current power |
| US9935458B2 (en) | 2010-12-09 | 2018-04-03 | Solaredge Technologies Ltd. | Disconnection of a string carrying direct current power |
| US11996488B2 (en) | 2010-12-09 | 2024-05-28 | Solaredge Technologies Ltd. | Disconnection of a string carrying direct current power |
| US9401599B2 (en) | 2010-12-09 | 2016-07-26 | Solaredge Technologies Ltd. | Disconnection of a string carrying direct current power |
| US11205946B2 (en) | 2011-01-12 | 2021-12-21 | Solaredge Technologies Ltd. | Serially connected inverters |
| US12218505B2 (en) | 2011-01-12 | 2025-02-04 | Solaredge Technologies Ltd. | Serially connected inverters |
| US10666125B2 (en) | 2011-01-12 | 2020-05-26 | Solaredge Technologies Ltd. | Serially connected inverters |
| US9866098B2 (en) | 2011-01-12 | 2018-01-09 | Solaredge Technologies Ltd. | Serially connected inverters |
| US8570005B2 (en) | 2011-09-12 | 2013-10-29 | Solaredge Technologies Ltd. | Direct current link circuit |
| US10396662B2 (en) | 2011-09-12 | 2019-08-27 | Solaredge Technologies Ltd | Direct current link circuit |
| WO2013092142A1 (en) * | 2011-12-19 | 2013-06-27 | Sma Solar Technology Ag | Circuit arrangement for suppressing an arc occurring over a contact gap of a switching member |
| CN104025406A (en) * | 2011-12-19 | 2014-09-03 | Sma太阳能技术股份公司 | Circuit arrangement for suppressing an arc occurring over a contact gap of a switching member |
| US9543088B2 (en) | 2011-12-19 | 2017-01-10 | Sma Solar Technology Ag | Circuit arrangement for suppressing an arc occurring over a contact gap of a switching member |
| CN104025406B (en) * | 2011-12-19 | 2016-12-07 | Sma太阳能技术股份公司 | For suppressing to occur the circuit arrangement of the electric arc in switch element contactor gap |
| WO2013091689A1 (en) * | 2011-12-21 | 2013-06-27 | Siemens Aktiengesellschaft | Separating device for direct current interruption between a photovoltaic generator and an electrical apparatus, and photovoltaic system having such a separating device |
| US10931119B2 (en) | 2012-01-11 | 2021-02-23 | Solaredge Technologies Ltd. | Photovoltaic module |
| US11979037B2 (en) | 2012-01-11 | 2024-05-07 | Solaredge Technologies Ltd. | Photovoltaic module |
| US12191668B2 (en) | 2012-01-30 | 2025-01-07 | Solaredge Technologies Ltd. | Maximizing power in a photovoltaic distributed power system |
| US11929620B2 (en) | 2012-01-30 | 2024-03-12 | Solaredge Technologies Ltd. | Maximizing power in a photovoltaic distributed power system |
| US9812984B2 (en) | 2012-01-30 | 2017-11-07 | Solaredge Technologies Ltd. | Maximizing power in a photovoltaic distributed power system |
| US8988838B2 (en) | 2012-01-30 | 2015-03-24 | Solaredge Technologies Ltd. | Photovoltaic panel circuitry |
| US11620885B2 (en) | 2012-01-30 | 2023-04-04 | Solaredge Technologies Ltd. | Photovoltaic panel circuitry |
| US10381977B2 (en) | 2012-01-30 | 2019-08-13 | Solaredge Technologies Ltd | Photovoltaic panel circuitry |
| US10992238B2 (en) | 2012-01-30 | 2021-04-27 | Solaredge Technologies Ltd. | Maximizing power in a photovoltaic distributed power system |
| US12094306B2 (en) | 2012-01-30 | 2024-09-17 | Solaredge Technologies Ltd. | Photovoltaic panel circuitry |
| US9853565B2 (en) | 2012-01-30 | 2017-12-26 | Solaredge Technologies Ltd. | Maximized power in a photovoltaic distributed power system |
| US9923516B2 (en) | 2012-01-30 | 2018-03-20 | Solaredge Technologies Ltd. | Photovoltaic panel circuitry |
| US11183968B2 (en) | 2012-01-30 | 2021-11-23 | Solaredge Technologies Ltd. | Photovoltaic panel circuitry |
| US10608553B2 (en) | 2012-01-30 | 2020-03-31 | Solaredge Technologies Ltd. | Maximizing power in a photovoltaic distributed power system |
| US10007288B2 (en) | 2012-03-05 | 2018-06-26 | Solaredge Technologies Ltd. | Direct current link circuit |
| US9639106B2 (en) | 2012-03-05 | 2017-05-02 | Solaredge Technologies Ltd. | Direct current link circuit |
| US9235228B2 (en) | 2012-03-05 | 2016-01-12 | Solaredge Technologies Ltd. | Direct current link circuit |
| CN104160464B (en) * | 2012-03-09 | 2016-09-21 | 西门子公司 | For the method unidirectional current network segment accessed by DC voltage switch |
| CN104160464A (en) * | 2012-03-09 | 2014-11-19 | 西门子公司 | Method for connecting a dc voltage network section by means of a dc voltage switch |
| WO2013131580A1 (en) * | 2012-03-09 | 2013-09-12 | Siemens Aktiengesellschaft | Method for connecting a dc voltage network section by means of a dc voltage switch |
| US9819180B2 (en) | 2012-05-18 | 2017-11-14 | Sma Solar Technology Ag | Method for sequentially disconnecting/connecting electrical current sources from/to a common load |
| DE102012104315A1 (en) | 2012-05-18 | 2013-11-21 | Sma Solar Technology Ag | A method of sequentially disconnecting / connecting electrical power sources from / to a common load |
| DE102012104315B4 (en) | 2012-05-18 | 2018-10-31 | Sma Solar Technology Ag | A method of sequentially disconnecting / connecting electrical power sources from / to a common load |
| US10705551B2 (en) | 2012-05-25 | 2020-07-07 | Solaredge Technologies Ltd. | Circuit for interconnected direct current power sources |
| US9870016B2 (en) | 2012-05-25 | 2018-01-16 | Solaredge Technologies Ltd. | Circuit for interconnected direct current power sources |
| US11740647B2 (en) | 2012-05-25 | 2023-08-29 | Solaredge Technologies Ltd. | Circuit for interconnected direct current power sources |
| US11334104B2 (en) | 2012-05-25 | 2022-05-17 | Solaredge Technologies Ltd. | Circuit for interconnected direct current power sources |
| US12306653B2 (en) | 2012-05-25 | 2025-05-20 | Solaredge Technologies Ltd. | Circuit for interconnected direct current power sources |
| US10115841B2 (en) | 2012-06-04 | 2018-10-30 | Solaredge Technologies Ltd. | Integrated photovoltaic panel circuitry |
| US11177768B2 (en) | 2012-06-04 | 2021-11-16 | Solaredge Technologies Ltd. | Integrated photovoltaic panel circuitry |
| US12218628B2 (en) | 2012-06-04 | 2025-02-04 | Solaredge Technologies Ltd. | Integrated photovoltaic panel circuitry |
| US9941813B2 (en) | 2013-03-14 | 2018-04-10 | Solaredge Technologies Ltd. | High frequency multi-level inverter |
| US12003107B2 (en) | 2013-03-14 | 2024-06-04 | Solaredge Technologies Ltd. | Method and apparatus for storing and depleting energy |
| US9548619B2 (en) | 2013-03-14 | 2017-01-17 | Solaredge Technologies Ltd. | Method and apparatus for storing and depleting energy |
| US12255457B2 (en) | 2013-03-14 | 2025-03-18 | Solaredge Technologies Ltd. | Method and apparatus for storing and depleting energy |
| US10778025B2 (en) | 2013-03-14 | 2020-09-15 | Solaredge Technologies Ltd. | Method and apparatus for storing and depleting energy |
| US11545912B2 (en) | 2013-03-14 | 2023-01-03 | Solaredge Technologies Ltd. | High frequency multi-level inverter |
| US12119758B2 (en) | 2013-03-14 | 2024-10-15 | Solaredge Technologies Ltd. | High frequency multi-level inverter |
| US11742777B2 (en) | 2013-03-14 | 2023-08-29 | Solaredge Technologies Ltd. | High frequency multi-level inverter |
| US11424617B2 (en) | 2013-03-15 | 2022-08-23 | Solaredge Technologies Ltd. | Bypass mechanism |
| US9819178B2 (en) | 2013-03-15 | 2017-11-14 | Solaredge Technologies Ltd. | Bypass mechanism |
| US10651647B2 (en) | 2013-03-15 | 2020-05-12 | Solaredge Technologies Ltd. | Bypass mechanism |
| US12132125B2 (en) | 2013-03-15 | 2024-10-29 | Solaredge Technologies Ltd. | Bypass mechanism |
| US10886831B2 (en) | 2014-03-26 | 2021-01-05 | Solaredge Technologies Ltd. | Multi-level inverter |
| US11296590B2 (en) | 2014-03-26 | 2022-04-05 | Solaredge Technologies Ltd. | Multi-level inverter |
| US12136890B2 (en) | 2014-03-26 | 2024-11-05 | Solaredge Technologies Ltd. | Multi-level inverter |
| US11855552B2 (en) | 2014-03-26 | 2023-12-26 | Solaredge Technologies Ltd. | Multi-level inverter |
| US9318974B2 (en) | 2014-03-26 | 2016-04-19 | Solaredge Technologies Ltd. | Multi-level inverter with flying capacitor topology |
| US11632058B2 (en) | 2014-03-26 | 2023-04-18 | Solaredge Technologies Ltd. | Multi-level inverter |
| US10886832B2 (en) | 2014-03-26 | 2021-01-05 | Solaredge Technologies Ltd. | Multi-level inverter |
| US11824131B2 (en) | 2016-03-03 | 2023-11-21 | Solaredge Technologies Ltd. | Apparatus and method for determining an order of power devices in power generation systems |
| US10061957B2 (en) | 2016-03-03 | 2018-08-28 | Solaredge Technologies Ltd. | Methods for mapping power generation installations |
| US11081608B2 (en) | 2016-03-03 | 2021-08-03 | Solaredge Technologies Ltd. | Apparatus and method for determining an order of power devices in power generation systems |
| US10599113B2 (en) | 2016-03-03 | 2020-03-24 | Solaredge Technologies Ltd. | Apparatus and method for determining an order of power devices in power generation systems |
| US10540530B2 (en) | 2016-03-03 | 2020-01-21 | Solaredge Technologies Ltd. | Methods for mapping power generation installations |
| US12224365B2 (en) | 2016-03-03 | 2025-02-11 | Solaredge Technologies Ltd. | Apparatus and method for determining an order of power devices in power generation systems |
| US11538951B2 (en) | 2016-03-03 | 2022-12-27 | Solaredge Technologies Ltd. | Apparatus and method for determining an order of power devices in power generation systems |
| US10230310B2 (en) | 2016-04-05 | 2019-03-12 | Solaredge Technologies Ltd | Safety switch for photovoltaic systems |
| US11870250B2 (en) | 2016-04-05 | 2024-01-09 | Solaredge Technologies Ltd. | Chain of power devices |
| US11201476B2 (en) | 2016-04-05 | 2021-12-14 | Solaredge Technologies Ltd. | Photovoltaic power device and wiring |
| US12348182B2 (en) | 2016-04-05 | 2025-07-01 | Solaredge Technologies Ltd. | Safety switch for photovoltaic systems |
| US11177663B2 (en) | 2016-04-05 | 2021-11-16 | Solaredge Technologies Ltd. | Chain of power devices |
| US11018623B2 (en) | 2016-04-05 | 2021-05-25 | Solaredge Technologies Ltd. | Safety switch for photovoltaic systems |
| US12057807B2 (en) | 2016-04-05 | 2024-08-06 | Solaredge Technologies Ltd. | Chain of power devices |
Similar Documents
| Publication | Publication Date | Title |
|---|---|---|
| DE102008057874A1 (en) | Switch circuit for a photo-voltaic assembly, at a current circuit, has a mechanical switch and a second electronic switch | |
| EP1964140B1 (en) | Load isolation circuit for the deenergized connection and isolation of electrical contacts | |
| EP1318589B1 (en) | Wind energy system and method for operating such a system | |
| DE102004054933B3 (en) | Protection device for a load current leading device | |
| EP2249393B1 (en) | Switching assembly | |
| EP3394948B1 (en) | Inverter having network separation point and insulation resistance measurement, and method for measuring an insulation resistance | |
| DE112012000652T5 (en) | discharge control | |
| DE102016100758A1 (en) | Separating device for a photovoltaic string, solar system and operating method for a solar system with photovoltaic string | |
| EP3513438A1 (en) | Solar module and energy-generating system | |
| DE102010007452A1 (en) | Switching relief for a circuit breaker | |
| EP2424747A2 (en) | Electrically drivable motor vehicle | |
| WO2014053320A2 (en) | Circuit arrangement and a method for charging a dc link capacitor, as well as a battery and motor vehicle comprising such a circuit arrangement | |
| WO2019170457A1 (en) | Alternating-current charging device for a motor vehicle, and method for operating an alternating-current charging device for a motor vehicle | |
| EP3915127B1 (en) | Direct current circuit breaker device | |
| EP3900188A1 (en) | Apparatus and method for the direction-dependent operation of an electrochemical energy store | |
| WO2019170475A1 (en) | Alternating-current charging device for a motor vehicle, and method for operating an alternating-current charging device for a motor vehicle | |
| EP2707888B1 (en) | Switching device | |
| DE102019215855B4 (en) | vehicle electrical system | |
| EP2511956B1 (en) | Three-circuit voltage spike protection for a photovoltaic system | |
| DE102015226587B4 (en) | Battery connection device and method for interrupting an electrical connection between a high-voltage battery and a motor vehicle electrical system | |
| DE102020213227B3 (en) | Charging circuit with a direct current connection and an alternating current connection as well as an on-board network with a charging circuit | |
| WO2021073977A1 (en) | Vehicle on-board electrical system | |
| DE102020102601A1 (en) | Pre-charging circuit for pre-charging an intermediate circuit capacitor | |
| EP3035514A1 (en) | Pre-charging device of a power converter | |
| WO2015078750A1 (en) | Switching device and switch-off method for operating a switching device |
Legal Events
| Date | Code | Title | Description |
|---|---|---|---|
| OP8 | Request for examination as to paragraph 44 patent law | ||
| 8131 | Rejection |
