CN203370987U - Rebar measurement shearing device - Google Patents
Rebar measurement shearing device Download PDFInfo
- Publication number
- CN203370987U CN203370987U CN201320390986.9U CN201320390986U CN203370987U CN 203370987 U CN203370987 U CN 203370987U CN 201320390986 U CN201320390986 U CN 201320390986U CN 203370987 U CN203370987 U CN 203370987U
- Authority
- CN
- China
- Prior art keywords
- reinforcing bar
- shearing
- traction
- frame
- straightening
- Prior art date
- Legal status (The legal status is an assumption and is not a legal conclusion. Google has not performed a legal analysis and makes no representation as to the accuracy of the status listed.)
- Expired - Fee Related
Links
- 238000010008 shearing Methods 0.000 title claims abstract description 61
- 238000005259 measurement Methods 0.000 title abstract description 6
- 230000003014 reinforcing effect Effects 0.000 claims description 61
- 239000011800 void material Substances 0.000 claims description 7
- 230000002787 reinforcement Effects 0.000 claims description 4
- 229910000831 Steel Inorganic materials 0.000 claims description 3
- 230000005540 biological transmission Effects 0.000 claims description 3
- 239000010959 steel Substances 0.000 claims description 3
- 238000005452 bending Methods 0.000 abstract description 7
- 238000004519 manufacturing process Methods 0.000 abstract description 4
- 238000007599 discharging Methods 0.000 abstract 1
- 238000000034 method Methods 0.000 description 6
- 229910001294 Reinforcing steel Inorganic materials 0.000 description 5
- 230000008569 process Effects 0.000 description 3
- 230000009471 action Effects 0.000 description 2
- 238000005516 engineering process Methods 0.000 description 2
- 239000000956 alloy Substances 0.000 description 1
- 230000009286 beneficial effect Effects 0.000 description 1
- 230000008901 benefit Effects 0.000 description 1
- 239000012467 final product Substances 0.000 description 1
- 230000008676 import Effects 0.000 description 1
- 238000012986 modification Methods 0.000 description 1
- 230000004048 modification Effects 0.000 description 1
- 230000001105 regulatory effect Effects 0.000 description 1
Images
Landscapes
- Shearing Machines (AREA)
Abstract
The utility model discloses a rebar measurement shearing device which is used for rebars aligned by a shearing rebar aligning device. The rebar measurement shearing device comprises a machine frame. A rebar dragging device which drags the rebars to advance is arranged on the machine frame. A counting device is arranged at a discharging end of the rebar dragging device and is connected with the shearing device. The rebar dragging device is connected with a driving device. According to the rebar measurement shearing device, when the rebars are subjected to hoop bending processing, steps such as dragging, counting and cutting of the rebars can be automatically completed at one time, human intervention is completely avoided, so that rebar processing is smooth, and accordingly rebar processing efficiency is improved, labor force is released to the maximum degree, and therefore investment cost of a production enterprise is lowered.
Description
Technical field
The utility model relates to a kind of reinforcing bar treatment facility, relates in particular to a kind of reinforcing bar and measures shear.
Background technology
Reinforcing bar is in building, the numerous areas such as bridge are used increasingly extensive, reinforcing bar is being constructed while utilizing, need to carry out pretreatment as reinforcing steel bar hoop bending to reinforcing bar, need to pass through bar straightening when carrying out reinforcing steel bar hoop bending, the reinforcing bar traction feeds, the reinforcing bar measurement count, a plurality of steps such as bar cutting and reinforcing steel bar hoop bending, traditional stirrup bender is when carrying out above-mentioned procedure of processing, need to constantly carry out human intervention, cause the reinforcing bar processing procedure not smooth, therefore efficiency is lower, and the degree of accuracy also is subject to certain impact, use very inconvenient, can not alleviate largely staff's work burden, with the production cost that reduces enterprise.
The utility model content
It is simple that technical problem to be solved in the utility model is to provide a kind of control, and easy to operate reinforcing bar is measured shear.
For solving the problems of the technologies described above, the technical solution of the utility model is: reinforcing bar is measured shear, reinforcing bar for the straightening of shear reinforcement machine straightening device, comprise frame, described frame is provided with the reinforcing bar draw-gear that the traction reinforcing bar is advanced, the discharge end of described reinforcing bar draw-gear is equipped with counting device, and described counting device is connected with shear, and described reinforcing bar draw-gear is connected with drive unit.
As preferred technical scheme, described drive unit comprises the motor be arranged on described frame, the clutch end of described motor is connected with clutch by belt pulley, and described clutch is connected with the Clutch Control oil cylinder, and described clutch output is connected with the driving gearbox.
As preferred technical scheme, on described driving gearbox, gear regulator is installed, described gear regulator is provided with the adjusting handle, and described gear regulator is provided with two work gears.
As preferred technical scheme, described reinforcing bar draw-gear comprises the traction slide block be slidably mounted on described frame, be rotatablely equipped with the traction pinch roller on described traction slide block, described frame is provided with the traction gearbox, the output of described traction gearbox is connected with the traction driving wheel corresponding with described traction pinch roller, the input of described traction gearbox is connected with the traction belts wheel, the clutch end of described driving gearbox is provided with the traction drive wheel, described traction belts wheel is with the described traction drive wheel that is in transmission connection, be provided with the pinch roller oil cylinder between described traction slide block and described frame, described traction pinch roller outer surface is respectively equipped with mutual corresponding arcuation annular groove with described traction driving wheel outer surface.
As preferred technical scheme, described steel bar straightening device comprises the straightening frame, described straightening frame two ends are rotatably installed on described frame by rotating shaft respectively, rotate in described straightening frame and be provided with some sheaves to removal reinforcing bar torsion, described spindle central place is provided with respectively the reinforcing bar guide hole, the described rotating shaft that is positioned at described straightening frame discharge end is connected with the straightening belt pulley, the clutch end of described driving gearbox is provided with the straightening driving wheel, described straightening driving wheel and the coaxial setting of described traction drive wheel, described straightening belt pulley connects described straightening driving wheel by the straightening belt.
As preferred technical scheme, described counting device comprises the counting slide block be slidably mounted on described frame, on described counting slide block, is rotatablely equipped with counter wheel, described counter wheel linkage counter, and described counter signals connects described shear; Be rotatablely equipped with the counting auxiliary wheel corresponding with described counter wheel on described frame, be provided with counting between described counting slide block and described frame and promote spring, described counter wheel outer surface and described counting auxiliary wheel outer surface are respectively equipped with the arcuation annular groove of mutual correspondence.
As preferred technical scheme, described shear comprises the shearing slide block that slides and be provided with by drawing strickle guide on described frame, described shearing slide block is provided with the bar cutting guide hole, be positioned at the described bar cutting guide hole port of export on described shearing slide block the shearing moving cutter of shearing stationary knife and being used in conjunction with described shearing stationary knife is installed, described shearing moving cutter is connected with moving knife and drives oil cylinder; Described shearing slide block is provided with the location slide damper, and described frame is provided with the location fixed dam corresponding with described location slide damper, and described location slide damper is provided with slide adjuster, on the fixed dam of described location, limit switch is installed; Between described location slide damper and described frame, back-moving spring is installed, described limit switch is connected with described counter and controls described moving knife and drives oil cylinder.
As preferred technical scheme, between described shearing slide block and described frame, be provided with advance ball.
As preferred technical scheme, described moving knife drives the cylinder barrel of oil cylinder to connect described shearing moving cutter, and described moving knife drives the piston rod of oil cylinder to connect described stationary knife cutter hub.
As preferred technical scheme, described shearing stationary knife comprises the stationary knife cutter hub, runs through described stationary knife cutter hub and is provided with the stationary knife guide hole, is positioned at described stationary knife guide hole exit on described stationary knife cutter hub and is provided with groove, and cutter head detachably is installed in described groove; Described shearing moving cutter comprises the moving knife cutter hub, runs through described moving knife cutter hub and is provided with the shearing cylindrical void corresponding with described stationary knife guide hole, and in described shearing cylindrical void, edge is provided with the shearing arc edge corresponding with described cutter head.
Owing to having adopted technique scheme, the beneficial effects of the utility model are: when reinforcing bar carries out the bending hoop processing, by this device, can make the disposable automations of step such as traction, counting and cutting of reinforcing bar complete, broken away from human intervention fully, the process that reinforcing bar is processed is more smooth, thereby improved the efficiency that reinforcing bar is processed, farthest discharged the labour, and then reduced the cost of investment of manufacturing enterprise.
The accompanying drawing explanation
The following drawings only is intended to the utility model is done and schematically illustrated and explain, does not limit scope of the present utility model.Wherein:
Fig. 1 is the structural representation of the utility model embodiment;
Fig. 2 is the structural representation of the utility model embodiment drive unit;
Fig. 3 is the structural representation of the utility model embodiment machine straightening device;
Fig. 4 is the utility model embodiment reinforcing bar draw-gear and counting device structural representation;
Fig. 5 is the cross-sectional schematic of the utility model embodiment reinforcing bar draw-gear;
Fig. 6 is the part-structure cross-sectional schematic of the utility model embodiment counting device, cutter sweep;
Fig. 7 is the structural representation of the utility model embodiment counting device, cutter sweep;
Fig. 8 is the structural representation that the utility model embodiment cuts stationary knife;
Fig. 9 is the structural representation that the utility model embodiment cuts moving knife;
In figure: the 1-frame; The 2-motor; The 4-clutch; 5-Clutch Control oil cylinder; 6-drives gearbox; 7-regulates handle; 8-draws slide block; 9-draws pinch roller; 10-draws gearbox; 11-draws driving wheel; 12-traction belts wheel; 13-traction drive wheel; 14-pinch roller oil cylinder; 15-straightening frame; The 16-rotating shaft; The 17-sheave; 18-straightening belt pulley; 19-straightening driving wheel; The 20-counter wheel; The 21-counter; 22-counts auxiliary wheel; 23-shears slide block; 24-bar cutting guide hole; 25-shears stationary knife; 251-stationary knife cutter hub; 252-stationary knife guide hole; The 253-cutter head; The 26-shearing moving cutter; 261-moving knife cutter hub; 262-shears cylindrical void; 263-shears the arc edge; The 27-moving knife drives oil cylinder; 28-locates slide damper; The 29-advance ball; The 30-slide adjuster; The 31-limit switch; The 32-back-moving spring; 33-locates fixed dam.
The specific embodiment
Below in conjunction with drawings and Examples, further set forth the utility model.In the following detailed description, only by the mode of explanation, some example embodiment of the present utility model has been described.Undoubtedly, those of ordinary skill in the art can recognize, in the situation that do not depart from spirit and scope of the present utility model, can to described embodiment, be revised by various mode.Therefore, accompanying drawing is illustrative with being described in essence, rather than for limiting the protection domain of claim.
As shown in Figure 1, reinforcing bar is measured shear, reinforcing bar for the straightening of shear reinforcement machine straightening device, comprise frame 1, described frame 1 is provided with the reinforcing bar draw-gear that the traction reinforcing bar is advanced, the discharge end of described reinforcing bar draw-gear is equipped with counting device, and described counting device is connected with shear, and described reinforcing bar draw-gear is connected with drive unit.The present embodiment can complete successively a plurality for the treatment of process of straightening, traction, measurement count and shearing after reinforcing bar imports, and above-mentioned operation all completes automatically, does not need human intervention, thereby has improved the production efficiency of reinforcing steel bar hoop bending.
As depicted in figs. 1 and 2, described drive unit comprises the motor 2 be arranged on described frame 1, the clutch end of described motor 2 is connected with clutch 4 by belt pulley, described clutch 4 is connected with Clutch Control oil cylinder 5, described clutch 4 outputs are connected with and drive gearbox 6, on described driving gearbox 6, gear regulator is installed, described gear regulator is provided with to be regulated 7, gear regulator in the present embodiment is provided with two work gears, make difform reinforcing steel bar hoop bending use for meeting, control ratio is more flexible.
As Fig. 1, shown in Fig. 4 and Fig. 5, described reinforcing bar draw-gear comprises the traction slide block 8 be slidably mounted on described frame 1, be rotatablely equipped with traction pinch roller 9 on described traction slide block 8, described frame 1 is provided with traction gearbox 10, the output of described traction gearbox 10 is connected with the traction driving wheel 11 corresponding with described traction pinch roller 9, the input of described traction gearbox 10 is connected with traction belts wheel 12, the clutch end of described driving gearbox 6 is provided with traction drive wheel 13, described traction belts wheel 12 is with the described traction drive wheel 13 that is in transmission connection, be provided with pinch roller oil cylinder 14 between described traction slide block 8 and described frame 1, described traction pinch roller 9 outer surfaces are respectively equipped with mutual corresponding arcuation annular groove with described traction driving wheel 11 outer surfaces.During use, reinforcing bar, through the arcuation annular groove, under the rotation of traction belts wheel 12 and traction driving wheel 11 is installed with, drives reinforcing bar and advances forward, realizes the running under power of reinforcing bar.The wheel of traction belts described in the present embodiment 12 is set to elastic press wheel, and strong adaptability, can effectively reduce the vibrations that cause because of traction, thereby reduce noise, and then reduces noise pollution.
As shown in figures 1 and 3, described steel bar straightening device comprises straightening frame 15, described straightening frame 15 two ends are rotatably installed on described frame 1 by rotating shaft 16 respectively, the interior rotation of described straightening frame 15 is provided with some to removing the sheave 17 of reinforcing bar torsion, described rotating shaft 16 centers are respectively equipped with the reinforcing bar guide hole, the described rotating shaft 16 that is positioned at described straightening frame 15 discharge ends is connected with straightening belt pulley 18, the clutch end of described driving gearbox 6 is provided with straightening driving wheel 19, described straightening driving wheel 19 coaxially arranges with described traction drive wheel 13, described straightening belt pulley 18 connects described straightening driving wheel 19 by the straightening belt.By the driving of motor 2, clutch 4, driving gearbox 6, straightening driving wheel 19 drives straightening belt pulleys 18 and rotates, and under the cooperation of sheave 17, the strength of turning round on reinforcing bar is discharged, and makes reinforcing bar be tending towards straight state.
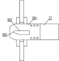
As shown in Fig. 1, Fig. 6 and Fig. 7, described counting device comprises the counting slide block be slidably mounted on described frame 1, be rotatablely equipped with counter wheel 20 on described counting slide block, described counter wheel 20 linkage counters 21, described counter 21 signals connect described shear; Be rotatablely equipped with the counting auxiliary wheel 22 corresponding with described counter wheel 20 on described frame 1, be provided with counting between described counting slide block and described frame 1 and promote spring, described counter wheel 20 outer surfaces and described counting auxiliary wheel 22 outer surfaces are respectively equipped with the arcuation annular groove of mutual correspondence.
As shown in Fig. 1, Fig. 6 and Fig. 7, described shear comprises the shearing slide block 23 that slides and be provided with by drawing strickle guide on described frame 1, described shearing slide block 23 is provided with bar cutting guide hole 24, be positioned at described bar cutting guide hole 24 ports of export on described shearing slide block 23 shearing moving cutter 26 of shearing stationary knife 25 and being used in conjunction with described shearing stationary knife 25 is installed, described shearing moving cutter 26 is connected with moving knife and drives oil cylinder 27; Described shearing slide block 23 is provided with location slide damper 28, described frame 1 is provided with the location fixed dam 33 corresponding with described location slide damper 28, described location slide damper 28 is provided with slide adjuster 30, on described location fixed dam 33, limit switch 31 is installed; Between described location slide damper 28 and described frame 1, back-moving spring 32 is installed, described limit switch 31 is connected with described counter 21 and controls described moving knife driving oil cylinder 27, between described shearing slide block 23 and described frame 1, is provided with advance ball 29.When being sheared, described counter 21 can send signal while arriving the counting setting value and drive oil cylinder 27 to moving knife, drives shearing moving cutter 26 actions, when shearing stationary knife 25 slides into setting value, limit switch 31 can send stop signal and drive oil cylinder 27 to moving knife, makes its return, stops shearing.
In use, shear slide block 23 and can shear stationary knife 25 and the shearing moving cutter 26 end distance of advancing forward along with reinforcing bar drives in the process of shear reinforcement, to coordinate shear action, after reinforcing bar cuts off fully, under the pulling of back-moving spring 32, shear slide block 23 drive shearing stationary knifes 25 and shearing moving cutter 26 and get back to original position, ready for shear next time.Slide adjuster 30 can be set to adjusting nut, for adjusting, shears the distance that slide block 23 moves ahead along with reinforcing bar when shearing, and with the bar cutting that meets different model, uses.
As shown in Fig. 6, Fig. 8 and Fig. 9, described moving knife drives the cylinder barrel of oil cylinder 27 to connect described shearing moving cutter 26, and described moving knife drives the piston rod of oil cylinder 27 to connect described stationary knife cutter hub 251; Described shearing stationary knife 25 comprises stationary knife cutter hub 251, run through described stationary knife cutter hub 251 and be provided with stationary knife guide hole 252, be positioned at described stationary knife guide hole 252 exits on described stationary knife cutter hub 251 and be provided with groove, cutter head 253 detachably is installed in described groove, and cutter head 253 is set to alloy material, and its intensity is greater than the intensity of stationary knife cutter hub 251, therefore contribute to improve the service life of shearing stationary knife 25, and after wearing and tearing occurring, only changed cutter head 253 and got final product, contribute to saving to reduce cost; Described shearing moving cutter 26 comprises moving knife cutter hub 261, runs through described moving knife cutter hub 261 and is provided with the shearing cylindrical void 262 corresponding with described stationary knife guide hole 252, and the interior edge of described shearing cylindrical void 262 is provided with the shearing arc edge 263 corresponding with described cutter head 253.
Above demonstration and described basic principle of the present utility model, principal character and advantage of the present utility model.The technical staff of the industry should understand; the utility model is not restricted to the described embodiments; that in above-described embodiment and specification, describes just illustrates principle of the present utility model; under the prerequisite that does not break away from the utility model spirit and scope; the utility model also has various changes and modifications, and these changes and improvements all fall in claimed the utility model scope.The claimed scope of the utility model is defined by appending claims and equivalent thereof.
Claims (10)
1. reinforcing bar is measured shear, reinforcing bar for the straightening of shear reinforcement machine straightening device, comprise frame, it is characterized in that: described frame is provided with the reinforcing bar draw-gear that the traction reinforcing bar is advanced, the discharge end of described reinforcing bar draw-gear is equipped with counting device, described counting device is connected with shear, and described reinforcing bar draw-gear is connected with drive unit.
2. reinforcing bar as claimed in claim 1 is measured shear, it is characterized in that: described drive unit comprises the motor be arranged on described frame, the clutch end of described motor is connected with clutch by belt pulley, described clutch is connected with the Clutch Control oil cylinder, and described clutch output is connected with the driving gearbox.
3. reinforcing bar as claimed in claim 2 is measured shear, and it is characterized in that: on described driving gearbox, gear regulator is installed, described gear regulator is provided with the adjusting handle, and described gear regulator is provided with two work gears.
4. reinforcing bar as claimed in claim 2 is measured shear, it is characterized in that: described reinforcing bar draw-gear comprises the traction slide block be slidably mounted on described frame, be rotatablely equipped with the traction pinch roller on described traction slide block, described frame is provided with the traction gearbox, the output of described traction gearbox is connected with the traction driving wheel corresponding with described traction pinch roller, the input of described traction gearbox is connected with the traction belts wheel, the clutch end of described driving gearbox is provided with the traction drive wheel, described traction belts wheel is with the described traction drive wheel that is in transmission connection, be provided with the pinch roller oil cylinder between described traction slide block and described frame, described traction pinch roller outer surface is respectively equipped with mutual corresponding arcuation annular groove with described traction driving wheel outer surface.
5. reinforcing bar as claimed in claim 4 is measured shear, it is characterized in that: described steel bar straightening device comprises the straightening frame, described straightening frame two ends are rotatably installed on described frame by rotating shaft respectively, rotate in described straightening frame and be provided with some sheaves to removal reinforcing bar torsion, described spindle central place is provided with respectively the reinforcing bar guide hole, the described rotating shaft that is positioned at described straightening frame discharge end is connected with the straightening belt pulley, the clutch end of described driving gearbox is provided with the straightening driving wheel, described straightening driving wheel and the coaxial setting of described traction drive wheel, described straightening belt pulley connects described straightening driving wheel by the straightening belt.
6. reinforcing bar as claimed in claim 1 is measured shear, it is characterized in that: described counting device comprises the counting slide block be slidably mounted on described frame, be rotatablely equipped with counter wheel on described counting slide block, described counter wheel linkage counter, described counter signals connects described shear; Be rotatablely equipped with the counting auxiliary wheel corresponding with described counter wheel on described frame, be provided with counting between described counting slide block and described frame and promote spring, described counter wheel outer surface and described counting auxiliary wheel outer surface are respectively equipped with the arcuation annular groove of mutual correspondence.
7. reinforcing bar as claimed in claim 6 is measured shear, it is characterized in that: described shear comprises the shearing slide block that slides and be provided with by drawing strickle guide on described frame, described shearing slide block is provided with the bar cutting guide hole, be positioned at the described bar cutting guide hole port of export on described shearing slide block the shearing moving cutter of shearing stationary knife and being used in conjunction with described shearing stationary knife is installed, described shearing moving cutter is connected with moving knife and drives oil cylinder; Described shearing slide block is provided with the location slide damper, and described frame is provided with the location fixed dam corresponding with described location slide damper, and described location slide damper is provided with slide adjuster, on the fixed dam of described location, limit switch is installed; Between described location slide damper and described frame, back-moving spring is installed, described limit switch is connected with described counter and controls described moving knife and drives oil cylinder.
8. reinforcing bar as claimed in claim 7 is measured shear, it is characterized in that: between described shearing slide block and described frame, be provided with advance ball.
9. reinforcing bar as claimed in claim 7 is measured shear, it is characterized in that: described moving knife drives the cylinder barrel of oil cylinder to connect described shearing moving cutter, and described moving knife drives the piston rod of oil cylinder to connect described stationary knife cutter hub.
10. reinforcing bar as claimed in claim 7 is measured shear, it is characterized in that: described shearing stationary knife comprises the stationary knife cutter hub, run through described stationary knife cutter hub and be provided with the stationary knife guide hole, be positioned at described stationary knife guide hole exit on described stationary knife cutter hub and be provided with groove, cutter head detachably is installed in described groove; Described shearing moving cutter comprises the moving knife cutter hub, runs through described moving knife cutter hub and is provided with the shearing cylindrical void corresponding with described stationary knife guide hole, and in described shearing cylindrical void, edge is provided with the shearing arc edge corresponding with described cutter head.
Priority Applications (1)
| Application Number | Priority Date | Filing Date | Title |
|---|---|---|---|
| CN201320390986.9U CN203370987U (en) | 2013-07-03 | 2013-07-03 | Rebar measurement shearing device |
Applications Claiming Priority (1)
| Application Number | Priority Date | Filing Date | Title |
|---|---|---|---|
| CN201320390986.9U CN203370987U (en) | 2013-07-03 | 2013-07-03 | Rebar measurement shearing device |
Publications (1)
| Publication Number | Publication Date |
|---|---|
| CN203370987U true CN203370987U (en) | 2014-01-01 |
Family
ID=49833544
Family Applications (1)
| Application Number | Title | Priority Date | Filing Date |
|---|---|---|---|
| CN201320390986.9U Expired - Fee Related CN203370987U (en) | 2013-07-03 | 2013-07-03 | Rebar measurement shearing device |
Country Status (1)
| Country | Link |
|---|---|
| CN (1) | CN203370987U (en) |
Cited By (2)
| Publication number | Priority date | Publication date | Assignee | Title |
|---|---|---|---|---|
| CN106180486A (en) * | 2016-07-22 | 2016-12-07 | 西安电子科技大学 | A kind of sanction rope device of rope net antenna flexible cable net |
| CN106541057A (en) * | 2016-12-16 | 2017-03-29 | 张家港市联盛塑业有限公司 | A kind of reinforcing bar Scissoring device of automatic measurement labelling |
-
2013
- 2013-07-03 CN CN201320390986.9U patent/CN203370987U/en not_active Expired - Fee Related
Cited By (2)
| Publication number | Priority date | Publication date | Assignee | Title |
|---|---|---|---|---|
| CN106180486A (en) * | 2016-07-22 | 2016-12-07 | 西安电子科技大学 | A kind of sanction rope device of rope net antenna flexible cable net |
| CN106541057A (en) * | 2016-12-16 | 2017-03-29 | 张家港市联盛塑业有限公司 | A kind of reinforcing bar Scissoring device of automatic measurement labelling |
Similar Documents
| Publication | Publication Date | Title |
|---|---|---|
| CN103302207B (en) | Full-automatic hydraulic straightening and hoop-bending integrated machine | |
| CN203370980U (en) | Full-automatic hydraulic aligning and bending integrated machine | |
| CN204108445U (en) | A kind of blank automatic cutting device | |
| CN202555903U (en) | Cutting machine for large-pipe-diameter plastic pipes | |
| CN205869337U (en) | Novel automatic curved hoop equipment of reinforcing bar | |
| CN103128128A (en) | PLC (Programmable logic controller) controlled cold-drawn multi-thread steel bar automatic production line | |
| CN204012493U (en) | Waste and old cable sheath cutter sweep | |
| CN203370987U (en) | Rebar measurement shearing device | |
| CN201217227Y (en) | a cutting machine | |
| CN108393526A (en) | A kind of aluminium alloy extrusions cutter device | |
| CN112872240A (en) | Automatic steel bar cutting machine system | |
| CN203972521U (en) | With the conticaster knockout mechanism of straightening function | |
| CN2719530Y (en) | Numerical control non-clip-axle peeler | |
| CN103128357A (en) | Aluminum soft belt automatic feed straightening shearing device | |
| CN206966510U (en) | A kind of wire apparatus for bending | |
| CN204018597U (en) | Bar straightener | |
| CN201669459U (en) | Chain shearing machine | |
| CN201841616U (en) | Skiving machine | |
| CN206484607U (en) | A kind of full-automatic cutting machine | |
| CN205834352U (en) | A kind of continuous drawing device automatically controlled is with servo-actuated copper bar cutting machine | |
| CN102527882A (en) | Automatic steel bar hoop bending machine with two shearing mechanisms | |
| CN202943670U (en) | Automatic casing cutter | |
| CN203649096U (en) | Hardware tool discharge device and feed equipment special for hardware tool discharge device | |
| CN102941589A (en) | Cutting mechanism of automatic pipe cutting machine | |
| CN103203393A (en) | Strip steering mechanism applicable for double coiling of recoiling and splitting line |
Legal Events
| Date | Code | Title | Description |
|---|---|---|---|
| C14 | Grant of patent or utility model | ||
| GR01 | Patent grant | ||
| CF01 | Termination of patent right due to non-payment of annual fee |
Granted publication date: 20140101 Termination date: 20150703 |
|
| EXPY | Termination of patent right or utility model |