CN201159904Y - Ultrahigh frequency RFID and sensor network synthesis controller - Google Patents
Ultrahigh frequency RFID and sensor network synthesis controller Download PDFInfo
- Publication number
- CN201159904Y CN201159904Y CNU2008200739352U CN200820073935U CN201159904Y CN 201159904 Y CN201159904 Y CN 201159904Y CN U2008200739352 U CNU2008200739352 U CN U2008200739352U CN 200820073935 U CN200820073935 U CN 200820073935U CN 201159904 Y CN201159904 Y CN 201159904Y
- Authority
- CN
- China
- Prior art keywords
- sensor network
- interface
- microprocessor
- ultrahigh frequency
- frequency rfid
- Prior art date
- Legal status (The legal status is an assumption and is not a legal conclusion. Google has not performed a legal analysis and makes no representation as to the accuracy of the status listed.)
- Expired - Fee Related
Links
- 230000015572 biosynthetic process Effects 0.000 title abstract 2
- 238000003786 synthesis reaction Methods 0.000 title abstract 2
- 238000004891 communication Methods 0.000 claims abstract description 20
- 238000000034 method Methods 0.000 abstract description 11
- 238000012544 monitoring process Methods 0.000 abstract description 6
- 239000000383 hazardous chemical Substances 0.000 abstract description 4
- 230000007613 environmental effect Effects 0.000 abstract description 3
- 239000004615 ingredient Substances 0.000 abstract 1
- 238000010586 diagram Methods 0.000 description 17
- 238000005516 engineering process Methods 0.000 description 11
- 230000009977 dual effect Effects 0.000 description 3
- 230000008569 process Effects 0.000 description 3
- 230000005540 biological transmission Effects 0.000 description 2
- 238000005286 illumination Methods 0.000 description 2
- 230000008447 perception Effects 0.000 description 2
- 230000008859 change Effects 0.000 description 1
- 238000010276 construction Methods 0.000 description 1
- 230000008878 coupling Effects 0.000 description 1
- 238000010168 coupling process Methods 0.000 description 1
- 238000005859 coupling reaction Methods 0.000 description 1
- 230000006870 function Effects 0.000 description 1
- 230000006698 induction Effects 0.000 description 1
- 238000005259 measurement Methods 0.000 description 1
- 230000003287 optical effect Effects 0.000 description 1
- 238000012545 processing Methods 0.000 description 1
- 238000011160 research Methods 0.000 description 1
- 230000004044 response Effects 0.000 description 1
- 239000004575 stone Substances 0.000 description 1
- 239000002699 waste material Substances 0.000 description 1
Images
Landscapes
- Arrangements For Transmission Of Measured Signals (AREA)
Abstract
Disclosed is a synthesis controller of ultra-high frequency RFID and sensor network, which comprises a microprocessor, an ultra-high frequency RFID read-write module, a sensor network radio frequency communication module, an expanding Flash, an expanding RAM, an extendable I/O interface, a temperature and humidity sensor, a network communication module and a display module respectively connected with the microprocessor, and a power supply providing electrical source for the system as well as a management module. The network communication module selects the mode of Ethernet or RS485 bus to communicate with a control computer. The extendable I/O interface includes general input and output pins, an SPI interface, an I<2>C interface and a UART interface. The controller forms a hazardous chemical warehousing supervision system which integrates warehousing management and warehouse monitoring into one and comprehensively applies the RFID technique and sensor network technique. The recognition to targets such as personnel, goods and vehicles can be realized based on the RFID technique, and the intelligence of warehousing environment can be realized based on the sensor network technique, thereby meeting the requirements of distributed monitoring on environmental parameters such as temperature, humidity and ingredients and jointly providing the basic data for the hazardous chemical warehousing supervision system.
Description
Technical field
The utility model relates to a kind of general controller, particularly a kind of combining by RFID and sensor technology, the status informations such as temperature, humidity and illumination of article and environment around the perception are for systems such as warehousing management provide the ultrahigh frequency RFID and the sensor network general controller of basic data efficiently.
Background technology
The RFID technology is a kind of non-contacting automatic identification technology, and its ultimate principle is to utilize radiofrequency signal and space coupling (inductance or electromagnetic coupled) transport property, realizes being identified the automatic identification of object.
The groundwork process of rfid system is: read write line goes out the radiofrequency signal of certain frequency by antenna transmission; When the RFID label entered the read write line perform region, its antenna produced induction current, thereby the RFID label obtains that energy is activated and send out information such as self coding to read write line; Read write line receives the carrier signal from label, the signal that receives is carried out delivering to main frame behind the demodulation sign indicating number handle; Computer system is judged the legitimacy of this label according to logical operation, makes corresponding processing and control at different settings, sends command signal; The data demodulates part of RFID label demodulates data and delivers to steering logic from the radio-frequency pulse that receives, steering logic receives instruction and finishes storage, sends data or other operations.
Compare with traditional recognition method, the RFID technology need not direct contact, need not optical visible, need not manual intervention can finish the information input and handle, and swift and convenient to operate, thus be widely used in producing, logistics, traffic, transportation, medical treatment, false proof, mailbag tracking, equipment and needs such as asset management, waste management are collected and the application of deal with data.
Wireless sensor network (Wireless Sensor Networks, abbreviation WSNs) product that combines as calculating, communication and sensor three technology, be that a kind of brand-new information is obtained and treatment technology, become active research branch of computer science at present.It is implemented in the autonomous network that adopts wireless mode to transmit information between the intelligent sensing node by wireless device that will be highly integrated in conjunction with various sensors, can pass through the information Recognition environment of the various sensors collections of node, the area of the network coverage be monitored by network.
The RFID technology both can be used for realizing the Automatic Logos of target, indicated identity, kind of target etc.; Can carry out location, the tracking of target in conjunction with the rfid interrogator that is distributed in everywhere again, thereby provide data source for monitoring in real time.The SN node is equipped with required various kinds of sensors, can realize the ambient intelligence of danger product warehousing system, satisfies temperature, humidity, vibration, the one-tenth distributed monitoring demand of environmental information of storing in a warehouse of grading.
Therefore, the RFID electronic tag both can relatively independently be used, and also was to construct important element of SN and foundation stone; And SN can be regarded as the expansion of rfid system and replenishes, and can realize self-organizing network on the basis of mutual communication between the sensing node.
Summary of the invention
Technical problem to be solved in the utility model is, a kind of combining by RFID and sensor technology is provided, the status informations such as temperature, humidity and illumination of article and environment around the perception are for systems such as warehousing management provide the ultrahigh frequency RFID and the sensor network general controller of basic data efficiently.
The technical scheme that the utility model adopted is: a kind of ultrahigh frequency RFID and sensor network general controller, include microprocessor, the ultrahigh frequency RFID module for reading and writing that is connected with microprocessor respectively, sensor network radio-frequency communication module, extend out RAM, temperature, humidity sensor, network communication module, and power supply and administration module thereof that power supply is provided for system.
Also be provided with the Flash that extends out that is connected with microprocessor.
But also be provided with the expansion I/O interface that is connected with microprocessor.
Also be provided with the display module that is connected with microprocessor.
Described network communication module selects for use Ethernet or RS485 bus mode and control computer to communicate.
But described expansion I/O interface includes general input and output pin, SPI interface, I
2C interface, UART interface.
Ultrahigh frequency RFID of the present utility model and sensor network general controller constitute integrated use RFID technology and sensor network technique, and the danger product storage supervisory systems that unites two into one is monitored in warehousing management and warehouse.The RFID technology realizes identification of targets such as personnel, goods, vehicle, sensor network technique is realized the storage ambient intelligence, the grade demand of distributed monitoring of environmental parameter of satisfied temperature, humidity, one-tenth, RFID and sensor network technique provide basic data for hazardous chemical storage supervisory systems jointly.The utility model can provide new thinking and strong hardware supported for the informatization of hazardous chemical warehousing management, and can extend among the WMS of common kinds of goods.
Description of drawings
Fig. 1 is an one-piece construction block diagram of the present utility model;
Fig. 2 is a clock circuit schematic diagram in the utility model;
Fig. 3 is a microprocessor circuit schematic diagram in the utility model;
Fig. 4 is the circuit theory diagrams of sensor network radio-frequency communication module in the utility model;
Fig. 5 is the circuit theory diagrams that extend out Flash in the utility model;
Fig. 6 is the circuit theory diagrams that extend out RAM in the utility model;
Fig. 7 is radio frequency part and a RFID card reader interface circuit diagram in the utility model;
Fig. 8 is the SN interface circuit figure in the utility model;
Fig. 9 is the circuit theory diagrams of the expansion IO mouth in the utility model;
Figure 10 is the RS485/RS232 commutation circuit schematic diagram of the serial ports 1 in the utility model:
Figure 11 is the RS485/RS232 commutation circuit schematic diagram of the serial ports 2 in the utility model;
Figure 12 is a RS485 communicating circuit schematic diagram in the utility model;
Figure 13 is a RS232 communicating circuit schematic diagram in the utility model;
Figure 14 is a display interface circuit of the present utility model:
Figure 15 is a power circuit of the present utility model;
Figure 16 is the circuit theory diagrams that 3.3V of the present utility model changes 5V;
Figure 17 is the circuit theory diagrams that 3.3V of the present utility model changes 5V;
Figure 18 is the circuit theory diagrams that 5V of the present utility model changes 3.3V;
Wherein:
101: microprocessor 102: the ultrahigh frequency RFID module for reading and writing
103: sensor network radio-frequency communication module 104: extend out Flash
105: extend out RAM 106: power supply and administration module thereof
107: temperature, humidity sensor 108: but expansion I/O interface
109: network communication module 110: display module
Embodiment
Provide specific embodiment below in conjunction with accompanying drawing, further specify the utility model and how to realize.
As shown in Figure 1, ultrahigh frequency RFID of the present utility model and sensor network general controller, include microprocessor 101, respectively the ultrahigh frequency RFID module for reading and writing 102 that is connected with microprocessor 101, sensor network radio-frequency communication module 103, extend out Flash 104, extend out RAM 105, but temperature, humidity sensor 107 expansion I/Os connect 108, network communication module 109, display module 110, and power supply and administration module 106 thereof that power supply is provided for system.
Wherein:
Microprocessor 101:, mainly finish functions such as work coordination, discriminating data and algorithm realization to each module of equipment as the control core of entire equipment; The microprocessor 101 of present embodiment is as Fig. 2, shown in Figure 3, and including model is little process chip U1 of PIC18F.
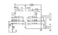
Ultrahigh frequency RFID module for reading and writing 102: realize read-write to the ultrahigh frequency label; The ultrahigh frequency RFID module for reading and writing 102 of present embodiment, the model that adopts Shenzhen new strength telecom technology co., ltd to produce is the module for reading and writing of NFC-9501, include independently microprocessor NXP ARM7, have many labels literacy, but the per second identification label is not less than 20 pieces; Maximum read/write distance is 8/5m.
Fig. 7 is radio frequency part and a RFID card reader interface circuit diagram in the utility model; Fig. 8 is the SN interface circuit figure in the utility model;
Microprocessing unit 101 and ultrahigh frequency RFID module for reading and writing 102 constitute the structure of dual micro processor, the utility model adopts the dual micro processor structural reason to be because the read-write ultrahigh frequency electronic tag needs a large amount of microprocessor computings, realize comprising the ISO18000-6B agreement, anti-collision algorithm realization etc., can carry out other work or carry out other computings at the read-write ultrahigh frequency electronic tag simultaneously after adopting the dual micro processor structure; And after ultrahigh frequency RFID module for reading and writing 102 adopts independently microprocessor, if in that only it can be used as a separate equipment and uses to the occasion of label read-write.
And the microprocessor that the utility model is selected for use has programming (IAP) ability in application, can carry out online upgrading to embedded software when needed.
Sensor network radio-frequency communication module 103: realize with other ultrahigh frequency RFID and sensor network general controller, sensor child node between communicate by letter; As shown in Figure 4, sensor network radio-frequency communication module 103 includes radio frequency chip U18, and it is the chip of nRF905 that present embodiment is selected model for use, and frequency range is 433/868/915MHz, and communication speed is 100kbps, and transmission range is between 30~100m.
Extend out Flash 104: be used to store offline data, do not lose when guaranteeing the data accident power-off; Extend out Flash 104 as shown in Figure 5, include chip U7, U8, it is SST25VF016B that present embodiment is selected model for use.
Extend out RAM 105: select non-volatile ferroelectric memory for use, be used for the storing process data, or ephemeral data, guarantee to give previous state for change behind system's accident power-off; Extend out RAM 105 as shown in Figure 6, include chip U13, it is the chip of FM24CL16 that present embodiment is selected model for use.
Temperature, humidity sensor 107: constitute temperature, moisture measurement unit; Present embodiment is selected the SHT11 Temperature Humidity Sensor of Switzerland Sensirion company for use.
Standard configuration of the present utility model is temperature, humidity sensor 107, can satisfy the needs of general environment monitoring, if any special requirement as special gas, vibration etc., but can add by expansion I/O interface 108; Or increase the sensor assembly of response in the sensor child node.
But expansion I/O interface 108: comprise general input and output pin, SPI interface, I
2C interface, UART interface etc.; Shown in Figure 9 is the circuit theory diagrams of originally executing the expansion IO mouth of example.But can conveniently expand the various parts that possess these interfaces (as multiple sensors, required other kind rfid interrogators etc.) by expansion I/O interface 108.As Fig. 7, Fig. 9, Figure 10, Figure 11, expansion interface shown in Figure 14.
Network communication module 109: Figure 12, shown in Figure 13 can select for use Ethernet or RS485 bus mode and control computer to communicate according to field condition.
Display module 110: equipment running status prompting.Select the LCM12864I LCD MODULE of Qingyun Chuangxin Science ﹠ Tech Co Ltd, Beijing in the present embodiment for use.The interface circuit of display module 110 as shown in figure 14.
Power supply and administration module 106 thereof: for system provides the energy, the power supply of present embodiment and management circuit thereof are as shown in figure 15.
The circuit that 3.3V and 5V power supply are changed mutually in the present embodiment such as Figure 16, Figure 17, shown in Figure 180.
Claims (6)
1. ultrahigh frequency RFID and sensor network general controller, it is characterized in that, include microprocessor (101), respectively the ultrahigh frequency RFID module for reading and writing (102) that is connected with microprocessor (101), sensor network radio-frequency communication module (103), extend out RAM (105), temperature, humidity sensor (107), network communication module (109), and power supply and administration module (106) thereof that power supply is provided for system.
2. ultrahigh frequency RFID according to claim 1 and sensor network general controller is characterized in that, also be provided be connected with microprocessor (101) extend out Flash (104).
3. ultrahigh frequency RFID according to claim 1 and sensor network general controller is characterized in that, also are provided with microprocessor (101) but the expansion I/O interface (108) that is connected.
4. ultrahigh frequency RFID according to claim 1 and sensor network general controller is characterized in that, also are provided with the display module (110) that is connected with microprocessor (101).
5. ultrahigh frequency RFID according to claim 1 and sensor network general controller is characterized in that, described network communication module (109) selects for use Ethernet or RS485 bus mode and control computer to communicate.
6. ultrahigh frequency RFID according to claim 3 and sensor network general controller is characterized in that, but described expansion I/O interface (108) includes general input and output pin, SPI interface, I2C interface, UART interface.
Priority Applications (1)
| Application Number | Priority Date | Filing Date | Title |
|---|---|---|---|
| CNU2008200739352U CN201159904Y (en) | 2008-02-27 | 2008-02-27 | Ultrahigh frequency RFID and sensor network synthesis controller |
Applications Claiming Priority (1)
| Application Number | Priority Date | Filing Date | Title |
|---|---|---|---|
| CNU2008200739352U CN201159904Y (en) | 2008-02-27 | 2008-02-27 | Ultrahigh frequency RFID and sensor network synthesis controller |
Publications (1)
| Publication Number | Publication Date |
|---|---|
| CN201159904Y true CN201159904Y (en) | 2008-12-03 |
Family
ID=40110489
Family Applications (1)
| Application Number | Title | Priority Date | Filing Date |
|---|---|---|---|
| CNU2008200739352U Expired - Fee Related CN201159904Y (en) | 2008-02-27 | 2008-02-27 | Ultrahigh frequency RFID and sensor network synthesis controller |
Country Status (1)
| Country | Link |
|---|---|
| CN (1) | CN201159904Y (en) |
Cited By (11)
| Publication number | Priority date | Publication date | Assignee | Title |
|---|---|---|---|---|
| CN101853565A (en) * | 2010-05-18 | 2010-10-06 | 电子科技大学 | An RFID-based ultra-low power wireless temperature measurement node |
| CN102116768A (en) * | 2010-08-06 | 2011-07-06 | 上海海洋大学 | Design and realization for intelligent prediction device of aquatic product shelf life on basis of RFID (Radio Frequency Identification Devices) |
| CN102238024A (en) * | 2010-04-28 | 2011-11-09 | 上海互惠信息技术有限公司 | Radio frequency identification (RFID)-based intelligent network system |
| CN102611563A (en) * | 2011-01-25 | 2012-07-25 | 上海互惠信息技术有限公司 | Management system of RFID (radio frequency identification devices) electronic distributing frame |
| CN102840878A (en) * | 2011-06-24 | 2012-12-26 | 深圳市联讯创新工场科技开发有限公司 | Logistics sensor |
| CN103246970A (en) * | 2013-05-15 | 2013-08-14 | 国家电网公司 | Warehouse managing and monitoring system |
| CN103885398A (en) * | 2014-01-26 | 2014-06-25 | 上海挚连科技有限公司 | Commodity and environment monitoring system |
| CN105160283A (en) * | 2015-09-08 | 2015-12-16 | 苏州玄禾物联网科技有限公司 | RFID card reading system based on voltage stabilizer |
| CN105160280A (en) * | 2015-09-08 | 2015-12-16 | 苏州玄禾物联网科技有限公司 | RFID card reading system based on radio frequency identification |
| CN106156824A (en) * | 2008-01-14 | 2016-11-23 | 艾利丹尼森公司 | Hybrid sensor/communication equipment and method |
| CN112836780A (en) * | 2016-12-07 | 2021-05-25 | 四川谦泰仁投资管理有限公司 | An RFID chip with interactive switch input port and sensor sensing unit |
-
2008
- 2008-02-27 CN CNU2008200739352U patent/CN201159904Y/en not_active Expired - Fee Related
Cited By (13)
| Publication number | Priority date | Publication date | Assignee | Title |
|---|---|---|---|---|
| CN106156824A (en) * | 2008-01-14 | 2016-11-23 | 艾利丹尼森公司 | Hybrid sensor/communication equipment and method |
| CN106156824B (en) * | 2008-01-14 | 2019-08-20 | 艾利丹尼森公司 | Hybrid sensor/communication equipment and method |
| CN102238024A (en) * | 2010-04-28 | 2011-11-09 | 上海互惠信息技术有限公司 | Radio frequency identification (RFID)-based intelligent network system |
| CN101853565A (en) * | 2010-05-18 | 2010-10-06 | 电子科技大学 | An RFID-based ultra-low power wireless temperature measurement node |
| CN102116768A (en) * | 2010-08-06 | 2011-07-06 | 上海海洋大学 | Design and realization for intelligent prediction device of aquatic product shelf life on basis of RFID (Radio Frequency Identification Devices) |
| CN102611563A (en) * | 2011-01-25 | 2012-07-25 | 上海互惠信息技术有限公司 | Management system of RFID (radio frequency identification devices) electronic distributing frame |
| CN102840878A (en) * | 2011-06-24 | 2012-12-26 | 深圳市联讯创新工场科技开发有限公司 | Logistics sensor |
| CN102840878B (en) * | 2011-06-24 | 2015-07-15 | 深圳市联讯创新工场科技开发有限公司 | Logistics sensor |
| CN103246970A (en) * | 2013-05-15 | 2013-08-14 | 国家电网公司 | Warehouse managing and monitoring system |
| CN103885398A (en) * | 2014-01-26 | 2014-06-25 | 上海挚连科技有限公司 | Commodity and environment monitoring system |
| CN105160280A (en) * | 2015-09-08 | 2015-12-16 | 苏州玄禾物联网科技有限公司 | RFID card reading system based on radio frequency identification |
| CN105160283A (en) * | 2015-09-08 | 2015-12-16 | 苏州玄禾物联网科技有限公司 | RFID card reading system based on voltage stabilizer |
| CN112836780A (en) * | 2016-12-07 | 2021-05-25 | 四川谦泰仁投资管理有限公司 | An RFID chip with interactive switch input port and sensor sensing unit |
Similar Documents
| Publication | Publication Date | Title |
|---|---|---|
| CN201159904Y (en) | Ultrahigh frequency RFID and sensor network synthesis controller | |
| CN202102465U (en) | Wireless radio-frequency identification label and wireless radio frequency identification system | |
| CN101051356B (en) | Novel active radio frequency identifying system and its operation method | |
| CN103999111A (en) | Electronic price label system and method | |
| CN104574012A (en) | Logistics storage monitoring system based on UHF intelligent sensor tag | |
| CN101354740A (en) | Mobile RFID read-write terminal | |
| CN101246604A (en) | Full-automatic work attendance and objective supervision method and system adopting radio frequency recognition technology | |
| CN101145192A (en) | Smart radio-frequency identification infrastructure and method | |
| CN103440687A (en) | RFID (Radio Frequency Identification) technology-based attendance checking method and system | |
| CN110110838A (en) | A Smart Computable Radio Frequency Identification Tag | |
| CN201035709Y (en) | Radio frequency identification dynamic monitoring system | |
| CN102163296A (en) | Storage Management System Based on Passive Data Storage | |
| CN107748905A (en) | Electrokinetic cell Life cycle supervisory systems based on technology of Internet of things | |
| CN104573973A (en) | Historical relic monitoring and protecting system and method based on RFID technology | |
| Ram et al. | Tracking objects using RFID and wireless sensor networks | |
| CN204066146U (en) | A kind of personnel positions recognition system based on radio-frequency (RF) identification | |
| CN201255884Y (en) | Mobile type RFID read-write terminal | |
| Ruan et al. | RFID and ZigBee based manufacturing monitoring system | |
| CN105095926B (en) | A kind of stagewise distant range active electronic tag and its recognition methods | |
| CN1858770A (en) | RFID device based on 802.11 b | |
| CN202134073U (en) | Electronic anti-loss and anti-theft device | |
| CN109426841A (en) | Article anti-lose device and method based on Radio Frequency Identification Technology | |
| CN105404990A (en) | Novel logistic control apparatus | |
| CN204480303U (en) | A kind of historical relic monitor protective system based on RFID technique | |
| CN108851453A (en) | A kind of portable package with article reminding function based on electronic tag |
Legal Events
| Date | Code | Title | Description |
|---|---|---|---|
| C14 | Grant of patent or utility model | ||
| GR01 | Patent grant | ||
| C17 | Cessation of patent right | ||
| CF01 | Termination of patent right due to non-payment of annual fee |
Granted publication date: 20081203 Termination date: 20120227 |