[go: up one dir, main page]

CN114313448A - Kernel filling device - Google Patents

Kernel filling device Download PDF

Info

Publication number
CN114313448A
CN114313448A CN202011052938.XA CN202011052938A CN114313448A CN 114313448 A CN114313448 A CN 114313448A CN 202011052938 A CN202011052938 A CN 202011052938A CN 114313448 A CN114313448 A CN 114313448A
Authority
CN
China
Prior art keywords
bag
assembly
seat
packaging
cylinder
Prior art date
Legal status (The legal status is an assumption and is not a legal conclusion. Google has not performed a legal analysis and makes no representation as to the accuracy of the status listed.)
Granted
Application number
CN202011052938.XA
Other languages
Chinese (zh)
Other versions
CN114313448B (en
Inventor
周国平
李靖
李高松
盛元京
Current Assignee (The listed assignees may be inaccurate. Google has not performed a legal analysis and makes no representation or warranty as to the accuracy of the list.)
Anhui Shanliren Intelligent Equipment Co ltd
Original Assignee
Anhui Shanliren Intelligent Equipment Co ltd
Priority date (The priority date is an assumption and is not a legal conclusion. Google has not performed a legal analysis and makes no representation as to the accuracy of the date listed.)
Filing date
Publication date
Application filed by Anhui Shanliren Intelligent Equipment Co ltd filed Critical Anhui Shanliren Intelligent Equipment Co ltd
Priority to CN202011052938.XA priority Critical patent/CN114313448B/en
Publication of CN114313448A publication Critical patent/CN114313448A/en
Application granted granted Critical
Publication of CN114313448B publication Critical patent/CN114313448B/en
Active legal-status Critical Current
Anticipated expiration legal-status Critical

Links

Images

Landscapes

  • Supplying Of Containers To The Packaging Station (AREA)

Abstract

The invention discloses a nut filling device, which comprises: the bag taking assembly sucks a packaging bag, and the transverse moving assembly takes the packaging bag from the bag taking assembly and moves the packaging bag to a first bag opening position limited by the first bag opening assembly; the first bag opening assembly opens the packaging bag at a first bag opening position, and the first filling assembly conveys nuts stored in the first filling assembly into the packaging bag; the traversing assembly traverses the packaging bag filled with the nuts to a first packaging position limited by the first packaging assembly; the first packaging assembly carries out first heat sealing on the packaging bag at a first packaging position, wherein the sealing position of the first heat sealing is located at the middle position of the packaging bag; the transverse moving assembly transversely moves the packaging bag to a second bag opening position defined by the second bag opening assembly; the second bag opening assembly opens the packaging bag at a second bag opening position, and the second filling assembly conveys the dry fruits stored in the packaging bag into the packaging bag. The automatic filling machine realizes the automatic filling of the nuts and greatly improves the nut filling production efficiency.

Description

Kernel filling device
Technical Field
The invention relates to the technical field of food packaging, in particular to a nut filling device.
Background
At present, the food packaging industry mostly adopts a weighing mode to determine the weight of nuts contained in each product for producing and packaging nuts, the form is single, certain defects exist, and diversified packaging requirements are difficult to meet. The production package or filling of the nuts, the package mode of combining and matching according to the number of particles enriches the market demand and becomes a trend of nut package.
However, in the prior art, when the complex and diversified packaging needs are met, the filling can be performed only by a manual mode, so that the production efficiency is extremely low, and therefore, improved technical means are required to solve the problems.
Disclosure of Invention
The invention mainly aims to provide a nut filling device to solve the problem of low nut filling technology efficiency in the prior art.
A nut filling apparatus according to an embodiment of the present invention comprises: the bag taking assembly, the first bag opening assembly, the first filling assembly, the first packaging assembly, the second bag opening assembly, the second filling assembly and the transverse moving assembly are arranged on the bag taking assembly; the bag taking assembly, the first bag opening assembly, the first packaging assembly and the second bag opening assembly are sequentially arranged, the first filling assembly is positioned above the first bag opening assembly, and the second filling assembly is positioned above the second bag opening assembly; the bag taking assembly sucks a packaging bag, and the traversing assembly takes the packaging bag from the bag taking assembly and moves the packaging bag to a first bag opening position, wherein the first bag opening position is limited by the first bag opening assembly; the first bag opening assembly opens the packaging bag at the first bag opening position, and the first filling assembly conveys the nuts stored in the first filling assembly into the packaging bag; the traversing assembly traverses the nut containing packages to a first packaging position, wherein the first packaging assembly defines the first packaging position; the first packaging assembly carries out first heat sealing on the packaging bag at the first packaging position, wherein the sealing position of the first heat sealing is located at the middle position of the packaging bag; the traversing assembly traverses the packaging bag to a second bag opening position, wherein the second bag opening assembly defines the second bag opening position; the second bag opening assembly opens the packaging bag at the second bag opening position, and the second filling assembly conveys the dry fruits stored in the packaging bag into the packaging bag.
The bag taking assembly comprises a bag storage platform, a rotating part and a suction part; store up the storage position that the wrapping bag was deposited in the limited storage of bag platform, the portion of absorbing is in storage position absorbs a wrapping bag, the rotating part drives the portion of absorbing orientation the sideslip subassembly is rotatory, makes the sideslip subassembly acquire a wrapping bag that the portion of absorbing absorbs.
Wherein the pouch platform comprises: the bag taking stand column, the bag supporting plate, the filler strip, 2 bag blocking plates and 2 close leaning frames; wherein the bag supporting plate is arranged above the bag taking stand column, the filler strip, the 2 bag blocking plates and the 2 abutting frames are arranged above the bag supporting plate, and the filler strip, the 2 bag blocking plates and the 2 abutting frames define the storage position; the rotating part includes: the device comprises a first cylinder, a rotary rocker arm, a rotating shaft and a first cylinder seat; the first cylinder is connected with the rotary rocker arm, the rotating shaft penetrates through a through hole formed in the bag taking upright post, the rotary rocker arm is connected with the first cylinder seat through the rotating shaft, the rotary rocker arm is driven by the first cylinder to rotate left and right, and the first cylinder seat rotates along with the rotation of the rotary rocker arm; the suction part includes: the second cylinder, the vacuum sucker seat and the plurality of vacuum suckers; the second cylinder is arranged on the first cylinder seat and connected with the vacuum sucker seat, and the vacuum sucker seat is provided with the plurality of vacuum suckers.
Wherein the first bag opening assembly comprises: first clamping part and division bag portion, first clamping part includes: the first right splint, the second right splint, the first left splint and the second left splint; the first right clamping plate, the second right clamping plate, the first left clamping plate and the second left clamping plate can synchronously move left and right, the second right clamping plate and the second left clamping plate can move front and back, and the first right clamping plate and the first left clamping plate cannot move front and back; open bag portion and include a plurality of sucking discs, first clamping part is in first bag position centre gripping wrapping bag just this wrapping bag is opened to a plurality of sucking discs of opening bag portion.
Wherein the first clamping portion includes: the sliding block clamping device comprises a first guide rail and a second guide rail, wherein a first slider seat and a second slider seat are arranged between the first guide rail and the second guide rail and can slide left and right on the first guide rail and the second guide rail, a first right clamping plate and a second right clamping plate are arranged on the first slider seat, and a first left clamping plate and a second left clamping plate are arranged on the second slider seat; the first clamping part further comprises a translation cylinder, the translation cylinder is connected with one end of a first translation connecting rod assembly, and the other end of the first translation connecting rod assembly is connected with the first sliding block seat; the first translation connecting rod assembly is further connected with one end of a second translation connecting rod assembly through a connecting rod rocker arm, and the other end of the second translation connecting rod assembly is connected with the second slider seat.
Wherein the first clamping portion further comprises: the device comprises a duplex cylinder, roller needle seats, roller needle bearings, adjusting bolts, thin nuts, compression springs, 2 linear bearings and 2 connecting shafts; the duplex cylinder is connected with the roller needle seat, the roller needle bearing is arranged on the roller needle seat and connected with the second left clamping plate, and the 2 linear bearings are arranged on the connecting shaft and contacted with the second left clamping plate.
Wherein the first package assembly includes: second clamping part and heat-seal portion, the second clamping part includes: a fixed splint, a movable splint and a movable part; the moving part drives the moving clamping plate to move towards the fixed clamping plate, and the fixed clamping plate and the moving clamping plate clamp the packaging bag; the heat-seal portion includes first heat-seal portion and second heat-seal portion, first heat-seal portion with second heat-seal portion removes in opposite directions and pastes tight wrapping bag and right the wrapping bag heat-seal.
Wherein, the fixed splint includes: the clamping head device comprises a first C-shaped seat and a second C-shaped seat, wherein a clamping head is arranged at the top end of the first C-shaped seat, and a clamping head is arranged at the top end of the second C-shaped seat; the movable clamp plate includes: the clamping device comprises a first movable clamping plate and a second movable clamping plate, wherein a clamping head is arranged at the top end of the first movable clamping plate, and a clamping head is arranged at the top end of the second movable clamping plate; the moving part includes: the clamping device comprises a first U-shaped seat and a second U-shaped seat, wherein a part of the first movable clamping plate is positioned in the first U-shaped seat, and a part of the second movable clamping plate is positioned in the second U-shaped seat.
The first heat-sealing part comprises a first base, the first base is positioned between the first C-shaped seat and the second C-shaped seat, an air cylinder is arranged on the first base, one end of the air cylinder, which is measured in the interior, is connected with the connecting seat, a heat-sealing pressing strip and a flat-covering pressing plate are arranged on the inner side of the connecting seat, and a heating pipe is further arranged on one side of the heat-sealing pressing strip; the second heat-seal portion comprises a second base, the second base is located between the first U-shaped seat and the second U-shaped seat, a cylinder is arranged on the second base, one end of the inner side of the cylinder is connected with the connecting seat, a heat-seal pressing strip and a flat pressing plate are arranged on the inner side of the connecting seat, and a heating pipe is further arranged on one side of the heat-seal pressing strip.
Wherein the first filling assembly comprises: the device comprises a lifting cylinder seat, a feeding lifting plate, a nut hopper, a nut feeding pipe, a left storage split plate, a right storage split plate, a lifting cylinder and an opening and closing cylinder; wherein, lift cylinder drive pan feeding lifter plate removes, makes nut pan feeding pipe just is directly over the wrapping bag opening, the cylinder drive that opens and shuts first material stock cut-off board with the right side cut-off board of second material stock is opened, and the storage is in predetermined quantity in the nut hopper and the nut of predetermined type pass through nut pan feeding pipe gets into the wrapping bag.
According to the nut filling device, the bag taking assembly, the transverse moving assembly, the bag opening assembly and the filling assembly are arranged, so that automatic filling of nuts is realized, and the production efficiency of nut filling is greatly improved; the invention can respectively package nuts and dry fruits in a food package, realizes the separate packaging of the nuts and the dry fruits, and prevents the nuts and the dry fruits from being sticky and tainted with odor.
Drawings
The accompanying drawings, which are included to provide a further understanding of the invention and are incorporated in and constitute a part of this application, illustrate embodiment(s) of the invention and together with the description serve to explain the invention without limiting the invention. In the drawings:
FIG. 1 is a front view of a bag extraction assembly according to an embodiment of the present invention;
FIG. 2 is a cross-sectional view taken along line A-A of FIG. 1;
FIG. 3 is a top view of a bag access assembly according to an embodiment of the present invention;
FIG. 4 is a top view of a traverse assembly according to an embodiment of the invention;
FIG. 5 is a front view of a bag opener assembly according to an embodiment of the present invention;
FIG. 6 is a cross-sectional view taken along line A-A of FIG. 5;
FIG. 7 is a top view of a bag opening assembly according to an embodiment of the present invention;
FIG. 8 is a front view of a filling assembly according to an embodiment of the present invention;
FIG. 9 is a bottom view of a filling assembly according to an embodiment of the present invention;
fig. 10 is a left side view of a package assembly according to an embodiment of the present invention;
fig. 11 is a top view of a package assembly according to an embodiment of the present invention;
fig. 12 is a front view of a package assembly according to an embodiment of the present invention;
FIG. 13 is a top view of a traverse assembly in accordance with an embodiment of the invention;
FIG. 14 is an elevation view of a traverse assembly according to an embodiment of the invention;
figure 15 is a left side view of a cartridge unit according to an embodiment of the present invention.
Detailed Description
In order to make the objects, technical solutions and advantages of the present invention more apparent, the technical solutions of the present invention will be clearly and completely described below with reference to the specific embodiments of the present invention and the accompanying drawings. It is to be understood that the described embodiments are merely exemplary of the invention, and not restrictive of the full scope of the invention. All other embodiments, which can be derived by a person skilled in the art from the embodiments given herein without making any creative effort, shall fall within the protection scope of the present invention.
The technical solutions provided by the embodiments of the present invention are described in detail below with reference to the accompanying drawings.
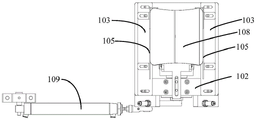
There is provided in accordance with an embodiment of the present invention a nut filling apparatus, with reference to fig. 1, comprising: the bag taking assembly 10, the first bag opening assembly 20, the first filling assembly 30, the first packing assembly 40, the second bag opening assembly 50, the second filling assembly 60 and the traverse assembly 70. The bag taking assembly 10, the first bag opening assembly 20, the first packing assembly 40 and the second bag opening assembly 50 are sequentially arranged, the traversing assembly 70 is positioned in front of the assemblies, the first filling assembly 30 is positioned above the first bag opening assembly 20, and the second filling assembly 60 is positioned above the second bag opening assembly 50. For simplicity, the arrangement direction along the bag taking member 10, the first bag opening member 20, the first packing member 40, and the second bag opening member 50 is set to the left-right direction (the bag taking member 10 is located at the leftmost side), and the direction perpendicular to the left-right direction in the working plane is set to the front-back direction.
Referring collectively to fig. 2-4, bag access assembly 10 is used to provide packaging bags and may also be referred to in a sense as a bag supply assembly. In an embodiment of the present application, the bag extraction assembly 10 may include a bag storage platform, a rotating portion, and a suction portion. The bag storage platform is used for limiting a storage position of the packaging bags, and a plurality of packaging bags are stored in the storage position. In particular, the bag storage platform may include a bag pick up stand 101, a bag pallet 102, a filler strip 103, 2 bag baffles 105, and 2 hug frames 106. The bag taking stand column 101 can be fixed with the ground or a workbench, the bag supporting plate 102 is arranged above the bag taking stand column 101, and the filler strip 103 is arranged above the bag supporting plate 102. The middle of the bag supporting plate 102 is hollowed out, so that the bag can be taken from the lower side of the bag supporting plate. The bag holder plate 102 has disposed thereon a filler strip 103, 2 bag baffles 105 and 2 abutting shelves 106, the filler strip 103, 2 bag baffles 105 and 2 abutting shelves 106 defining a storage location for storing bags, in which a stack of a plurality of bags 108 is stored or placed.
The suction part is mainly used for taking the bag from the bag storage platform and sending the bag to the transverse moving component. The rotating part is mainly used for rotating the suction part, so that the suction part can switch positions after the two actions are completed. Specifically, the rotating portion may include: the hydraulic cylinder comprises a cylinder support 111, a cylinder 112 (a first cylinder), a joint bearing 113, a rotary rocker arm 114, 2 limiting seats 115, 2 buffers 116, a rotating shaft 120, 2 bearings 121, a bearing spacer 122 and a first cylinder seat 123. Wherein, the cylinder support 111 can be fixed with the ground or the workbench. One end of the cylinder 112 is connected to the cylinder holder 111 through a shaft, the other end of the cylinder 112 is connected to the swing arm 114 through a joint bearing 113, and the swing arm 114 is driven by the cylinder 112 to swing left and right. Limiting seats 115 for limiting the rotation angle of the rotary rocker arm 114 are respectively arranged on two sides of the rotary rocker arm 114, and buffers 116 are respectively arranged on 2 limiting seats 115. In the present embodiment, the rotation angle of the rotary rocker arm 114 may be 90 degrees. In the rotating part, the rotating shaft 120 passes through a through hole arranged on the bag taking upright post 101, the rotating rocker arm 114 is connected with the first cylinder seat 123 through the rotating shaft 120, and the first cylinder seat 123 can rotate along with the rotation of the rotating rocker arm 114. That is, the swing arm 114 and the first cylinder block 123 are respectively located on both sides of the bag-taking column 101 and connected by the rotation shaft 120. In order to enable the rotating shaft 120 to rotate in the through hole of the bag taking upright 101, 2 bearings 121 are arranged in the through hole, a bearing spacer 122 is arranged between the 2 bearings 121, and the rotating shaft 120 respectively penetrates through the 2 bearings 121 and the bearing spacer 122. Further, at one side of the rotary rocker arm 114, one end of the rotation shaft 120 is provided with a bearing transparent cover 117 and a square nut 118.
In the present embodiment, the suction part may include: a second cylinder 150, a vacuum chuck base 151, and a plurality of vacuum chucks 152. Wherein, the cylinder body of the cylinder 150 is fixed on the first cylinder seat 123, and the cylinder 150 and the first cylinder seat 123 rotate synchronously. The piston rod of the cylinder 150 is connected with the vacuum chuck seat 151, and the second cylinder 150 can drive the vacuum chuck seat 151 to move up and down or back and forth. The vacuum chuck base 151 is provided with a plurality of vacuum chucks 152, and the vacuum chucks 152 are used for sucking a lowermost one of the stack of packing bags 108 at an initial position. In some embodiments, 4 or another number of vacuum cups 152 may be disposed on the vacuum cup holder 151.
When the suction portion of the bag taking assembly 10 according to the embodiment of the present application performs a bag taking operation, the rotating portion rotates to position the suction portion below the storage position (as shown in fig. 3), at this time, the vacuum suction cup 152 is positioned right below the packaging bag, then the piston rod of the second air cylinder 150 extends, the vacuum suction cup 152 approaches the bag support plate 102 and contacts the packaging bag 108, the vacuum suction cup 152 sucks the lowermost packaging bag by means of vacuum suction, then the piston rod of the second air cylinder 150 retracts, and the vacuum suction cup 152 leaves the bag support plate 102. Then, the rotating part rotates and drives the suction part to rotate forward (i.e. towards the direction of the moving assembly) by 90 degrees, the suction part performs a bag feeding action, the piston rod of the second air cylinder 150 extends out, the vacuum suction cup 152 is close to the traverse moving assembly 70, the packaging bag on the vacuum suction cup 152 is contacted with the traverse moving assembly 70, the bag taking assembly 10 exchanges the packaging bag with the traverse moving assembly 70, the traverse moving assembly 70 obtains the packaging bag, then the vacuum suction cup 152 releases the pressure of the packaging bag, and the suction part completes the bag feeding action. Then, the piston rod of the second cylinder 150 retracts, and the rotating portion rotates to drive the suction portion to rotate upward (i.e., toward the bag-picking position) by 90 degrees, so as to start the next bag-picking process.
After a package is obtained, the traversing assembly 70 traverses the package to a first bag opening position defined by the first bag opening assembly 20, which is located at an intermediate position above the first bag opening assembly 20 in this embodiment.
Referring to fig. 5 to 7, after the traversing assembly 70 traverses the packing bag to the first bag opening position, the first bag opening assembly 20 performs a first bag opening operation. The first bag opening assembly 20 may include a first clamping portion and a bag opening portion, specifically, the first clamping portion may include a bag opening base 201, the bag opening base 201 is fixed on the operation table or the production line, and two parallel guide rails, i.e., a first guide rail 202 and a second guide rail 203, are fixed on the bag opening base 201. For simplicity, the axial extending direction of the first guide rail 202 and the second guide rail 203 is set as a left-right direction herein, and a direction perpendicular to the left-right direction in the plane of the bag opening base 201 is set as a front-rear direction. Each guide rail is provided with 2 sliders, namely 4 sliders (1 slider 204 is exemplarily shown in the figure), and the sliders can slide left and right on the guide rail. As shown in the figure, a first slider seat 205 is fixed to 2 sliders on the right side of the first guide rail 202 and the second guide rail 203, a second slider seat 206 is fixed to 2 sliders on the left side of the first guide rail 202 and the second guide rail 203, and the first slider seat 205 and the second slider seat 206 can slide left and right on the guide rails. Note that one end of the first slider holder 205 protrudes out of the bag opening base 201 and is connected to the first translation link unit 222.
The first clamping portion may include a first set of clamping plates including a first right clamping plate 211 and a first left clamping plate 213, and a second set of clamping plates including a second right clamping plate 212 and a second left clamping plate 214. A first right clamping plate 211 and a first vertical seat 231 are fixed on the first slider seat 205, a second right clamping plate 212 is arranged between the first right clamping plate 211 and the first vertical seat 231, the relative position between the first right clamping plate 211 and the first vertical seat 231 is fixed, and the second right clamping plate 212 can move between the first right clamping plate 211 and the first vertical seat 231; the second slider holder 206 is provided with a first left clamp plate 213 and a second upright holder 241, a second left clamp plate 214 is provided between the first left clamp plate 213 and the second upright holder 241, the relative position between the first left clamp plate 213 and the second upright holder 241 is fixed, and the second left clamp plate 214 is movable between the first left clamp plate 213 and the second upright holder 241. Both sets of jaws are movable left and right, but only the second set of jaws (second right jaw 212 and second left jaw 214) are movable back and forth, while the first set of jaws (first right jaw 211 and first left jaw 213) are not movable back and forth. In the present embodiment, a collet 215 is disposed on the top end of the first right clamping plate 211, a collet 216 is disposed on the top end of the second right clamping plate 212, a collet 217 is disposed on the top end of the first left clamping plate 213, a collet 218 is disposed on the top end of the second left clamping plate 214, and a rubber pad (not shown) may be disposed on the top end of part or all of the collets.
In addition, a baffle 219 is provided at an upper portion of each of the first left clamp plate 213 and the second left clamp plate 214, 2 baffles 219 define an opening facing to the left (in the direction toward the bag pickup assembly 10), and the traverse assembly 70 picks up the packaging bag by the bag pickup assembly 10 and then feeds the packaging bag between 4 grippers of the first bag opening assembly 20 from between the openings defined by the 2 baffles 219, that is, the first bag opening position.
With continued reference to the drawings, the first clamping portion of the first bag opening assembly 20 may further include a rotating arm 221, and one end of the rotating arm 221 is simultaneously connected to one end of the first translation link unit 222 and the third cylinder 226, which are connected by a shaft 229. The other end of the rotating arm 221 is connected to one end of the second translation link unit 223. The other end of the first translational link unit 222 is connected to the first slider holder 205, and the other end of the second translational link unit 223 is connected to the second slider holder 206. The middle of the rotating arm 221 has a bearing 224, and the bearing 224 is connected to the open bag suction cup base plate 263 through a shaft. The rotating arm 221 has a substantially diamond shape, and can rotate within a certain angle, so that the rotating arm 221 can drive the first and second translational link units 222 and 223 to move. Specifically, the first translation link unit 222 may include: joint bearing 2221, bolt 2222, joint bearing 2223, rotating shaft 2224, and the like. Likewise, the second translation link unit 223 may include similar components to the first translation link unit 222, which will not be described herein. The first clamping portion may further include a second cylinder block 225 fixed on the bag opening base 201, a third cylinder 226 fixed on the second cylinder block 225, the third cylinder 226 being used for providing power for rotating the rotating arm 221.
In addition, the first clamping portion may further include a buffer 227 for buffering the left-right movement of the first slider holder 205, and a buffer 228 for buffering the left-right movement of the second slider holder 206. The first translational rotating arm unit 224 and the second translational rotating arm unit 226 are driven by the rotating arm 221 to move, and further the first slider seat 205 and the second slider seat 206 are driven to synchronously move left and right on the guide rail, so that 4 clamping plates and 4 chucks can synchronously move left and right. Here, the synchronous left-right movement refers to synchronous same-direction or reverse-direction movement, that is, when the first slider holder 205 moves to the left, the second slider holder 206 moves to the right at the same time; when the first slider seat 205 moves rightward, the second slider seat 206 moves leftward at the same time, i.e., the first slider seat 205 and the second slider seat 206 move in the same direction or in the opposite direction at the same time.
In the present embodiment, second right clamping plate 212 is movable back and forth relative to first right clamping plate 211, and second left clamping plate 214 is movable back and forth relative to first left clamping plate 213. The second left splint 214 is described in detail below as an example. The first clamping portion may further include an adjusting bolt (or called an adjusting handle) 242, and the adjusting bolt 242 passes through the second vertical seat 241 and the second left clamping plate 214, respectively. The adjusting bolt 242 is provided with a thin nut 243 and a pressing spring 244, the thin nut 243 is in contact with the second vertical base 241, the pressing spring 244 is provided between the second vertical base 241 and the second left clamp plate 214, and the position of the second left clamp plate 214 can be finely adjusted by rotating the adjusting bolt 242. The first clamping part may further include 2 connecting shafts connected between the second vertical base 241 and the first left clamping plate 213, the 2 connecting shafts passing through the second left clamping plate 214 such that the second left clamping plate 214 can move between the second vertical base 241 and the first left clamping plate 213. These 2 connecting shafts have the same structure, and one of the connecting shafts 245 is described below as an example. The connecting shaft 245 is provided with 2 linear bearings 246, and the linear bearings 246 are in close contact with the second left clamping plate 214.
In order to drive the second left clamp plate 214 to move back and forth between the first left clamp plate 213 and the second vertical seat 241, the first clamping portion may further include a fourth cylinder (duplex cylinder) 251, a roller seat 252, 2 roller needle bearings 253, and 2 movement stoppers 254 (only one roller needle bearing 253 and one movement stopper 254 are shown in fig. 6). The fourth cylinder 251 is fixedly arranged on the bag opening base 201, the fourth cylinder 251 is connected with the roller needle roller seat 252 through bolts, the 2 roller needle bearings 253 are respectively installed at two ends of the roller needle roller seat 252, the movable limiting blocks 254 are respectively abutted against the corresponding roller needle roller bearings 253, and each movable limiting block 254 is respectively fixedly connected with one of the corresponding second group of clamping plates (namely, one movable limiting block is fixedly connected with the second left clamping plate 214, and the other movable limiting block is connected with the second right clamping plate 212). When moving, the fourth cylinder 251 drives the roller pin seat 252 to move, and the movement is transmitted to the movement limiting block 254 through the roller needle bearing 253 on the roller pin seat 252, and further transmitted to the second left clamping plate 214 and the second right clamping plate 212, so that the second left clamping plate 214 and the second right clamping plate 212 move. With the above embodiment, the second right clamping plate 212 and the second left clamping plate 214 can move back and forth with respect to the first right clamping plate 211 and the first left clamping plate 213, and since 4 clamping plates can move left and right, 4 chucks can clamp the packing bag.
With continued reference to fig. 5-7, the bag opening portion of the first bag opening assembly 20 may include: 2 bottom plate supports 261 and 262, bag opening suction cup bottom plate 263, fifth air cylinder (duplex air cylinder) 264, 2 bag opening suction cup supports 265 and 266, suction cups 256, 257, 258, 259. Wherein, the bottom plate supports 261 and 262 are fixedly arranged on the bag opening base 201, and the bag opening sucker bottom plate 263 is connected with the bottom plate supports 261 and 262 and is parallel to the bag opening base 201. The fifth cylinder 264 is arranged on the bag opening suction cup base plate 263, 2 bag opening suction cup brackets 265 and 266 are respectively arranged at the front end and the rear end of the fifth cylinder 264, and 2 vacuum suction cups, namely 4 vacuum suction cups 271, 272, 273 and 274 are respectively arranged at the top end of each bag opening suction cup bracket. The fifth air cylinder 264 can drive the bag opening suction cup brackets 265 and 266 to synchronously move back and forth, wherein the synchronous back and forth movement refers to that when the bag opening suction cup bracket 265 moves forward, the bag opening suction cup bracket 266 simultaneously moves backward; when the bag opening suction cup holder 265 moves backward, the bag opening suction cup holder 266 moves forward at the same time, that is, the bag opening suction cup holder 265 and the bag opening suction cup holder 266 move in the opposite direction or in the opposite direction in synchronization. Thus, 4 vacuum chucks move synchronously to suck and open the packaging bag. It should be noted that the heights of the 4 vacuum suction cups of the bag opening portion may be the same as the heights of the 4 chucks of the first clamping portion.
When the first bag opening assembly 20 performs the bag opening action, the clamping heads 216 and 218 move towards the clamping heads 215 and 217 synchronously, the clamping heads clamp the packaging bags after approaching contact, and the clamping positions can be positioned at the left side and the right side of the bag opening. And then, the vacuum suction cups are close to and contact with the packaging bags, the vacuum suction cups suck the bags from two sides respectively, and the positions where the vacuum suction cups suck the bags can be the middle positions of the bag openings. Then, the vacuum chuck moves synchronously to pull the packaging bag, simultaneously, the 4 chucks also move synchronously to the middle, the bag opening is pulled open, and the first bag opening action is completed.
After the first bag opening operation, a first filling operation is performed by the first filling assembly 30, the first filling assembly 30 is disposed above the first bag opening assembly 20, and referring to fig. 8 and 9, the first filling assembly 30 according to an embodiment of the present application includes: the device comprises a lifting cylinder seat 301, a feeding lifting plate 302, a nut hopper 303, a nut feeding pipe 304, a material storage split plate 305, an air claw limiter 306, a sixth cylinder (opening and closing cylinder) 307 and a seventh cylinder (lifting cylinder) 308.
Wherein, lift cylinder block 301 can be fixed on operation panel or assembly line, and lift cylinder 308 is fixed to be set up on lift cylinder block 301, and lift cylinder 308 is used for driving pan feeding lifter plate 302 to reciprocate, and then makes nut pan feeding pipe 304 reciprocate. The opening and closing cylinder 307 is used for driving the opening and closing of the storage opening and closing plate 305, and the air claw stopper 306 is used for limiting the opening angle of the storage opening and closing plate 305. The nut hopper 303 is used for temporarily storing nuts of a predetermined quantity and a predetermined type, after the bag opening of the packaging bag is opened, the nut feeding pipe 304 is adjusted to be close to the bag opening, the material storage opening and closing plate 305 is opened to enable the nuts in the nut hopper 303 to enter the packaging bag through the nut feeding pipe 304, and the first filling operation (namely nut filling) is completed.
After the first filling operation is completed, the vacuum chuck of the first bag opening assembly 20 is depressurized, the vacuum chuck releases the bag opening, and the chuck is moved to both sides synchronously to close the bag opening. Then, the traverse assembly 70 performs the traverse to move the packing bag to the first packing position defined by the first packing assembly 40, and the packing operation is performed on the packing bag at the middle position of the packing bag.
According to an embodiment of the present application, referring to fig. 10 to 12 in combination, the first packing member 40 may include a heat-seal base plate 401, a second clamping portion, and a heat-seal portion, the heat-seal base plate 401 being fixed on a work bench or a flow line, the second clamping portion and the heat-seal portion being disposed on the heat-seal base plate 401. Specifically, the second clamping portion may include a pair of fixing jaws (or referred to as C-shaped seats) disposed in parallel, i.e., a first fixing jaw 411 and a second fixing jaw 415, wherein the fixing jaws are directly fixed on the heat-seal base plate 401, and the fixing jaws are fixed. The first fixing jaw 411 is provided at the top thereof with a jaw 412, and the second fixing jaw 415 is provided at the top thereof with a jaw 416. The second clamping portion may further include a pair of moving jaws, i.e., a first moving jaw 421 and a second moving jaw 425, arranged in parallel, and movable relative to the fixed jaw. The first movable clamp 421 has a collet 422 at its top end, and the second movable clamp 425 has a collet 425 at its top end. In the embodiment of the present application, the first fixed clamp 411 and the first movable clamp 421 are oppositely disposed, and the clamp 412 on the first fixed clamp 411 and the clamp 422 on the first movable clamp 421 form a set to cooperatively clamp a predetermined position on the packaging bag; the second stationary jaw 415 is positioned opposite the second movable jaw 425. the clamp 416 of the second stationary jaw 415 and the clamp 426 of the second movable jaw 425 are in a set that cooperate to clamp another predetermined location on the package. When the movable clamping plate moves towards the fixed clamping plate, the two groups of clamping heads can be matched together to tightly clamp the packaging bag. The predetermined position may be a position near the bag inner portion of the packaging bag.
In the embodiment of the present application, the second clamping portion may further include a moving portion for moving the movable clamp plate, and referring to fig. 10 to 12 in combination, the moving portion may include a set of parallel U-shaped seats, i.e., a first U-shaped seat 431 and a second U-shaped seat 439, fixedly disposed on the heat-seal base plate 401. A portion of the first movable clamp 421 is positioned in the first clevis 431 and a portion of the second movable clamp 425 is positioned in the second clevis 439. The moving part may further include: an adjusting bolt (or called an adjusting handle) 432, a thin nut 433, a pressing spring 434, 2 linear bearings 435, 2 connecting shafts 436 and the like. The above-mentioned components are used for connecting the first movable clamp 421 and the first U-shaped seat 431 (or for supporting the first movable clamp 421) so that the first movable clamp 421 can move relative to the first U-shaped seat 431. Further, the position of the first movable clamp 421 can be finely adjusted by rotating the adjustment bolt 432. Similarly, similar components as described above are also included on one side of the second movable clamp 425 and the second clevis 439 for connecting the second movable clamp 425 and the second clevis 439 (or for supporting the second movable clamp 425) to allow the second movable clamp 425 to move relative to the second clevis 439, and thus, the description thereof is omitted.
Referring to the drawings, in order to drive the first moving clamp 421 to move back and forth in the first U-shaped seat 431 and the second moving clamp 425 to move back and forth in the second U-shaped seat 439, the moving part may further include an eighth cylinder 441 (duplex cylinder), a roller pin seat 442, 2 roller pin bearings 443, and 2 moving stoppers 444. Specifically, the eighth cylinder 441 may be fixed at an intermediate position of the heat-seal bottom plate 401, the eighth cylinder 441 is connected to the roller seat 442 by a bolt, 2 roller needle bearings 443 are respectively installed at both ends of the roller seat 442, the movement stoppers 444 respectively abut against the corresponding roller needle bearings 443, and each movement stopper 444 is respectively fixedly connected to the corresponding movable clamp (i.e., one movement stopper is fixedly connected to the first movable clamp 421, and the other movement stopper is fixedly connected to the second movable clamp 425). During the movement, the eighth cylinder 441 drives the roller seat 442 to move, and the movement is transmitted to the movement stopper 444 through the roller needle bearing 443 of the roller seat 442, and further transmitted to the first moving clamp 421 and the second moving clamp 425, so that the first moving clamp 421 can move forward and backward in the first U-shaped seat 431, and the second moving clamp 425 can move forward and backward in the second U-shaped seat 439. Note that the first movable clamp 421 and the second movable clamp 425 move or stop synchronously back and forth, and the moving distances are the same.
With continued reference to fig. 10-12, the heat-sealed sections of the first packaging assembly 40 are used to heat-seal the package, and may include a first heat-sealed section and a second heat-sealed section. The first heat-seal land may include a first base 451 fixedly disposed on the heat-seal base plate 401 between the first fixing jaw 411 and the second fixing jaw 415. The first base 451 is provided with a ninth cylinder 452 (three-axis cylinder), the ninth cylinder 452 is connected to a connection base 453, 2 shafts (one shaft 454 is shown in fig. 10) are provided at a middle position of the connection base 453, and the connection base 453 is connected to a flat pressing plate 462 through the 2 shafts. Further, each shaft is provided with a linear bearing (one of the linear bearings 455 is shown), and 2 shafts are connected together by a shaft connecting plate 456 (see fig. 12). A heat-sealing bead 461 is further disposed on the inner side of the connecting base 453, and the heat-sealing bead 461 is located above the flat pressing plate 462. A heating pipe 463 is provided at one end of the heat-seal bead 461, and a rubber pad 464 and a teflon tape (not shown) may be further provided on the heat-seal bead 461. The ninth cylinder 452 is configured to move the connecting base 453 and components (the heat-sealing bead 461, the flat-covering pad 462, etc.) thereon.
With continued reference to the drawings, the second heat-sealed portion of the heat-sealed portions of the first package assembly 40 may include a second base 471 fixedly disposed on the heat-sealed bottom plate 401 and located between the first U-shaped seat 431 and the second U-shaped seat 439, a tenth air cylinder 472 (three-axis air cylinder) is disposed on the second base 471, the tenth air cylinder 472 is connected to the connection seat 473, 2 shafts (one of the shafts 474 is shown in the drawing) are disposed at a middle position of the connection seat 473, and the connection seat 473 is connected to the flat pressing plate 482 through the 2 shafts. Further, each shaft is provided with a linear bearing (one of which, 475 is shown in fig. 10), and 2 shafts are connected together by a shaft connecting plate 476 (not shown in the drawings). A heat-sealing bead 481 is further arranged on the inner side of the connecting seat 473, and the heat-sealing bead 481 is located above the flat pressing plate 482. A heating pipe 483 is provided at one end of the heat-seal bead 481. Among them, the tenth air cylinder 472 is used to move the connecting seat 473 and the components thereon (the heat-seal bead 481, the flat pressing plate 482, etc.).
When carrying out first heat-seal operation, thereby the wrapping bag is carried to solid fixed splint removal to the removal splint of first encapsulation subassembly 40, and the first heat-seal portion and the second heat-seal portion of first encapsulation subassembly 40 move in opposite directions and paste tight wrapping bag, cover flat clamp board floating pressure area and guarantee that the sack does not appear the fold, and the heating pipe heats the heat-seal layering, and accessible temperature controller automatic temperature adjustment, heat-seal layering and rubber pad combine soft or hard pressfitting to realize the heat-seal.
After the first packaging operation is completed, the traverse assembly 70 moves the packaging bag to the second bag opening position, and continues to perform the second bag opening and second filling operations on the packaging bag, where the second bag opening assembly 50 performing the second bag opening is similar to the first bag opening assembly 20, and the second filling assembly 60 performing the second filling is similar to the first filling assembly 30, please refer to the embodiments shown in fig. 5 to 7, and fig. 8 and 9, and no further description is given here. It is noted that the first filling is with nuts and the second filling is with dry fruits. That is, the nuts and the dried fruits can be separated from each other by the secondary filling operation without sticking and tainting of flavor between the nuts and the dried fruits.
In the embodiment of the present application, the traverse assembly 70 is disposed in front of the bag-taking assembly 10, the first bag-opening assembly 20, the first packing assembly 40, the second bag-opening assembly 50, and the like. The traverse module 70 is mainly used for moving the packaging bag among the modules, and the moving action specifically comprises: the bag pick assembly 10 picks up and traverses the bag to a first open position, traverses the bag to a first package position after a first opening and first filling, traverses the bag to a second open position after a first packaging, traverses the bag to a second package position after a second opening and second filling, and so on. The specific construction of the traversing assembly 70 is described in detail below.
Referring to FIGS. 13 and 14, a traverse assembly 70 according to an embodiment of the present application may include: the transverse moving part, the longitudinal moving part and the clamping part. The traverse section may include: two guide rails 701 fixed on the workbench, wherein each guide rail is respectively provided with 2 sliding blocks 702, and a transverse moving seat 703 is fixed on 4 sliding blocks 702. The eleventh air cylinder 704 is connected to the traverse carriage 703, and the eleventh air cylinder 704 can drive the traverse carriage 703 to slide left and right on the guide rail 701. Buffers 705 for buffering the movement of the traverse bed 703 are further provided at both ends of the guide rail 701. Two guide rails 706 and a support 710 are fixed on the traverse carriage 703, wherein the guide rails 706 are perpendicular to the guide rails 701. The longitudinally moving part may include: each guide rail 706 is provided with a sliding block 707, the sliding block 707 is provided with a longitudinal moving seat 708, a twelfth air cylinder 709 is fixed on the longitudinal moving seat 708, and the twelfth air cylinder 709 can move back and forth relative to the support 710, so that the longitudinal moving seat 708 can be driven to move back and forth. The longitudinal moving seat 708 is provided with a transverse moving frame, the transverse moving frame comprises vertical rods 711 arranged at two ends of the longitudinal moving seat 708, 2 parallel rods 712 are arranged on the rods 711, and 4 groups of chuck units 720 are arranged on the 2 parallel rods 712. When the longitudinal moving base 708 moves forward and backward, the transverse moving frame and 4 sets of chuck units 720 move forward and backward synchronously. Referring to fig. 15, each chuck unit 720 may include 2 "L" shaped connectors 721, short sides of which are fixed to the rod 712, and long sides 722 of which protrude forward in a direction facing the bag-taking assembly 10, the first bag-opening assembly 20, the first packing assembly 40, the second bag-opening assembly 50, etc. A cylinder block is fixed to 2 long sides 722 of one chuck unit 720, and a thirteenth cylinder 723 is provided on the cylinder block. Each long side 722 is provided with a connecting rod 725 and a movable part 726 of the collet, each connecting rod 725 is connected with a thirteenth cylinder 723 through a connecting plate 724, and the connecting rod 725 controls the movable part 726 of the collet through a shaft. The fixed portion 727 of the clamp is further provided at the top end of the long side 722, the movable portion 726 and the fixed portion 727 together constitute the clamp, and the thirteenth air cylinder 723 can drive the movable portion 726 to close or open relative to the fixed portion 727, so that the clamp can clamp or release the packaging bag.
In the production line of the nut filling system, a complete packaging process sequentially comprises the following steps: the method comprises the following steps of bag taking, first bag opening, first filling, first packaging, second bag opening, second filling, weight supplementing and second packaging (sealing). In practical applications, the traversing assembly 70 moves in a circular motion such as forward, translational, backward, translational, etc. For example, the 4 groups of chuck units 720 of the traverse assembly 70 are respectively aligned with the bag taking assembly 10, the first bag opening assembly 20, the first packing assembly 40 and the second bag opening assembly 50 from left to right.
The first set of gripper units aligned with bag extraction assembly 10 performs the following actions in sequence: move forward to the bag pick-up position to pick up the bag, traverse (move right) to the first bag opening position and exchange the bag with the first bag opening assembly 20, retreat, traverse (move left), return to the original position, and then continue the next cycle.
The second set of chuck units aligned with the first bag opener assembly 20 performs the following actions in sequence: move forward to the first open position to pick up the bag, traverse (move right) to the first packing position and exchange the bag with the first packing assembly 40, retreat, traverse (move left), return to the original position, and then continue the next cycle.
Aligning the third set of chuck units of the first package assembly 40 sequentially performs the following actions: move forward to the first packaging position to pick up the bag, traverse (move right) to the second bag opening position and the second bag opening assembly 50 exchanges the bag, retreat, traverse (move left), return to the original position, and then continue the next cycle.
The fourth set of chuck units aligned with the second bag opener assembly 50 performs the following actions in sequence: move forward to the second bag opening position to obtain the packaging bag, move transversely (move right) to transfer the packaging bag to the production line, retreat, move transversely (move left), return to the initial position, and continue the next cycle.
And after the second filling is finished, the re-weight operation can be carried out, namely, the re-weight operation is carried out on the packaging bags with the weight not meeting the requirement, the second bag sealing operation is finally carried out, and the heat sealing is carried out on the packaging bags at the bag opening positions.
By the embodiment of the invention, the automatic filling of the nuts is realized, and the production efficiency is greatly improved; and can pack nut and dry fruit in a food packaging unit (bag) respectively, realize the separation packing of nut and dry fruit, can not glue between nut and the dry fruit and play the flavor.
The above description is only an example of the present invention, and is not intended to limit the present invention, and it is obvious to those skilled in the art that various modifications and variations can be made in the present invention. Any modification, equivalent replacement, or improvement made within the spirit and principle of the present invention should be included in the scope of the claims of the present invention.

Claims (10)

1. A nut filling apparatus, comprising: the bag taking assembly, the first bag opening assembly, the first filling assembly, the first packaging assembly, the second bag opening assembly, the second filling assembly and the transverse moving assembly are arranged on the bag taking assembly; the bag taking assembly, the first bag opening assembly, the first packaging assembly and the second bag opening assembly are sequentially arranged, the first filling assembly is positioned above the first bag opening assembly, and the second filling assembly is positioned above the second bag opening assembly;
the bag taking assembly sucks a packaging bag, and the traversing assembly takes the packaging bag from the bag taking assembly and moves the packaging bag to a first bag opening position, wherein the first bag opening position is limited by the first bag opening assembly;
the first bag opening assembly opens the packaging bag at the first bag opening position, and the first filling assembly conveys the nuts stored in the first filling assembly into the packaging bag;
the traversing assembly traverses the nut containing packages to a first packaging position, wherein the first packaging assembly defines the first packaging position;
the first packaging assembly carries out first heat sealing on the packaging bag at the first packaging position, wherein the sealing position of the first heat sealing is located at the middle position of the packaging bag;
the traversing assembly traverses the packaging bag to a second bag opening position, wherein the second bag opening assembly defines the second bag opening position;
the second bag opening assembly opens the packaging bag at the second bag opening position, and the second filling assembly conveys the dry fruits stored in the packaging bag into the packaging bag.
2. The nut filling apparatus of claim 1, wherein the bag extraction assembly comprises a bag storage platform, a rotating portion, and a suction portion; store up the storage position that the wrapping bag was deposited in the limited storage of bag platform, the portion of absorbing is in storage position absorbs a wrapping bag, the rotating part drives the portion of absorbing orientation the sideslip subassembly is rotatory, makes the sideslip subassembly acquire a wrapping bag that the portion of absorbing absorbs.
3. The nut filling apparatus of claim 2,
the pouch platform includes: the bag taking stand column, the bag supporting plate, the filler strip, 2 bag blocking plates and 2 close leaning frames; wherein the bag supporting plate is arranged above the bag taking stand column, the filler strip, the 2 bag blocking plates and the 2 abutting frames are arranged above the bag supporting plate, and the filler strip, the 2 bag blocking plates and the 2 abutting frames define the storage position;
the rotating part includes: the device comprises a first cylinder, a rotary rocker arm, a rotating shaft and a first cylinder seat; the first cylinder is connected with the rotary rocker arm, the rotating shaft penetrates through a through hole formed in the bag taking upright post, the rotary rocker arm is connected with the first cylinder seat through the rotating shaft, the rotary rocker arm is driven by the first cylinder to rotate left and right, and the first cylinder seat rotates along with the rotation of the rotary rocker arm;
the suction part includes: the second cylinder, the vacuum sucker seat and the plurality of vacuum suckers; the second cylinder is arranged on the first cylinder seat and connected with the vacuum sucker seat, and the vacuum sucker seat is provided with the plurality of vacuum suckers.
4. The nut filling apparatus of claim 1,
the first bag opening assembly comprises: first clamping part and division bag portion, first clamping part includes: the first right splint, the second right splint, the first left splint and the second left splint; the first right clamping plate, the second right clamping plate, the first left clamping plate and the second left clamping plate can synchronously move left and right, the second right clamping plate and the second left clamping plate can move front and back, and the first right clamping plate and the first left clamping plate cannot move front and back; open bag portion and include a plurality of sucking discs, first clamping part is in first bag position centre gripping wrapping bag just this wrapping bag is opened to a plurality of sucking discs of opening bag portion.
5. The nut filling apparatus of claim 4, wherein the first clamp portion comprises: the sliding block clamping device comprises a first guide rail and a second guide rail, wherein a first slider seat and a second slider seat are arranged between the first guide rail and the second guide rail and can slide left and right on the first guide rail and the second guide rail, a first right clamping plate and a second right clamping plate are arranged on the first slider seat, and a first left clamping plate and a second left clamping plate are arranged on the second slider seat; the first clamping part further comprises a translation cylinder, the translation cylinder is connected with one end of a first translation connecting rod assembly, and the other end of the first translation connecting rod assembly is connected with the first sliding block seat; the first translation connecting rod assembly is further connected with one end of a second translation connecting rod assembly through a connecting rod rocker arm, and the other end of the second translation connecting rod assembly is connected with the second slider seat.
6. The nut filling apparatus of claim 5, wherein the first clamp portion further comprises: the device comprises a duplex cylinder, roller needle seats, roller needle bearings, adjusting bolts, thin nuts, compression springs, 2 linear bearings and 2 connecting shafts; the duplex cylinder is connected with the roller needle seat, the roller needle bearing is arranged on the roller needle seat and connected with the second left clamping plate, and the 2 linear bearings are arranged on the connecting shaft and contacted with the second left clamping plate.
7. The nut filling apparatus of claim 1, wherein the first packaging assembly comprises: second clamping part and heat-seal portion, the second clamping part includes: a fixed splint, a movable splint and a movable part; the moving part drives the moving clamping plate to move towards the fixed clamping plate, and the fixed clamping plate and the moving clamping plate clamp the packaging bag; the heat-seal portion includes first heat-seal portion and second heat-seal portion, first heat-seal portion with second heat-seal portion removes in opposite directions and pastes tight wrapping bag and right the wrapping bag heat-seal.
8. The nut filling apparatus of claim 7,
the fixing splint includes: the clamping head device comprises a first C-shaped seat and a second C-shaped seat, wherein a clamping head is arranged at the top end of the first C-shaped seat, and a clamping head is arranged at the top end of the second C-shaped seat;
the movable clamp plate includes: the clamping device comprises a first movable clamping plate and a second movable clamping plate, wherein a clamping head is arranged at the top end of the first movable clamping plate, and a clamping head is arranged at the top end of the second movable clamping plate;
the moving part includes: the clamping device comprises a first U-shaped seat and a second U-shaped seat, wherein a part of the first movable clamping plate is positioned in the first U-shaped seat, and a part of the second movable clamping plate is positioned in the second U-shaped seat.
9. The nut filling apparatus of claim 8,
the first heat-sealing part comprises a first base, the first base is positioned between the first C-shaped seat and the second C-shaped seat, the first base is provided with an air cylinder, one end of the air cylinder, which is measured in the interior, is connected with the connecting seat, the inner side of the connecting seat is provided with a heat-sealing pressing strip and a flat-covering pressing plate, and one side of the heat-sealing pressing strip is also provided with a heating pipe;
the second heat-seal portion comprises a second base, the second base is located between the first U-shaped seat and the second U-shaped seat, a cylinder is arranged on the second base, one end of the inner side of the cylinder is connected with the connecting seat, a heat-seal pressing strip and a flat pressing plate are arranged on the inner side of the connecting seat, and a heating pipe is further arranged on one side of the heat-seal pressing strip.
10. The nut filling apparatus of claim 1, wherein the first filling assembly comprises: the device comprises a lifting cylinder seat, a feeding lifting plate, a nut hopper, a nut feeding pipe, a left storage split plate, a right storage split plate, a lifting cylinder and an opening and closing cylinder; wherein, lift cylinder drive pan feeding lifter plate removes, makes nut pan feeding pipe just is directly over the wrapping bag opening, the cylinder drive that opens and shuts first material stock cut-off board with the right side cut-off board of second material stock is opened, and the storage is in predetermined quantity in the nut hopper and the nut of predetermined type pass through nut pan feeding pipe gets into the wrapping bag.
CN202011052938.XA 2020-09-29 2020-09-29 Nut filling device Active CN114313448B (en)

Priority Applications (1)

Application Number Priority Date Filing Date Title
CN202011052938.XA CN114313448B (en) 2020-09-29 2020-09-29 Nut filling device

Applications Claiming Priority (1)

Application Number Priority Date Filing Date Title
CN202011052938.XA CN114313448B (en) 2020-09-29 2020-09-29 Nut filling device

Publications (2)

Publication Number Publication Date
CN114313448A true CN114313448A (en) 2022-04-12
CN114313448B CN114313448B (en) 2025-03-07

Family

ID=81010980

Family Applications (1)

Application Number Title Priority Date Filing Date
CN202011052938.XA Active CN114313448B (en) 2020-09-29 2020-09-29 Nut filling device

Country Status (1)

Country Link
CN (1) CN114313448B (en)

Cited By (1)

* Cited by examiner, † Cited by third party
Publication number Priority date Publication date Assignee Title
CN114313449A (en) * 2020-09-29 2022-04-12 安徽山里仁智能装备有限公司 Nut filling device and method thereof

Citations (11)

* Cited by examiner, † Cited by third party
Publication number Priority date Publication date Assignee Title
US4557377A (en) * 1982-10-16 1985-12-10 Johnsen & Jorgensen Jaypak Limited Mixing bag and bag making apparatus
CN103129754A (en) * 2013-03-16 2013-06-05 汕头市宏川工贸有限公司 Bag-supplying type filling sealing machine
CN105228906A (en) * 2013-06-10 2016-01-06 福瑞托-雷北美有限公司 Method and apparatus for producing multi-compartment packaging
CN107934047A (en) * 2017-11-13 2018-04-20 广东邦天智能制造有限公司 A fully automatic packaging method
CN108382654A (en) * 2018-03-20 2018-08-10 桐乡市大周商贸有限公司 A kind of filling heat-sealing device of swinging packaging bag
CN109367832A (en) * 2018-11-14 2019-02-22 福建宇杰自动化科技有限公司 An adjustable size open bag filling mechanism
CN109592116A (en) * 2019-01-02 2019-04-09 洽洽食品股份有限公司 A kind of mixing nut packaging system and its control method
CN208828219U (en) * 2018-07-27 2019-05-07 漳州佳龙科技股份有限公司 A kind of bag clamping device of anti-sealing fold
CN214085036U (en) * 2020-09-29 2021-08-31 安徽山里仁智能装备有限公司 Kernel filling device
CN214085037U (en) * 2020-09-29 2021-08-31 安徽山里仁智能装备有限公司 Nut filling device
CN114313449A (en) * 2020-09-29 2022-04-12 安徽山里仁智能装备有限公司 Nut filling device and method thereof

Patent Citations (11)

* Cited by examiner, † Cited by third party
Publication number Priority date Publication date Assignee Title
US4557377A (en) * 1982-10-16 1985-12-10 Johnsen & Jorgensen Jaypak Limited Mixing bag and bag making apparatus
CN103129754A (en) * 2013-03-16 2013-06-05 汕头市宏川工贸有限公司 Bag-supplying type filling sealing machine
CN105228906A (en) * 2013-06-10 2016-01-06 福瑞托-雷北美有限公司 Method and apparatus for producing multi-compartment packaging
CN107934047A (en) * 2017-11-13 2018-04-20 广东邦天智能制造有限公司 A fully automatic packaging method
CN108382654A (en) * 2018-03-20 2018-08-10 桐乡市大周商贸有限公司 A kind of filling heat-sealing device of swinging packaging bag
CN208828219U (en) * 2018-07-27 2019-05-07 漳州佳龙科技股份有限公司 A kind of bag clamping device of anti-sealing fold
CN109367832A (en) * 2018-11-14 2019-02-22 福建宇杰自动化科技有限公司 An adjustable size open bag filling mechanism
CN109592116A (en) * 2019-01-02 2019-04-09 洽洽食品股份有限公司 A kind of mixing nut packaging system and its control method
CN214085036U (en) * 2020-09-29 2021-08-31 安徽山里仁智能装备有限公司 Kernel filling device
CN214085037U (en) * 2020-09-29 2021-08-31 安徽山里仁智能装备有限公司 Nut filling device
CN114313449A (en) * 2020-09-29 2022-04-12 安徽山里仁智能装备有限公司 Nut filling device and method thereof

Cited By (2)

* Cited by examiner, † Cited by third party
Publication number Priority date Publication date Assignee Title
CN114313449A (en) * 2020-09-29 2022-04-12 安徽山里仁智能装备有限公司 Nut filling device and method thereof
CN114313449B (en) * 2020-09-29 2025-03-07 安徽山里仁休闲食品有限责任公司 Nut filling device and method

Also Published As

Publication number Publication date
CN114313448B (en) 2025-03-07

Similar Documents

Publication Publication Date Title
CN214085037U (en) Nut filling device
CN110027739B (en) M bag feeding type automatic rotary packaging machine
CN113753329A (en) Full-automatic vacuum packaging equipment
CN207791308U (en) A fully automatic packaging machine
CN114955104B (en) Packaging machine
CN110589096A (en) Clothes bagging packaging equipment and packaging method
CN108482746B (en) Full-automatic unloading bagging machine
CN113800056A (en) Working method of M-shaped packaging bag sealing machine
CN214085036U (en) Kernel filling device
CN210653848U (en) Automatic box packaging equipment
CN213862892U (en) Horizontal bag-feeding type full-automatic packaging machine
CN115571403B (en) Double-layer vacuum packaging machine
CN114313449B (en) Nut filling device and method
CN114313448A (en) Kernel filling device
CN218368631U (en) Blood products goes into bag production line
CN109018538A (en) A kind of M shape bag mechanism of horizontal sack filling machine
CN112046853A (en) Horizontal filling packaging machine capable of effectively reducing occupied space
CN115636143B (en) Bag feeding packaging machine and packaging method
CN114572493A (en) Packaging machine
CN221068678U (en) Bag opening and filling machine
CN220865822U (en) Clamping jaw module and conveying mechanism
CN219728747U (en) Automatic bagging and sealing machine
CN115649561B (en) Automatic tremella continuous packaging machine
CN220054347U (en) Horizontal bag feeding packaging machine
CN115214935B (en) Lifting bag separating mechanism

Legal Events

Date Code Title Description
PB01 Publication
PB01 Publication
SE01 Entry into force of request for substantive examination
SE01 Entry into force of request for substantive examination
CB02 Change of applicant information

Address after: 242300 No. 99, Waihuan East Road, heli Park, Ningguo Economic and Technological Development Zone, Xuancheng City, Anhui Province

Applicant after: Anhui Shanliren Leisure Food Co.,Ltd.

Address before: 242300 No. 99, Waihuan East Road, heli Park, Ningguo Economic and Technological Development Zone, Xuancheng City, Anhui Province

Applicant before: Anhui shanliren Intelligent Equipment Co.,Ltd.

CB02 Change of applicant information
GR01 Patent grant
GR01 Patent grant
PE01 Entry into force of the registration of the contract for pledge of patent right

Denomination of invention: Nut filling device

Granted publication date: 20250307

Pledgee: China Postal Savings Bank Limited by Share Ltd. Ningguo branch

Pledgor: Anhui Shanliren Leisure Food Co.,Ltd.

Registration number: Y2025980046221

PE01 Entry into force of the registration of the contract for pledge of patent right