CN110761067A - A method and device for continuous treatment of carbon fiber surface based on atmospheric pressure DBD discharge - Google Patents
A method and device for continuous treatment of carbon fiber surface based on atmospheric pressure DBD discharge Download PDFInfo
- Publication number
- CN110761067A CN110761067A CN201911047708.1A CN201911047708A CN110761067A CN 110761067 A CN110761067 A CN 110761067A CN 201911047708 A CN201911047708 A CN 201911047708A CN 110761067 A CN110761067 A CN 110761067A
- Authority
- CN
- China
- Prior art keywords
- carbon fiber
- plasma
- gas
- discharge
- atmospheric pressure
- Prior art date
- Legal status (The legal status is an assumption and is not a legal conclusion. Google has not performed a legal analysis and makes no representation as to the accuracy of the status listed.)
- Pending
Links
- 229920000049 Carbon (fiber) Polymers 0.000 title claims abstract description 103
- 239000004917 carbon fiber Substances 0.000 title claims abstract description 103
- VNWKTOKETHGBQD-UHFFFAOYSA-N methane Chemical compound C VNWKTOKETHGBQD-UHFFFAOYSA-N 0.000 title claims abstract description 97
- 238000000034 method Methods 0.000 title claims abstract description 21
- 230000005284 excitation Effects 0.000 claims abstract description 3
- 239000007789 gas Substances 0.000 claims description 66
- 238000006243 chemical reaction Methods 0.000 claims description 14
- 238000012545 processing Methods 0.000 claims description 14
- 239000011261 inert gas Substances 0.000 claims description 8
- 229910052760 oxygen Inorganic materials 0.000 claims description 8
- 239000000463 material Substances 0.000 claims description 7
- 230000008569 process Effects 0.000 claims description 7
- 230000001105 regulatory effect Effects 0.000 claims description 7
- QVGXLLKOCUKJST-UHFFFAOYSA-N atomic oxygen Chemical compound [O] QVGXLLKOCUKJST-UHFFFAOYSA-N 0.000 claims description 6
- 239000001301 oxygen Substances 0.000 claims description 6
- 239000000203 mixture Substances 0.000 claims description 5
- XKRFYHLGVUSROY-UHFFFAOYSA-N Argon Chemical compound [Ar] XKRFYHLGVUSROY-UHFFFAOYSA-N 0.000 claims description 4
- 239000004020 conductor Substances 0.000 claims description 3
- MGWGWNFMUOTEHG-UHFFFAOYSA-N 4-(3,5-dimethylphenyl)-1,3-thiazol-2-amine Chemical compound CC1=CC(C)=CC(C=2N=C(N)SC=2)=C1 MGWGWNFMUOTEHG-UHFFFAOYSA-N 0.000 claims description 2
- 229910052786 argon Inorganic materials 0.000 claims description 2
- 230000004888 barrier function Effects 0.000 claims description 2
- 239000001307 helium Substances 0.000 claims description 2
- 229910052734 helium Inorganic materials 0.000 claims description 2
- SWQJXJOGLNCZEY-UHFFFAOYSA-N helium atom Chemical compound [He] SWQJXJOGLNCZEY-UHFFFAOYSA-N 0.000 claims description 2
- 238000009434 installation Methods 0.000 claims description 2
- 239000011810 insulating material Substances 0.000 claims description 2
- JCXJVPUVTGWSNB-UHFFFAOYSA-N nitrogen dioxide Inorganic materials O=[N]=O JCXJVPUVTGWSNB-UHFFFAOYSA-N 0.000 claims description 2
- 238000003825 pressing Methods 0.000 claims 10
- 230000001276 controlling effect Effects 0.000 claims 2
- 229920002120 photoresistant polymer Polymers 0.000 claims 1
- 238000010926 purge Methods 0.000 claims 1
- 239000002131 composite material Substances 0.000 abstract description 16
- 239000011159 matrix material Substances 0.000 abstract description 10
- 238000009832 plasma treatment Methods 0.000 abstract description 9
- 238000007788 roughening Methods 0.000 abstract description 3
- 230000005540 biological transmission Effects 0.000 abstract description 2
- 239000011347 resin Substances 0.000 abstract description 2
- 229920005989 resin Polymers 0.000 abstract description 2
- 238000007599 discharging Methods 0.000 abstract 1
- 239000000835 fiber Substances 0.000 description 14
- 238000002788 crimping Methods 0.000 description 10
- 238000004381 surface treatment Methods 0.000 description 8
- 239000000126 substance Substances 0.000 description 4
- 239000012783 reinforcing fiber Substances 0.000 description 3
- 238000012360 testing method Methods 0.000 description 3
- CSCPPACGZOOCGX-UHFFFAOYSA-N Acetone Chemical compound CC(C)=O CSCPPACGZOOCGX-UHFFFAOYSA-N 0.000 description 2
- IJGRMHOSHXDMSA-UHFFFAOYSA-N Atomic nitrogen Chemical compound N#N IJGRMHOSHXDMSA-UHFFFAOYSA-N 0.000 description 2
- 230000008901 benefit Effects 0.000 description 2
- 239000008367 deionised water Substances 0.000 description 2
- 229910021641 deionized water Inorganic materials 0.000 description 2
- 125000002887 hydroxy group Chemical group [H]O* 0.000 description 2
- 238000012986 modification Methods 0.000 description 2
- 230000004048 modification Effects 0.000 description 2
- 239000000523 sample Substances 0.000 description 2
- 239000000758 substrate Substances 0.000 description 2
- XLYOFNOQVPJJNP-UHFFFAOYSA-N water Chemical compound O XLYOFNOQVPJJNP-UHFFFAOYSA-N 0.000 description 2
- LFQSCWFLJHTTHZ-UHFFFAOYSA-N Ethanol Chemical compound CCO LFQSCWFLJHTTHZ-UHFFFAOYSA-N 0.000 description 1
- 238000002679 ablation Methods 0.000 description 1
- 125000003277 amino group Chemical group 0.000 description 1
- 230000009286 beneficial effect Effects 0.000 description 1
- 125000002915 carbonyl group Chemical group [*:2]C([*:1])=O 0.000 description 1
- 125000003178 carboxy group Chemical group [H]OC(*)=O 0.000 description 1
- 238000007385 chemical modification Methods 0.000 description 1
- 238000004140 cleaning Methods 0.000 description 1
- 150000001875 compounds Chemical class 0.000 description 1
- 230000007797 corrosion Effects 0.000 description 1
- 238000005260 corrosion Methods 0.000 description 1
- 230000007547 defect Effects 0.000 description 1
- 230000000694 effects Effects 0.000 description 1
- 238000002715 modification method Methods 0.000 description 1
- 238000012544 monitoring process Methods 0.000 description 1
- 229910052757 nitrogen Inorganic materials 0.000 description 1
- 239000002245 particle Substances 0.000 description 1
- 238000000053 physical method Methods 0.000 description 1
- 230000008521 reorganization Effects 0.000 description 1
- 238000012546 transfer Methods 0.000 description 1
Images
Classifications
-
- D—TEXTILES; PAPER
- D06—TREATMENT OF TEXTILES OR THE LIKE; LAUNDERING; FLEXIBLE MATERIALS NOT OTHERWISE PROVIDED FOR
- D06M—TREATMENT, NOT PROVIDED FOR ELSEWHERE IN CLASS D06, OF FIBRES, THREADS, YARNS, FABRICS, FEATHERS OR FIBROUS GOODS MADE FROM SUCH MATERIALS
- D06M10/00—Physical treatment of fibres, threads, yarns, fabrics, or fibrous goods made from such materials, e.g. ultrasonic, corona discharge, irradiation, electric currents, or magnetic fields; Physical treatment combined with treatment with chemical compounds or elements
- D06M10/02—Physical treatment of fibres, threads, yarns, fabrics, or fibrous goods made from such materials, e.g. ultrasonic, corona discharge, irradiation, electric currents, or magnetic fields; Physical treatment combined with treatment with chemical compounds or elements ultrasonic or sonic; Corona discharge
- D06M10/025—Corona discharge or low temperature plasma
-
- D—TEXTILES; PAPER
- D06—TREATMENT OF TEXTILES OR THE LIKE; LAUNDERING; FLEXIBLE MATERIALS NOT OTHERWISE PROVIDED FOR
- D06M—TREATMENT, NOT PROVIDED FOR ELSEWHERE IN CLASS D06, OF FIBRES, THREADS, YARNS, FABRICS, FEATHERS OR FIBROUS GOODS MADE FROM SUCH MATERIALS
- D06M23/00—Treatment of fibres, threads, yarns, fabrics or fibrous goods made from such materials, characterised by the process
-
- H—ELECTRICITY
- H05—ELECTRIC TECHNIQUES NOT OTHERWISE PROVIDED FOR
- H05H—PLASMA TECHNIQUE; PRODUCTION OF ACCELERATED ELECTRICALLY-CHARGED PARTICLES OR OF NEUTRONS; PRODUCTION OR ACCELERATION OF NEUTRAL MOLECULAR OR ATOMIC BEAMS
- H05H1/00—Generating plasma; Handling plasma
- H05H1/24—Generating plasma
- H05H1/2406—Generating plasma using dielectric barrier discharges, i.e. with a dielectric interposed between the electrodes
-
- D—TEXTILES; PAPER
- D06—TREATMENT OF TEXTILES OR THE LIKE; LAUNDERING; FLEXIBLE MATERIALS NOT OTHERWISE PROVIDED FOR
- D06M—TREATMENT, NOT PROVIDED FOR ELSEWHERE IN CLASS D06, OF FIBRES, THREADS, YARNS, FABRICS, FEATHERS OR FIBROUS GOODS MADE FROM SUCH MATERIALS
- D06M2101/00—Chemical constitution of the fibres, threads, yarns, fabrics or fibrous goods made from such materials, to be treated
- D06M2101/40—Fibres of carbon
Landscapes
- Engineering & Computer Science (AREA)
- Physics & Mathematics (AREA)
- Plasma & Fusion (AREA)
- Textile Engineering (AREA)
- Spectroscopy & Molecular Physics (AREA)
- Chemical Or Physical Treatment Of Fibers (AREA)
Abstract
本发明公开了一种基于常压DBD放电的碳纤维表面连续处理方法和装置,涉及等离子体表面工程技术领域。本发明提供的装置包括:包括供气系统、等离子体发生系统和碳纤维传送系统;供气系统包括气体源和混合气腔体,等离子体发生系统包括激励电源、高压电极、接地电极、绝缘介质以及半密闭腔体,碳纤维传送系统包括驱动装置、送/放装置。碳纤维等离子体表面连续处理方法是将碳纤维通过传动系统连续输送进入到预设的气氛环境介质下DBD放电等离子体工作腔,进行等离子体处理,实现碳纤维表面粗化,同时在表面产生活性基团,从而提高复合材料内部碳纤维与树脂基体的粘结强度。
The invention discloses a carbon fiber surface continuous treatment method and device based on atmospheric pressure DBD discharge, and relates to the technical field of plasma surface engineering. The device provided by the present invention includes: a gas supply system, a plasma generation system and a carbon fiber conveying system; the gas supply system includes a gas source and a mixed gas cavity, and the plasma generation system includes an excitation power supply, a high-voltage electrode, a ground electrode, an insulating medium and Semi-sealed cavity, carbon fiber conveying system includes driving device and sending/discharging device. The carbon fiber plasma surface continuous treatment method is to continuously transport the carbon fiber through the transmission system into the DBD discharge plasma working chamber under the preset atmospheric environment medium, and perform plasma treatment to realize the surface roughening of the carbon fiber, and at the same time generate active groups on the surface, Thereby, the bonding strength of the carbon fiber inside the composite material and the resin matrix is improved.
Description
技术领域technical field
本发明属于表面工程领域,涉及一种基于常压DBD放电的碳纤维表面连续处理方法和装置。更具体的说,涉及适用于复合材料中增强纤维表面改性,以提高增强纤维和基体结合力,提高复合材料强度。The invention belongs to the field of surface engineering, and relates to a continuous treatment method and device for carbon fiber surface based on atmospheric pressure DBD discharge. More specifically, it relates to surface modification of reinforcing fibers in composite materials, so as to improve the bonding force between the reinforcing fibers and the matrix, and improve the strength of the composite materials.
背景技术Background technique
复合材料由于具有比强度大、比刚度大和耐腐蚀性能好等显著优点,已经在航空航天、汽车、能源动力等众多领域内得到了广泛的应用。在航空航天领域,复合材料是四大结构材料之一,在军用和民用航空中复合材料的用量都在逐步增加,在一定程度上,复合材料用量代表了飞机的先进水平。Composite materials have been widely used in many fields such as aerospace, automobile, energy and power due to their remarkable advantages such as high specific strength, high specific stiffness and good corrosion resistance. In the field of aerospace, composite materials are one of the four major structural materials. The amount of composite materials in military and civil aviation is gradually increasing. To a certain extent, the amount of composite materials represents the advanced level of aircraft.
碳纤维作为增强纤维由于具有极好的拉伸强度、疲劳强度等,且质量较轻,在复合材料领域受到广泛关注。而碳纤维与基体间的界面是复合材料很重要的应力传递面,其性质直接关系到复合材料性能。碳纤维表面光滑,且同树脂等基体一样,表面呈现化学惰性,进而导致碳纤维与基体结合力不足,甚至出现“吻接”(Kiss bond,仅接触但没有缺陷,几何上满足要求但不能传递载荷)、弱结合(Weak bond结合强度弱,不足正常结合强度的20%)等问题,最终影响复合材料整体性能,严重威胁部件使用安全。因此,迫切需要开展碳纤维表面处理技术,提高其表面亲水性和化学活性,同时粗糙化表面,增大其与基体的接触面积,从而提高碳纤维与基体的结合力,确保复合材料安全使用。As a reinforcing fiber, carbon fiber has received extensive attention in the field of composite materials due to its excellent tensile strength, fatigue strength, etc., and its light weight. The interface between the carbon fiber and the matrix is a very important stress transfer surface of the composite material, and its properties are directly related to the performance of the composite material. The surface of carbon fiber is smooth, and like a matrix such as resin, the surface is chemically inert, which leads to insufficient bonding force between carbon fiber and matrix, and even "kiss bond" (Kiss bond, only contact but no defects, geometrically meets the requirements but cannot transmit load) , Weak bond (weak bond bond strength is weak, less than 20% of the normal bond strength) and other issues, which ultimately affect the overall performance of the composite material and seriously threaten the safety of components. Therefore, it is urgent to develop carbon fiber surface treatment technology to improve its surface hydrophilicity and chemical activity, while roughening the surface and increasing its contact area with the substrate, thereby improving the bonding force between carbon fiber and the substrate, and ensuring the safe use of composite materials.
碳纤维表面改性方法主要有物理方法和化学方法两种。化学改性是通过化学反应在纤维表面引入氨基、羧基、羟基等活性基团,进而提高纤维与基体之间的粘结强度;物理改性是利用等离子体、电子束等物理技术对纤维表面刻蚀,通过化学键的打断和重组引入羟基、羰基等活性基团,同时改变纤维表面形貌特征,进而实现粘结强度的提升。等离子体表面处理属于物理改性方法的一种。There are two main methods of carbon fiber surface modification: physical method and chemical method. Chemical modification is to introduce active groups such as amino groups, carboxyl groups, and hydroxyl groups on the fiber surface through chemical reactions, thereby improving the bonding strength between the fiber and the matrix; Through chemical bond interruption and reorganization, active groups such as hydroxyl and carbonyl are introduced, and the surface morphology of the fiber is changed at the same time, thereby improving the bonding strength. Plasma surface treatment is a kind of physical modification method.
目前,等离子体产生方式有很多种,在纤维表面处理方面使用较多的是DBD放电、辉光放电、射频感应耦合放电等。由于碳纤维为导电材料,在空气环境下进行等离子体处理易发生表面烧蚀,为获得好的表面状态,现有的等离子体处理大部分是在真空或密闭腔体中进行,设备要求较高,且很难实现大规模自动化处理。At present, there are many ways to generate plasma, and DBD discharge, glow discharge, radio frequency inductively coupled discharge, etc. are used more in fiber surface treatment. Since carbon fiber is a conductive material, plasma treatment in an air environment is prone to surface ablation. In order to obtain a good surface state, most of the existing plasma treatment is carried out in a vacuum or a closed cavity, and the equipment requirements are relatively high. And it is difficult to achieve large-scale automated processing.
本发明针对复合材料用增强碳纤维,提出了一种基于常压DBD放电的碳纤维表面连续处理方法和装置,可实现碳纤维在大气环境下进行DBD放电等离子体处理,本发明装置结构简单,可实现碳纤维大规模自动化处理,适合工业化推广。本发明的应用,可大幅度提高碳纤维与基体的粘结强度,进而提高复合材料使用寿命,具有重要的军事价值和显著的经济效益。Aiming at reinforced carbon fibers for composite materials, the present invention proposes a continuous treatment method and device for carbon fiber surfaces based on atmospheric pressure DBD discharge, which can realize DBD discharge plasma treatment of carbon fibers in an atmospheric environment. The device of the invention has a simple structure and can realize carbon fiber Large-scale automatic processing, suitable for industrialization promotion. The application of the invention can greatly improve the bonding strength between the carbon fiber and the matrix, thereby increasing the service life of the composite material, and has important military value and significant economic benefit.
发明内容SUMMARY OF THE INVENTION
本发明的目的在于提出一种基于常压DBD放电的碳纤维表面连续处理方法和装置,以解决现有技术中缺乏对碳纤维表面处理的设备效率低、只能在真空或亚真空环境下进行、不经济等问题。The purpose of the present invention is to propose a method and device for continuous treatment of carbon fiber surface based on atmospheric pressure DBD discharge, in order to solve the problem that the lack of equipment for carbon fiber surface treatment in the prior art has low efficiency, can only be carried out in a vacuum or sub-vacuum environment, and does not economic issues.
为实现上述目的,本发明提出了一种基于常压DBD放电的碳纤维表面连续处理方法,所述方法包括:In order to achieve the above purpose, the present invention proposes a continuous treatment method for carbon fiber surface based on atmospheric pressure DBD discharge, the method comprising:
步骤一、按照预设的气氛环境,控制各气瓶流量,打开相应的气瓶阀门,使其混合并让混合气充满整个放电腔体,确保放电介质中为预设好的气氛环境,且压力为大气压。Step 1. Control the flow rate of each gas cylinder according to the preset atmosphere environment, open the corresponding gas cylinder valve, make it mix and let the mixed gas fill the entire discharge chamber to ensure that the discharge medium is a preset atmosphere environment and the pressure is high. is atmospheric pressure.
步骤二、在步骤一中所得的常压气氛环境下,电极接通高频直流电源,对介质两极施加电压,形成均匀稳定的等离子体,并通过探针对产生的等离子体区正中央位置的等离子体密度进行测试。
步骤三、根据放电介质长度和处理时间,设置好电机速度,使碳纤维以一定的速度连续通过步骤二中所得的等离子体区,即完成碳纤维表面的处理。Step 3: Set the motor speed according to the length of the discharge medium and the treatment time, so that the carbon fiber continuously passes through the plasma area obtained in the second step at a certain speed, that is, the surface treatment of the carbon fiber is completed.
步骤一中所述的气氛环境为含功能性气体和惰性气体的混合气体,其中功能性气体可为氧气、氮气、二氧化氮、含氧气体等,惰性气体一般为氦气、氩气等。功能性气体的选择和流量控制要根据预设的气氛环境决定,即需要根据预想的纤维表面连续处理后表面活性基团决定。The atmosphere described in step 1 is a mixed gas containing functional gas and inert gas, wherein the functional gas can be oxygen, nitrogen, nitrogen dioxide, oxygen-containing gas, etc., and the inert gas is generally helium, argon, etc. The selection and flow control of the functional gas should be determined according to the preset atmosphere environment, that is, it needs to be determined according to the expected surface active groups after the continuous treatment of the fiber surface.
步骤二中在接通电源产生等离子体前,采用混合气吹扫所述等离子体区,确保在等离子体产生时整个等离子体区充满混合气;等离子体处理时所施加的电压在10~20kV。探针用于监测和测量不同放电参数下等离子体区中央位置的等离子体密度。In
步骤三中所述的碳纤维在处理前要进行表面去胶处理,处理时在等离子体区通过速度要在0~0.1m/s范围内可调。The carbon fiber described in step 3 should be subjected to surface degumming treatment before treatment, and the passing speed in the plasma zone should be adjustable within the range of 0-0.1 m/s.
为实现上述目的,本发明还提出了一种基于常压DBD放电的碳纤维表面连续处理装置,包括供气系统、等离子体发生系统、等离子体测试系统和碳纤维传送系统三部分组成。其中供气系统应该包括气体源和混合气腔体两部分,这其中气体源应该包括不同类型的惰性气体、含氧气体或其它气体,每种气体源包含有开关调节阀、压力计和流量计;混合气腔体应该含有多个进气口,至少四个,用于满足不同类型气体进入中混合。等离子体发生系统包括激励电源、高压电极、接地电极、绝缘介质以及半密闭腔体,其中前四个构成了介质阻挡放电(DBD)装置。碳纤维传送系统包括驱动装置、收线机、压线轮和放线机,压线轮至少需要四个,其中两个压线轮置于等离子体两端,用于固定碳纤维位置,并保证碳纤维能顺利的穿过等离子体反应室;另外两个压线轮用于控制碳纤维走向。放线机放出的碳纤维通过压线轮,穿过等离子体反应室,经压线轮后被收线机收回,其中收线机由驱动装置驱动,驱动装置工作驱动收线机工作,带动放线机放线,实现碳纤维等离子体处理全过程自动化。In order to achieve the above object, the present invention also proposes a continuous treatment device for carbon fiber surface based on atmospheric pressure DBD discharge, which includes three parts: a gas supply system, a plasma generation system, a plasma testing system and a carbon fiber conveying system. The gas supply system should include a gas source and a mixed gas chamber. The gas source should include different types of inert gas, oxygen-containing gas or other gases. Each gas source includes an on-off regulating valve, a pressure gauge and a flow meter. ; The mixed gas chamber should contain multiple air inlets, at least four, to meet the mixing of different types of gases. The plasma generation system includes an excitation power source, a high-voltage electrode, a ground electrode, an insulating medium and a semi-hermetic cavity, of which the first four constitute a dielectric barrier discharge (DBD) device. The carbon fiber conveying system includes a driving device, a wire take-up machine, a crimping wheel and a pay-off machine. At least four crimping wheels are required, two of which are placed at both ends of the plasma to fix the carbon fiber position and ensure that the carbon fiber can be Smoothly pass through the plasma reaction chamber; the other two pressure rollers are used to control the carbon fiber orientation. The carbon fiber released by the pay-off machine passes through the wire press wheel, passes through the plasma reaction chamber, and is recovered by the wire take-up machine after passing through the wire press wheel. The wire take-up machine is driven by the driving device. The machine pays off the line to realize the automation of the whole process of carbon fiber plasma treatment.
进一步的,在所述的一种基于常压DBD放电的碳纤维表面连续处理装置中,所述的气体源为装有不同气体的气瓶,且每个气瓶上装有开关调节阀、压力计和气体流量计。Further, in the described carbon fiber surface continuous treatment device based on atmospheric pressure DBD discharge, the gas source is a gas cylinder containing different gases, and each gas cylinder is equipped with an on-off regulating valve, a pressure gauge and a Barometer.
进一步的,在所述的半密闭腔体材料为绝缘材料,左侧腔体根据要求设计成不同外形尺寸,确保可以方便安装压线轮,且至少保证前后两侧透明可视,左侧通过进气口与混合气腔体密封连接,腔体右侧要完全包含整个DBD装置;此外,在腔体左侧开个只需要能确保把碳纤维导出即可小孔,小孔位置与碳纤维位置平齐,确保碳纤维从此小孔穿出。Further, the material of the semi-closed cavity is insulating material, and the left cavity is designed with different external dimensions according to the requirements to ensure that the crimping wheel can be easily installed, and at least the front and rear sides are transparent and visible, and the left side passes through the inlet. The air port is sealed with the mixed gas cavity, and the right side of the cavity should completely contain the entire DBD device; in addition, a small hole on the left side of the cavity only needs to ensure that the carbon fiber can be exported, and the position of the small hole is flush with the carbon fiber position , make sure that the carbon fiber comes out of this small hole.
进一步的,所述的压线轮无尺寸限制,但位于等离子体反应室两侧的两个压线轮,其安装位置要确保穿过等离子体区的碳纤维位于正中央零电势位置,避免碳纤维因导电表面发生烧蚀;其它压线轮无明确位置限制,但要起到使碳纤维在处理过程中时刻保持绷紧状态的作用。Further, there is no size limit for the crimping wheel, but the installation positions of the two crimping wheels located on both sides of the plasma reaction chamber should ensure that the carbon fiber passing through the plasma area is located at the zero potential position in the center, so as to avoid the carbon fiber The conductive surface is ablated; other crimping rollers have no clear position limit, but function to keep the carbon fiber taut at all times during processing.
进一步的,在所述的一种基于常压DBD放电的碳纤维表面连续处理装置中,所述的压线轮、收线机、放线机及其轴轮材料均为导电材料。Further, in the above-mentioned continuous treatment device for carbon fiber surface based on atmospheric pressure DBD discharge, the materials of the wire crimping wheel, the wire take-up machine, the wire pay-off machine and the shaft wheels thereof are all conductive materials.
进一步的,在所述的一种基于常压DBD放电的碳纤维表面连续处理装置中,所述的驱动装置(6)应包含可编程自动化控制器和步进/伺服电机两部分,根据运动速率要求,对控制器进行编程,实现对步进/伺服电机精准控制。Further, in the described carbon fiber surface continuous treatment device based on atmospheric pressure DBD discharge, the driving device (6) should include a programmable automation controller and a stepper/servo motor, and according to the movement rate requirements , Program the controller to achieve precise control of the stepper/servo motor.
与现有技术相比,本发明的有益效果主要体现在:通过设置供气系统,从而可以使得DBD放电处于预设气氛环境,且在空气环境下进行;设置纤维传送系统,从而可实现碳纤维自动化大规模处理;此外,利用DBD放电等离子体处理装置处理碳纤维表面,通过等离子体对纤维表面进行刻蚀,在粗糙化表面的同时在表面产生活性基团,来提高增强碳纤维与基体的粘合强度,进而实现复合材料性能的提升。本发明提供的碳纤维表面连续处理装置,解决了碳纤维DBD放电等离子体处理只能在真空或亚真空环境下进行的问题。Compared with the prior art, the beneficial effects of the present invention are mainly reflected in: by setting an air supply system, the DBD discharge can be made in a preset atmosphere environment and carried out in an air environment; by setting a fiber conveying system, carbon fiber automation can be realized Large-scale treatment; in addition, the carbon fiber surface is treated with a DBD discharge plasma treatment device, and the fiber surface is etched by plasma to generate active groups on the surface while roughening the surface, so as to improve the bonding strength of the carbon fiber and the matrix. , so as to improve the performance of composite materials. The carbon fiber surface continuous treatment device provided by the invention solves the problem that the carbon fiber DBD discharge plasma treatment can only be performed in a vacuum or sub-vacuum environment.
附图说明Description of drawings
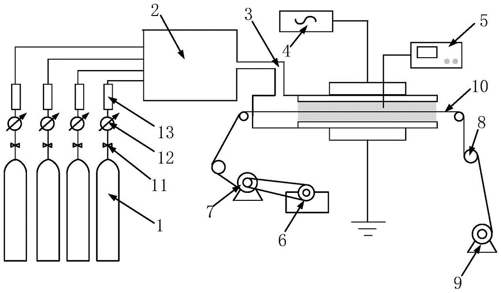
图1是本发明一种基于常压DBD放电的碳纤维表面等离子体连续处理装置;Fig. 1 is a kind of carbon fiber surface plasma continuous treatment device based on atmospheric pressure DBD discharge of the present invention;
图2是本发明一种基于常压DBD放电的碳纤维表面等离子体连续处理装置的DBD放电等离子体产生装置。Fig. 2 is a DBD discharge plasma generating device of a carbon fiber surface plasma continuous processing device based on atmospheric pressure DBD discharge of the present invention.
具体实施方式Detailed ways
根据附图1-2对实施过程进行详细说明。根据预设的等离子体放电气氛环境和压力,开启相应气体源,根据压力计12和流量计13调节开关调节阀11,使气体成分和含量满足预设气氛环境要求;开启的气体进入混合气腔体2中混合,通过进气口3送入到半密闭腔体17,混合气在等离子体反应室18经DBD放电发生电离,产生等离子体;碳纤维10在传/送丝系统驱动下,穿过等离子体反应室18,在DBD放电产生的等离子体中处理一定时间,使得碳纤维10表面粗糙化,同时引入大量的活性基团,提高碳纤维与基体的粘结强度,进而提高碳纤维复合材料性能。The implementation process will be described in detail according to the accompanying drawings 1-2. According to the preset plasma discharge atmosphere environment and pressure, open the corresponding gas source, adjust the switch control valve 11 according to the
所述的碳纤维等离子体处理过程如下:The carbon fiber plasma treatment process is as follows:
步骤1,将碳纤维10进行除胶、清洗,烘干备用;清洗具体过程为:首先用去离子水冲洗碳纤维,然后将碳纤维置于丙酮或酒精溶液浸泡24小时,取出用去离子水冲洗后晾干。Step 1, the
步骤2,将碳纤维10依次穿过半密闭腔体17和等离子体反应室18,并按照顺序依次安放在压线轮8上,其中起始的纤维丝/丝束固定在驱动收线机7上,碳纤维捆安放在放线机9上,手动调节收线机使碳纤维保持绷紧状态。
步骤3,调节半密闭腔体17两侧的压线轮8位置,使其保持在同一水平位置,同时使上面安放的碳纤维10位于等离子体反应室18正中央。Step 3: Adjust the positions of the crimping rollers 8 on both sides of the
步骤4,按照预设的放电气氛环境,打开相应的气体源1开关调节阀11,根据压力计12和流量计13监测,调节开关调节阀11释放气体大小,获得符合预设气氛环境要求的混合气。Step 4, according to the preset discharge atmosphere environment, open the corresponding gas source 1 on-off regulating valve 11, according to the monitoring of the
所述的混合气中含有功能性气体和惰性气体,其中功能性气体的选择根据需要选择,若希望在纤维表面产生C=O、O-C=O、C-N等活性基团,则开启相应气体源开关调节阀11引入相应的元素,其含量的控制一方面要考虑纤维表面期待形成的活性基团的要求,另一方面还要考虑DBD放电气氛环境的需要。当不需要引入新元素,则直接选择惰性气体。为避免丝状放电或其它可能损伤碳纤维10的带状放电,混合气中功能性气体含量不宜过高。The mixed gas contains functional gas and inert gas, and the selection of functional gas is selected according to needs. If it is desired to generate active groups such as C=O, O-C=O, C-N, etc. on the fiber surface, turn on the corresponding gas source switch. Corresponding elements are introduced into the regulating valve 11, and the control of its content should consider the requirements of the active groups expected to be formed on the fiber surface on the one hand, and the requirements of the DBD discharge atmosphere on the other hand. When there is no need to introduce new elements, the inert gas is directly selected. In order to avoid filament discharge or other ribbon discharge that may damage the
步骤5,接通直流电源4,使得电极之间的气氛环境发生击穿,进而等离子体反应室18中的混合气发生电离产生等离子体。所述的放电开始阶段,通过等离子体测试系统5监测等离子体相关参数,进而调节电源4的输入电压和频率,以求获得预设的等离子体处理参数。In
步骤6,开启驱动装置6,驱动收线机7工作,带动放线机9防线,由压线轮8控制碳纤维传送方向,最终实现碳纤维10以一定的速度穿过等离子体反应室18。In
所述的碳纤维速度通过调节驱动装置6实现,其速度值根据电极15的长度和预设的碳纤维处理时间决定,确保能满足碳纤维处理时间,处理时间从几十秒到十几分钟不等。在放电过程中,等离子体测试系统5还需实时监测等离子体相关参数,确保处理碳纤维的等离子体环境保持一致,若出现波动,及时调节电源4输入参数。The carbon fiber speed is realized by adjusting the
综上,等离子体作用于穿过等离子体反应室内的碳纤维,一方面使纤维表面发生刻蚀,粗糙化纤维表面,另一方面,放电产生的等离子体中大量的带电粒子辐照纤维表面,对纤维表面化学键进行重组,形成新的化合物,引入大量的活性基团,提高碳纤维表面能,两方面共同作用提高碳纤维与基体之间的粘结力。此发明提供的一种基于常压DBD放电的碳纤维表面处理的装置简单,且克服了碳纤维DBD表面处理在真空或低气压环境下进行的缺点,解决了行业中缺乏常压DBD放电的碳纤维表面处理装置的问题。To sum up, the plasma acts on the carbon fibers passing through the plasma reaction chamber. On the one hand, the surface of the fibers is etched and the surface of the fibers is roughened. On the other hand, a large number of charged particles in the plasma generated by the discharge irradiate the surface of the fibers. The chemical bonds on the surface of the fiber are reorganized to form new compounds, and a large number of active groups are introduced to increase the surface energy of the carbon fiber. The two aspects work together to improve the adhesion between the carbon fiber and the matrix. The invention provides a simple device for carbon fiber surface treatment based on atmospheric pressure DBD discharge, and overcomes the shortcomings of carbon fiber DBD surface treatment in a vacuum or low pressure environment, and solves the lack of atmospheric pressure DBD discharge carbon fiber surface treatment in the industry. device problem.
Claims (9)
Priority Applications (1)
| Application Number | Priority Date | Filing Date | Title |
|---|---|---|---|
| CN201911047708.1A CN110761067A (en) | 2019-10-30 | 2019-10-30 | A method and device for continuous treatment of carbon fiber surface based on atmospheric pressure DBD discharge |
Applications Claiming Priority (1)
| Application Number | Priority Date | Filing Date | Title |
|---|---|---|---|
| CN201911047708.1A CN110761067A (en) | 2019-10-30 | 2019-10-30 | A method and device for continuous treatment of carbon fiber surface based on atmospheric pressure DBD discharge |
Publications (1)
| Publication Number | Publication Date |
|---|---|
| CN110761067A true CN110761067A (en) | 2020-02-07 |
Family
ID=69334523
Family Applications (1)
| Application Number | Title | Priority Date | Filing Date |
|---|---|---|---|
| CN201911047708.1A Pending CN110761067A (en) | 2019-10-30 | 2019-10-30 | A method and device for continuous treatment of carbon fiber surface based on atmospheric pressure DBD discharge |
Country Status (1)
| Country | Link |
|---|---|
| CN (1) | CN110761067A (en) |
Cited By (4)
| Publication number | Priority date | Publication date | Assignee | Title |
|---|---|---|---|---|
| CN111954360A (en) * | 2020-09-18 | 2020-11-17 | 云南电网有限责任公司电力科学研究院 | Large-area cold plasma generating device and method based on mixed gas |
| CN114808449A (en) * | 2021-11-01 | 2022-07-29 | 中国电力科学研究院有限公司 | Surface treatment device and method |
| CN115142255A (en) * | 2022-06-24 | 2022-10-04 | 青岛华世洁环保科技有限公司 | Carbon fiber surface treatment device and method for performing surface treatment on carbon fiber |
| CN115768942A (en) * | 2020-06-02 | 2023-03-07 | 普林斯顿大学理事会 | Low temperature fabric dielectric barrier discharge device |
Citations (9)
| Publication number | Priority date | Publication date | Assignee | Title |
|---|---|---|---|---|
| CN1421565A (en) * | 2002-12-12 | 2003-06-04 | 东华大学 | Normal-pressure low-temperature plasma treater for modifying fiber surface |
| CN1560351A (en) * | 2004-02-23 | 2005-01-05 | 大连理工大学 | Atmospheric pressure glow discharge modification application system and method of Spunlon and chemical fiber fabrics |
| CN1560352A (en) * | 2004-02-23 | 2005-01-05 | 大连理工大学 | System and method for research on plasma modification of Spunlon and chemical fiber at atmospheric pressure by glow discharge |
| CN101838800A (en) * | 2010-05-06 | 2010-09-22 | 东华大学 | Device and method for processing surface of material by atmospheric-pressure micro-discharge plasma |
| CN103361768A (en) * | 2012-03-30 | 2013-10-23 | 上海斯瑞聚合体科技有限公司 | Surface modification method of polyacrylonitrile-based carbon fiber |
| KR101576600B1 (en) * | 2014-11-07 | 2015-12-10 | 홍익대학교 산학협력단 | Dielectric barrier discharge type atmospheric plasma generating device using plasma seed |
| CN105332098A (en) * | 2015-11-25 | 2016-02-17 | 安徽佳力奇航天碳纤维有限公司 | Carbon fiber activation process |
| CN106245312A (en) * | 2016-08-31 | 2016-12-21 | 南京苏曼等离子科技有限公司 | Normal atmosphere low temperature plasma continuous tow arrangement in fibre process and processing method |
| CN206448088U (en) * | 2016-08-31 | 2017-08-29 | 南京苏曼等离子科技有限公司 | Normal atmosphere low temperature plasma continuous tow arrangement in fibre process |
-
2019
- 2019-10-30 CN CN201911047708.1A patent/CN110761067A/en active Pending
Patent Citations (9)
| Publication number | Priority date | Publication date | Assignee | Title |
|---|---|---|---|---|
| CN1421565A (en) * | 2002-12-12 | 2003-06-04 | 东华大学 | Normal-pressure low-temperature plasma treater for modifying fiber surface |
| CN1560351A (en) * | 2004-02-23 | 2005-01-05 | 大连理工大学 | Atmospheric pressure glow discharge modification application system and method of Spunlon and chemical fiber fabrics |
| CN1560352A (en) * | 2004-02-23 | 2005-01-05 | 大连理工大学 | System and method for research on plasma modification of Spunlon and chemical fiber at atmospheric pressure by glow discharge |
| CN101838800A (en) * | 2010-05-06 | 2010-09-22 | 东华大学 | Device and method for processing surface of material by atmospheric-pressure micro-discharge plasma |
| CN103361768A (en) * | 2012-03-30 | 2013-10-23 | 上海斯瑞聚合体科技有限公司 | Surface modification method of polyacrylonitrile-based carbon fiber |
| KR101576600B1 (en) * | 2014-11-07 | 2015-12-10 | 홍익대학교 산학협력단 | Dielectric barrier discharge type atmospheric plasma generating device using plasma seed |
| CN105332098A (en) * | 2015-11-25 | 2016-02-17 | 安徽佳力奇航天碳纤维有限公司 | Carbon fiber activation process |
| CN106245312A (en) * | 2016-08-31 | 2016-12-21 | 南京苏曼等离子科技有限公司 | Normal atmosphere low temperature plasma continuous tow arrangement in fibre process and processing method |
| CN206448088U (en) * | 2016-08-31 | 2017-08-29 | 南京苏曼等离子科技有限公司 | Normal atmosphere low temperature plasma continuous tow arrangement in fibre process |
Non-Patent Citations (1)
| Title |
|---|
| SABTOS AL 等: "Atmospheric Plasma Treatment of Carbon Fibers for Enhancement of Their Adhesion Properties", 《IEEE TRANSACTIONS ON PLASMA SCIENCE》 * |
Cited By (6)
| Publication number | Priority date | Publication date | Assignee | Title |
|---|---|---|---|---|
| CN115768942A (en) * | 2020-06-02 | 2023-03-07 | 普林斯顿大学理事会 | Low temperature fabric dielectric barrier discharge device |
| US12317401B2 (en) | 2020-06-02 | 2025-05-27 | The Trustees Of Princeton University | Low-temperature fabric dielectric barrier discharge devices |
| CN111954360A (en) * | 2020-09-18 | 2020-11-17 | 云南电网有限责任公司电力科学研究院 | Large-area cold plasma generating device and method based on mixed gas |
| CN114808449A (en) * | 2021-11-01 | 2022-07-29 | 中国电力科学研究院有限公司 | Surface treatment device and method |
| CN114808449B (en) * | 2021-11-01 | 2023-11-10 | 中国电力科学研究院有限公司 | Surface treatment device and method |
| CN115142255A (en) * | 2022-06-24 | 2022-10-04 | 青岛华世洁环保科技有限公司 | Carbon fiber surface treatment device and method for performing surface treatment on carbon fiber |
Similar Documents
| Publication | Publication Date | Title |
|---|---|---|
| CN110761067A (en) | A method and device for continuous treatment of carbon fiber surface based on atmospheric pressure DBD discharge | |
| CN110924132A (en) | Jet DBD discharge plasma carbon fiber surface treatment device and method | |
| Du et al. | DBD plasma treatment of aramid fiber to improve dielectric property of fiber-reinforced composites for GIS insulation rod | |
| Yu et al. | Rapid hydrophobicity recovery of contaminated silicone rubber using low-power microwave plasma in ambient air | |
| CN103515172B (en) | The method of operation of ion beam irradiation apparatus and ion beam irradiation apparatus | |
| CN101525738B (en) | Internal surface ion implantation modification device and method of inductively coupled plasmatube barrel | |
| KR20110034728A (en) | Surface treatment method of carbon fiber using continuous atmospheric plasma device | |
| CN117233079B (en) | An online calibration device and calibration method for thruster channel erosion rate | |
| Farrow et al. | Effect of low‐power air plasma treatment on the mechanical properties of carbon fibres and the interfacial shear strength of carbon fibre—epoxy composites | |
| CN110035594A (en) | Material modification device, system and method based on dielectric barrier discharge plasma | |
| CN104584728A (en) | Equipment for performing modified treatment on medium and large particle seeds by using cold plasma | |
| CN210928112U (en) | Microwave plasma generating device | |
| CN2208742Y (en) | Electronic cyclotron resonance plasma etching machine | |
| CN114960176B (en) | High-degree plasma surface modification device and method for large fiber tows | |
| CN207573692U (en) | A kind of metal cup atmospheric low-temperature plasma processing unit | |
| CN104831519A (en) | Plasma system for continuously processing yarn materials | |
| CN208649181U (en) | A Surface Modification Device for Extending the Service Life of Polyimide Dielectric Barrier Discharge Plasma Exciters | |
| CN115522159A (en) | Plasma Spraying Repair Device for Surface Cracks of Dry Air Core Reactor | |
| CN109874220A (en) | A kind of metal cup atmospheric low-temperature plasma processing unit and application method | |
| CN2214421Y (en) | Continuous carbon fibre surface treatment unit | |
| CN107863283A (en) | A kind of automatic ageing system and method for photocathode protection | |
| CN115069168B (en) | A plasma-based carbon nanotube material fluorination device and its use method | |
| Janča et al. | Plasma surface treatment of textile fibres for improvement of car tires | |
| CN116891619A (en) | Method for improving surface pressure resistance of basalt fiber epoxy resin based on jet flow fluorination | |
| CN2627658Y (en) | Alkaline secondary cell diaphragm processing equipment |
Legal Events
| Date | Code | Title | Description |
|---|---|---|---|
| PB01 | Publication | ||
| PB01 | Publication | ||
| SE01 | Entry into force of request for substantive examination | ||
| SE01 | Entry into force of request for substantive examination | ||
| WD01 | Invention patent application deemed withdrawn after publication |
Application publication date: 20200207 |
|
| WD01 | Invention patent application deemed withdrawn after publication |
