CN106997026B - Method and device for determining the residual capacity of a lead-acid battery - Google Patents
Method and device for determining the residual capacity of a lead-acid battery Download PDFInfo
- Publication number
- CN106997026B CN106997026B CN201710053001.6A CN201710053001A CN106997026B CN 106997026 B CN106997026 B CN 106997026B CN 201710053001 A CN201710053001 A CN 201710053001A CN 106997026 B CN106997026 B CN 106997026B
- Authority
- CN
- China
- Prior art keywords
- value
- determined
- impedance
- lead
- soc
- Prior art date
- Legal status (The legal status is an assumption and is not a legal conclusion. Google has not performed a legal analysis and makes no representation as to the accuracy of the status listed.)
- Active
Links
- 238000000034 method Methods 0.000 title claims abstract description 30
- 239000002253 acid Substances 0.000 title claims description 37
- 238000011156 evaluation Methods 0.000 claims abstract description 32
- 230000008569 process Effects 0.000 claims abstract description 6
- 230000032683 aging Effects 0.000 claims description 10
- 238000010586 diagram Methods 0.000 description 9
- 238000007599 discharging Methods 0.000 description 6
- 230000006870 function Effects 0.000 description 6
- 230000007797 corrosion Effects 0.000 description 4
- 238000005260 corrosion Methods 0.000 description 4
- 238000009792 diffusion process Methods 0.000 description 4
- 239000003792 electrolyte Substances 0.000 description 4
- 238000005259 measurement Methods 0.000 description 4
- 239000011149 active material Substances 0.000 description 3
- 239000002800 charge carrier Substances 0.000 description 3
- 230000007423 decrease Effects 0.000 description 3
- 238000001453 impedance spectrum Methods 0.000 description 3
- 239000003990 capacitor Substances 0.000 description 2
- 230000008859 change Effects 0.000 description 2
- 230000001419 dependent effect Effects 0.000 description 2
- 230000000694 effects Effects 0.000 description 2
- 238000005516 engineering process Methods 0.000 description 2
- 238000002474 experimental method Methods 0.000 description 2
- 230000001965 increasing effect Effects 0.000 description 2
- 230000000284 resting effect Effects 0.000 description 2
- 238000012360 testing method Methods 0.000 description 2
- 238000012546 transfer Methods 0.000 description 2
- 239000013543 active substance Substances 0.000 description 1
- 230000003679 aging effect Effects 0.000 description 1
- 230000008901 benefit Effects 0.000 description 1
- 238000006243 chemical reaction Methods 0.000 description 1
- 238000010276 construction Methods 0.000 description 1
- 238000012937 correction Methods 0.000 description 1
- 125000004122 cyclic group Chemical group 0.000 description 1
- 230000001351 cycling effect Effects 0.000 description 1
- 230000003247 decreasing effect Effects 0.000 description 1
- 238000003411 electrode reaction Methods 0.000 description 1
- 230000036541 health Effects 0.000 description 1
- 230000006872 improvement Effects 0.000 description 1
- 230000001939 inductive effect Effects 0.000 description 1
- 150000002500 ions Chemical class 0.000 description 1
- 230000002427 irreversible effect Effects 0.000 description 1
- 239000011244 liquid electrolyte Substances 0.000 description 1
- 229910052987 metal hydride Inorganic materials 0.000 description 1
- 238000012544 monitoring process Methods 0.000 description 1
- 229910052759 nickel Inorganic materials 0.000 description 1
- PXHVJJICTQNCMI-UHFFFAOYSA-N nickel Substances [Ni] PXHVJJICTQNCMI-UHFFFAOYSA-N 0.000 description 1
- -1 nickel metal hydride Chemical class 0.000 description 1
- 239000000376 reactant Substances 0.000 description 1
- 230000009467 reduction Effects 0.000 description 1
- 238000007363 ring formation reaction Methods 0.000 description 1
- 239000007787 solid Substances 0.000 description 1
- 230000019635 sulfation Effects 0.000 description 1
- 238000005670 sulfation reaction Methods 0.000 description 1
Images
Classifications
-
- H—ELECTRICITY
- H01—ELECTRIC ELEMENTS
- H01M—PROCESSES OR MEANS, e.g. BATTERIES, FOR THE DIRECT CONVERSION OF CHEMICAL ENERGY INTO ELECTRICAL ENERGY
- H01M10/00—Secondary cells; Manufacture thereof
- H01M10/42—Methods or arrangements for servicing or maintenance of secondary cells or secondary half-cells
- H01M10/48—Accumulators combined with arrangements for measuring, testing or indicating the condition of cells, e.g. the level or density of the electrolyte
-
- G—PHYSICS
- G01—MEASURING; TESTING
- G01R—MEASURING ELECTRIC VARIABLES; MEASURING MAGNETIC VARIABLES
- G01R31/00—Arrangements for testing electric properties; Arrangements for locating electric faults; Arrangements for electrical testing characterised by what is being tested not provided for elsewhere
- G01R31/36—Arrangements for testing, measuring or monitoring the electrical condition of accumulators or electric batteries, e.g. capacity or state of charge [SoC]
- G01R31/378—Arrangements for testing, measuring or monitoring the electrical condition of accumulators or electric batteries, e.g. capacity or state of charge [SoC] specially adapted for the type of battery or accumulator
- G01R31/379—Arrangements for testing, measuring or monitoring the electrical condition of accumulators or electric batteries, e.g. capacity or state of charge [SoC] specially adapted for the type of battery or accumulator for lead-acid batteries
-
- G—PHYSICS
- G01—MEASURING; TESTING
- G01R—MEASURING ELECTRIC VARIABLES; MEASURING MAGNETIC VARIABLES
- G01R31/00—Arrangements for testing electric properties; Arrangements for locating electric faults; Arrangements for electrical testing characterised by what is being tested not provided for elsewhere
- G01R31/36—Arrangements for testing, measuring or monitoring the electrical condition of accumulators or electric batteries, e.g. capacity or state of charge [SoC]
- G01R31/382—Arrangements for monitoring battery or accumulator variables, e.g. SoC
- G01R31/3842—Arrangements for monitoring battery or accumulator variables, e.g. SoC combining voltage and current measurements
-
- G—PHYSICS
- G01—MEASURING; TESTING
- G01R—MEASURING ELECTRIC VARIABLES; MEASURING MAGNETIC VARIABLES
- G01R31/00—Arrangements for testing electric properties; Arrangements for locating electric faults; Arrangements for electrical testing characterised by what is being tested not provided for elsewhere
- G01R31/36—Arrangements for testing, measuring or monitoring the electrical condition of accumulators or electric batteries, e.g. capacity or state of charge [SoC]
- G01R31/389—Measuring internal impedance, internal conductance or related variables
-
- G—PHYSICS
- G01—MEASURING; TESTING
- G01R—MEASURING ELECTRIC VARIABLES; MEASURING MAGNETIC VARIABLES
- G01R31/00—Arrangements for testing electric properties; Arrangements for locating electric faults; Arrangements for electrical testing characterised by what is being tested not provided for elsewhere
- G01R31/36—Arrangements for testing, measuring or monitoring the electrical condition of accumulators or electric batteries, e.g. capacity or state of charge [SoC]
- G01R31/392—Determining battery ageing or deterioration, e.g. state of health
-
- Y—GENERAL TAGGING OF NEW TECHNOLOGICAL DEVELOPMENTS; GENERAL TAGGING OF CROSS-SECTIONAL TECHNOLOGIES SPANNING OVER SEVERAL SECTIONS OF THE IPC; TECHNICAL SUBJECTS COVERED BY FORMER USPC CROSS-REFERENCE ART COLLECTIONS [XRACs] AND DIGESTS
- Y02—TECHNOLOGIES OR APPLICATIONS FOR MITIGATION OR ADAPTATION AGAINST CLIMATE CHANGE
- Y02E—REDUCTION OF GREENHOUSE GAS [GHG] EMISSIONS, RELATED TO ENERGY GENERATION, TRANSMISSION OR DISTRIBUTION
- Y02E60/00—Enabling technologies; Technologies with a potential or indirect contribution to GHG emissions mitigation
- Y02E60/10—Energy storage using batteries
Landscapes
- Physics & Mathematics (AREA)
- General Physics & Mathematics (AREA)
- Engineering & Computer Science (AREA)
- Manufacturing & Machinery (AREA)
- Chemical & Material Sciences (AREA)
- Chemical Kinetics & Catalysis (AREA)
- Electrochemistry (AREA)
- General Chemical & Material Sciences (AREA)
- Secondary Cells (AREA)
Abstract
本发明涉及一种通过测量在频率下的阻抗来确定蓄电池(2)的剩余电容量的装置和方法,所述方法包括以下步骤:a)在最后一次充电/放电过程(2)之后以已知的温度和已知的时间点,制备具有已知额定电容量的蓄电池(2),b)在一个准确的频率f下测得阻抗值(Z),c)根据一个测得的准确的阻抗(Z)确定两个评估值,其中,确定虚部(Z″)和相位角
作为评估值,d)根据虚部(Z″)与至少一个参考值的比较,确定蓄电池(2)的SOH值,e)根据相位角与至少一个参考值的比较,确定蓄电池(2)的SOC值,f)在考虑蓄电池(2)的额定电容量的情况下,由确定的SOH值和确定的SOC值确定剩余电容量。The invention relates to a device and method for determining the remaining capacity of an accumulator (2) by measuring the impedance at frequency, said method comprising the steps of: a) after the last charge/discharge process (2) with a known temperature and a known time point, prepare a battery (2) with a known rated capacity, b) measure the impedance value (Z) at an exact frequency f, c) according to a measured exact impedance ( Z) Two evaluation values are determined, wherein the imaginary part (Z″) and the phase angle are determined
As the evaluation value, d) the SOH value of the battery (2) is determined according to the comparison of the imaginary part (Z″) with at least one reference value, e) according to the phase angle The SOC value of the battery (2) is determined by comparison with at least one reference value, f) the remaining capacity is determined from the determined SOH value and the determined SOC value taking into account the rated capacity of the battery (2).Description
Technical Field
The invention relates to a method and a device for determining the residual capacity of a lead-acid battery.
Background
Knowledge of the state variables of the battery is of great importance, for example, in order to determine an operating strategy and/or a change thereof, so that first of all some battery characteristic variables are explained or defined.
The capacity of the accumulator is temperature dependent and measured in amperes Ah]Is a unit description. Capacitance passing with determined current I20Rated capacitance/20 [ A ]]And (4) determining a power-off standard of discharging to U-10.5V (see DIN EN 50342-1). As defined hereinafter:
rated capacitance K20: representing the nominal capacitance given by the manufacturer. It is stored in the minimum capacity (unit [ Ah ]) contained in the new battery]) And at a temperature ofUsing a determined current I20The capacity can be provided under the condition of discharging for twenty hours to the power-off standard of U-10.5V.
Actual capacitance KIST: is shown inMaximum capacity (unit [ Ah ]) in the current state of aging of the battery])。
Residual capacitance KREST: the residual capacitance is expressed inThe capacitance (unit [ Ah ]) that is present in the current charge and aging state (operating state)]). Residual capacitance KRESTLess than or equal to the actual capacitance.
The State of Charge (SOC, State-of-Charge) of the battery is defined as follows:
the State of Health (SOH) of a battery is defined as:
SOC can be 100% at maximum because KISTRepresents the maximum capacitance, wherein the value of SOH may be>100% because of the maximum possible capacity K of the new accumulatorISTThe rated capacitance K given by the manufacturer is mostly exceeded20。
The SOC and SOH must be known in order to determine the residual capacity without discharging.
KREST=SOC·SOH·K20
The aging effects of lead-acid batteries form irreversible damage which has a negative effect on the component function and SOH. The loss of active material results, for example, in a smaller actual capacity of the battery and thus in less energy that can be stored in the battery. The loss of the actual capacity is caused by the cyclic loading of the accumulator and by corrosion. The corrosion is accelerated in particular by the accumulator being in a lower state of charge for a longer time, in particular at high temperatures. The consequences of ageing by cycling or corrosion are, for example, the fracture of the connecting webs of the conductive grid of the positive electrode and surface sulfation, the detachment of the active substance. The low-cost, rapid and reliable determination of the current residual capacity of a battery is of great importance for use in the industrial and consumer sector, in particular when the battery must supply the safety system of a facility or vehicle only in an emergency. If the battery is not to assume other functions, the current capacity check of the battery is still very unreliable or time-consuming and expensive due to the missing, unevaluatable history of the load-bearing situation.
DE 10220172 a1 discloses a method for monitoring the operating state of an electrochemical device, in which an impedance is measured by means of a measuring device at a connection of the electrochemical device, wherein the operating state of the electrochemical device is monitored in an evaluation device as a function of the magnitude of the imaginary part of the measured impedance. The impedance is preferably measured at least two frequencies. By measuring the impedance at least two frequencies, a vector diagram (Ortskurve) of the electrochemical device can be recorded, which shows curves characterizing the respective operating state. The operating state of the electrochemical device can be estimated by evaluating the impedance of the vector trace plot at different frequencies. In this case, the vector path diagram is preferably evaluated or evaluated at a location at which the vector path diagram changes in a manner that characterizes the respective operating state.
DE 102009000337 a1 discloses a method for determining the aging state of a battery cell, comprising the steps of:
a) a battery cell is prepared and,
b) the impedance spectrum is recorded and the measured impedance is,
c) an evaluation value is determined from the measured impedance spectrum,
d) the aging state of the battery cells is determined from the comparison of the evaluation values with the reference values, and the results for the battery cells are transferred to the entire battery, wherein differences in the aging state of the individual cells are not taken into account.
The evaluation value a is determined by recording at least two impedances or impedance spectra. The evaluation value is preferably the measured impedance (in ohms) at a certain low frequency, and the reference value is a real number with the units of ohms. Here, all frequencies of ≦ 10Hz, preferably ≦ 1Hz, may be used as low frequencies. Particularly preferred are frequencies in the range from 0.1Hz to 0.3 Hz. In this document, the principle application of all conventional battery technologies is described.
However, it has been found in practical experiments that the determination of the SOH for lead-acid batteries using the proposed method steps does not lead to satisfactory results. It is to be noted here that the process described by DE 102009000337A 1 does not provide SOH as a result, since SOH is defined as SOH
Specifically, the remaining life (unit: day) depending on the state of charge (SOC) and the temperature is obtained.
A method for determining the residual capacity of a battery cell is known from DE 69229805T 2. At least two impedances of the battery are measured, wherein each impedance is measured with a different frequency in the approximate range from 0.001 to 1.0 Hz. Here, the approximate slope of a straight line determined by detecting the imaginary part of the impedance as a function of the real part of the impedance. The residual capacity of the battery is determined as a function of the residual capacity by comparing the determined slope with a standard curve of the slope, wherein the standard curve is determined by measuring at least two impedances at different frequencies for each of at least two batteries of known capacity having different values of the residual capacity. Here, the frequency is in the range of 0.001 to 1.0 Hz.
A method for determining the SOH value of a nickel metal hydride battery is known from patent document US 2003/0074335 a1, wherein at least one impedance value is detected and the SOH value is assigned to the impedance value by means of a fuzzy system.
From the patent document US 2,984,762 a, a method for determining the SOC value of a battery is known, wherein for this purpose the phase angle of the impedance of the battery is evaluated.
Disclosure of Invention
The object of the present invention is therefore to provide a simple, reliable and cost-effective method for determining the residual capacity of a lead-acid battery, and to provide a suitable device therefor.
The object is achieved according to the invention by a method for determining the residual capacity of a lead-acid battery by measuring the impedance at a frequency, wherein the residual capacity is the capacity at a reference temperature in the current state of charge and aging, comprising the following steps:
a) at a known temperature and at a known point in time after the last charge/discharge process, a lead-acid battery with a known nominal capacity is prepared,
b) the impedance value is measured at an exact frequency f,
c) two evaluation values are determined from a measured, exact impedance, wherein the imaginary part and the phase angle are determined as evaluation values,
d) determining the SOH value of the lead-acid battery on the basis of the comparison of the imaginary part with at least one reference value,
e) determining the SOC value of the lead-acid battery based on the comparison of the phase angle with at least one reference value,
f) the residual capacity is determined from the determined SOH value and the determined SOC value, taking into account the rated capacity of the lead-acid storage battery.
The object is also achieved according to the invention by an apparatus for determining the residual capacity of a lead-acid battery, wherein the residual capacity is the capacity at a reference temperature in the present state of charge and aging, comprising an ac voltage source or an ac current source, a device for measuring the voltage and the current in phase, and an evaluation unit, wherein the evaluation unit is designed to measure an impedance from the voltage and the current and to determine therefrom an imaginary part and a phase angle as evaluation values, and to determine the SOH value, the SOC value and the residual capacity of the lead-acid battery by comparing the evaluation values with at least one reference value, respectively.
The method for determining the residual capacity comprises the method steps of: a lead-acid battery with a known nominal capacity is prepared at a known temperature and at a known point in time after the last charging/discharging process, and the impedance value is measured at an exact frequency f. The imaginary part of the impedance is determined as an evaluation value from the measured impedance, wherein the SOH value of the battery is determined as a function of a comparison of the evaluation value with at least one reference value. Experiments have shown that, in particular, the real part of the impedance of a lead-acid battery varies nonlinearly in relation to the SOH value and is therefore difficult to analyze in terms of measurement technology. This results in a reduction of the distinction due to the real part, which is not easily distinguishable, even when analyzing the total impedance. According to the invention, the distinction is made on the very exact imaginary part, which leads to a significant improvement in the determination of the SOH value. Preferably, a comparison with a plurality of reference values is carried out in order to determine the SOH value as accurately as possible. Here, the reference values are experimentally determined and stored and summarized for defining the SOH range. Thus, the term SOH value or SOC value also encompasses a range, for example, SOC 60-70%, when differing from the above only one value is considered, for example, SOC 100%. For example, if the imaginary part Z ″ lies between two reference values, it is assigned a SOH range. It is to be noted here that the reference value is recorded under conditions corresponding to the imaginary part of the SOH range used for determining the specimen. The impedance and its imaginary part therefore depend, for example, on the temperature, the time and the frequency after the last charging/discharging of the battery. In this case, the frequency can simply remain unchanged. The method of determining SOH according to the present invention proves to be independent of SOC in the preferred frequency range of f < 10Hz, so that the main considerations are temperature and time after the last charge/discharge. This can also be done by means of a correction term. Preferably, the test piece is measured at the same temperature as the reference piece. Furthermore, the measurement of the test piece and the reference piece is preferably carried out in a resting state of the battery, that is to say at least 0.5 hour, preferably 0.5 to 12 hours, after the last charge/discharge. The resting state of a lead-acid battery is defined as the absence of significant diffusion processes due to differences in acid concentration in the electrodes and in the free electrolyte at least 0.5 hours after the charging/discharging process.
To determine the SOC of a battery, the phase angle of the measured impedance is determined at the same frequencyAs a further evaluation value and compared with at least one reference value and assigned an SOC value. It is also applicable here that there are preferably a plurality of reference values, to each of which a SOC range is assigned.
With the SOH value and the SOC value thus determined, the residual capacitance can be determined while taking into account the known nominal capacitance. The advantage of this method is that it is not necessary to provide a current or voltage source with variable frequency and also to determine the slope or the vector diagram. This simplifies both the construction and the computational effort. The method or the device can therefore be used even on board a motor vehicle in order to determine the residual capacity of the battery.
In one embodiment, the imaginary part of the impedance is compared with a threshold value at a specific frequency f as a preceding step. If the negative imaginary part is below the threshold, the SOC is about 100%. At a preferred frequency f of 10mHz, the threshold value is approximately "-0.14 m Ω" for a lead-acid battery. If the determined frequency is selected to be less than f 10mHz, a smaller threshold value is determined. If, on the other hand, it is not below the threshold value, then the phase angle is evaluatedThe SOC is determined.
In an embodiment, the frequency f is less than 10Hz, since the difference in the imaginary part above this frequency is also small.
It is shown here that the difference in the imaginary part is clearer as the frequency decreases. However, the measurement time increases accordingly. In embodiments, the frequency is therefore selected to be less than 50mHz and greater than 0.1mHz, particularly preferably 10 mHz.
For this purpose, the device comprises an alternating voltage or alternating current source, whereby a voltage or a current can be applied to the lead-acid battery, wherein preferably a current is applied. The alternating voltage or current is preferably sinusoidal. The device also comprises means for measuring the voltage and current in phase-matched fashion, and an evaluation unit, wherein the evaluation unit is designed to measure an impedance from the voltage and current and to determine therefrom an imaginary part and a phase angle as evaluation values. The evaluation unit is also designed to determine the SOH value and the SOC value by comparing the evaluation values with at least one reference value. The evaluation unit then determines the residual capacity of the battery using the SOH value and the SOC value and the nominal capacity.
Drawings
The invention is further illustrated below by means of preferred examples. In the drawings:
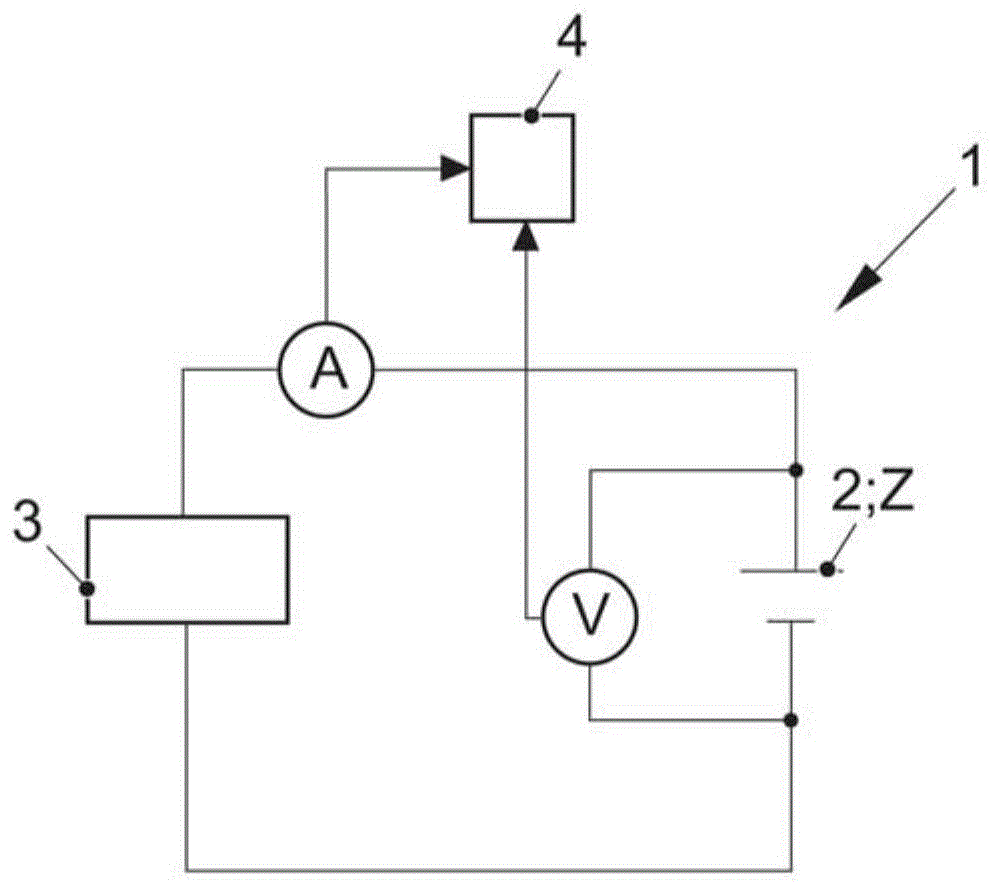
figure 1 shows a schematic block diagram for determining the impedance of a lead-acid battery,
figure 2 shows a circuit diagram of the use of a lead-acid battery,
figure 3 shows an exemplary graph (nyquist diagram) of the impedance of a lead-acid battery,
figure 4 shows a plot of real part versus frequency for different SOH values or actual capacitances,
figure 5 shows a graph of imaginary part versus frequency for different SOH values or actual capacitances,
Detailed Description
Fig. 1 shows a simplified block diagram of an apparatus for determining the impedance of a lead-acid battery 2 having an ac voltage source 3 which generates an ac voltage having a frequency f. In this case, the ac voltage source 3 is connected in series with an ammeter a, which detects phase-dependent currents and voltages in order to determine the impedance in the evaluation unit 4 therefrom, and is connected in parallel with the lead-acid battery 2 with a voltmeter. Alternatively, the power supply can also be designed as an alternating current source. The analysis unit 4 can determine the SOH and the SOC and thus the remaining electric capacity of the lead-acid storage battery 2 as described below.
Fig. 2 shows a lead-acid battery2, the elements of which are briefly described below. Internal resistance R of lead-acid storage batteryiConsists of the following components: electrodes, pole bridges, cell connectors (when several accumulators are connected in series or in parallel), electrode grids, active material and electrolyte, wherein this constitutes the largest part. The increase in internal resistance is due to corrosion, loss of active material, changes in microstructure over time, and changes in electrolyte concentration and temperature.
For batteries, an inductive effect occurs on the connection lines and the wiring of the connection lines, the electrode connections and the grounding structure, which is represented by the inductance L.
In lead acid batteries, energy begins to be stored in the electrolyte. When an overvoltage is applied, the current causes the concentration distribution of the charge carriers to change due to a potential shift in the electric double layer. A certain time is required to reach a new, stable state. Modeling of this physical phenomenon is achieved by a capacitance C, referred to herein as C for "double layer" (double layer)dl. In this case, the state in the electric double layer also has to be modeled as a resistance to the reaction of the charge carriers by the passage of the occurring charge carriers from the solid electrode into the liquid electrolyte and the subsequent charge transfer in the double layer. This may be achieved by an electric double layer capacitor CdlParallel resistor RctAnd (5) realizing. The subscript "ct" denotes "charge transfer".
With parallel resistors RDCapacitor C ofDModeling the diffusion process. The diffusion process is important when the electrode reaction is inhibited due to the absence of reactants. This occurs, for example, at the end of each battery charge when there is only a small amount of transformable PbSO on the electrode surface4When the charge current is determined by a lower diffusion rate of lead ions into the electric double layer and hardly rises when the charge voltage is increased.
An exemplary curve of the impedance Z ═ Z' + jZ "of the lead-acid battery is shown in fig. 3, where it can be seen that negative Z" values are recorded on the Y axis. The main parts of the circuit diagram according to fig. 2 are recorded here. Here, Z' is the real part of the impedance and Z "is the imaginary part of the impedance. If the reference line is drawn through the impedance value, thenThe angle between the reference line and the X-axis being the phase angleThe frequency corresponding to the inductance L is shown in the figure to be 10kH to about 500Hz, corresponding to the internal resistance R of the lead-acid batteryiCorresponding to a frequency of about 500Hz, the electric double layer capacitance CdlAnd a resistance RctThe parallel circuit of (a) corresponds to a frequency of about 500Hz to about 1Hz, a capacitance CDThe corresponding frequency is about 1Hz to 10 mHz.
Fig. 4 shows the real parts Z' of the frequency of the battery cells aged to different extents in the sleep state, the temperature and the SOC being identical in each case (T ═ 20 ℃, SOC ═ 40%). It is seen here that the curves differ only slightly in the range above 1000 Hz. From 1000Hz to about 0.1Hz, with only the accumulator K having the greatest cyclizationIST22.15Ah can be distinguished from other batteries. The curves are clearly separated from each other at frequencies below 0.1Hz, the greatest difference being at f 10 mHz. However, it can be seen here that the actual capacitance decreases nonlinearly with increasing real part at 10 mHz.
Fig. 5 shows the measurement results of the same battery, wherein the negative imaginary part Z ″ is shown here with respect to the frequency f.
It can be seen in the figure that the imaginary part of the frequency up to about 10Hz does not provide a difference in the actual capacitance. From frequencies less than 10Hz, the curves are clearly more different than in fig. 4. The greatest difference also occurs at 10 mHz. It can be seen here that the actual capacitance decreases with decreasing imaginary part. In this case in an approximately linear order.
This is used here according to the invention to determine the SOH value in such a way that the range of values of the imaginary part Z "corresponds to the range of SOH values. The effect of measuring outliers is excluded by using a sufficiently large range. In this case, a comparison is made between the evaluation value (imaginary part Z ") and the reference value in the sleep state of the battery at a specific frequency (for example 10mHz) and at the same temperature.
Preferably, the evaluation takes place in an evaluation unit, in which the imaginary part Z ″ is determined and compared from the current and voltage values, wherein the reference values are stored in a corresponding memory. The determined SOH value can then be displayed and, if necessary, a recommendation can be made when replacing the battery. The determined SOH value may be introduced into another control device, for example, a battery management system.
The phase angle with respect to the frequency f (in Hz) is shown in FIG. 6Wherein the frequency f is logarithmically recorded. Different phase angle curves for different SOC values are recorded. From the experimentally determined SOC value, a reference value can be derived, which is also shown in fig. 6. Thus, for exampleCorresponds to a 100% SOC value,corresponds to a SOC range from 80% to 100%,corresponds to a range of SOC from 60% to 80%, corresponds to a SOC value from 40% to 60%,corresponds to a 40% SOC value. In this case, it can be provided that only the SOC range resulting in the range information for the residual capacity is allocated. However, an SOC value may be assigned to each phase angle in the range. For example as a phase angleAssigning SOC value of 80 DEG as phase angleAssigning SOC value of 70 DEG as phase angleThe SOC value is assigned 60 °, wherein the intermediate values are linearly interpolated. It is noted here that the empirically determined reference value must only be determined at a certain frequency f (for example 10 mHz). The imaginary part Z ″ can be compared beforehand with a threshold value S, the SOC being determined to be 100% below the threshold value S and, if the threshold value is exceeded, by the phase angle according to fig. 6Comparison with a reference value.
Claims (8)
Applications Claiming Priority (2)
| Application Number | Priority Date | Filing Date | Title |
|---|---|---|---|
| DE102016201026.3 | 2016-01-25 | ||
| DE102016201026.3A DE102016201026B4 (en) | 2016-01-25 | 2016-01-25 | Method and device for determining a residual capacity of a lead-acid battery |
Publications (2)
| Publication Number | Publication Date |
|---|---|
| CN106997026A CN106997026A (en) | 2017-08-01 |
| CN106997026B true CN106997026B (en) | 2020-04-10 |
Family
ID=59296108
Family Applications (1)
| Application Number | Title | Priority Date | Filing Date |
|---|---|---|---|
| CN201710053001.6A Active CN106997026B (en) | 2016-01-25 | 2017-01-22 | Method and device for determining the residual capacity of a lead-acid battery |
Country Status (2)
| Country | Link |
|---|---|
| CN (1) | CN106997026B (en) |
| DE (1) | DE102016201026B4 (en) |
Cited By (1)
| Publication number | Priority date | Publication date | Assignee | Title |
|---|---|---|---|---|
| US11662389B2 (en) | 2020-07-24 | 2023-05-30 | Analog Devices International Unlimited Company | Tracking state of charge of a non-rechargeable battery using impedance spectroscopy |
Families Citing this family (5)
| Publication number | Priority date | Publication date | Assignee | Title |
|---|---|---|---|---|
| CN111273185B (en) * | 2018-11-16 | 2023-10-03 | 宇通客车股份有限公司 | SOH estimation method and device for power battery system of electric automobile |
| DE102018220251A1 (en) * | 2018-11-26 | 2020-05-28 | Robert Bosch Gmbh | Method and device for assessing the health status of a removable battery |
| JP7153196B2 (en) * | 2018-12-26 | 2022-10-14 | トヨタ自動車株式会社 | BATTERY CHARACTERISTICS EVALUATION DEVICE AND BATTERY CHARACTERISTICS EVALUATION METHOD |
| DE102019109622A1 (en) * | 2019-04-11 | 2020-10-15 | Bundesrepublik Deutschland, Vertreten Durch Das Bundesministerium Für Wirtschaft Und Energie, Dieses Vertreten Durch Den Präsidenten Der Physikalisch-Technischen Bundesanstalt | Method for determining an aging parameter, a state of charge parameter and a temperature of an accumulator, in particular a lithium accumulator |
| CN115267583B (en) * | 2022-08-10 | 2024-12-06 | 上海智能新能源汽车科创功能平台有限公司 | A nondestructive testing method for lithium deposition in lithium-ion batteries |
Family Cites Families (11)
| Publication number | Priority date | Publication date | Assignee | Title |
|---|---|---|---|---|
| NL239266A (en) | 1958-05-15 | |||
| US3984762A (en) * | 1975-03-07 | 1976-10-05 | The United States Of America As Represented By The Secretary Of The Army | Method for determining battery state of charge by measuring A.C. electrical phase angle change |
| US5241275A (en) | 1991-05-31 | 1993-08-31 | At&T Bell Laboratories | Method of measuring remaining capacity of a storage cell by comparing impedance plot characteristics |
| US6456988B1 (en) * | 1997-03-12 | 2002-09-24 | U.S. Nanocorp Inc. | Method for determining state-of-health using an intelligent system |
| JP3598873B2 (en) * | 1998-08-10 | 2004-12-08 | トヨタ自動車株式会社 | Secondary battery state determination method and state determination device, and secondary battery regeneration method |
| DE10220172B4 (en) | 2002-05-06 | 2006-01-12 | Fachhochschule Amberg-Weiden | Method and device for monitoring the operating state of an electrochemical device |
| DE102009000337A1 (en) | 2009-01-21 | 2010-07-22 | Robert Bosch Gmbh | Method for determining an aging state of a battery cell by means of impedance spectroscopy |
| US8831897B2 (en) * | 2010-11-14 | 2014-09-09 | Global Energy Innovations, Inc. | Determining remaining life fraction for battery networks in-situ |
| WO2013115038A1 (en) * | 2012-01-31 | 2013-08-08 | プライムアースEvエナジー株式会社 | Battery state detection device |
| CN102866362B (en) * | 2012-09-27 | 2015-04-15 | 重庆大学 | Electric vehicle power battery impedance characteristic measuring method |
| DE102014217135B4 (en) * | 2014-08-28 | 2025-04-30 | Volkswagen Aktiengesellschaft | Method and device for determining a state-of-charge value of a battery |
-
2016
- 2016-01-25 DE DE102016201026.3A patent/DE102016201026B4/en active Active
-
2017
- 2017-01-22 CN CN201710053001.6A patent/CN106997026B/en active Active
Cited By (2)
| Publication number | Priority date | Publication date | Assignee | Title |
|---|---|---|---|---|
| US11662389B2 (en) | 2020-07-24 | 2023-05-30 | Analog Devices International Unlimited Company | Tracking state of charge of a non-rechargeable battery using impedance spectroscopy |
| US12203997B2 (en) | 2020-07-24 | 2025-01-21 | Analog Devices International Unlimited Company | Tracking state of charge of a non-rechargeable battery using impedance spectroscopy |
Also Published As
| Publication number | Publication date |
|---|---|
| DE102016201026B4 (en) | 2019-03-21 |
| DE102016201026A1 (en) | 2017-07-27 |
| CN106997026A (en) | 2017-08-01 |
Similar Documents
| Publication | Publication Date | Title |
|---|---|---|
| CN106997026B (en) | Method and device for determining the residual capacity of a lead-acid battery | |
| JP7490921B2 (en) | Method and apparatus for detecting lithium plating and for obtaining polarization ratio - Patents.com | |
| US10386422B2 (en) | Electrochemical impedance spectroscopy in battery management systems | |
| JP5349810B2 (en) | Storage device abnormality detection device, method, and program | |
| US8952823B2 (en) | Battery early warning and monitoring system | |
| CN103608994B (en) | Battery control device, battery system | |
| EP2711727B1 (en) | Battery condition estimation device and method of generating open circuit voltage characteristic | |
| JP7640541B2 (en) | Fast charging method | |
| EP3021127A1 (en) | Method for estimating state of electricity storage device | |
| Kirchev | Battery management and battery diagnostics | |
| US9400313B2 (en) | Method and device for determining the actual capacity of a battery | |
| JP2002107427A (en) | Remaining battery capacity detection method | |
| US20140365150A1 (en) | Method and device for determining a charge state of an electric energy store | |
| US20220308115A1 (en) | Capacity degradation prediction method and prediction system | |
| CN107346907A (en) | A kind of battery bag maintenance system and battery bag maintaining method | |
| JP7174327B2 (en) | Method for determining state of secondary battery | |
| WO2022176317A1 (en) | Secondary battery control device | |
| JP6694462B2 (en) | How to test semi-finished battery cells | |
| US11474158B2 (en) | Analyzing electrical impedance measurements of an electromechanical battery | |
| CN112415409A (en) | Method and device for estimating battery capacity, storage medium and vehicle | |
| JP4954791B2 (en) | Voltage prediction method for power storage devices | |
| US20110062918A1 (en) | Method and device for monitoring the operating state of a battery | |
| JP6927877B2 (en) | Methods and devices for detecting battery accumulator overcharge | |
| US11515583B2 (en) | Method for determining the state of an electrical energy storage unit, corresponding device for carrying out the method and corresponding electrical energy storage unit | |
| CN112448044A (en) | Battery pack, equalization method and equalization device thereof |
Legal Events
| Date | Code | Title | Description |
|---|---|---|---|
| PB01 | Publication | ||
| PB01 | Publication | ||
| SE01 | Entry into force of request for substantive examination | ||
| SE01 | Entry into force of request for substantive examination | ||
| GR01 | Patent grant | ||
| GR01 | Patent grant |



























